Telemecanique Sensors XCSZ05 Sliding Door Latch
Safety interlock switch

Head Orientation


Contact status

- Transient state
- Contact open (0)
- Contact closed (1)
Position of keylock on XCS B/C / Orientation

DIMENSIONS



- Shim provided with XCSZ01 enabling an XCKJ with a ZCKY07 key to be replaced by an XCSA/B/C with an XCSZ01 key without redrilling any attaching holes.

Cat. 1 – PL=c (EN/ISO 13849 -1)
- XCSA5••
- XCSB5••
- XCSC5••
- NC + NO + NO

Cat. 3* – PL=d (EN/ISO 13849 -1)
- XCSA7••
- XCSB7••
- XCSC7••
- NC + NC + NO

- For mechanical/electrical redundancy, add another switch with positive opening contacts.
Assembly, dimensions

The safety interlock switch must not be used as a mechanical stop or as a centering tool for the moving guard. An additional limit stop on the fixed part must be anticipated. After adjustment, make it is impossible to dismantle the support key. Only keys XCSZ 01/02/03/05 must be used.
- Earthing the box.
- Fitted cable gland for «ISO M20x1.5» version.
- Unprovided cable gland for «1/2 NPT» version.
Field wiring cable gland for metric entry shall be provided of a seal or gasket, rated IP66/IP67 and Type 1, 2, 3, 4, 4X, and 12 as applicable, suitable for the type of protection marked on the equipment. Use suitable cables and cable glands to a minimum temperature of 65 °C for an ambient temperature of 60 °C.
Electrical setup
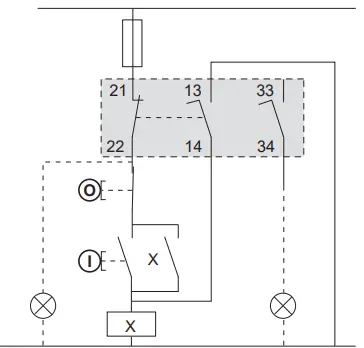
Check that starting cannot be carried out when the protector is opened. Remove the cover and connect the contact in accordance with the diagram corresponding to the estimated risk. Replace the cover carefully with all gaskets in place. To obtain better immunity to interference and reduce the size of secondary currents from other circuits, we strongly recommend that you wire each intrinsically safe (IS) channel with 2 conductors contained in the same sheath. “Control” and “power” cable networks must be kept separate.
Specific conditions
Electrical safety parameters
- Circuit inductance Lint. y 1 mH
- Circuit capacity Cint. y 283 nF
- Maximum supply voltage Usupp. = 24 V DC
- Specific conditions for safe usage:
- The equipment must be connected to an intrinsically safe device certified for electrical output characteristics that are compatible with those listed above.
- The voltage source connected to the switch must be of a type certified for use in group IIC, IIB or IIA explosive atmospheres, and its output circuit must be certified intrinsically safe.
- External circuits connected to the switch must be certified intrinsically safe for use in explosive atmospheres, and their use must be compatible in terms of intrinsic safety.
- Care shall be taken not to install the equipment where propagating brush discharge may occur.
Servicing and maintenance
Before the device is restarted, the requirements listed on page 1/2 of the “Operation” section must be complied with. The intervals for carrying out servicing and maintenance must be set according to the environment and climatic variations.
- Do not open or remove the cables of live devices.
- Ensure that the device does not become covered in layers of dust: please vacuum regularly using equipment appropriate to the zone.
- Check the condition of the fixing supports.
- Check the following points on a regular basis:
- the mechanical adjustment of the product,
- wear: the devices must not be used in excess of their catalogue specifications,
- check that the electric switching functions correctly,
- the devices must not be modified,
- The following items must be checked at least once a year or following a lengthy stoppage period
- All external parts must be undamaged,
- the position switch. If damaged, replace it,
- the fail-safe loop,
- the mechanical condition of the switch and the connecting devices,
- Every 100,000 operating cycles or every 10,000 hours: the condition and operation of the actuating devices.
If any of the items checked is defective, it must be replaced immediately. If the devices are used at the limits of the temperature (-20…+60 C° / -4…140 F°) and humidity (50 to 95 %) ranges, check the integrity of the connecting devices at regular intervals.
- Device shall be cleaned using a damp cloth, compresed air must not be used.
EC type-examination certificate
Use of these devices must be solely limited to the function of safety interlock switches. These devices must be installed, used and maintained in accordance with:
- Standard IEC/EN 60079-14 (Explosive atmospheres), part 14 (Electrical installations design, selection and erection).
- Standard IEC/EN 60079-17 (Explosive atmospheres), part 17 (Electrical installations inspection and maintenance).
- Standard IEC/EN 60079-31 (Explosive atmospheres), part 31 (Equipment dust ignition protection by enclosure ‘t”).
- Standards IEC/EN 60947-5-1 and EN/ISO 12100 to ensure the safety of machine operators and the reliability of the machine.
- Standard IEC/EN 60204-1 (Machines safety – machine electrical equipment)
- Standard EN/ISO 14119 (Machines safety – safety switches associated with protectors)
- Standard IEC/EN 13849 -1 (Machines safety – parts of the control systems relating to safety)
- Standard NF C 15 100 (Low voltage electrical installations) – European equivalent: IEC/EN 60364.
- UL 60079-0, 6th Edition, Explosive atmospheres – Part 0: Equipment – General requirements – Revision Date 2017/10/20
- UL 60079-31, 2nd Edition, Explosive Atmospheres – Part 31: Equipment Dust Ignition Protection by Enclosure “t” – Issue Date 2015/06/12
- CSA C22.2 No. 60079-0:15, Explosive atmospheres – Part 0: Equipment – General requirements – Edition 3 – Issue Date 2015/10
- CSA C22.2 No. 60079-31:15, Explosive Atmospheres – Part 31: Equipment Dust Ignition Protection by Enclosure “t” – Edition 2 – Issue Date 2015/10.
- Standard IEC/EN 61241 (electrical materials intended to be used in combustible dust particles)
- regulations governing setup of the zone or zones for which the devices were designed
We cannot accept any responsibility for failure to observe these regulations. Device installation, operation and maintenance must be carried out by approved, qualified staff.
WARNING: Liability for manufacturer traceability (serial number specified on the certification label) is ensured at the first known delivery destination.
All spare tongued keys must be stored in a safe place and only used or installed by authorized persons. Use of a master key, modified or dummy tongued key may give rise to dangerous situations. Tongued keys must be fixed by soldering, riveting or unretractable screws.
Characteristics
| O +F + F | XCSA502EX (1) | XCSB502EX (1) | XCSC502EX (1) | |
| O + O + F | XCSA702EX (1) | XCSB702EX (1) | XCSC702EX (1) | |
| System | Without locking | With locking, manual unlocking | ||
| By button | By key lock | |||
| Mechanical durability | 10 x 106 | 6 x 106 (Limited operations number by the locking key system) | ||
| Reliability data B10d | XCSA/B/C: 5.000.000 (data value for a service life of 20 years can be limited by contact and mechanical wear) | |||
| Vibration resistance | 5 gn (10…500 Hz) conforming to EN/IEC 60068-2-6 | |||
| Shock resistance | 10 gn (during 11 ms) conforming to EN/IEC 60068-2-27 | |||
| Protection against electric shock | Class I conforming to EN/IEC 61140 | |||
| Degree of pollution | 3, conforming to EN/IEC 60 947-5-1 | |||
| Response speed (m/s) | 0,1 m/s ==> 0,5 m/s | |||
| Temperature range | -20…+60 C° / -4…140 F° | |||
| Degree of protection | IP67 | |||
| Rated operational characteristics | AC15 ; A300 – DC13 ; Q300 | |||
| Short-circuit protection | 10 A gG (gl) cartridge fuse | |||
| Minimum key pull-out resistance | XCSA: F min = 20 N / 4.5 lbf | |||
| Resistance to forcible withdrawal of actuator | XCSB/C: F1max=1500N / 337.2 lbf, fZh=1150N / 258.5 lbf | |||
| Cable entry | 1 threaded entry for ISO M20x1.5 cable gland, fitted | |||
- Replace 2EX by 3EX for 1/2 NPT thread
Operation
These devices can achieve up to category 4 PL=e or SIL 3 (if combined with an appropriate Control Safety Unit PL=e / SIL 3).
- Before startup, check that the product has not been damaged (do not use a device if it is damaged).
- Check that the product’s labeling specifications are compatible with the conditions permitted for the Ex zone at the site where it is being used: (Group II: Surface industries – Category 2: high protection level – G: Gas – D: Dust – IPxx: degree of protection (protection against solids and liquids) – T 85 C° / 185 F° : max. surface temperature).
- Store products in their original packaging, in a dry place, T : -40…+70 C° / -40…+158 F°.
- commissioning:
- Connecting the contacts (see specifications). Tightening torque for the screw clamps: min. 0.8 N.m – max 1.2 N.m
- Clamp the cable (Ø6…12 mm) in the fitted cable seal ISO M20x1.5.
- Fitting and adjusting the product: see page 2/2.
- Before closing the cover, ensure that the gasket is in good condition and correctly positioned.
- Ensure that the 2 screws in the cover are tight. Tightening torque: 1.5 N.m
Assembly precautions
IF the electrical connection is made in the risk zone, ensure that the junction box is certified as compliant with this zone. The device must be assembled in accordance with the operating instructions (position, clearances, etc.) Serial or parallel wiring of safety interlock switches or wiring together with magnetic switches is strictly prohibited on the same intrinsically safe loop. As the intrinsically safe relay is the interface from which the peak limiting protection conditions are established, it must be installed outside the danger zone or in an Ex enclosure with appropriate protection. The total resistance of the outward and return conductors in the intrinsically safe loop must be less than 50Ω.

http://qr.tesensors.com/XCS012





















