
www.onsemi.com
MOSFET – Power, Single
N-Channel, TOLL
60 V, 0.9 mΩ, 422 A
NVBLS001N06C
Features
- Low RDS(on) to Minimize Conduction Losses
- Low QG and Capacitance to Minimize Driver Losses
- Lowers Switching Noise/EMI
- AEC−Q101 Qualified and PPAP Capable
- These Devices are Pb−Free, Halogen Free/BFR Free and are RoHS Compliant
MAXIMUM RATINGS (TJ = 25°C unless otherwise noted)
| Parameter | Symbol | Value | Unit | ||
| Drain-to-Source Voltage | VDss | 60 | V | ||
| Gate-to-Source Voltage | VG5 | +20 | V | ||
| Continuous Drain Current Fin jc (Note 2) | Steady State | Tc = 25 C | ID | 422 | A |
| Tc = 100 C | 298 | ||||
| Power Dissipation R,, jc (Note 2) | Tc = 25 C | PD | 284 | W | |
| Tc = 100 C | 142 | ||||
| Continuous Drain Current RUA (Notes 1, 2) | Steady Sta State | TA = 25 C | ID | 51 | A |
| TA = 100 C | 36 | ||||
| Power Dissipation R,,,,, (Notes 1, 2) | TA = 25 C | PD | 4. | W | |
| TA= 100 C | 2. | ||||
| Pulsed Drain Current | TA = 25 C, tp = 10 «s | IoM | 900 | A | |
| Operating Junction and Storage Temperature Range | T j, Ts, | -55 to +175 | C | ||
| Source Current (Body Diode) | is | 236 | A | ||
| Single Pulse Drain-to-Source Avalanche Energy (I,5, = 39 A) | EAS | 1640 | mJ | ||
| Lead Temperature Soldering Reflow for Solder- ing Purposes (1/8″ from case for 10 s) | TL | 260 | C | ||
Stresses exceeding those listed in the Maximum Ratings table may damage the device. If any of these limits are exceeded, device functionality should not be assumed, damage may occur and reliability may be affected.
THERMAL RESISTANCE MAXIMUM RATINGS
| Parameter | Symbol | Value | Unit |
| Junction-to-Case – Steady State (Note 2) | ReJC | 0.53 | °C/W |
| Junction-to-Ambient – Steady State (Note 2) | RHEA | 36 |
- Surface−mounted on FR4 board using a 1 in² pad size, 2 oz. Cu pad.
- The entire application environment impacts the thermal resistance values shown, they are not constants and are only valid for the particular conditions noted.
| V(BR)DSS | RDS(ON) MAX | ID MAX |
| 60 V | 0.9 mΩ @ 10 V | 422 A |

H−PSOF8L CASE 100CU
ORDERING INFORMATION
| Device | Package | Shipping† |
| NVBLS001N06C | H−PSOF8L (Pb−Free) | 2000 / Tape & Reel |
†For information on tape and reel specifications, including part orientation and tape sizes, please refer to our Tape and Reel Packaging Specification Brochure, BRD8011/D.
Table 1. ELECTRICAL CHARACTERISTICS (TJ = 25°C unless otherwise noted)
| Parameter | Symbol | Test Conditions | Min | Typ | Max | Units |
OFF CHARACTERISTICS
| Drain−to−Source Breakdown Voltage | V(BR)DSS | ID = 250 µA, VGS = 0 V | 60 | V | |||
| Drain−to−Source Breakdown Voltage Temperature Coefficient | V(BR)DSS/TJ | ID = 562 µA, ref to 25°C | 26 | mV/°C | |||
| Zero Gate Voltage Drain Current | IDSS | VDS = 60 V, VGS = 0 V | TJ = 25°C | 10 | µA | ||
| TJ = 125°C | 100 | µA | |||||
| Gate−to−Source Leakage Current | IGSS | VDS = 0 V, VGS = 20 V | 100 | nA | |||
ON CHARACTERISTICS (Note 3)
| Gate Threshold Voltage | VGS(th) | VGS = VDS, ID = 562 µA | 2.0 | 2.8 | 4.0 | V |
| Negative Threshold Temperature Coefficient | VGS(th)/TJ | ID = 562 µA, ref to 25°C | 9.9 | mV/°C | ||
| Drain−to−Source On Resistance | RDS(on) | VGS = 10 V, ID = 80 A | 0.75 | 0.9 | mΩ | |
| Forward Transconductance | gFS | VDS = 5 V, ID = 80 A | 290 | S |
CHARGES & CAPACTIANCES
| Input Capacitance | Ciss | VGS = 0 V, VDS = 30 V, f = 10 kHz | 11575 | pF | ||
| Output Capacitance | Coss | 5973 | pF | |||
| Reverse Transfer Capacitance | Crss | 76 | pF | |||
| Total Gate Charge | QG(tot) | VGS = 10 V, VDS = 30 V, ID = 80 A | 143 | nC | ||
| Threshold Gate Charge | QG(th) | 31 | nC | |||
| Gate−to−Source Charge | Qgs | 54 | nC | |||
| Gate−to−Drain Charge | Qgd | 13 | nC |
SWITCHING CHARACTERISTICS, VGS = 10 V (Note 3)
| Turn−On Delay Time | td(on) | VGS = 10 V, VDS = 30 V, ID = 80 A, RG = 6 Ω | 34 | ns | ||
| Rise Time | tr | 53 | ns | |||
| Turn−Off Delay Time | td(off) | 119 | ns | |||
| Fall Time | tf | 91 | ns |
DRAIN−SOURCE DIODE CHARACTERISTICS
| Forward Diode Voltage | VSD | IS = 80 A, VGS = 0 V | TJ = 25°C | 0.79 | 1.2 | V | |
| IS = 80 A, VGS = 0 V | TJ = 125°C | 0.66 | V | ||||
| Reverse Recovery Time | trr | VGS = 0 V, dIS/dt = 100 A/µs, IS = 56 A | 120 | ns | |||
| Charge Time | ta | 60 | ns | ||||
| Discharge Time | tb | 60 | ns | ||||
| Reverse Recovery Charge | Qrr | 322 | nC | ||||
Product parametric performance is indicated in the Electrical Characteristics for the listed test conditions, unless otherwise noted. Product performance may not be indicated by the Electrical Characteristics if operated under different conditions.
3. Switching characteristics are independent of operating junction temperatures
TYPICAL CHARACTERISTICS



MECHANICAL CASE OUTLINE
PACKAGE DIMENSIONS
H−PSOF8L 11.68×9.80 CASE 100CU ISSUE B


A = Assembly Location
Y = Year
WW = Work Week
ZZ = Assembly Lot Code
XXXX = Specific Device Code
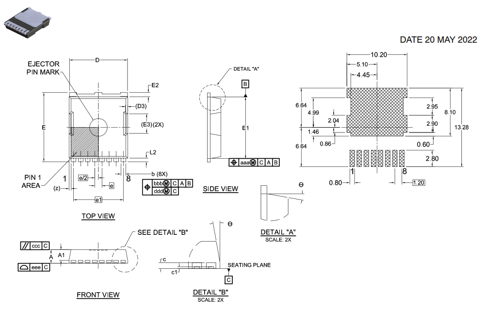
LAND PATTERN RECOMMENDATION
*FOR ADDITIONAL INFORMATION ON OUR PB-FREE STRATEGY AND SOLDERING DETAILS, PLEASE DOWNLOAD THE ON SEMICONDUCTOR SOLDERING AND MOUNTING TECHNIQUES REFERENCE MANUAL, SOLDERRM/D.
NOTES:
- PACKAGE STANDARD REFERENCE: JEDEC MO-299, ISSUE A.
- DIMENSIONING AND TOLERANCING PER ASME Y14.5M, 2009.
- CONTROLLING DIMENSION: MILLIMETERS.
- COPLANARITY APPLIES TO THE EXPOSED WELL AS THE TERMINALS.
- DIMENSIONS D1 AND El DO NOT INCLUDE MOLD FLASH, PROTRUSIONS, OR GATE BURRS.
- SEATING PLANE IS DEFINED BY THE TERMINALS. “Al” IS DEFINED AS THE DISTANCE FROM THE SEATING PLANE TO THE LOWEST POINT ON THE PACKAGE BODY.
| DIM | MILLIMETERS | ||
| MIN. | NOM. | MAX. | |
| A | 2.20 | 2.30 | 2.40 |
| Al | 1.70 | 1.80 | 1.90 |
| b | 0.70 | 0.80 | 0.90 |
| bl | 8.00 REF | ||
| c | 0.40 | 0.50 | 0.60 |
| CI | 0.10 | — | — |
| D | 9.70 | 9.80 | 9.90 |
| D1 | 9.80 | 9.90 | 10.00 |
| D2 | 4.73 BSC | ||
| D3 | 0.40 REF | ||
| D4 | 3.75 BSC | ||
| D5 | — | 1.20 | — |
| D6 | 7.40 | 7.50 | 7.60 |
| D7 | 8.30 REF | ||
| E | 12. | 12. | 12. |
| El | 10. | 10. | 10. |
| E2 | 0.60 | 0.70 | 0.80 |
| E3 | 3.30 REF | ||
| E4 | — | 2.60 | — |
| E5 | — | 3.30 | — |
| DIM | MILLIMETERS | ||
| MIN. | NOM. | MAX. | |
| E6 | — 0.65 — | ||
| E7 | 7.15 REF | ||
| E8 | 6.55 | 6.65 | 6.75 |
| E9 | 5.89 BSC | ||
| E10 | 5.19 BSC | ||
| E11 | 0.10 REF | ||
| e | 1.20 BSC | ||
| e/2 | 0.60 BSC | ||
| e1 | 8.40 BSC | ||
| K | 2.83 | 2.53 | 2.63 |
| L | 1.90 | 2.00 | 2.10 |
| L2 | 0.50 | 0.60 | 0.70 |
| z | 0.35 REF | ||
| e | 0° | — | 12° |
| aaa | 0.20 | ||
| bbb | 0.25 | ||
| ccc | 0.20 | ||
| ddd | 0.20 | ||
| eee | 0.10 | ||
*This information is generic. Please refer to device data sheet for actual part marking. Pb−Free indicator, “G” or microdot “ ♦”, may or may not be present. Some products may not follow the Generic Marking.
| DOCUMENT NUMBER: | 98AON13813G | Electronic versions are uncontrolled except when accessed directly from the Document Repository. Printed versions are uncontrolled except when stamped “CONTROLLED COPY” in red. |
| DESCRIPTION: | H−PSOF8L 11.68×9.80 |
onsemi and are trademarks of Semiconductor Components Industries, LLC dba onsemi or its subsidiaries in the United States and/or other countries. onsemi reserves
right to make changes without further notice to any products herein. onsemi makes no warranty, representation or guarantee regarding the suitability of its products for any particular purpose, nor does onsemi assume any liability arising out of the application or use of any product or circuit, and specifically disclaims any and all liability, including without limitation special, consequential or incidental damages. onsemi does not convey any license under its patent rights nor the rights of others. onsemi, , and other names, marks, and brands are registered and/or common law trademarks of Semiconductor Components Industries, LLC dba “onsemi” or its affiliates and/or subsidiaries in the United States and/or other countries. onsemi owns the rights to a number of patents, trademarks, copyrights, trade secrets, and other intellectual property. A listing of onsemi’s product/patent coverage may be accessed at www.onsemi.com/site/pdf/Patent−Marking.pdf. onsemi reserves the right to make changes at any time to any products or information herein, without notice. The information herein is provided “as−is” and onsemi makes no warranty, representation or guarantee regarding the accuracy of the information, product features, availability, functionality, or suitability of its products for any particular purpose, nor does onsemi assume any liability arising out of the application or use of any product or circuit, and specifically disclaims any and all liability, including without limitation special, consequential or incidental damages. Buyer is responsible for its products and applications using onsemi products, including compliance with all laws, regulations and safety requirements or standards, regardless of any support or applications informationprovided by onsemi. “Typical” parameters which may be provided in onsemi data sheets and/or specifications can and do vary in different applications and actual performance may vary over time. All operating parameters, including “Typicals” must be validated for each customer application by customer’s technical experts. onsemi does not convey any license under any of its intellectual property rights nor the rights of others. onsemi products are not designed, intended, or authorized for use as a critical component in life support systems or any FDA Class 3 medical devices or medical devices with a same or similar classification in a foreign jurisdiction or any devices intended for implantation in the human body. Should Buyer purchase or use onsemi products for any such unintended or unauthorized application, Buyer shall indemnify and hold onsemi and its officers, employees, subsidiaries, affiliates, and distributors harmless against all claims, costs, damages, and expenses, and reasonable attorney fees arising out of, directly or indirectly, any claim of personal injury or death associated with such unintended or unauthorized use, even if such claim alleges that onsemi was negligent regarding the design or manufacture of the part. onsemi is an Equal Opportunity/Affirmative Action Employer. This literature is subject to all applicable copyright laws and is not for resale in any manner.
PUBLICATION ORDERING INFORMATION
LITERATURE FULFILLMENT:
Email Requests to: [email protected]
onsemi Website: www.onsemi.com
TECHNICAL SUPPORT
North American Technical Support:
Voice Mail: 1 800−282−9855 Toll Free USA/Canada
Phone: 011 421 33 790 2910
Europe, Middle East and Africa Technical Support:
Phone: 00421 33 790 2910
For additional information, please contact your local Sales Representative
© Semiconductor Components Industries, LLC, 2019
www.onsemi.com


















