VISHAY IRFP 460 N-Channel Power Mosfet

Power MOSFET
| PRODUCT SUMMARY | ||
| VDS (V) | 500 | |
| RDS(on) (Ù) | VGS = 10 V | 0.27 |
| Qg (Max.) (NC) | 210 | |
| Qgs (NC) | 29 | |
| QGD (NC) | 110 | |
| Configuration | Single | |

FEATURES
- Dynamic dV/dt Rating
- Repetitive Avalanche Rated
- Isolated Central Mounting Hole
- Fast Switching
- Ease of Paralleling
- Simple Drive Requirements
- Lead (Pb)-free Available
DESCRIPTION
Third-generation Power MOSFETs from Vishay provide the designer with the best combination of fast switching, ruggedized device design, low on-resistance, and cost-effectiveness. The TO-247 package is preferred for commercial-industrial applications where higher power levels preclude the use of TO-220 devices. The TO-247 is similar to but superior to the earlier TO-218 package because of its isolated mounting hole. It also provides greater creepage distances between pins to meet the requirements of most safety specifications.
| ORDERING INFORMATION | |
| Package | TO-247 |
| Lead (Pb)-free | IRFP460PbF |
| SiHFP460-E3 | |
| SnPb | IRFP460 |
| SiHFP460 | |
| ABSOLUTE MAXIMUM RATINGS TC = 25 °C, unless otherwise noted | |||||
| PARAMETER | SYMBOL | LIMIT | UNIT | ||
| Drain-Source Voltage | VDS | 500 | V | ||
| Gate-Source Voltage | VGS | ± 20 | |||
| Continuous Drain Current | VGS at 10 V | TC = 25 °C | ID | 20 | A |
| TC = 100 °C | 13 | ||||
| Pulsed Drain Currenta | IDM | 80 | |||
| Linear Derating Factor | 2.2 | W/°C | |||
| Single Pulse Avalanche Energyb | EAS | 960 | mJ | ||
| Repetitive Avalanche Currenta | IAR | 20 | A | ||
| Repetitive Avalanche Energya | EAR | 28 | mJ | ||
| Maximum Power Dissipation | TC = 25 °C | PD | 280 | W | |
| Peak Diode Recovery dV/dtc | dV/dt | 3.5 | V/ns | ||
| Operating Junction and Storage Temperature Range | TJ, Tstg | – 55 to + 150 | °C | ||
| Soldering Recommendations (Peak Temperature) | for 10 s | 300d | |||
| Mounting Torque | 6-32 or M3 screw | 10 | lbf · in | ||
| 1.1 | N · m | ||||
Notes
- a. Repetitive rating; pulse width limited by maximum junction temperature (see fig. 11).
- b. VDD = 50 V, starting TJ = 25 °C, L = 4.3 mH, RG = 25 Ω, IAS = 20 A (see fig. 12).
- c. ISD ≤ 20 A, dI/dt ≤ 160 A/µs, VDD ≤ VDS, TJ ≤ 150 °C.
- d. 1.6 mm from the case.
- Pb containing terminations are not RoHS compliant, exemptions may apply
Vishay Siliconix
| THERMAL RESISTANCE RATINGS | ||||
| PARAMETER | SYMBOL | TYP. | MAX. | UNIT |
| Maximum Junction-to-Ambient | RthJA | – | 40 | °C/W |
| Case-to-Sink, Flat, Greased Surface | RthCS | 0.24 | – | |
| Maximum Junction-to-Case (Drain) | RthJC | – | 0.45 | |
| SPECIFICATIONS TJ = 25 °C, unless otherwise noted | |||||||
| PARAMETER | SYMBOL | TEST CONDITIONS | MIN. | TYP. | MAX. | UNIT | |
| Static | |||||||
| Drain-Source Breakdown Voltage | VDS | VGS = 0 V, ID = 250 µA | 500 | – | – | V | |
| VDS Temperature Coefficient | ÄVDS/TJ | Reference to 25 °C, ID = 1 mA | – | 0.63 | – | V/°C | |
| Gate-Source Threshold Voltage | VGS(th) | VDS = VGS, ID = 250 µA | 2.0 | – | 4.0 | V | |
| Gate-Source Leakage | IGSS | VGS = ± 20 V | – | – | ± 100 | nA | |
| Zero Gate Voltage Drain Current | IDSS | VDS = 500 V, VGS = 0 V | – | – | 25 | µA | |
| VDS = 400 V, VGS = 0 V, TJ = 125 °C | – | – | 250 | ||||
| Drain-Source On-State Resistance | RDS(on) | VGS = 10 V | ID = 12 Ab | – | – | 0.27 | Ù |
| Forward Transconductance | gfs | VDS = 50 V, ID = 12 Ab | 13 | – | – | S | |
| Dynamic | |||||||
| Input Capacitance | Ciss | VGS = 0 V, VDS = 25 V, f = 1.0 MHz, see fig. 5 | – | 4200 | – | pF | |
| Output Capacitance | Coss | – | 870 | – | |||
| Reverse Transfer Capacitance | Crss | – | 350 | – | |||
| Total Gate Charge | Qg | VGS = 10 V | ID = 20 A, VDS = 400 V see fig. 6 and 13b | – | – | 210 | nC |
| Gate-Source Charge | Qgs | – | – | 29 | |||
| Gate-Drain Charge | Qgd | – | – | 110 | |||
| Turn-On Delay Time | td(on) |
VDD = 250 V, ID = 20 A , RG = 4.3 Ù, RD = 13 Ù, see fig. 10b | – | 18 | – |
ns | |
| Rise Time | tr | – | 59 | – | |||
| Turn-Off Delay Time | td(off) | – | 110 | – | |||
| Fall Time | tf | – | 58 | – | |||
| Internal Drain Inductance | LD | Between lead, D![]() 6 mm (0.25″) from package and center of G die contact S | – | 5.0 | – |
nH | |
| Internal Source Inductance | LS | – | 13 | – | |||
| Drain-Source Body Diode Characteristics | |||||||
| Continuous Source-Drain Diode Current | IS | MOSFET symbol D showing the integral reverse p – n junction diode S | – | – | 20 |
A | |
| Pulsed Diode Forward Currenta | ISM | – | – | 80 | |||
| Body Diode Voltage | VSD | TJ = 25 °C, IS = 20 A, VGS = 0 Vb | – | – | 1.8 | V | |
| Body Diode Reverse Recovery Time | trr | TJ = 25 °C, IF = 20A, dI/dt = 100 A/µsb | – | 570 | 860 | ns | |
| Body Diode Reverse Recovery Charge | Qrr | – | 5.7 | 8.6 | µC | ||
| Forward Turn-On Time | ton | Intrinsic turn-on time is negligible (turn-on is dominated by LS and LD) | |||||
Notes
- a. Repetitive rating; pulse width limited by maximum junction temperature (see fig. 11).
- b. Pulse width ≤ 300 µs; duty cycle ≤ 2 %.
TYPICAL CHARACTERISTICS 25 °C, unless otherwise noted






Peak Diode Recovery DV/DT Test Circuit
Vishay Siliconix maintains worldwide manufacturing capability. Products may be manufactured at one of several qualified locations. Reliability data for Silicon Technology and Package Reliability represent a composite of all qualified locations. For related documents such as package/tape drawings, part marking, and reliability data, see http://www.vishay.com/ppg?91237.
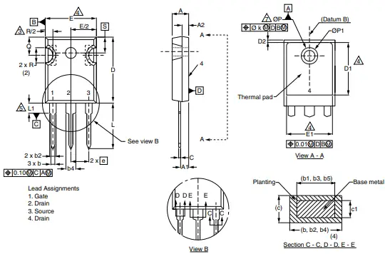
TO-247AC (High Voltage)
VERSION 1: FACILITY CODE = 9
| MILLIMETERS | |||
| DIM. | MIN. | MAX. | NOTES |
| A | 4.83 | 5.21 | |
| A1 | 2.29 | 2.55 | |
| A2 | 1.50 | 2.49 | |
| b | 1.12 | 1.33 | |
| b1 | 1.12 | 1.28 | |
| b2 | 1.91 | 2.39 | 6 |
| b3 | 1.91 | 2.34 | |
| b4 | 2.87 | 3.22 | 6, 8 |
| b5 | 2.87 | 3.18 | |
| c | 0.55 | 0.69 | 6 |
| c1 | 0.55 | 0.65 | |
| D | 20.40 | 20.70 | 4 |
| MILLIMETERS | |||
| DIM. | MIN. | MAX. | NOTES |
| D1 | 16.25 | 16.85 | 5 |
| D2 | 0.56 | 0.76 | |
| E | 15.50 | 15.87 | 4 |
| E1 | 13.46 | 14.16 | 5 |
| E2 | 4.52 | 5.49 | 3 |
| e | 5.44 BSC | ||
| L | 14.90 | 15.40 | |
| L1 | 3.96 | 4.16 | 6 |
| Ø P | 3.56 | 3.65 | 7 |
| Ø P1 | 7.19 ref. | ||
| Q | 5.31 | 5.69 | |
| S | 5.54 | 5.74 | |
Notes
- Package reference: JEDEC® TO247, variation AC
- All dimensions are in mm
- Slot required, notch may be rounded
- Dimensions D and E do not include mold flash. Mold flash shall not exceed 0.127 mm per side. These dimensions are measured at the outermost extremes of the plastic body
- Thermal pad contour optional with dimensions D1 and E1
- Lead finish uncontrolled in L1
- Ø P to have a maximum draft angle of 1.5° to the top of the part with a maximum hole diameter of 3.91 mm
- Dimensions b2 and b4 do not include dambar protrusion. Allowable dambar protrusion shall be 0.1 mm total in excess of b2 and b4 dimension at the maximum material condition
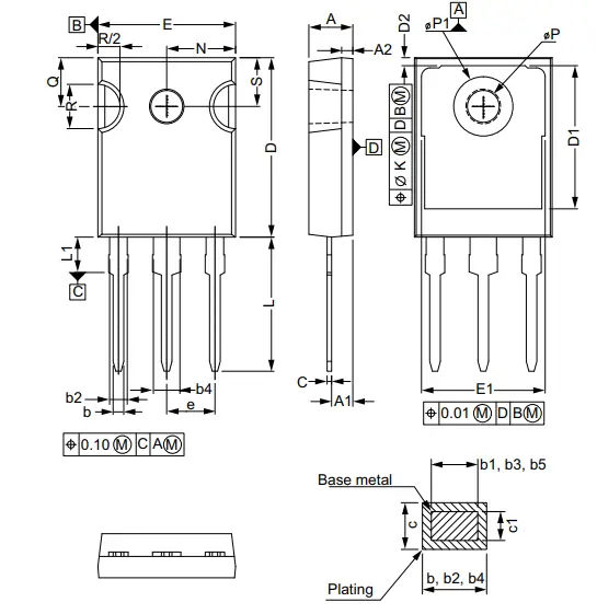
VERSION 2: FACILITY CODE = Y
| MILLIMETERS | |||
| DIM. | MIN. | MAX. | NOTES |
| A | 4.58 | 5.31 | |
| A1 | 2.21 | 2.59 | |
| A2 | 1.17 | 2.49 | |
| b | 0.99 | 1.40 | |
| b1 | 0.99 | 1.35 | |
| b2 | 1.53 | 2.39 | |
| b3 | 1.65 | 2.37 | |
| b4 | 2.42 | 3.43 | |
| b5 | 2.59 | 3.38 | |
| c | 0.38 | 0.86 | |
| c1 | 0.38 | 0.76 | |
| D | 19.71 | 20.82 | |
| D1 | 13.08 | – | |
| MILLIMETERS | |||
| DIM. | MIN. | MAX. | NOTES |
| D2 | 0.51 | 1.30 | |
| E | 15.29 | 15.87 | |
| E1 | 13.72 | – | |
| e | 5.46 BSC | ||
| Ø k | 0.254 | ||
| L | 14.20 | 16.25 | |
| L1 | 3.71 | 4.29 | |
| Ø P | 3.51 | 3.66 | |
| Ø P1 | – | 7.39 | |
| Q | 5.31 | 5.69 | |
| R | 4.52 | 5.49 | |
| S | 5.51 BSC | ||
Notes
- Dimensioning and tolerancing per ASME Y14.5M-1994
- The contour of slot optional
- Dimensions D and E do not include mold flash. Mold flash shall not exceed 0.127 mm (0.005″) per side. These dimensions are measured at the outermost extremes of the plastic body
- Thermal pad contour optional with dimensions D1 and E1
- Lead finish uncontrolled in L1
- Ø P to have a maximum draft angle of 1.5 to the top of the part with a maximum hole diameter of 3.91 mm (0.154″)
- Outline conforms to JEDEC outline TO-247 with exception of dimension c
Disclaimer
ALL PRODUCTS, PRODUCT SPECIFICATIONS, AND DATA ARE SUBJECT TO CHANGE WITHOUT NOTICE TO IMPROVE RELIABILITY, FUNCTION OR DESIGN, OR OTHERWISE.
Vishay Intertechnology, Inc., its affiliates, agents, and employees, and all persons acting on its or their behalf (collectively, “Vishay”), disclaim any and all liability for any errors, inaccuracies or incompleteness contained in any datasheet or in any other disclosure relating to any product.
Vishay makes no warranty, representation or guarantee regarding the suitability of the products for any particular purpose or the continuing production of any product. To the maximum extent permitted by applicable law, Vishay disclaims (i) any and all liability arising out of the application or use of any product, (ii) any and all liability, including without limitation special, consequential or incidental damages, and (iii) any and all implied warranties, including warranties of fitness for particular purpose, non-infringement and merchantability.
Statements regarding the suitability of products for certain types of applications are based on Vishay’s knowledge of typical requirements that are often placed on Vishay products in generic applications. Such statements are not binding statements about the suitability of products for a particular application. It is the customer’s responsibility to validate that a particular product with the properties described in the product specification is suitable for use in a particular application. Parameters provided in datasheets and / or specifications may vary in different applications and performance may vary over time. All operating parameters, including typical parameters, must be validated for each customer application by the customer’s technical experts. Product specifications do not expand or otherwise modify Vishay’s terms and conditions of purchase, including but not limite d to the warranty expressed therein.
Hyperlinks included in this datasheet may direct users to third-party websites. These links are provided as a convenience an d for informational purposes only. Inclusion of these hyperlinks does not constitute an endorsement or an approval by Vishay o f any of the products, services or opinions of the corporation, organization or individual associated with the third-party website. Vishay disclaims any and all liability and bears no responsibility for the accuracy, legality or content of the third-party website or for that of subsequent links.
Except as expressly indicated in writing, Vishay products are not designed for use in medical, life-saving, or life-sustaining applications or for any other application in which the failure of the Vishay product could result in personal injury or death. Customers using or selling Vishay products not expressly indicated for use in such applications do so at their own risk. Please contact authorized Vishay personnel to obtain written terms and conditions regarding products designed for such applications.
No license, express or implied, by estoppel or otherwise, to any intellectual property rights is granted by this document or by any conduct of Vishay. Product names and markings noted herein may be trademarks of their respective owners.
- © 2021 VISHAY INTERTECHNOLOGY, INC. ALL RIGHTS RESERVED
- For technical questions, contact: [email protected]
- THIS DOCUMENT IS SUBJECT TO CHANGE WITHOUT NOTICE. THE PRODUCTS DESCRIBED HEREIN AND THIS DOCUMENT ARE SUBJECT TO SPECIFIC DISCLAIMERS, SET FORTH AT www.vishay.com/doc?91000


G


















