VISHAY IRFP244 Power MOSFET

Power MOSFET

| PRODUCT SUMMARY | ||
| VDS (V) | 250 | |
| RDS(on) (Ù) | VGS = 10 V | 0.28 |
| Qg (max.) (nC) | 63 | |
| Qgs (nC) | 12 | |
| Qgd (nC) | 39 | |
| Configuration | Single | |
FEATURES
- Dynamic dV/dt rating
- Repetitive avalanche rated
- Isolated central mounting hole
- Fast switching
- Simple drive requirements
- Material categorization: for definitions of compliance please see www.vishay.com/doc?99912
Note
* This datasheet provides information about parts that are RoHS-compliant and / or parts that are non RoHS-compliant. For example, parts with lead (Pb) terminations are not RoHS-compliant.
Please see the information / tables in this datasheet for details
DESCRIPTION
Third generation Power MOSFETs from Vishay provide the designer with the best combination of fast switching, ruggedized device design, low on-resistance and cost-effectiveness.
The TO-247AC package is preferred for commercial-industrial applications where higher power levels preclude the use of TO-220AB devices. The
TO-247AC is similar but superior to the earlier TO-218 package because of its isolated mounting hole. It also provides greater creepage distance between pins to meet the requirements of most safety specifications.
| ORDERING INFORMATION | |
| Package | TO-247AC |
| Lead (Pb)-free | IRFP244PbF |
| ABSOLUTE MAXIMUM RATINGS (TC = 25 °C, unless otherwise noted) | |||||
| PARAMETER | SYMBOL | LIMIT | UNIT | ||
| Drain-source voltage | VDS | 250 | V | ||
| Gate-source voltage | VGS | ± 20 | |||
| Continuous drain current | VGS at 10 V | TC = 25 °C | ID | 15 | A |
| TC = 100 °C | 9.7 | ||||
| Pulsed drain current a | IDM | 60 | |||
| Linear derating factor | 1.2 | W/°C | |||
| Single pulse avalanche energy b | EAS | 550 | mJ | ||
| Repetitive avalanche current a | IAR | 15 | A | ||
| Repetitive avalanche energy a | EAR | 15 | mJ | ||
| Maximum power dissipation | TC = 25 °C | PD | 150 | W | |
| Peak diode recovery dV/dt c | dV/dt | 4.8 | V/ns | ||
| Operating junction and storage temperature range | TJ, Tstg | -55 to +150 | °C | ||
| Soldering recommendations (peak temperature) d | for 10 s | 300 | |||
| Mounting torque | 6-32 or M3 screw | 10 | lbf · in | ||
| 1.1 | N · m | ||||
Notes
a. Repetitive rating; pulse width limited by maximum junction temperature (see fig. 11)
b. VDD = 50 V, starting TJ = 25 °C, L = 3.9 mH, Rg = 25 Ω, IAS = 15 A (see fig. 12)
c. ISD ≤ 15 A, dI/dt ≤ 150 A/μs, VDD ≤ VDS, TJ ≤ 150 °C
d. 1.6 mm from case
| THERMAL RESISTANCE RATINGS | ||||
| PARAMETER | SYMBOL | TYP. | MAX. | UNIT |
| Maximum junction-to-ambient | RthJA | – | 40 | °C/W |
| Case-to-sink, flat, greased surface | RthCS | 0.24 | – | |
| Maximum junction-to-case (drain) | RthJC | – | 0.83 | |
| SPECIFICATIONS (TJ = 25 °C, unless otherwise noted) | |||||||
| PARAMETER | SYMBOL | TEST CONDITIONS | MIN. | TYP. | MAX. | UNIT | |
| Static | |||||||
| Drain-source breakdown voltage | VDS | VGS = 0 V, ID = 250 μA | 250 | – | – | V | |
| VDS temperature coefficient | ÄVDS/TJ | Reference to 25 °C, ID = 1 mA | – | 0.37 | – | V/°C | |
| Gate-source threshold voltage | VGS(th) | VDS = VGS, ID = 250 μA | 2.0 | – | 4.0 | V | |
| Gate-source leakage | IGSS | VGS = ± 20 V | – | – | ± 100 | nA | |
| Zero gate voltage drain current | IDSS | VDS = 250 V, VGS = 0 V | – | – | 25 | μA | |
| VDS = 200 V, VGS = 0 V, TJ = 125 °C | – | – | 250 | ||||
| Drain-source on-state resistance | RDS(on) | VGS = 10 V | ID = 9.0 A b | – | – | 0.28 | Ù |
| Forward transconductance | gfs | VDS = 50 V, ID = 9.0 A b | 6.7 | – | – | S | |
| Dynamic | |||||||
| Input capacitance | Ciss | VGS = 0 V, VDS = 25 V, f = 1.0 MHz, see fig. 5 | – | 1400 | – | pF | |
| Output capacitance | Coss | – | 320 | – | |||
| Reverse transfer capacitance | Crss | – | 73 | – | |||
| Total gate charge | Qg | VGS = 10 V | ID = 11 A, VDS = 200 V, see fig. 6 and 13 b | – | – | 63 | nC |
| Gate-source charge | Qgs | – | – | 12 | |||
| Gate-drain charge | Qgd | – | – | 39 | |||
| Turn-on delay time | td(on) | VDD = 125 V, ID = 11 A , Rg = 9.1 Ù, RD = 11 Ù, see fig. 10 b | – | 14 | – |
ns | |
| Rise time | tr | – | 49 | – | |||
| Turn-off delay time | td(off) | – | 42 | – | |||
| Fall time | tf | – | 24 | – | |||
| Internal drain inductance | LD | Between lead, 6 mm (0.25″) from package and center of die contact![]() | – | 5.0 | – | nH | |
| Internal source inductance | LS | – | 13 | – | |||
| Drain-Source Body Diode Characteristics | |||||||
| Continuous source-drain diode current | IS | MOSFET symbol showing the integral reverse p – n junction diode![]() | – | – | 15 | A | |
| Pulsed diode forward current a | ISM | – | – | 60 | |||
| Body diode voltage | VSD | TJ = 25 °C, IS = 15 A, VGS = 0 V b | – | – | 1.8 | V | |
| Body diode reverse recovery time | trr | TJ = 25 °C, IF = 11 A, dI/dt = 100 A/μs b | – | 290 | 570 | ns | |
| Body diode reverse recovery charge | Qrr | – | 3.1 | 6.3 | μC | ||
| Forward turn-on time | ton | Intrinsic turn-on time is negligible (turn-on is dominated by LS and LD) | |||||
Notes
a. Repetitive rating; pulse width limited by maximum junction temperature (see fig. 11)
b. Pulse width ≤ 300 μs; duty cycle ≤ 2 %
TYPICAL CHARACTERISTICS
(25 °C, unless otherwise noted)


















Vishay Siliconix maintains worldwide manufacturing capability. Products may be manufactured at one of several qualified locations. Reliability data for Silicon Technology and Package Reliability represent a composite of all qualified locations. For related documents such as package/tape drawings, part marking, and reliability data, see www.vishay.com/ppg?91211
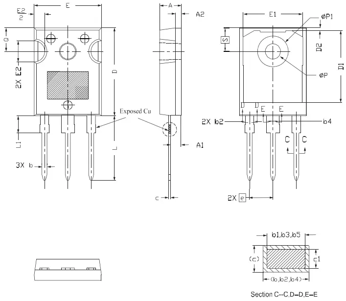
TO-247AC (High Voltage)
VERSION 1: FACILITY CODE = 9

| MILLIMETERS | ||||
| DIM. | MIN. | NOM. | MAX. | NOTES |
| A | 4.83 | 5.02 | 5.21 | |
| A1 | 2.29 | 2.41 | 2.55 | |
| A2 | 1.17 | 1.27 | 1.37 | |
| b | 1.12 | 1.20 | 1.33 | |
| b1 | 1.12 | 1.20 | 1.28 | |
| b2 | 1.91 | 2.00 | 2.39 | 6 |
| b3 | 1.91 | 2.00 | 2.34 | |
| b4 | 2.87 | 3.00 | 3.22 | 6, 8 |
| b5 | 2.87 | 3.00 | 3.18 | |
| c | 0.40 | 0.50 | 0.60 | 6 |
| c1 | 0.40 | 0.50 | 0.56 | |
| D | 20.40 | 20.55 | 20.70 | 4 |
| DIM. | MIN. | NOM. | MAX. | NOTES |
| D1 | 16.46 | 16.76 | 17.06 | 5 |
| D2 | 0.56 | 0.66 | 0.76 | |
| E | 15.50 | 15.70 | 15.87 | 4 |
| E1 | 13.46 | 14.02 | 14.16 | 5 |
| E2 | 4.52 | 4.91 | 5.49 | 3 |
| e | 5.46 BSC | |||
| L | 14.90 | 15.15 | 15.40 | |
| L1 | 3.96 | 4.06 | 4.16 | 6 |
| Ø P | 3.56 | 3.61 | 3.65 | 7 |
| Ø P1 | 7.19 ref. | |||
| Q | 5.31 | 5.50 | 5.69 | |
Notes
- Package reference: JEDEC® TO247, variation AC
- All dimensions are in mm
- Slot required, notch may be rounded
- Dimension D and E do not include mold flash. Mold flash shall not exceed 0.127 mm per side. These dimensions are measured at the outermost extremes of the plastic body
- Thermal pad contour optional with dimensions D1 and E1
- Lead finish uncontrolled in L1
- Ø P to have a maximum draft angle of 1.5° to the top of the part with a maximum hole diameter of 3.91 mm
- Dimension b2 and b4 does not include dam bar protrusion. Allowable dam bar protrusion shall be 0.1 mm total in excess of b2 and b4 dimension at maximum material condition
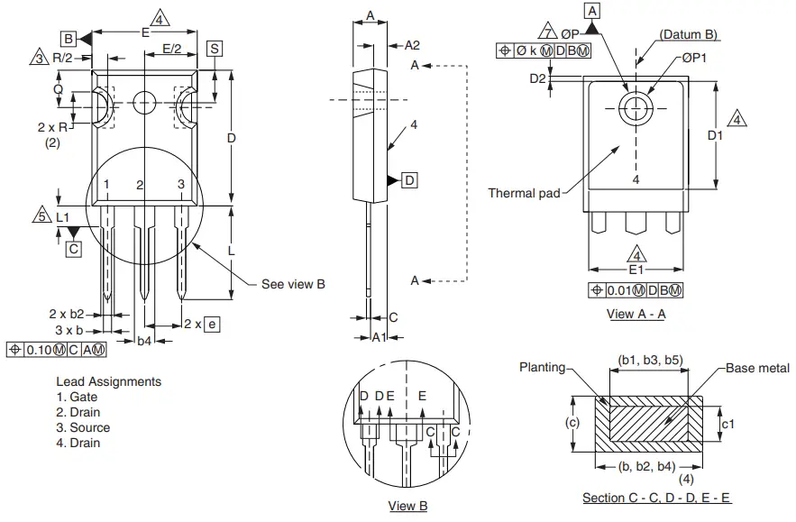
VERSION 2: FACILITY CODE = Y

| MILLIMETERS | |||
| DIM. | MIN. | MAX. | NOTES |
| A | 4.58 | 5.31 | |
| A1 | 2.21 | 2.59 | |
| A2 | 1.17 | 2.49 | |
| b | 0.99 | 1.40 | |
| b1 | 0.99 | 1.35 | |
| b2 | 1.53 | 2.39 | |
| b3 | 1.65 | 2.37 | |
| b4 | 2.42 | 3.43 | |
| b5 | 2.59 | 3.38 | |
| c | 0.38 | 0.86 | |
| c1 | 0.38 | 0.76 | |
| D | 19.71 | 20.82 | |
| D1 | 13.08 | – | |
| D2 | 0.51 | 1.30 | |
| E | 15.29 | 15.87 | |
| E1 | 13.72 | – | |
| e | 5.46 BSC | ||
| Ø k | 0.254 | ||
| L | 14.20 | 16.25 | |
| L1 | 3.71 | 4.29 | |
| Ø P | 3.51 | 3.66 | |
| Ø P1 | – | 7.39 | |
| Q | 5.31 | 5.69 | |
| R | 4.52 | 5.49 | |
| S | 5.51 BSC | ||
Notes
- Dimensioning and tolerancing per ASME Y14.5M-1994
- Contour of slot optional
- Dimension D and E do not include mold flash. Mold flash shall not exceed
0.127 mm (0.005″) per side. These dimensions are measured at the outermost extremes of the plastic body - Thermal pad contour optional with dimensions D1 and E1
- Lead finish uncontrolled in L1
- Ø P to have a maximum draft angle of 1.5 to the top of the part with a maximum hole diameter of 3.91 mm (0.154″)
- Outline conforms to JEDEC outline TO-247 with exception of dimension c
VERSION 3: FACILITY CODE = N

| MILLIMETERS | MILLIMETERS | |||||
| DIM. | MIN. | MAX. | DIM. | MIN. | MAX. | |
| A | 4.65 | 5.31 | D2 | 0.51 | 1.35 | |
| A1 | 2.21 | 2.59 | E | 15.29 | 15.87 | |
| A2 | 1.17 | 1.37 | E1 | 13.46 | – | |
| b | 0.99 | 1.40 | e | 5.46 BSC | ||
| b1 | 0.99 | 1.35 | k | 0.254 | ||
| b2 | 1.65 | 2.39 | L | 14.20 | 16.10 | |
| b3 | 1.65 | 2.34 | L1 | 3.71 | 4.29 | |
| b4 | 2.59 | 3.43 | N | 7.62 BSC | ||
| b5 | 2.59 | 3.38 | P | 3.56 | 3.66 | |
| c | 0.38 | 0.89 | P1 | – | 7.39 | |
| c1 | 0.38 | 0.84 | Q | 5.31 | 5.69 | |
| D | 19.71 | 20.70 | R | 4.52 | 5.49 | |
| D1 | 13.08 | – | S | 5.51 BSC | ||
| ECN: E22-0452-Rev. G, 31-Oct-2022 DWG: 5971 | ||||||
Notes
- Dimensioning and tolerancing per ASME Y14.5M-1994
- Contour of slot optional
- Dimension D and E do not include mold flash. Mold flash shall not exceed 0.127 mm (0.005″) per side. These dimensions are measured at the outermost extremes of the plastic body
- Thermal pad contour optional with dimensions D1 and E1
- Lead finish uncontrolled in L1
- Ø P to have a maximum draft angle of 1.5 to the top of the part with a maximum hole diameter of 3.91 mm (0.154″)
Disclaimer
ALL PRODUCT, PRODUCT SPECIFICATIONS AND DATA ARE SUBJECT TO CHANGE WITHOUT NOTICE TO IMPROVE RELIABILITY, FUNCTION OR DESIGN OR OTHERWISE.
Vishay Intertechnology, Inc., its affiliates, agents, and employees, and all persons acting on its or their behalf (collectively, “Vishay”), disclaim any and all liability for any errors, inaccuracies or incompleteness contained in any datasheet or in any other disclosure relating to any product.
Vishay makes no warranty, representation or guarantee regarding the suitability of the products for any particular purpose or the continuing production of any product. To the maximum extent permitted by applicable law, Vishay disclaims (i) any and all liability arising out of the application or use of any product, (ii) any and all liability, including without limitation special, consequential or incidental damages, and (iii) any and all implied warranties, including warranties of fitness for particular purpose, non-infringement and merchantability
Statements regarding the suitability of products for certain types of applications are based on Vishay’s knowledge of typical requirements that are often placed on Vishay products in generic applications. Such statements are not binding statements about the suitability of products for a particular application. It is the customer’s responsibility to validate that a particular product with the properties described in the product specification is suitable for use in a particular application. Parameters provided in datasheets and / or specifications may vary in different applications and performance may vary over time. All operating parameters, including typical parameters, must be validated for each customer application by the customer’s technical experts.
Product specifications do not expand or otherwise modify Vishay’s terms and conditions of purchase, including but not limited to the warranty expressed therein.
Hyperlinks included in this datasheet may direct users to third-party websites.
These links are provided as a convenience and for informational purposes only. Inclusion of these hyperlinks does not constitute an endorsement or an approval by Vishay of any of the products, services or opinions of the corporation, organization or individual associated with the third-party website.
Vishay disclaims any and all liability and bears no responsibility for the accuracy, legality or content of the third-party website or for that of subsequent links.
Except as expressly indicated in writing, Vishay products are not designed for use in medical, life-saving, or life-sustaining applications or for any other application in which the failure of the Vishay product could result in personal injury or death.
Customers using or selling Vishay products not expressly indicated for use in such applications do so at their own risk. Please contact authorized Vishay personnel to obtain written terms and conditions regarding products designed for such applications.
No license, express or implied, by estoppel or otherwise, to any intellectual property rights is granted by this document or by any conduct of Vishay. Product names and markings noted herein may be trademarks of their respective owners.





















