VISHAY IRF740AS Power MOSFET
Power MOSFET
FEATURES
- Low gate charge Qg results in cimple drive requirement
- Improved gate, avalanche, and dynamic dV/d t ruggedness
- Fully characterized capacitance and avalanch e voltage and current
- Effective Coss specified
- Material categorization: for definitions of compliance please see www.vishay.com/doc?99912
Note- This datasheet provides information about parts that RoHS-compliant and / or parts that are non RoHS-compliant. For example, parts with lead (Pb) terminations are not RoHS-compliant. Please see the information / tables in this datasheet for details
APPLICATIONS
- Switch mode power supply (SMPS)
- Uninterruptible power supply
- High speed power switching
TYPICAL SMPS TOPOLOGIES
- Single transistor flyback Xfmr. reset
- Single transistor forward Xfmr. reset (both for US line input only)
PRODUCT SUMMARY
ORDERING INFORMATION
| ORDERING INFORMATION | ||||
| Package | D2PAK (TO-263) | D2PAK (TO-263) | D2PAK (TO-263) | I2PAK (TO-262) |
| Lead (Pb)-free and Halogen-free | SiHF740AS-GE3 | SiHF740ASTRL-GE3a | SiHF740ASTRR-GE3a | SiHF740AL-GE3 |
| Lead (Pb)-free | IRF740ASPbF | IRF740ASTRLPbFa | IRF740ASTRRPbFa | IRF740ALPbF |
Note
a. See device orientation.
ABSOLUTE MAXIMUM RATINGS (TC = 25 °C, unless otherwise noted)
| ABSOLUTE MAXIMUM RATINGS (TC = 25 °C, unless otherwise noted) | |||||
| PARAMETER | SYMBOL | LIMIT | UNIT | ||
| Drain-Source Voltage | VDS | 400 | V | ||
| Gate-Source Voltage | VGS | ± 30 | |||
| Continuous Drain Currente | VGS at 10 V | TC = 25 °C | ID | 10 | A |
| TC = 100 °C | 6.3 | ||||
| Pulsed Drain Currenta, e | IDM | 40 | |||
| Linear Derating Factor | 1.0 | W/°C | |||
| Single Pulse Avalanche Energyb, e | EAS | 630 | mJ | ||
| Avalanche Currenta | IAR | 10 | A | ||
| Repetiitive Avalanche Energya | EAR | 12.5 | mJ | ||
| Maximum Power Dissipation | TA = 25 °C | PD | 3.1 | W | |
| TC = 25 °C | 125 | ||||
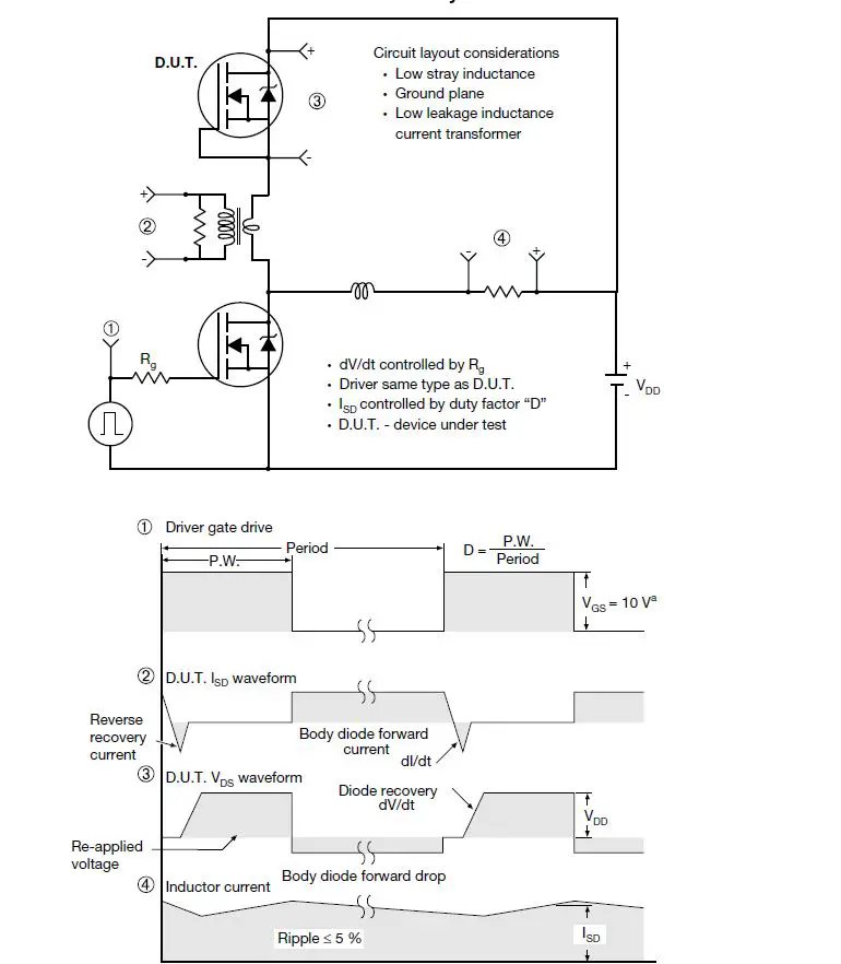
| Peak Diode Recovery dV/dtc, e | dV/dt | 5.9 | V/ns | ||
| Operating Junction and Storage Temperature Range | TJ, Tstg | – 55 to + 150 | °C | ||
| Soldering Recommendations (Peak Temperature) | for 10 s | 300d | |||
Notes
- Repetitive rating; pulse width limited by maximum junction temperature (see fig. 11)
- Starting TJ = 25 °C, L = 12.6 mH, Rg = 25 Ω, IAS = 10 A (see fig. 12)
- ISD ≤ 10 A, dI/dt ≤ 330 A/μs, VDD ≤ VDS, TJ ≤ 150 °C
- 1.6 mm from case
- Uses IRF740A, SiHF740A data and test conditions
THERMAL RESISTANCE RATINGS
Note
a. When mounted on 1″ square PCB (FR-4 or G-10 material).
Notes
- Repetitive rating; pulse width limited by maximum junction temperature (see fig. 11).
- Pulse width ≤ 300 μs; duty cycle ≤ 2 %.
- Coss eff. is a fixed capacitance that gives the same charging time as Coss while VDS is rising from 0 to 80 % VDS.
- Uses IRF740A, SiHF740A data and test conditions.
TYPICAL CHARACTERISTICS (25 °C, unless otherwise noted)




Peak Diode Recovery dV/dt Test Circuit
Note
a. VGS = 5 V for logic level devices
TO-263AB (HIGH VOLTAGE)
Notes
- Dimensioning and tolerancing per ASME Y14.5M-1994.
- Dimensions are shown in millimeters (inches).
- Dimension D and E do not include mold flash. Mold flash shall not exceed 0.127 mm (0.005″) per side. These dimensions are measured at the outmost extremes of the plastic body at datum A.
- Thermal PAD contour optional within dimension E, L1, D1 and E1.
- Dimension b1 and c1 apply to base metal only.
- Datum A and B to be determined at datum plane H.
- Outline conforms to JEDEC outline to TO-263AB.
I2PAK (TO-262) (HIGH VOLTAGE)
Notes
- Dimensioning and tolerancing per ASME Y14.5M-1994.
- Dimension D and E do not include mold flash. Mold flash shall not exceed 0.127 mm per side. These dimensions are measured at the outmost extremes of the plastic body.
- Thermal pad contour optional within dimension E, L1, D1, and E1.
- Dimension b1 and c1 apply to base metal only.
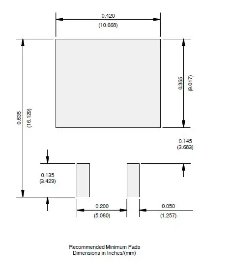
RECOMMENDED MINIMUM PADS FOR D2PAK: 3-Lead
Disclaimer
ALL PRODUCT, PRODUCT SPECIFICATIONS AND DATA ARE SUBJECT TO CHANGE WITHOUT NOTICE TO IMPROVE RELIABILITY, FUNCTION OR DESIGN OR OTHERWISE.
Vishay Intertechnology, Inc., its affiliates, agents, and employees, and all persons acting on its or their behalf (collectively, “Vishay”), disclaim any and all liability for any errors, inaccuracies or incompleteness contained in any datasheet or in any other disclosure relating to any product. Vishay makes no warranty, representation or guarantee regarding the suitability of the products for any particular purpose or the continuing production of any product. To the maximum extent permitted by applicable law, Vishay disclaims (i) any and all liability arising out of the application or use of any product, (ii) any and all liability, including without limitation special, consequential or incidental damages, and (iii) any and all implied warranties, including warranties of fitness for particular purpose, non-infringement and merchantability. Statements regarding the suitability of products for certain types of applications are based on Vishay’s knowledge of typical requirements that are often placed on Vishay products in generic applications. Such statements are not binding statements about the suitability of products for a particular application. It is the customer’s responsibility to validate that a particular product with the properties described in the product specification is suitable for use in a particular application. Parameters provided in datasheets and / or specifications may vary in different applications and performance may vary over time. All operating parameters, including typical parameters, must be validated for each customer application by the customer’s technical experts. Product specifications do not expand or otherwise modify Vishay’s terms and conditions of purchase, including but not limite d to the warranty expressed therein.
Hyperlinks included in this datasheet may direct users to third-party websites. These links are provided as a convenience an d for informational purposes only. Inclusion of these hyperlinks does not constitute an endorsement or an approval by Vishay o f any of the products, services or opinions of the corporation, organization or individual associated with the third-party website. Vishay disclaims any and all liability and bears no responsibility for the accuracy, legality or content of the third-party website or for that of subsequent links. Except as expressly indicated in writing, Vishay products are not designed for use in medical, life-saving, or life-sustainin g applications or for any other application in which the failure of the Vishay product could result in personal injury or death. Customers using or selling Vishay products not expressly indicated for use in such applications do so at their own risk. Please contact authorized Vishay personnel to obtain written terms and conditions regarding products designed for such applications. No license, express or implied, by estoppel or otherwise, to any intellectual property rights is granted by this document or by any conduct of Vishay. Product names and markings noted herein may be trademarks of their respective owners.
© 2023 VISHAY INTERTECHNOLOGY, INC. ALL RIGHTS RESERVED
Vishay Siliconix maintains worldwide manufacturing capability. Products may be manufactured at one of several qualified locations. Reliability data for Silicon Technology and Package Reliability represent a composite of all qualified locations. For related documents such as package/tape drawings, part marking, and reliability data, see www.vishay.com/ppg?91052.
For technical questions, contact: h[email protected]
THIS DOCUMENT IS SUBJECT TO CHANGE WITHOUT NOTICE. THE PRODUCTS DESCRIBED HEREIN AND THIS DOCUMENT ARE SUBJECT TO SPECIFIC DISCLAIMERS, SET FORTH AT www.vishay.com/doc?91000
































