VISHAY IRFD210 Power MOSFET
Product Information
Product Name: IRFD210 Vishay Siliconix Power MOSFET
Manufacturer: Vishay
Website: www.vishay.com
Product Summary
| VDS (V) | RDS(on) (Ω) | Qg (Max.) (nC) | Qgs (nC) | Qgd (nC) | Configuration |
|---|---|---|---|---|---|
| 200 | 1.5 | 8.2 | 1.8 | 4.5 | Single |

Features: Please refer to www.vishay.com/doc?99912
- Dynamic dV/dt rating
- Repetitive avalanche rated
- For automatic insertion
- End stackable
- Fast switching
- Ease of paralleling
- Simple drive requirements
- Material categorization: for definitions of compliance please see www.vishay.com/doc?99912
Description: Third generation power MOSFETs from Vishay provide the designer with the best combination of fast switching, ruggedized device design, low on-resistance, and cost-effectiveness. The 4 pin DIP package is a low-cost machine-insertable case style which can be stacked in multiple combinations on standard 0.1 pin centers. The dual drain serves as a thermal link to the mounting surface for power dissipation levels up to 1 W.
Ordering Information
Package Lead (Pb)-free: HVMDIP IRFD210PbF
ABSOLUTE MAXIMUM RATINGS
(TA = 25 °C, unless otherwise noted)
Notes
- Repetitive rating; pulse width limited by maximum junction temperature (see fig. 11)
- VDD = 50 V, starting TJ = 25 °C, L = 82 mH, Rg = 25 Ω, IAS = 1.2 A (see fig. 12)
- ISD ≤ 3.3 A, dI/dt ≤ 70 A/μs, VDD ≤ VDS, TJ ≤ 150 °C
- 1.6 mm from case
Thermal Resistance Ratings:
| Parameter | Symbol | Maximum Junction-to-Ambient |
|---|---|---|
| Thermal Resistance | RthJA | 120 |

SPECIFICATIONS (TJ = 25 °C, unless otherwise noted)



Notes
- Repetitive rating; pulse width limited by maximum junction temperature (see fig. 11)
- Pulse width ≤ 300 μs; duty cycle ≤ 2 %
For technical questions, contact: Power MOSFET This document is subject to change without notice. The products described herein and this document are subject to specific disclaimers, set forth at www.vishay.com/doc?91000
Product Usage Instructions
To use the IRFD210 Vishay Siliconix Power MOSFET, follow these instructions:
- Ensure that the package lead is Pb-free and labeled as HVMDIP IRFD210PbF.
- Connect the drain terminal (D) to the drain-source voltage (VDS).
- Connect the gate terminal (G) to the gate-source voltage (VGS).
- Connect the source terminal (S) to the source.
- Make sure the VDS does not exceed 200V and VGS is set to 10V.
- Ensure that the continuous drain current (ID) does not exceed 1.5A and the pulsed drain current (IDM) does not exceed the specified value.
- Consider the linear derating factor for power dissipation levels up to 1W.
- Take into account the maximum junction-to-ambient thermal resistance (RthJA) to prevent overheating.
- Refer to the provided documentation for more technical specifications and guidelines.
Note: Proper soldering recommendations and temperature ranges should be followed during the assembly process. Please refer to the user manual for detailed soldering instructions.
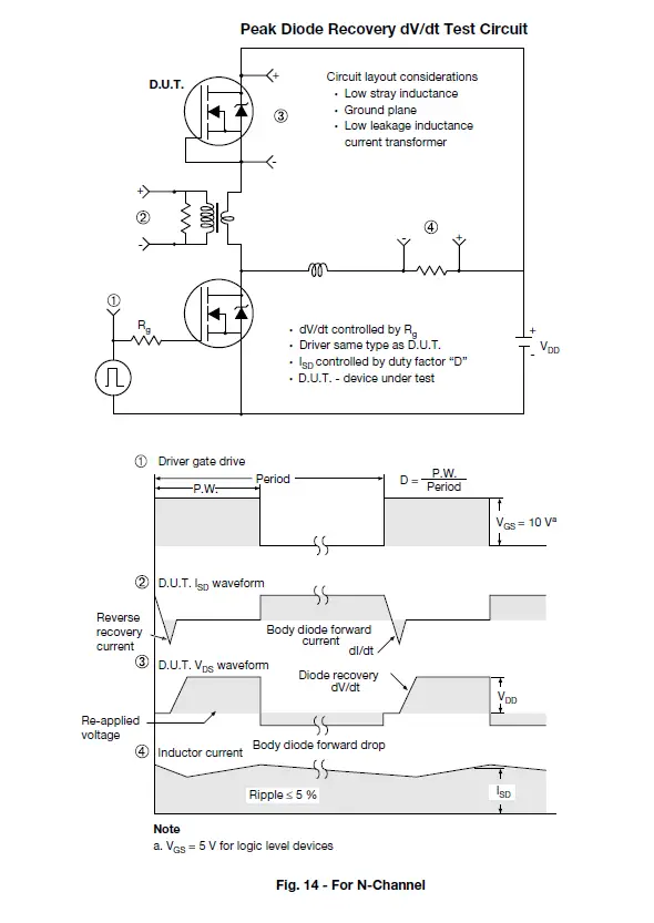
TYPICAL CHARACTERISTICS (25 °C, unless otherwise noted)



Peak Diode Recovery dV/dt Test Circuit
Vishay Siliconix maintains worldwide manufacturing capability. Products may be manufactured at one of several qualified locations. Reliability data for Silicon Technology and Package Reliability represent a composite of all qualified locations. For related documents such as package/tape drawings, part marking, and reliability data, see www.vishay.com/ppg?91129.
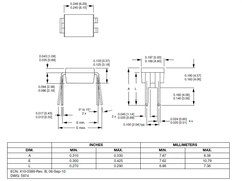
HVM DIP (High voltage)
Note
- Package length does not include mold flash, protrusions or gate burrs. Package width does not include interlead flash or protrusions.
Disclaimer
ALL PRODUCT, PRODUCT SPECIFICATIONS AND DATA ARE SUBJECT TO CHANGE WITHOUT NOTICE TO IMPROVE RELIABILITY, FUNCTION OR DESIGN OR OTHERWISE.
Vishay Intertechnology, Inc., its affiliates, agents, and employees, and all persons acting on its or their behalf (collectively, “Vishay”), disclaim any and all liability for any errors, inaccuracies or incompleteness contained in any datasheet or in any other disclosure relating to any product. Vishay makes no warranty, representation or guarantee regarding the suitability of the products for any particular purpose or the continuing production of any product. To the maximum extent permitted by applicable law, Vishay disclaims (i) any and all liability arising out of the application or use of any product, (ii) any and all liability, including without limitation special, consequential or incidental damages, and (iii) any and all implied warranties, including warranties of fitness for particular purpose, non-infringement and merchantability. Statements regarding the suitability of products for certain types of applications are based on Vishay’s knowledge of typical requirements that are often placed on Vishay products in generic applications. Such statements are not binding statements about the suitability of products for a particular application. It is the customer’s responsibility to validate that a particular product with the properties described in the product specification is suitable for use in a particular application. Parameters provided in datasheets and / or specifications may vary in different applications and performance may vary over time. All operating parameters, including typical parameters, must be validated for each customer application by the customer’s technical experts. Product specifications do not expand or otherwise modify Vishay’s terms and conditions of purchase, including but not limite d to the warranty expressed therein. Hyperlinks included in this datasheet may direct users to third-party websites. These links are provided as a convenience an d for informational purposes only. Inclusion of these hyperlinks does not constitute an endorsement or an approval by Vishay o f any of the products, services or opinions of the corporation, organization or individual associated with the third-party website. Vishay disclaims any and all liability and bears no responsibility for the accuracy, legality or content of the third-party website or for that of subsequent links. Except as expressly indicated in writing, Vishay products are not designed for use in medical, life-saving, or life-sustainin g applications or for any other application in which the failure of the Vishay product could result in personal injury or death. Customers using or selling Vishay products not expressly indicated for use in such applications do so at their own risk. Please contact authorized Vishay personnel to obtain written terms and conditions regarding products designed for such applications. No license, express or implied, by estoppel or otherwise, to any intellectual property rights is granted by this document or by any conduct of Vishay. Product names and markings noted herein may be trademarks of their respective owners.
© 2023 VISHAY INTERTECHNOLOGY, INC. ALL RIGHTS RESERVED
Revision: 01-Jan-2023
Document Number: 91000
Downloaded from Arrow.com
For technical questions, contact: Power MOSFET
THIS DOCUMENT IS SUBJECT TO CHANGE WITHOUT NOTICE. THE PRODUCTS DESCRIBED HEREIN AND THIS DOCUMENT ARE SUBJECT TO SPECIFIC DISCLAIMERS, SET FORTH AT www.vishay.com/doc?91000






























