VISHAY IRFL110 Power MOSFET

FEATURES
- Surface-mount
- Available in tape and reel
- Dynamic dV/dt rating
- Repetitive avalanche rated
- Fast switching
- Ease of paralleling
- Simple drive requirements
- Material categorization: for definitions of compliance please see www.vishay.com/doc?99912
DESCRIPTION
Third-generation power MOSFETs from Vishay provide the designer with the best combination of fast switching, ruggedized device design, low on-resistance and cost-effectiveness.
The SOT-223 package is designed for surface-mounting using vapor phase, infrared, or wave soldering techniques. Its unique package design allows for easy automatic pick-and-place as with other SOT or SOIC packages but has the added advantage of improved thermal performance due to an enlarged tab for heatsinking. Power dissipation of greater than 1.25 W is possible in a typical surface mount application.
| PRODUCT SUMMARY | ||
| VDS (V) | 100 | |
| RDS(on) (W) | VGS = 10 V | 0.54 |
| Qg (Max.) (nC) | 8.3 | |
| Qgs (nC) | 2.3 | |
| Qgd (nC) | 3.8 | |
| Configuration | Single | |
| ORDERING INFORMATION | |
| Package | SOT-223 |
| Lead (Pb)-free and halogen-free | SiHFL110TR-GE3 a |
| SiHFL110TR-BE3 a, b | |
| IRFL110TRPBF-BE3 a, b | |
| Lead (Pb)-free | IRFL110TRPbF a |
Notes
- See device orientation
- “-BE3” denotes alternate manufacturing location
| ABSOLUTE MAXIMUM RATINGS (TC = 25 °C, unless otherwise noted) | |||||
| PARAMETER | SYMBOL | LIMIT | UNIT | ||
| Drain-source voltage | VDS | 100 | V | ||
| Gate-source voltage | VGS | ± 20 | |||
| Continuous drain current | VGS at 10 V | TC = 25 °C | ID | 1.5 | A |
| TC = 100 °C | 0.96 | ||||
| Pulsed drain current a | IDM | 12 | |||
| Linear derating factor | 0.025 | W/°C | |||
| Linear derating factor (PCB mount) e | 0.017 | ||||
| Single pulse avalanche energy b | EAS | 150 | mJ | ||
| Avalanche current a | IAR | 1.5 | A | ||
| Repetitive avalanche energy a | EAR | 0.31 | mJ | ||
| Maximum power dissipation | TC = 25 °C | PD | 3.1 | W | |
| Maximum power dissipation (PCB mount) e | TA = 25 °C | 2.0 | |||
| Peak diode recovery dv/dt c | dV/dt | 5.5 | V/ns | ||
| Operating junction and storage temperature range | TJ, Tstg | -55 to +150 | °C | ||
| Soldering recommendations (peak temperature) d | For 10 s | 300 | |||
Notes
- Repetitive rating; pulse width limited by maximum junction temperature (see 11)
- VDD = 25 V, starting TJ = 25 °C, L = 25 mH, Rg = 25 W, IAS = 0 A (see fig. 12)
- ISD £ 6 A, dI/dt £ 75 A/μs, VDD £ VDS, TJ £ 150 °C
- 6 mm from case
- When mounted on 1″ square PCB (FR-4 or G-10 material)
| THERMAL RESISTANCE RATINGS | |||||
| PARAMETER | SYMBOL | MIN. | TYP. | MAX. | UNIT |
| Maximum junction-to-ambient (PCB mount) a | RthJA | – | – | 60 | °C/W |
| Maximum junction-to-case (drain) | RthJC | – | – | 40 | |
note
- When mounted on 1″ square PCB (FR-4 or G-10 material)
| SPECIFICATIONS (TJ = 25 °C, unless otherwise noted) | ||||||||||
| PARAMETER | SYMBOL | TEST CONDITIONS | MIN. | TYP. | MAX. | UNIT | ||||
| Static | ||||||||||
| Drain-source breakdown voltage | VDS | VGS = 0 V, ID = 250 μA | 100 | – | – | V | ||||
| VDS temperature coefficient | DVDS/TJ | Reference to 25 °C, ID = 1 mA | – | 0.63 | – | V/°C | ||||
| Gate-source threshold voltage | VGS(th) | VDS = VGS, ID = 250 μA | 2.0 | – | 4.0 | V | ||||
| Gate-source leakage | IGSS | VGS = ± 20 V | – | – | ± 100 | nA | ||||
| Zero gate voltage drain current | IDSS | VDS = 100 V, VGS = 0 V | – | – | 25 | μA | ||||
| VDS = 80 V, VGS = 0 V, TJ = 125 °C | – | – | 250 | |||||||
| Drain-source on-state resistance | RDS(on) | VGS = 10 V | ID = 0.90 A b | – | – | 0.54 | W | |||
| Forward transconductance | gfs | VDS = 50 V, ID = 0.90 A | 1.1 | – | – | S | ||||
| Dynamic | ||||||||||
| Input capacitance | Ciss | VGS = 0 V, VDS = 25 V, f = 1.0 MHz, see fig. 5 | – | 180 | – | pF | ||||
| Output capacitance | Coss | – | 81 | – | ||||||
| Reverse transfer capacitance | Crss | – | 15 | – | ||||||
| Total gate charge | Qg | VGS = 10 V | ID = 5.6 A, VDS = 80 V, see fig. 6 and 13 b | – | – | 8.3 | nC | |||
| Gate-source charge | Qgs | – | – | 2.3 | ||||||
| Gate-drain charge | Qgd | – | – | 3.8 | ||||||
| Turn-on delay time | td(on) | VDD = 50 V, ID = 5.6 A, Rg = 24 W, RD = 8.4 W, see fig. 10 b | – | 6.9 | – |
ns | ||||
| Rise time | tr | – | 16 | – | ||||||
| Turn-off delay time | td(off) | – | 15 | – | ||||||
| Fall time | tf | – | 9.4 | – | ||||||
| Internal drain inductance | LD | Between lead, 6 mm (0.25″) from package and center of die contact |
G | D
S | – | 4.0 | – | nH | ||
| Internal source inductance | LS | – | 6.0 | – | ||||||
| Drain-Source Body Diode Characteristics | ||||||||||
| Continuous source-drain diode current | IS | MOSFET symbol showing the integral reverse p – n junction diode |
G |
D
S | – | – | 1.5 | A | ||
| Pulsed diode forward current a | ISM | – | – | 12 | ||||||
| Body diode voltage | VSD | TJ = 25 °C, IS = 1.5 A, VGS = 0 V b | – | – | 2.5 | V | ||||
| Body diode reverse recovery time | trr | TJ = 25 °C, IF = 5.6 A, dI/dt = 100 A/μs b | – | 100 | 200 | ns | ||||
| Body diode reverse recovery charge | Qrr | – | 0.44 | 0.88 | μC | |||||
| Forward turn-on time | ton | Intrinsic turn-on time is negligible (turn-on is dominated by LS and LD) | ||||||||
notes
- Repetitive rating; pulse width limited by maximum junction temperature (see 11)
- Pulse width £ 300 μs; duty cycle £ 2 %
TYPICAL CHARACTERISTICS
(25 °C, unless otherwise noted)






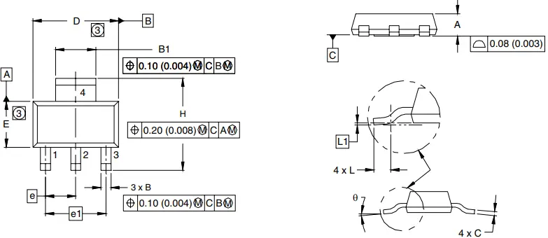
| MILLIMETERS | INCHES | |||
| DIM. | MIN. | MAX. | MIN. | MAX. |
| A | 1.55 | 1.80 | 0.061 | 0.071 |
| B | 0.65 | 0.85 | 0.026 | 0.033 |
| B1 | 2.95 | 3.15 | 0.116 | 0.124 |
| C | 0.25 | 0.35 | 0.010 | 0.014 |
| D | 6.30 | 6.70 | 0.248 | 0.264 |
| E | 3.30 | 3.70 | 0.130 | 0.146 |
| e | 2.30 BSC | 0.0905 BSC | ||
| e1 | 4.60 BSC | 0.181 BSC | ||
| H | 6.71 | 7.29 | 0.264 | 0.287 |
| L | 0.91 | – | 0.036 | – |
| L1 | 0.061 BSC | 0.0024 BSC | ||
| q | – | 10′ | – | 10′ |
| ECN: S-82109-Rev. A, 15-Sep-08 DWG: 5969 | ||||
Notes
- Dimensioning and tolerancing per ASME Y14.5M-1994.
- Dimensions are shown in millimeters (inches).
- Dimensions do not include mold flash.
- Outline conforms to JEDEC outline TO-261AA.
Disclaimer
- ALL PRODUCT, PRODUCT SPECIFICATIONS AND DATA ARE SUBJECT TO CHANGE WITHOUT NOTICE TO IMPROVE RELIABILITY, FUNCTION OR DESIGN OR OTHERWISE.
- Vishay Intertechnology, Inc., its affiliates, agents, and employees, and all persons acting on its or their behalf (collectively, “Vishay”), disclaim any and all liability for any errors, inaccuracies or incompleteness contained in any datasheet or in any other disclosure relating to any product.
- Vishay makes no warranty, representation or guarantee regarding the suitability of the products for any particular purpose or the continuing production of any product. To the maximum extent permitted by applicable law, Vishay disclaims (i) any and all liability arising out of the application or use of any product, (ii) any and all liability, including without limitation special, consequential or incidental damages, and (iii) any and all implied warranties, including warranties of fitness for particular purpose, non-infringement and merchantability.
- Statements regarding the suitability of products for certain types of applications are based on Vishay’s knowledge of typical requirements that are often placed on Vishay products in generic applications. Such statements are not binding statements about the suitability of products for a particular application. It is the customer’s responsibility to validate that a particular product with the properties described in the product specification is suitable for use in a particular application. Parameters provided in datasheets and / or specifications may vary in different applications and performance may vary over time. All operating parameters, including typical parameters, must be validated for each customer application by the customer’s technical experts. Product specifications do not expand or otherwise modify Vishay’s terms and conditions of purchase, including but not limite d to the warranty expressed therein.
- Hyperlinks included in this datasheet may direct users to third-party websites. These links are provided as a convenience an d for informational purposes only. Inclusion of these hyperlinks does not constitute an endorsement or an approval by Vishay o f any of the products, services or opinions of the corporation, organization or individual associated with the third-party website. Vishay disclaims any and all liability and bears no responsibility for the accuracy, legality or content of the third-party website or for that of subsequent links.
- Except as expressly indicated in writing, Vishay products are not designed for use in medical, life-saving, or life-sustainin g applications or for any other application in which the failure of the Vishay product could result in personal injury or death. Customers using or selling Vishay products not expressly indicated for use in such applications do so at their own risk. Please contact authorized Vishay personnel to obtain written terms and conditions regarding products designed for such applications.
No license, express or implied, by estoppel or otherwise, to any intellectual property rights is granted by this document or by any conduct of Vishay. Product names and markings noted herein may be trademarks of their respective owners.
© 2023 VISHAY INTERTECHNOLOGY, INC. ALL RIGHTS RESERVED
For technical questions, contact: [email protected]
THIS DOCUMENT IS SUBJECT TO CHANGE WITHOUT NOTICE. THE PRODUCTS DESCRIBED HEREIN AND THIS DOCUMENT
ARE SUBJECT TO SPECIFIC DISCLAIMERS, SET FORTH AT www.vishay.com/doc?9100092.



















