ON Semiconductor FDBL9406-F085T6 Single Power N Channel MOSFET
![]()
Features
- Low RDS(on) to Minimize Conduction Losses
- Low QG and Capacitance to Minimize Driver Losses
- Lowers Switching Noise/EMI
- AEC−Q101 Qualified and PPAP Capable
- These Devices are Pb−Free, Halogen Free/BFR Free and are RoHS Compliant
| Parameter | Symbol | Value | Unit | ||
| Drain−to−Source Voltage | VDSS | 40 | V | ||
| Gate−to−Source Voltage | VGS | +20/−16 | V | ||
| Continuous Drain Current RSJC (Note 2) |
Steady State | TC = 25°C | ID | 240 | A |
| TC = 100°C | 179.4 | ||||
| Power Dissipation RSJC (Note 2) | TC = 25°C | PD | 136.4 | W | |
| TC = 100°C | 68.2 | ||||
| Continuous Drain Current RSJA (Notes 1, 2) |
Steady State | TA = 25°C | ID | 45 | A |
| TA = 100°C | 31.8 | ||||
| Power Dissipation RSJA (Notes 1, 2) | TA = 25°C | PD | 4.3 | W | |
| TA = 100°C | 2.1 | ||||
| Pulsed Drain Current | TA = 25°C, tp = 10 µs | IDM | 2817 | A | |
| Operating Junction and Storage Temperature Range | TJ, Tstg | − 55 to +175 | °C | ||
| Source Current (Body Diode) | IS | 221 | A | ||
| Single Pulse Drain−to−Source Avalanche Energy (IL(pk) = 42.5 A) | EAS | 271 | mJ | ||
| Lead Temperature Soldering Reflow for Solder- ing Purposes (1/8² from case for 10 s) | TL | 260 | °C | ||
Stresses exceeding those listed in the Maximum Ratings table may damage the device. If any of these limits are exceeded, device functionality should not be assumed, damage may occur and reliability may be affected
THERMAL RESISTANCE MAXIMUM RATINGS
| Parameter | Symbol | Value | Unit |
| Junction−to−Case − Steady State (Note 2) | RSJC | 1.1 | °C/W |
| Junction−to−Ambient − Steady State (Note 2) | RSJA | 35 |
- Surface−mounted on FR4 board using a 1 in2 pad size, 1 oz. Cu
- The entire application environment impacts the thermal resistance values shown, they are not constants and are only valid for the particular conditions

ORDERING INFORMATION
| Device | Package | Shipping† |
| FDBL9406−F085T6 | H−PSOF8L (Pb−Free) | 2000 / Tape & Reel |
For information on tape and reel specifications, including part orientation and tape sizes, please refer to our Tape and Reel Packaging Specification Brochure, BRD8011/D.
Table 1. ELECTRICAL CHARACTERISTICS
(TJ = 25°C unless otherwise noted)
| Parameter | Symbol | Test Conditions | Min | Typ | Max | Units |
OFF CHARACTERISTICS
| Drain−to−Source Breakdown Voltage | V(BR)DSS | ID = 250 µA, VGS = 0 V | 40 | V | |||
| Drain−to−Source Breakdown Voltage Temperature Coefficient | V(BR)DSS/TJ | ID = 250 µA, VGS = 0 V | 24.9 | mV/°C | |||
| Zero Gate Voltage Drain Current | IDSS | VDS = 40 V, VGS = 0 V | TJ = 25°C | 10 | µA | ||
| Gate−to−Source Leakage Current | IGSS | VDS = 0 V, VGS = +20/−16 V | ±100 | nA | |||
ON CHARACTERISTICS (Note 3)
| Gate Threshold Voltage | VGS(th) | VGS = VDS, ID = 190 µA | 2 | 2.8 | 3.5 | V |
| Negative Threshold Temperature Coefficient | VGS(th)/TJ | −6.9 | mV/°C | |||
| Drain−to−Source On Resistance | RDS(on) | VGS = 10 V, ID = 50 A | 1.1 | 1.21 | mQ | |
| Forward Transconductance | gFS | VDS = 15 V, ID = 50 A | 143 | S |
CHARGES & CAPACTIANCES
| Input Capacitance | Ciss | VGS = 0 V, VDS = 25 V, f = 1 MHz | 4960 | pF | ||
| Output Capacitance | Coss | 2800 | pF | |||
| Reverse Transfer Capacitance | Crss | 62 | pF | |||
| Total Gate Charge | QG(tot) | VGS = 10 V, VDS = 20 V, ID = 50 A | 75 | nC | ||
| Threshold Gate Charge | QG(th) | 9 | nC | |||
| Gate−to−Source Charge | Qgs | 22 | nC | |||
| Gate−to−Drain Charge | Qgd | 16 | nC |
SWITCHING CHARACTERISTICS, VGS = 10 V (Note 3)
| Turn−On Delay Time | td(on) | VGS = 10 V, VDS = 20 V, ID = 50 A, RG = 6 Q | 27 | ns | ||
| Rise Time | tr | 44 | ns | |||
| Turn−Off Delay Time | td(off) | 61 | ns | |||
| Fall Time | tf | 26 | ns |
DRAIN−SOURCE DIODE CHARACTERISTICS
| Forward Diode Voltage | VSD | IS = 50 A, VGS = 0 V | TJ = 25°C | 0.8 | 1.2 | V | |
| IS = 50 A, VGS = 0 V | TJ = 125°C | 0.6 | V | ||||
| Reverse Recovery Time | trr | VGS = 0 V, dIS/dt = 100 A/µs, IS = 50 A | 78 | ns | |||
| Charge Time | ta | 39 | ns | ||||
| Discharge Time | tb | 39 | ns | ||||
| Reverse Recovery Charge | Qrr | 101 | nC | ||||
Product parametric performance is indicated in the Electrical Characteristics for the listed test conditions, unless otherwise noted. Product performance may not be indicated by the Electrical Characteristics if operated under different conditions.3 Switching characteristics are independent of operating junction temperatures
TYPICAL CHARACTERISTICS
![]()
![]()
![]()
![]()
![]()
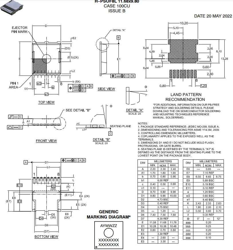
PACKAGE DIMENSIONS
![]()
- A = Assembly Location
- Y = Year
- WW = Work Week
- ZZ = Assembly Lot Code
- XXXX = Specific Device Code
*This information is generic. Please refer to device data sheet for actual part marking. Pb−Free indicator, “G” or microdot “.”, may or may not be present. Some products may not follow the Generic Marking
onsemi and are trademarks of Semiconductor Components Industries, LLC dba onsemi or its subsidiaries in the United States and/or other countries. onsemi reserves
the right to make changes without further notice to any products herein. onsemi makes no warranty, representation or guarantee regarding the suitability of its products for any particular purpose, nor does onsemi assume any liability arising out of the application or use of any product or circuit, and specifically disclaims any and all liability, including without limitation special, consequential or incidental damages. onsemi does not convey any license under its patent rights nor the rights of others.
onsemi, , and other names, marks, and brands are registered and/or common law trademarks of Semiconductor Components Industries, LLC dba “onsemi” or its affiliates and/or subsidiaries in the United States and/or other countries. onsemi owns the rights to a number of patents, trademarks, copyrights, trade secrets, and other intellectual property. A listing of onsemi’s product/patent coverage may be accessed at www.onsemi.com/site/pdf/Patent−Marking.pdf. onsemi reserves the right to make changes at any time to any products or information herein, without notice. The information herein is provided “as−is” and onsemi makes no warranty, representation or guarantee regarding the accuracy of the information, product features, availability, functionality, or suitability of its products for any particular purpose, nor does onsemi assume any liability arising out of the application or use of any product or circuit, and specifically disclaims any and all liability, including without limitation special, consequential or incidental damages. Buyer is responsible for its products and applications using onsemi products, including compliance with all laws, regulations and safety requirements or standards, regardless of any support or applications information provided by onsemi. “Typical” parameters which may be provided in onsemi data sheets and/or specifications can and do vary in different applications and actual performance may vary over time. All operating parameters, including “Typicals” must be validated for each customer application by customer’s technical experts. onsemi does not convey any license under any of its intellectual property rights nor the rights of others. onsemi products are not designed, intended, or authorized for use as a critical component in life support systems or any FDA Class 3 medical devices or medical devices with a same or similar classification in a foreign jurisdiction or any devices intended for implantation in the human body. Should Buyer purchase or use onsemi products for any such unintended or unauthorized application, Buyer shall indemnify and hold onsemi and its officers, employees, subsidiaries, affiliates, and distributors harmless against all claims, costs, damages, and expenses, and reasonable attorney fees arising out of, directly or indirectly, any claim of personal injury or death associated with such unintended or unauthorized use, even if such claim alleges that onsemi was negligent regarding the design or manufacture of the part. onsemi is an Equal Opportunity/Affirmative Action Employer. This literature is subject to all applicable copyright laws and is not for resale in any manner.
PUBLICATION ORDERING INFORMATION
- LITERATURE FULFILLMENT:
Email Requests to: [email protected]
onsemi Website: www.onsemi.com - TECHNICAL SUPPORT
North American Technical Support:
Voice Mail: 1 800−282−9855 Toll Free USA/Canada Phone: 011 421 33 790 2910 - Europe, Middle East and Africa Technical Support:
Phone: 00421 33 790 2910
For additional information, please contact your local Sales Representative - www.onsemi.com


















