

AQUILLA
Installation Guide
AQUILLA Mid Tower Case

A: Remove the side panels and front panel.
B: Install the power supply (PSU).
C: Install the motherboard (MB).
D: Install the fans.
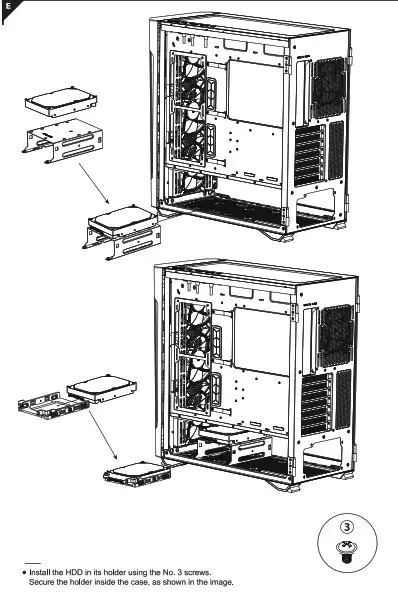
E: Install the hard-disk drive (HDD).
F: Install the solid-state drive (SSD).
G: Install the graphics card (VGA).
Accesoril included

- Please make sure that the PSU ventilation slots and threaded holes are positioned correctly in relation to the chassis.

- Please remove the side panels before removing the front panel. To remove the front panel, pull on the bottom edge. Attention: the side panels are provided with hinges! Handle with care!


Supported fans (maximum)
Front: 3 x 120mm or 3 x 140mm
Back: 1 x 120mm or 1 x 140mm
Top: 2 x 120mm or 2 x 140mm
Side: 2 x 120mm For superior performance, the chassis allows the use of a liquid cooling system, offering the possibility of installing radiators:
Front: 120 / 240 / 280 / 360mm Top: 120 / 240 / 280 / 360mm
Rear: 120mm
Side: 120 / 240mm
![]() | ![]() |
![]() | ![]() |
EE] I you encounter errors or any other problems with the product don’t hesitate to contact us.
[email protected]
https://www.aqirys.com/product/aquilla-black
https://www.aqirys.com/product/aquilla-black
© AQIRYS®. All rights reserved. AQIRYS® name and logo and all other related products, service names, and design marks are trademarks or registered trademarks of PC-coolers SRL. All other brand names and trademarks are the property of their respective owners. Specifications and design are subject to change without notice due to product improvements.
REGLEMENTARI
REGULATORY
– Unauthorized repairs or disassembly of the product will void the warranty and may cause its damage.
– This product is safe and complies to EU requirements. (compliant with directive EMC (2014/30/EU))}
– This product is manufactured conforming with the European RoHS standard. (compliant with directive RoHS 2.0 (2015/863/EU))
– Using the WEEE symbol (the crossed-out bin) indicates that the electrical and electronic equipment inside the package can be recycled. When recycling waste properly, you protect the environment and people health. Segregated household waste collection, aids recycle materials and components used for the production of this device. For detailed information about recycling, please contact your retailer or a local authority.























