HOSSONI HB008VR-BT 12VDC Dimmable PIR Sensor

12VDC Dimmable PIR Sensor

- 12VDC Input PIR Sensor
- Bi-level Dimmable, Daylight Threshold
- On/Off Control Detection Area
- Daylight Sensor
- Hold Time
- Stand-by period Warranty
- Stand-by dimming level
- APP Mobile APP Control
- Daylight Brightness Learning
- Daylight Harvesting

Detection Patterns


- Mounting Height
Max.6m/19.68ft Ceiling Mounted - Detection Range
Radius.<2m/6.56ft
Dimensions
- Unit:mm

Mechanical structure

- Fresnel Lens
- Quick Connector
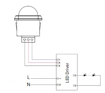
Wiring Diagram

- Purple DIM+
- Pink GND
- Black white +12V
Application of Daylight Harvesting
In Sensor mode, preset daylight threshold as 50LUX or higher options, preset standby period as 0S, then press the DH button on the APP to perform this function.

- When ambient brightness is lower than preset lux level, sensor will turn on light automatically and keep dimming according to the change of the ambient brightness; when outside is getting darker, the inside will be brighter, and brighter darker.
- Light OFF when ambient brightness becomes higher than the preset lux level.
Ambient Brightness Learning
Instead of giving a specific lux level, this function enables current ambient brightness to be learnt and set as a standard lux level; hen ambient brightness is getting darker, the artificial light will be brighter; and brighter darker; When ambient brightness exceeds the standard level, light will turn off.

Performance
- Automatically ON/OFF function

- With sufficient daylight, even when motion detected, light remains OFF.
- With insufficient daylight, the sensor turns light ON when motion gets detected.
- The sensor turns OFF light automatically after the hold time when there’s no motion detected.
- Daylight Disable

- The sensor turns light ON when motion gets detected.
- The sensor keeps light ON for holdtime period after motion leaves.
- The sensor turns OFF light automatically after the holdtime.
- Corridor Function, Bi-level Dimmable

- With sufficient daylight, the sensor keeps light OFF even motion gets detected.
- With insufficient daylight, the sensor turns light ON when motion gets detected.
- After there’s no motion detected, the sensor keeps light ON 100% for hold time.
- After hold time, sensor dims light to standby dimming level for standby period.
- The sensor turns OFF light automatically after the standby period when there’s no motion detected.
Attention:
- Please read the instructions carefully before using this product and keep it well for all users to read at any time.
- The sensor should be installed by qualified electrician and ensure power is off before the installation.
- We reserve the right to modify any incorrect text, image and necessary technical parameters.
- Any unauthorized modification is forbidden, otherwise all guarantees will be immediately invalid.
Installation precautions
- Turn the power off at the circuit breaker before installing the sensor.
- Do not allow bare wires to show.
- Assemble any necessary mounting accessories.
- Have the sensor’s lens lower than edge of the fixture and keep the sensor away from heating part.
Application Environment
- Do not mount it outdoor, in case the outdoor temperature disturbs it.
- Do not have it at places with suddenly changed temperature or airflow.
- Do not have shelves between sensor to the presence area.
APP OPERATING INSTRUCTION
HAISEN ITL app, Owned by
SHENZHEN HAISEN TECHNOLOGY CO.,LTD
- Press the + button at top right corner or ADD DEVICE button in the centre to add sensors.

- Choose the middle one, Sensor with Bluetooth. Our APP will work withZigbee or other wireless connection sensors in the future.

- The APP starts to find the Bluetooth sensor, please make sure the light blicks and manually confirm it on the APP.

- The APP shows all the sensors that have been found, add them by pressing the top rightADD ALL in blue or pressing + of each sensor to add them one by one.
- Please make sure the sensor is correctly connected/powered and stays available.

- Please make sure the sensor is correctly connected/powered and stays available.
- sensors that have been added, press to name it or press top right FINISH button.

- Added sensors will be shown on the first page of the APP.

- Press any sensor and starts to control it.
- Press ON/OFF button to turn on/off the light.
- Slide to manually dim the light.
- Read dimming level on top right corner. (10%~100% in always-ON mode, 60%~100% in sensor mode)
- Press Top right corner to edit the sensor, create a group, delete it or else.
- Press DH of left bottom to perform daylight harvesting function.
- Press Sensor of center bottom to start programing the sensor.
- Perss Scene button of right bottom to quickly perform different scene function.

- Press SENSOR button to program the sensor.
- Quickly enter into sensor mode and perform the last-time saved function before switches to “always ON” mode.
- Quickly enter into sensor mode and perform the default program as:100% detection area, 5S hold time, daylight disable, 0S standby period and 10% standby dimming level.
- Roll to choose wanted option for Sensitivity, daylight threshold, hold time, standby period and standby dimming level.

- Optional scenes that supports programming and saving, choose to enter any of them.

- Grouping
- Choose to start a group and manually add wanted sensors.
- Created groups will be shown on the first page with other sensors.
- Choose the group and starts to program it.

- Reset operation: If the sensors have been connected to an APP and not available for new connecting, please follow below steps to reset them.

- Has to work it with this HD03R remote.
- Press button on the remote, light blinks 3 times.
- Now try to add the sensors to the APP again.
Scan the QR Code to download the Test Version; The official APP is being constructed and uploaded, will be available in this month.
Other Information
Max. 20M distance between APP and sensor or sensor to sensor.
- Sensor Qty max. for each family unit 200pcs
- Sensor Qty max. for each group Unlimited(Based on the truth of 200pcs sensors for each family)
- Sensor Qty max. for each group Unlimited(Based on the truth of 200pcs sensors for each family)
- Sensor Qty max. for the Sigmesh Gateway 128pcs, but around 50pcs is recommended. Group Qty max. for each sensor getting added 8 Groups
Caution:
This device complies with Part 15 of the FCC rules and Industry Canada license‐exempt RSS standard(s). Operation is subject to the following two conditions: (1) this device may not cause harmful interference, and (2) this device must accept any interference received, including interference that may cause undesired operation. The manufacturer is not responsible for any radio or TV interference caused by unauthorized modifications or change to this equipment. Such modifications or change could void the user’s authority to operate the equipment. This radio transmitter (identify the device by certification number or model number if Category II) has been approved by Industry Canada to operate with the antenna types listed below with the maximum permissible gain indicated. Antenna types not included in this list, having a gain greater than the maximum gain indicated for that type, are strictly prohibited for use with this device. This equipment has been tested and found to comply with the limits for a Class B digital device, pursuant to part 15 of the FCC Rules. These limits are designed to provide reasonable protection against harmful interference in a residential installation. This equipment generates, uses and can radiate radio frequency energy and, if not installed and used in accordance with the instructions, may cause harmful interference to radio communications. However, there is no guarantee that interference will not occur in a particular installation. If this equipment does cause harmful interference to radio or television reception, which can be determined by turning the equipment off and on, the user is encouraged to try to correct the interference by one or more of the following measures:
- Reorient or relocate the receiving antenna.
- Increase the separation between the equipment and receiver.
- Connect the equipment into an outlet on a circuit different from that to which the receiver is connected.
- Consult the dealer or an experienced radio/TV technician for help.
The device has been evaluated to meet general RF exposure requirement. To maintain compliance with FCC’s RF exposure guidelines, this equipment should be installed and operated with a minimum distance of 20cm between the radiator and your body.































