HBIR32 HBIR32/R
HBIR32/H HBIR32/RH
Installation and Instruction Manual
PIR Standalone Motion Sensor with 5.0 SIG Mesh Two DALI Channels Output
Technical Specifications
| Operation frequency | 2.4 GHz – 2.483 GHz |
| Transmission power | 4 dBm |
| Range (Typical indoor) | 10~30m |
| Protocol | |
| Operating voltage | 220~240VAC 50/60Hz |
| Stand-by power | <1W |
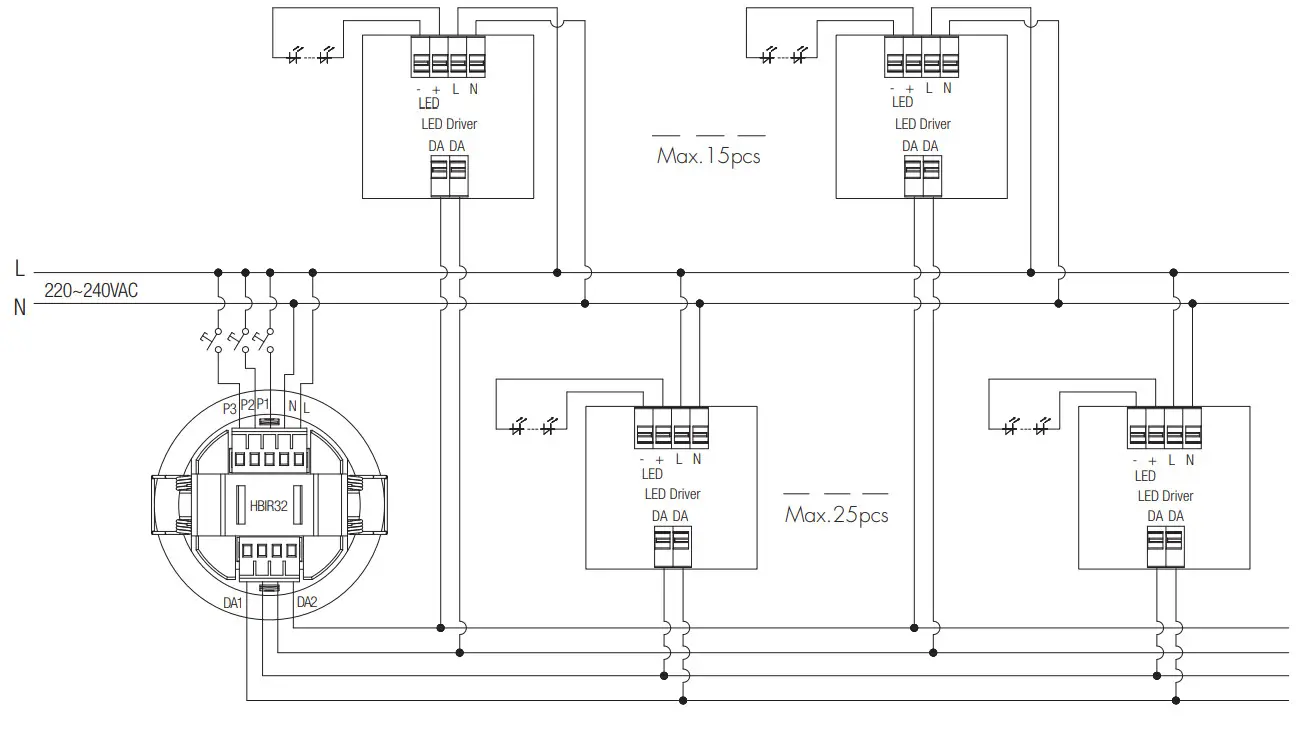
| DALI Channel 1 | 50mA, Max. 25 LED drivers |
| DALI Channel 2 | 30mA, Max. 15 LED drivers |
| Sensor principle | PIR detection |
| Detection range (Max.)* HBIR32 | Installation Height: 6m Detection Range (Ø) :9m |
| Detection range (Max.)* HBIR32/R | Installation Height: 6m Detection Range(Ø) :10m |
| Detection range (Max.)* HBIR32/H | Installation height:15m (forklift) 12m (person) Detection range (Ø):24m |
| Detection range (Max.)* HBIR32/RH | Installation height:20m (forklift), 12m (person) Detection range (Ø):40m |
| Detection angle | 360° |
| Operation temperature | Ta:-20°C~+50°C |
| IP rating | IP20 |
| EMC standard (EMC) | EN55015, EN61000, EN61547 |
| Safety standard (LVD) | EN60669-1/-2-1 AS/NZS60669-1/-2-1 |
| RED | EN300328, EN301489-1/-17 |
| Certification | CB, CE , EMC, RED, RCM |
Download the App
Free App for set-up and commissioning
5.0 SIG mesh
![]() | ![]() |
| Smartphone app for both iOS & Android platforms | https://apps.apple.com/cn/app/koolmesh/id1483721878 https://play.google.com/store/apps/detailsid=com.koolmesh.sig |
![]() | |
| Cool mesh Pro app for iPad | https://apps.apple.com/cn/app/koolmesh/id1570378349 |
![]() | |
| Web app/platform: www.iot.koolmesh.com | www.hytronik.com |
Installation
Mechanical Structure & Dimensions
- Ceiling (drill hole φ66~68mm)
- Carefully prise off the cable clamps.
- Make connections to the pluggable terminal blocks.
- Insert plug connectors and secure using the provided cable clamps, then clip terminal covers to the base.
- Fit detection blind (if required) and desired lens.
- Clip fascia to the body.
- Bend back springs and insert them into the ceiling.
Wire Preparation
Pluggable screw terminal. It is recommended to make connections to the terminal before fitting to the sensor.
Wiring Diagram
Dimming Interface Operation Notes
Switch-Dim
The provided Switch-Dim interface allows for a simple dimming method using commercially available non-latching (momentary) wall switches. Detailed Push switch configurations can be set on the Koolmesh app.
| Switch Function | Action | Descriptions |
| Push switch | Short press (<1 second) ‘ Short press has to be longer than 0.15, or it will be invalid. | – Turn on/off – Recall a scene – Turn on only – Exit manual mode – Turn off only – Do nothing |
| Double push | – Turn on only – Exit manual mode – Turn off only – Do nothing – Recall a scene | |
| Long press (z1 second) – Colour tuning | – Dimming – Do nothing | |
| Simulate sensor | / | – Upgrade a normal on/off motion sensor to a Bluetooth-controlled motion sensor |
Detection Pattern & Optional Accessories
1. HBIR32 (Low-bay)
HBIR32: Low-bay flat lens detection pattern for single person @ Ta = 20ºC (Recommended ceiling mount installation height 2.5m-6m)
| Mount height | Tangential (A) | Radial (B) |
| 2.5m | max 50m²(Ø = 8m) | max 13m²(Ø = 4m) |
| 3m | max 64m²(Ø = 9m) | max 13m²(Ø = 4m) |
| 4m | max 38m²(Ø = 7m) | max 13m²(Ø = 4m) |
| 5m | max 38m²(Ø = 7m) | max 13m²(Ø = 4m) |
| 6m | max 38m²(Ø = 7m) | max 13m²(Ø = 4m) |
Optional Accessory — Ceiling/Surface Mount Box: HA03

Optional Accessory — Blind Insert for Blocking Certain Detection Angles

HBIR32/R (Reinforced Low-bay)

HBIR32/R: Low-bay convex lens detection pattern for single person @ Ta = 20ºC (Recommended ceiling mount installation height 2.5m-6m)
| Mount height | Tangential (A) | Radial (B) |
| 2.5m | max 79m²(Ø = 10m) | max 20m²(Ø = 5m) |
| 3m | max 79m²(Ø = 10m) | max 20m²(Ø = 5m) |
| 4m | max 64m²(Ø = 9m) | max 20m²(Ø = 5m) |
| 5m | max 50m²(Ø = 8m) | max 20m²(Ø = 5m) |
| 6m | max 50m²(Ø = 8m) | max 20m²(Ø = 5m) |
Optional Accessory — Ceiling/Surface Mount Box: HA03

HBIR32/H (High-bay)

HBIR32/H: High-bay lens detection pattern for forklift @ Ta = 20ºC (Recommended ceiling mount installation height 10m-15m)
| Mount height | Tangential (A) | Radial (B) |
| 10m | max 380m ²(Ø = 22m) | max 201m²(Ø = 16m) |
| 11m | max 452m ²(Ø = 24m) | max 201m²(Ø = 16m) |
| 12m | max 452m ²(Ø = 24m) | max 201m²(Ø = 16m) |
| 13m | max 452m ²(Ø = 24m) | max 177m²(Ø = 15m) |
| 14m | max 452m ²(Ø = 24m) | max 133m²(Ø = 13m) |
| 15m | max 452m²(Ø = 24m) | max 113m²(Ø = 12m) |

HBIR32/H: High-bay lens detection pattern for single person @ Ta = 20ºC (Recommended ceiling mount installation height 2.5m-12m)
| Mount height | Tangential (A) | Radial (B) |
| 2.5m | max 50m ²(Ø = 8m) | max 7m²(Ø = 7m) |
| 6m | max 4104m ²(Ø = 11.5m) | max 7m²(Ø = 7m) |
| 8m | max 154m ²(Ø = 14m) | max 7m²(Ø = 7m) |
| 10m | max 227m ²(Ø = 17m) | max 7m²(Ø = 7m) |
| 11m | max 269m ²(Ø = 2418.5m) | max 7m²(Ø = 7m) |
| 12m | max 314m²(Ø = 20m) | max 7m²(Ø = 7m) |
Optional Accessory — Ceiling/Surface Mount Box: HA03
Optional Accessory — Blind Insert for Blocking Certain Detection Angles
HBIR32/RH (Reinforced High-bay with 3-Pyro)

HBIR32/RH: Reinforced high-bay lens detection pattern for forklift @ Ta = 20ºC (Recommended ceiling mount installation height 10m-15m)
| Mount height | Tangential (A) | Radial (B) |
| 10m | max 346m 2 (Ø = 21m) | max 177m²(Ø = 15m) |
| 11m | max 660m max 907m 2 | max 177m²(Ø = 15m) |
| 12m | (Ø = 29m)²(Ø = 34m) | max 154m²(Ø = 14m) |
| 13m | max 962m²(Ø = 35m) | max 154m²(Ø = 14m) |
| 14m | max 1075m²(Ø = 37m) | max 113m²(Ø = 12m) |
| 15m | max 1256m²(Ø = 40m) | max 113m²(Ø = 12m) |
| 20m | max 707m²(Ø = 30m) | max 113m²(Ø = 12m) |

HBIR32/RH: Reinforced high-bay lens detection pattern for single person @ Ta = 20OC (Recommended ceiling mount installation height 2.5m-12m)
| Mount height | Tangential (A) | Radial (B) |
| 2.5m | max 38m ²(Ø = 7m) | max 7m²(Ø = 3m) |
| 6m | max 154m ²(Ø = 14m) | max 7m²(Ø =3m) |
| 8m | max 314m ²(Ø = 20m) | max 7m²(Ø =3m) |
| 10m | max 531m ²(Ø =26m) | max 7m²(Ø = 3m) |
| 11m | max 615m ²(Ø = 28m) | max 7m²(Ø =3m) |
| 12m | max 707m²(Ø = 30m) | max 7m²(Ø =3m) |
Optional Accessory — Ceiling/Surface Mount Box: HA03

Additional Information / Documents
- To learn more about detailed product features/functions, please refer to www.hytronik.com/download ->knowledge ->Introduction of App Scenes and Product Functions
- Regarding precautions for Bluetooth product installation and operation, please kindly refer to www.hytronik.com ->download/knowledge ->Bluetooth Products – Precautions for Product Installation and Operation
- Datasheet is subject to change without notice. Please always refer to the most recent release on www.hytronik.com/products/bluetooth technology ->Bluetooth Sensors
- Regarding Hytronik standard guarantee policy, please refer to www.hytronik.com/download ->knowledge ->Hytronik Standard Guarantee Policy

WWW.HYTR0NIK.COM
Subject to change without notice.



















