
HBIR29
Installation and Instruction Manual
PIR Standalone Motion Sensor with 5.0 SIG Mesh
One DALI Channel Output
Technical Specifications
| Operation frequency | 2.4 GHz – 2.483 GHz |
| Transmission power | 4 dBm |
| Range (Typical indoor) | 10~30m |
| Protocol | |
| Stand-by power | <1W |
| Operating voltage | 220~240VAC 50/60Hz |
| Switched power | 20s |
| Warming-up | Max. 40 devices, 80mA |
| Sensor principle | PIR detection |
| Detection range (Max.)* HBIR29 | Installation Height : 5m Detection Range (Ø) :10m @ 3m height |
| Detection range (Max.)* HBIR29/H | Installation height :15m (forklift) 12m (person) Detection range (Ø) :20m |
| Detection angle | 360 ° |
| Operation temperature | Ta:-20° C~+50° C |
| IP rating | IP20 |
| EMC standard (EMC) | EN55015, EN61000, EN61547 |
| Safety standard (LVD) | EN60669-1/-2-1 AS/NZS60669-1/-2-1 |
| RED | EN300328, EN301489-1/-17 |
| Certification | CB, CE , EMC, RED, RCM |
Download the App
Free App for set-up and commissioning

Dimming Interface Operation Notes Switch-Dim
The provided Switch-Dim interface allows for a simple dimming method using commercially available non-latching (momentary) wall switches. Detailed Push switch configurations can be set on Koolmesh app.
Switch Function | Action | Descriptions |
| Push switch | Short press (<1 second) * Short press has to be longer than 0.1s, or it will be invalid. | – Turn on/off – Recall a scene – Turn on only – Exit manual mode – Turn off only – Do nothing |
Double push | – Turn on only – Exit manual mode – Turn off only – Do nothing – Recall a scene | |
Long press (1 second) | – Dimming – Colour tuning – Do nothing | |
| Simulate sensor | / | – Upgrade a normal on/off motion sensor to a Bluetooth controlled motion sensor |
Installation
Mechanical Structure & Dimensions



- Ceiling (drill hole φ66~68mm)
- Carefully prise off the cable clamps.
- Make connections to the pluggable terminal blocks.
- Insert plug connectors and secure using the provided cable clamps, then clip terminal covers to the base.
- Fit detection blind (if required) and desired lens.
- Clip fascia to body.
- Bend back springs and insert into ceiling.
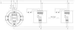
Wiring Diagram

Wire Preparation

Detection Range
HBIR29
| Lens | Max. Detection | With Blind A | With Blind B |
Convex![]() | Height: 3m Max. range (0):10m | Height: 3m Max. range (0): 5m | Height: 3m Max. range (0): 8m |
Flat![]() | Height 3m Max. range (0): 9m | Height 3m Max. range (0): 4.5m | Height: 3m Max. range (0): 7m |
![]() | ![]() | Installation height | 15m (forklift) |
| 12m (person) | |||
| Detection range (0) | 20m |
Additional Information / Documents
- To learn more about detailed product features/functions, please refer to www.hytronik.com/download ->knowledge ->Introduction of App Scenes and Product FunctionsInstallation
- Regarding precautions for Bluetooth product installation and operation, please kindly refer to www.hytronik.com/download ->knowledge ->Bluetooth Products – Precautions for Product Installation and Operation
- Data sheet is subject to change without notice. Please always refer to the most recent release on www.hytronik.com/products/bluetooth technology ->Bluetooth Sensors
- Regarding Hytronik standard guarantee policy, please refer to www.hytronik.com/download ->knowledge ->Hytronik Standard Guarantee Policy

WWW.HYTRONIK.COM
Subject to change without notice.
HBIR29-20200316-A0





















