HBIR32 HBIR32/R HBIR32/W
HBIR32/H HBIR32/RH
Installation and Instruction Manual
PIR Standalone Motion Sensor with
5.0 SIG Mesh Two DALI Channels Output
Technical Specifications
| Operation frequency | 2.4 GHz – 2.483 GHz |
| Transmission power | 4 dBm |
| Range (Typical indoor) | 10~30m |
| Protocol | 5.0 SIG Mesh |
| Operating voltage | 220~240VAC 50/60Hz |
| Stand-by power | <1W |
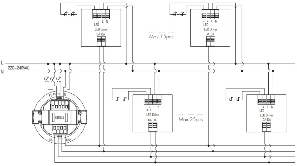
| DALI Channel 1 | 50mA, Max. 25 LED drivers |
| DALI Channel 2 | 30mA, Max. 15 LED drivers |
| Sensor principle | PIR detection |
| Detection range (Max.)* HBIR32 | Installation Height : 6m Detection Range (Ø) :9m |
| Detection range (Max.)* HBIR32/R | Installation Height : 6m Detection Range(Ø) :10m |
| Detection range (Max.)* HBIR32/W | Installation Height : 6m Detection Range(Ø) :18m |
| Detection range (Max.)* HBIR32/H | Installation height:15m (forklift) 12m (person) Detection range (Ø):24m |
| Detection range (Max.)* HBIR32/RH | Installation height:20m (forklift) 12m (person) Detection range (Ø):40m |
| Detection angle | 360O |
| Operation temperature | Ta:-20OC~+50OC |
| IP rating | IP20 |
| EMC standard (EMC) | EN55015, EN61000, EN61547 |
| Safety standard (LVD) | EN60669-1/-2-1 AS/NZS60669-1/-2-1 |
| RED | EN300328, EN301489-1/-17 |
| Certification | CB, CE , EMC, RED, RCM |
Download the App
Free App for set-up and commissioning

| https://apps.apple.com/cn/app/koolmesh/id1483721878 | https://play.google.com/store/apps/details?id=com.koolmesh.sig |
Smartphone app for both iOS & Android platform
https://apps.apple.com/cn/app/koolmesh/id1570378349
Web app/platform: www.iot.koolmesh.com
Installation
Mechanical Structure & Dimensions
- Ceiling (drill hole φ66~68mm)
- Carefully prise off the cable clamps.
- Make connections to the pluggable terminal blocks.
- Insert plug connectors and secure using the provided cable clamps, then clip terminal covers to the base.
- Fit detection blind (if required) and desired lens.
- Clip fascia to body.
- Bend back springs and insert into ceiling.
Wire Preparation
Pluggable screw terminal. It is recommended to make connections to the terminal before fitting to the sensor.
- 200 metres (total) max. for 1mm² CSA (Ta = 50 ℃)
- 300 metres (total) max. for 1.5mm² CSA (Ta = 50 ℃)
Wiring Diagram
Dimming Interface Operation Notes
Switch-Dim
The provided Switch-Dim interface allows for a simple dimming method using commercially available non-latching (momentary) wall switches. Detailed Push switch configurations can be set on Koolmesh app.
| Switch Function | Action | Descriptions |
| Push switch | Short press (<1 second) * Short press has to be longer than 0.1s, or it will be invalid. | – Turn on/off – Recall a scene – Turn on only – Exit manual mode – Turn off only – Do nothing |
| Double push | – Turn on only – Exit manual mode – Turn off only – Do nothing – Recall a scene | |
| Long press (≥1 second) | – Dimming – Colour tuning – Do nothing | |
| Simulate sensor | / | – Upgrade a normal on/off motion sensor to a Bluetooth controlled motion sensor |
Detection Pattern & Optional Accessories
1. HBIR32 (Low-bay)
HBIR32: Low-bay flat lens detection pattern for single person @ Ta = 20ºC (Recommended ceiling mount installation height 2.5m-6m)
| Mount height | Tangential (A) | Radial (B) |
| 2.5m | max 50m2 (0= 8m) | max 13m’ (0= 4m) |
| 3m | max 64m2 (0= 8m) | max 13m2 (0= 4m) |
| 4m | max 38m2 (0= 8m) | max 13m’ (0= 4m) |
| 5m | max 38m2 (0= 8m) | max 13m2 (0= 4m) |
| 6m | max 38m2 (0= 8m) | max 13m’ (0= 4m) |
Optional Accessory — Ceiling/Surface Mount Box: HA03
Optional Accessory — Blind Insert for Blocking Certain Detection Angles
2. HBIR32/R (Reinforced Low-bay)
HBIR32: Low-bay flat lens detection pattern for single person @ Ta = 20ºC (Recommended ceiling mount installation height 2.5m-6m)
| Mount height | Tangential (A) | Radial (B) |
| 2.5m | max 79m2 (Ø = 10m) | max 20m2 (Ø = 5m) |
| 3m | max 79m2 (Ø = 10m) | max 20m2 (Ø = 5m) |
| 4m | max 64m2 (Ø = 9m) | max 20m2 (Ø = 5m) |
| 5m | max 50m2 (Ø = 8m) | max 20m2 (Ø = 5m) |
| 6m | max 50m2 (Ø = 8m) | max 20m2 (Ø = 5m) |
Optional Accessory — Ceiling/Surface Mount Box: HA03
Optional Accessory — Blind Insert for Blocking Certain Detection Angles
3. HBHC25/W (Wide range Low-bay)
HBIR32: Low-bay flat lens detection pattern for single person @ Ta = 20ºC (Recommended ceiling mount installation height 2.5m-6m)
| Mount height | Tangential (A) | Radial (B) |
| 2.5m | max 254m² (Ø = 18m) | max 28m² (Ø = 6m) |
| 3m | max 254m² (Ø = 18m) | max 28m² (Ø = 6m) |
| 4m | max 154m² (Ø = 14m) | max 28m² (Ø = 6m) |
| 5m | max 113m² (Ø = 12m) | max 28m² (Ø = 6m) |
| 6m | max 79m² (Ø = 10m) | max 13m² (Ø = 4m) |
Ceiling/Surface Mount Accessory HA03: Default IP20, IP65 can be request with extra big & small water-proof gaskets
Big and small silicon gasket used to make IP54 degree protection when HBIR32 series device mounted into HA03 housing for ceiling mount
Placement Guide and Typical Range
The smart device with the App installed will have a typical range of 10m, but varies from device to device. During commissioning, the installer will need to be in range of the devices when searching for devices to add to the network.
Once the devices have been added to the network via the App, the devices will start communicating within the wireless mesh. This means that once the network is complete, all devices are accessible from the smart device when in a 20m range of a single point.
4. HBIR32/H (High-bay)
HBIR32/R: High-bay lens detection pattern for forklift @ Ta = 20ºC (Recommended ceiling mount installation height 10m-15m)
| Mount height | Tangential (A) | Radial (B) |
| 10m | max 380m2 (Ø = 22m) | max 201m2 (Ø = 16m) |
| 11m | max 452m2 (Ø = 24m) | max 201m2 (Ø = 16m) |
| 12m | max 452m2 (Ø = 24m) | max 201m2 (Ø = 16m) |
| 13m | max 452m2 (Ø = 24m) | max 177m2 (Ø = 15m) |
| 14m | max 452m2 (Ø = 24m) | max 133m2 (Ø = 13m) |
| 15m | max 452m2 (Ø = 24m) | max 113m2 (Ø = 12m) |
HBIR32/H: High-bay lens detection pattern for single person @ Ta = 20ºC (Recommended ceiling mount installation height 2.5m-12m)
| Mount height | Tangential (A) | Radial (B) |
| 2.5m | max 50m2 (Ø = 8m) | max 7m2 (Ø = 3m) |
| 6m | max 104m2 (Ø = 11.5m) | max 7m2 (Ø = 3m) |
| 8m | max 154m2 (Ø = 14m) | max 7m2 (Ø = 3m) |
| 10m | max 227m2 (Ø = 17m) | max 7m2 (Ø = 3m) |
| 11m | max 269m2 (Ø = 18.5m) | max 7m² (Ø = 3m) |
| 12m | max 314m2 (Ø = 20m) | max 7m² (Ø = 3m) |
Optional Accessory — Ceiling/Surface Mount Box: HA03
Optional Accessory — Blind Insert for Blocking Certain Detection Angles
5. HBIR32/RH (Reinforced High-bay with 3-Pyro)
HBIR32/RH: Reinforced high-bay lens detection pattern for forklift @ Ta = 20ºC (Recommended ceiling mount installation height 10m-15m)
| Mount height | Tangential (A) | Radial (B) |
| 10m | max 346m2 (Ø = 21m) | max 177m2 (Ø = 15m) |
| 11m | max 660m2 (Ø = 29m) | max 177m2 (Ø = 15m) |
| 12m | max 907m2 (Ø = 34m) | max 154m2 (Ø = 14m) |
| 13m | max 962m2 (Ø = 35m) | max 154m2 (Ø = 14m) |
| 14m | max 1075m2 (Ø = 37m) | max 113m2 (Ø = 12m) |
| 15m | max 1256m2 (Ø = 40m) | max 113m2 (Ø = 12m) |
| 20m | max 707m2 (Ø = 30m) | max 113m2 (Ø = 12m) |
HBIR32/RH: Reinforced high-bay lens detection pattern for single person @ Ta = 20OC (Recommended ceiling mount installation height 2.5m-12m)
| Mount height | Tangential (A) | Radial (B) |
| 2.5m | max 38m2 (Ø = 7m) | max 7m2 (Ø = 3m) |
| 6m | max 154m2 (Ø = 14m) | max 7m2 (Ø = 3m) |
| 8m | max 314m2 (Ø = 20m) | max 7m2 (Ø = 3m) |
| 10m | max 531m2 (Ø = 26m) | max 13m2 (Ø = 4m) |
| 11m | max 615m2 (Ø = 28m) | max 13m2 (Ø = 4m) |
| 12m | max 707m2 (Ø = 30m) | max 13m2 (Ø = 4m) |

Additional Information / Documents
- To learn more about detailed product features/functions, please refer to www.hytronik.com/download ->knowledge ->Introduction of App Scenes and Product Functions
- Regarding precautions for Bluetooth product installation and operation, please kindly refer to www.hytronik.com ->download/knowledge ->Bluetooth Products – Precautions for Product Installation and Operation
- Data sheet is subject to change without notice. Please always refer to the most recent release on www.hytronik.com/products/bluetooth technology ->Bluetooth Sensors
- Regarding Hytronik standard guarantee policy, please refer to www.hytronik.com/download ->knowledge ->Hytronik Standard Guarantee Policy
WWW.HYTRONIK.COM
Subject to change without notice.
HBIR32-20210813-A0
















