HOFTRONIC 4401344 PIR Motion Sensor

INSTALLATION INSTRUCTIONS
- Removing the cover

- Removing the bottom.

- Removing the bottom in two parts.

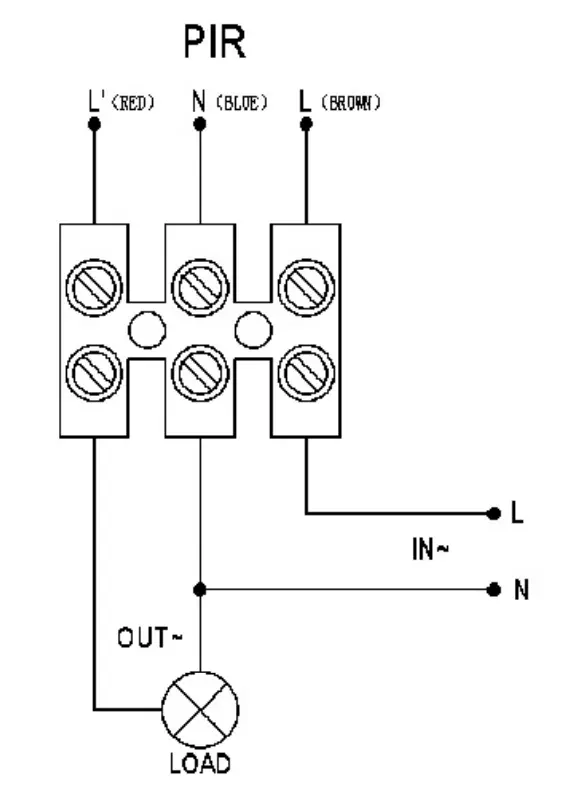
- Wiring the motion sensor.

- Setting the time and LUX settings.

- Height of installation: 1.8-2.5m.
Detection Distance: Max.10m.
INSTALLATION MANUAL
- Unload the cover near the detection window and adjust the TIME and LUX knob. If you need detection range less then 360°, you can install the plastic cover above the detection window.
(img.1). Unscrew the screw below the detection window and unload the bottom (img.2). Also unscrew the two screws at the bottom and unload the bottom into two parts. (img.3) - Find the wire hole at the bottom and pass the power wire through the hole. Connect the power with the connection-wire column according to the Connection-wire Diagram.
- Fix the bottom on the selected position with the inflated screw.
- Fix the sensor at the bottom and tighten the screw. Switch on the power and then you can test it.
- Turn the TIME knob anti-clockwise on the minimum (10s). Turn the LUX knob clockwise on the maximum (sun).
- Switch on the power; the sensor and its connected lamp will have no signal at the beginning.
After Warm-up 30sec, the sensor can start work .If the sensor receives the induction signal, the lamp will turn on. While there is no another induction signal any more, the load should stop working within 10sec±3sec and the lamp would turn off. - Turn LUX knob anti-clockwise on the minimum (3LUX). If the ambient light is more than 3LUX, the sensor would not work and the lamp stop working too. If the ambient light is less than 3LUX (darkness), the sensor would work. Under no induction signal condition, the sensor should stop working within 10sec±3sec.
- Turn LUX knob at position

, the sensor will only work as a Photocell. When ambient natural light is less than 15Lux, the sensor will work and turn on the lamp, and when the natural light is more than 50Lux, the sensor will switch off the lamp. The sensor will not respond to lights less than 600LUX from LED or Energy-saving lamps if ambient natural light does not reach more than 50Lux.
Note: when testing in daylight, please turn LUX knob to (sun) position, otherwise the sensor could not work!
TECHNICAL SPECIFICATION
DETECTION RANGE: 240°
VOLTAGE: 220-240V/AC
FREQUENCY: 50/60Hz
RATED LOAD: 1200W (Incandescent lamp) 600W (Energy-saving lamp & LED lamp)
DETECTION DISTANCE: max. 10m (<24°)
TIME DELAY: 10sec ± 3sec to 15min ± 2min (adjustable)
AMBIENT LIGHT: <3-2000LUX (adjustable)
INSTALLATION HEIGHT: 1.8-2.5m
FREQUENTLY ASKED QUESTIONS
- WHY DOES THE LOAD NOT WORK?
1.) Please check if the connection of power source and load is correct.
2.) Please check if the load is good.
3.) Please check if the ambient light setting correspond to the ambient light. - WHY IS THE SENSITIVITY POOR?
1.) Please check if there is any hindrance in front of the detector to affect it to receive the signals.
2.) Please check if the ambient temperature is too high.
3.) Please check if the induction signal source is in the detection field.
4.) Please check if the installation height corresponds to the height required in the instruction.
5.) Please check if the moving orientation is correct.
INTENDED USE / APPLICATION
Product designed for the use in households and for other similar general applications
MOUNTING
Technical changes reserved. Read the manual before mounting. Mounting should be performed by an appropriately qualified person. Any activities to be done with disconnected power supply. Exercise particular caution. Product has a protective contact/terminal. Failure to connect the protective lead may lead to electric shock. Mounting diagram: see pictures. Check for proper mechanical fastening and connection to electrical power prior to first use. The product can be connected to a supply network which meets energy quality standards as prescribed by law. To maintain the proper IP protection level, the right diameter of the power cable should be selected for the cable gland used in the product.
FUNCTIONAL CHARACTERISTICS
Product can be used indoors.
USAGE GUIDELINES / MAINTENANCE
Any maintenance work must be performed when the power supply is cut off and the product has cooled down. Clean only with soft and dry cloths. Do not use chemical detergents. Do not cover the product. Ensure free air access. Product may heat up to a higher temperature. Product can only be supplied by rated voltage or voltage within the range provided. It’s forbidden to use the product with damaged protective cover. Product must not be used in unfavourable conditions, e.g. dust, water, moisture, vibrations, explosive air atmosphere, fumes, or chemical fumes, etc. Non-demountable product. Not suitable for independent repairs.
ENVIRONMENTAL PROTECTION
Keep your environment clean. Segregation of post packaging waste is recommended. This labelling indicates the requirement to selectively collect waste electronic and electrical equipment. Products labelled in this way must not be disposed of in the same way as other waste under the threat of a fine. These products may be harmful to the natural environment and health, and require a special form of recycling/neutralising.
Products labelled in this way should be returned to a collection facility for waste electrical and electronic goods. Information on collection centres is provided by local authorities or sellers of such goods. Used items can also be returned to the seller when new product is purchased, in quantity no larger than the purchased item of the same type. The above rules regard the EU area. In the case of other countries, regulations in force in a given country must be applied. Contacting the distributor of our products in a given area is recommended.
COMMENTS / GUIDELINES
Failure to follow these instructions may result in e.g. fire, burns, electrical shock, physical injury and other material and non-material damage. For more information about Hoftronic products visit www.hoftronic.com. Hoftronic shall not be responsible for any damage resulting from the failure to follow these instructions. Hoftronic reserves the right to make changes in the manual – the current version can be downloaded at www.hoftronic.com.
DECLARATION OF CONFORMITY
DOCUMENTATION
This product has been manufactured and supplied in compliance with all relevant regulations and directives applicable to all member states of the European Union. The product complies with all applicable regulations and rules in the country of sale.
Formal documentation such as the declaration of conformity, the safety data sheet and the product test report is available upon request.
CE DECLARATION
The product complies with the following directives:
LVD: 2014/35/EU
EMC: 2014/30/EU
RoHS: 2011/65/EU
The complete Declaration of Conformity Document (DOC) is available upon request.
Imported by
HOF Trading B.V.
Graafschap Hornelaan 137 A
6001 AC Weert
The Netherlands
www.hoftronic.com
Made in P.R.C.























