PNI HS004 PIR Motion Sensor

Technical specifications
- Power supply: 6F22 9V battery
- Standby current: <15µA
- Alarm current: <25mA
- Immunity to animals <15kg
- Operating temperature: -26°C ~ + 80°C
- Detection angle: 110°
- Detection range: up to 12 meters
- Installation height: 1.7 – 2.5 meters (we recommend 2.2 meters). Note: Do not install the sensor near heat sources or in direct sunlight.
- Frequency: 433MHz
- Transmission power: 10 mW
- Communication distance: up to 100 meters (in open field)
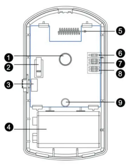
Product Overview
- Thermoluminescence
- Infrared sensor
- Tamper
- Battery
- Antenna
- LED indicator switch
- Change operating mode
- Sensitivity setting
- LED indicator
The PIR motion sensor PNI HS004 can detect human presence by the automatic temperature compensation method. When the intruder enters the range of the sensor, the sensor will send a signal to the alarm system it is paired with. Compatible alarm systems: PNI SafeHouse HS600, PNI SafeHouse HS650, PNI SafeHouse HS550.
LED indicator
- Sensor on: The LED flashes for 1 second
- Intruder detection: LED on for 3 seconds
- Low battery: The LED flashes for 3 seconds
Tamper function
This sensor has a Tamper switch. If an attempt is made to open the sensor housing, the indicator LED will stay lit for 3 seconds (if the battery is discharged, the LED will flash for 3 seconds) and the sensor will send an alarm signal to the alarm system.
Set operating mode
You can set two operating modes, Test and Normal, by moving the corresponding jumper.
Jumper meaning:

- Jumper on

- Jumper off
![]() | ![]() | Test |
![]() | ![]() | Normal |
Set sensitivity
![]() | ![]() | High sensitivity (default) |
![]() | ![]() | Standard sensitivity |
![]() | ![]() | Low sensitivity |
Set indicator LED
![]() | The indicator LED lights up when the sensor detects human presence |
![]() | The indicator LED does not light up when the sensor detects human presence |
Testing the sensor
Move the ON/OFF button to the ON position. The LED indicator will flash for 30 seconds, afterwards the sensor will enter normal operation mode. Set the sensor to TEST mode. Move back and forth in front of the sensor. The LED indicator lights up and will send a signal to the alarm system.
Simplified EU declaration of conformity
SC ONLINESHOP SRL declares that PIR Motion Sensor PNI HS004 is in accordance with EMC Directive 2014/30/EU and RED Directive 2014/53/ EU. The full text of the EU Declaration of Conformity is available at the following website:
https://www.mypni.eu/products/8075/download/certifications




















