
HIR27 HIR27/R
HIR27/H HIR27/RH
Installation and Instruction Manual
FLUSH MOUNT PIR MOTION SENSOR
One DALI Channel Output
Technical Specifications
| Mains voltage | <0.5W |
| Stand-by power | 220~240VAC 50/60Hz |
| Switched power | Max. 40pcs devices, 80mA |
| Warming-up | Appr. 20s |
| Sensor principle | PIR detection |
| Detection range (Max.)* HIR27 | Installation height : 6m Detection Range (Ø) :9m |
| Detection range (Max.)* HIR27/R | Installation height : 6m Detection Range(Ø) :10m |
| Detection range (Max.)* HIR27/H | Installation height:15m (forklift) 12m (person) Detection range (Ø):24m |
| Detection range (Max.)* HIR27/RH | Installation height:20m (forklift) 12m (person) Detection range (Ø):40m |
| Detection angle | 360° |
| Operation temperature | Ta: -20°C ~ +50°C |
| IP rating | IP20 |
| EMC standard (EMC) | EN55015, EN61000, EN61547 |
| Safety standard (LVD) | EN60669-1, EN60669-2-1, AS/NES60669-1/-2-1 |
| Certification | CB, CE , EMC, LVD, RCM, ROHS compliance |
Installation

- Ceiling (drill hole 65mm)
- Carefully prise off the cable clamps.
- Make connections to the pluggable terminal blocks.
- Insert plug connectors and secure using the provided cable clamps, then clip terminal covers to the base.
- Fit detection blind (if required) and desired lens.
- Clip fascia to the body.
- Bend back springs and insert them into the ceiling.
Functions
3.1 Daylight Harvest (Daylight Regulating)
The daylight sensor measures the available surrounding natural light and calculates how much electrical light is needed to reach the total lux expected. The demand is given to the LED driver by the DALI signal, so as to deliver the needed amount of electric light.

3.2 Manual Override
With the help of a push-switch, this sensor can be overridden by the end-user to manually switch on/off the light, which makes the product more user-friendly and offers more options to fit some extra-ordinary demands:
* Short Push (<1s): on/off function;
On → Off: the light turns off immediately and cannot be triggered ON by motion until the expiration of pre-set hold-time. After this period, the sensor goes back to normal sensor mode.
Off → On: the light turns on and goes to sensor mode, no matter if the ambient Lux level exceeds the daylight threshold or not.
* Long Push (>1s): adjust the target lux level by turning the light up or down. Both the adjustment on the remote control and push switch can overwrite each other. The last adjustment remains in memory.
Note: if the end-user does not want this manual override function, just leave the “push” terminal unconnected to any wire.
3.3 Semi-auto Mode (Absence Detection)
Selecting this mode will activate the following logic:
Manual on – The lights will not switch on until they have manually been switched on at the wall switch.
The occupancy sensor is inactive whilst the lights are off.
Auto-off – When the lights are on, the sensor becomes active and monitors the space for activity. Once the area is vacated (absence selection), the sensor will automatically switch off the lights if the last person out forgets to switch off the light manually.
Note: The wall switch can be assigned to function 3.2 or 3.3, but not both. The default function is the manual override.
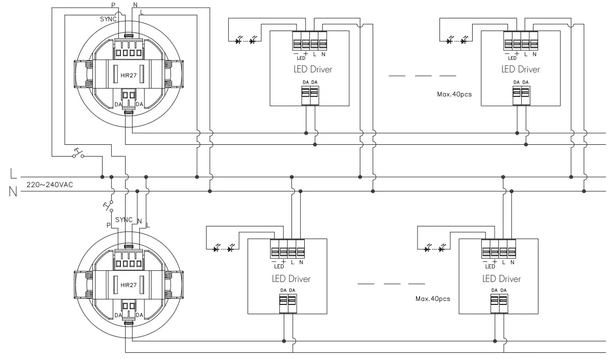
3.4 Synchronization Function
By connecting the “SYNC” terminals in parallel (see wiring diagram), no matter which sensor detects motion, all HIR27 in the group will turn on the lights when the surrounding natural light is below the daylight threshold. The detection area could be widely enlarged in this way.
Wire Preparation

Pluggable screw terminal. It is recommended to make connections to the terminal before fitting to the sensor.
Wiring Diagram


Permanent ON/OFF [ button 1]
Press the button, to select permanent ON or permanent OFF mode.
* Press the button 2/4 to quit this mode. The mode will change to AUTO Mode after power failure.
RESET[ button2 ]
Press the button, 2 all settings go back to default values as below:
Hold-time 5min, Daylight sensor 100Lux, Stand-by time: 10min, Stand-by dimming level: 20%
Shift [ button 3]
Press button 3, and the LED on the top left corner is on to indicate mode selection.
All values/settings in RED are invalid for 20 seconds.
Auto Mode [ butt 4]
Press button 4 to initiate automatic mode. The sensor starts working and all settings remain as before the light is switched ON/OFF.
Semi-auto Mode [ button 3 & 4]
- Press button 3 Shift (the red LED is on for indication).
- Press button 4 to initiate semi-auto mode. The fixture is manually on by push-switch and automatically off in semi-auto mode.
Power output [ button 5] (Daylight harvest without occupancy)
- Press the button, 3 the red LED is on for indication.
- Press the button “Twilight”, the function of movement detection is disabled.
Note: the function of “Sensor off” is disabled.
Brightness +/- [ button 6]
Press button 6 to adjust the light brightness between 10%~100%.
Scene prog. [ zone 7] (One-key-commissioning)
- Press the button “Start” to program.
- Select the buttons in 8 “Detection range”9 /10 “Daylight threshold”, 11“Hold time”12 “Stand-by time”13 “Stand-by dimming level” to set all parameters.
- Press button 7“Memory” to save all the settings programmed in the remote control.
- Press button 7“Apply” to set the settings for each sensor unit(s). For example, to set the detection range to 100%, the daylight threshold Disable, hold time 5min, stand-by time +∞, stand-by dimming level 30%, steps should be:
Press button 7 Start, button 8 100%, 10 Disable, 3 Shift, 11 5min, 3 Shift, 12 +∞ 13, 30%, 7 Memory. By pointing to the sensor unit(s) and pressing Apply, all settings are passed on to the sensor(s).
Detection range [ zone 8]
These two buttons are disabled.
Daylight threshold [ zone 9]
Press buttons in the zone 9 to set the daylight sensor at 2Lux/ 10Lux /50Lux / 100Lux / 300Lux / 500Lux / Disable.
Note: To set the daylight sensor at 100Lux / 300Lux / 500Lux, press 3 Shift button first.
Ambient daylight threshold [ button 10]
- Press button 3 Shift and the red LED starts to flash.
- Press button 10, and the ambient lux level is sampled and set as the new daylight threshold/target Lux level.
Hold time [ zone 11]
Press buttons in zone 11 to set the hold time at 2s / 30s / 1min /5min / 10min / 15min / 20min / 30min.
Note: 1.To set hold-time at 30s / 5min / 15min / 30min, press button 3 Shift at first.
2. 2s is for test purposes only, stand-by period and daylight sensor settings are disabled in this mode.
*To exit from Test mode, press the button or any button in the zone.
Stand-by time [ zone 12 ]
Press buttons 12 in zone to set the stand-by period at 0s / 10s /1min / 5min / 10min / 30min / 1h / +∞.
Note: “0s” means on/off control; “+∞” means bi-level control, 100% on when motion detected, and remains at the stand-by dimming level when no presence after hold-time.
Stand-by dimming level [ zone 13]
Press buttons in zone 13 to set the stand-by dimming level at 10% /20% / 30% / 50%.
Note: the function of 24h/12h/4h/the 30s is disabled.
Button “Dual-tech & RF mode” is disabled.
Detection Pattern & Optional Accessories
1. HIR27 (Low-bay)
HIR27: Low-bay flat lens detection pattern for single person @ Ta = 20ºC (Recommended ceiling mount installation height 2.5m-6m)
![]() | Mount height | Tangential (A) | Radial (B) |
| 2.5m | max 50m² (Ø = 8m) | max 13m² (Ø = 4m) | |
| 3m | max 64m² (Ø = 9m) | max 13m² (Ø = 4m) | |
| 4m | max 38m² (Ø = 7m) | max 13m² (Ø = 4m) | |
| 5m | max 38m² (Ø = 7m) | max 13m² (Ø = 4m) | |
| 6m | max 38m² (Ø = 7m) | max 13m² (Ø = 4m) |
Optional Accessory — Ceiling/Surface Mount Box: HA03

Optional Accessory — Blind Insert for Blocking Certain Detection Angles

2. HIR27/R (Reinforced Low-bay)
HIR27/R: Low-bay convex lens detection pattern for single person @ Ta = 20ºC (Recommended ceiling mount installation height 2.5m-6m)
![]() | Mount height | Tangential (A) | Radial (B) |
| 2.5m | max 79m² (Ø = 10m) | max 20m² (Ø = 5m) | |
| 3m | max 79m² (Ø = 10m) | max 20m² (Ø = 5m) | |
| 4m | max 64m² (Ø = 9m) | max 20m² (Ø = 5m) | |
| 5m | max 50m² (Ø = 9m) | max 20m² (Ø = 5m) | |
| 6m | max 50m² (Ø = 9m) | max 20m² (Ø = 5m) |
Optional Accessory — Ceiling/Surface Mount Box: HA03

Optional Accessory — Blind Insert for Blocking Certain Detection Angles

3. HIR27/H (High-bay)
HIR27/H: High-bay lens detection pattern for forklift @ Ta = 20ºC (Recommended ceiling mount installation height 10m-15m)
![]() | Mount height | Tangential (A) | Radial (B) |
| 10m | max 380m² (Ø = 22m) | max 201m² (Ø = 16m) | |
| 11m | max 452m² (Ø = 24m) | max 201m² (Ø = 16m) | |
| 12m | max 452m² (Ø = 24m) | max 201m² (Ø = 16m) | |
| 13m | max 452m² (Ø = 24m) | max 177m² (Ø = 15m) | |
| 14m | max 452m² (Ø = 24m) | max 133m² (Ø = 13m) | |
| 15m | max 452m² (Ø = 24m) | max 113m² (Ø = 12m) |
HIR27/H: High-bay lens detection pattern for single person @ Ta = 20ºC (Recommended ceiling mount installation height 2.5m-12m)
![]() | Mount height | Tangential (A) | Radial (B) |
| 2.5m | max 50m² (Ø = 8m) | max 7m² (Ø = 3m) | |
| 6m | max 104m² (Ø = 11.5m) | max 7m² (Ø = 3m) | |
| 8m | max 154m² (Ø = 14m) | max 7m² (Ø = 3m) | |
| 10m | max 227m² (Ø = 17m) | max 7m² (Ø = 3m) | |
| 11m | max 269m² (Ø = 18.5m) | max 7m² (Ø = 3m) | |
| 12m | max 314m² (Ø = 20m) | max 7m² (Ø = 3m) |
Optional Accessory — Ceiling/Surface Mount Box: HA03

Optional Accessory — Blind Insert for Blocking Certain Detection Angles

HIR27/RH (Reinforced High-bay with 3-Pyro)
HIR27/RH: Reinforced high-bay lens detection pattern for forklift @ Ta = 20ºC (Recommended ceiling mount installation height 10m-15m)
![]() | Mount height | Tangential (A) | Radial (B) |
| 10m | max 346m² (Ø = 21m) | max 177m² (Ø = 15m) | |
| 11m | max 660m² (Ø = 29m) | max 177m² (Ø = 15m) | |
| 12m | max 907m² (Ø = 34m) | max 154m² (Ø = 14m) | |
| 13m | max 962m² (Ø = 35m) | max 154m² (Ø = 14m) | |
| 14m | max 1075m² (Ø = 37m) | max 113m² (Ø = 12m) | |
| 15m | max 1256m² (Ø = 40m) | max 113m² (Ø = 12m) | |
| 20m | max 707m²Ø = 30m) | max 113m² (Ø = 12m) |
HIR27/RH: Reinforced high-bay lens detection pattern for single person @ Ta = 20OC (Recommended ceiling mount installation height 2.5m-12m)
![]() | Mount height | Tangential (A) | Radial (B) |
| 2.5m | max 38m² (Ø = 7m) | max 7m² (Ø = 3m) | |
| 6m | max 154m² (Ø = 14m) | max 7m² (Ø = 3m) | |
| 8m | max 314m² (Ø = 20m) | max 7m² (Ø = 3m) | |
| 10m | max 531m² (Ø = 26m) | max 13m² (Ø = 4m) | |
| 11m | max 615m² (Ø = 28m) | max 13m² (Ø = 4m) | |
| 12m | max 707m² (Ø = 30m) | max 13m² (Ø = 4m) |
Optional Accessory — Ceiling/Surface Mount Box: HA03

Additional Information / Documents
- Regarding precautions for PIR sensor installation and operation, please kindly refer to www.hytronik.com/download ->knowledge ->PIR Sensors – Precautions for Product Installation and Operation
- Regarding Hytronik’s standard guarantee policy, please refer to www.hytronik.com/download ->knowledge ->Hytronik Standard Guarantee Policy

HIR27-20210813-A0
WWW.HYTRONIK.COM























