HIR27 Flush Mount Sensor
Instruction Manual
FLUSH MOUNT PIR MOTION SENSOR
One DALI Channel Output
Technical Specifications
| Mains voltage | 220~240VAC 50/60Hz |
| Stand-by power | <0.5W |
| Switched power | Max. 40pcs devices, 80mA |
| Warming-up | Appr. 20s |
| Sensor principle | PIR detection |
| Detection range (Max.)* | Installation Height : 6m Detection Range (Ø) :9m |
| Detection angle | 360° |
| Operation temperature | Ta: -20°C ~ +50°C |
| IP rating | IP20 |
| EMC standard (EMC) | EN55015, EN61000, EN61547 |
| Safety standard (LVD) | EN60669-1, EN60669-2-1, AS/NES60669-1/-2-1 |
| Certification | UKCA, CB, CE , EMC, LVD, RCM, ROHS compliance |
Installation

- Ceiling (drill hole φ66~68mm)
- Carefully prise off the cable clamps.
- Make connections to the pluggable terminal blocks.
- Insert plug connectors and secure using the provided cable clamps, then clip terminal covers to the base.
- Fit detection blind (if required) and desired lens.
- Clip fascia to body.
- Bend back springs and insert into ceiling.
Functions
3.1 Daylight Harvest (Daylight Regulating)
Daylight sensor measures the available surrounding natural light, calculates how much electrical light is needed to reach the total lux expected. The demand is given to the LED driver by DALI signal, so as to deliver the needed amount of electric light.

3.2Manual Override
With the help of push-switch, this sensor can be over-ridden by the end-user to manually switch on/off the light, which makes the product more user-friendly and offers more options to fit some extra-ordinary demands:
* Short Push (<1s): on/off function;
On → Off: the light turns off immediately and cannot be triggered ON by motion until the expiration of pre-set hold-time. After this period, the sensor goes back to normal sensor mode.
Off → On: the light turns on and goes to sensor mode, no matter if ambient Lux level exceeds the daylight threshold or not.
* Long Push (>1s): adjust the target lux level by turning the light up or down. Both the adjustment on remote control and push switch can overwrite each other. The last adjustment remains in memory.
Note: if end-user do not want this manual override function, just leave the “push” terminal unconnected to any wire.
3.3Semi-auto Mode (Absence Detection)
Selecting this mode will activate the following logic:
Manual on – The lights will not switch on until they have manually been switched on at the wall switch.
The occupancy sensor is inactive whilst the lights are off.
Auto off – When the lights are on, the sensor becomes active and monitors the space for activity.
Once the area is vacated (absence setection), the sensor will automatically switch off the lights if the last person out forgets to switch off the light manually.
Note: The wall switch can be assigned to function 3.2 or 3.3 , but not both. The default function is manual override.
3.4Synchronisation Function
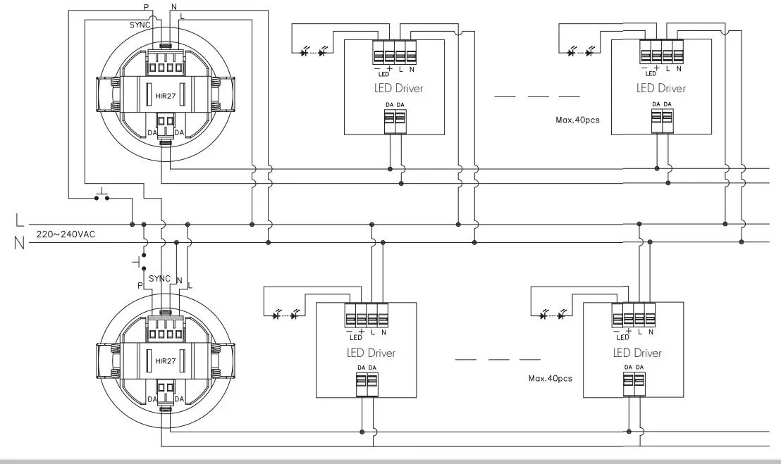
By connecting the “SYNC” terminals in parallel (see wiring diagram), no matter which sensor detects motion, all HIR27 in the group will turn on the lights when surrounding natural light is below the daylight threshold. The detection area could be widely enlarged in this way.

Pluggable screw terminal. It is recommended to make connections to the terminal before fitting to the sensor.
- 200 metres (total) max. for 1mm² CSA (Ta = 50℃)
- 300 metres (total) max. for 1.5mm² CSA (Ta = 50℃)
Wiring Diagram


Permanent ON/OFF [ button 1 ]
Press button 1 , to select permanent ON or permanent OFF mode.
- Press button 2 /4 to resume automatic operation. The mode will change to AUTO Mode after power failure.
RESET[ button2 ]
Press button 2 , all settings go back to default values as below:
Hold-time 5min, daylight threshold Disabled.
Shift [ button 3]
Press button 3, the LED on the top left corner is on for indication.
All values / settings in RED are in valid for 20 seconds.
Auto Mode [ button4 ]
Press button4 to initiate automatic mode. The sensor starts working and all settings remain as before the light was switched ON/OFF.
Note: the function of Semi-auto is disabled.
Sensor off [ button 5] (Daylight harvest without occupancy)
Note: the function of button 5 are all disabled.
Power output [ button 6 ]
Note: the function of button 6 are all disabled.
Brightness +/- [ button 7 ]
Note: the function of button 7 are all disabled.
Scene prog. [ zone 8 ] (One-key-commissioning)
- Press button “Start” to program.
- Select the buttons in 10 “Detection range”,11 12 / “Daylight threshold”,13 “Hold time”,14 “Stand-by time” to set all parameters.
- Press button “Memory” to save all the settings programmed in the remote control.
- Press button “Apply” to set the settings to each sensor unit(s).
For example, to pre-set detection range 100%, daylight threshold Disable, hold time 5min, stand-by time +∞, the steps should be as follows:
Press button 8 Start, button 10 100%,12 Disable, 3 Shift, 13 5min, 3Shift,14 +∞, Memory. By pointing to the sensor unit(s) and pressing Apply, all settings are passed on the sensor(s).
Sensor function [button 9 ]
Note: the function of button are all disabled.
Detection range [ button 10 ]
Press buttons to set detection range at 100% / 75% / 50% / 10%.
Daylight threshold [ zone11 ]
Press buttons in zone to set the daylight sensor at 2Lux / 10Lux / 50Lux / 100Lux / 300Lux / 500Lux or Disable as threshold / target Lux level.
Note: To set daylight sensor at 100Lux / 300 Lux / 500Lux, press button 3 Shift at first.
Ambient daylight threshold [ button 12]
- Press button 13 Shift, the red LED is on for in dication.
- Note:
1.To set hold-time at 30s / 5min / 15min / 30min, press button 3 Shift at first.
2. 2s is for testing purpose only, stand-by period and daylight sensor settings are disabled in this mode.
*To exit from Test mode, press button2 or any button in zone13 .
Stand-by time [ zone 14]
Press buttons in zone 14 to set the stand-by period at 0s / 10s / 1min / 5min / 10min / 30min / 1h / +∞.
Note: To set 0s, 1min, 10min, +∞, press button 3“Shift”at first.
All buttons in zone “Stand-by dimming level & Auto-config” and “Dual-tech & RF mode” are disabled.
Detection Pattern & Optional Accessories
HIR27: Low-bay flat lens detection pattern for single person @ Ta = 20ºC
(Recommended ceiling mount installation height 2.5m-6m)

| Mount height | Tangential (A) | Radial (B) |
| 2.5m | max 50m² (Ø = 8m) | max 13m² (Ø = 4m) |
| 3m | max 64m² (Ø = 9m) | max 13m² (Ø = 4m) |
| 4m | max 38m² (Ø = 7m) | max 13m² (Ø = 4m) |
| 5m | max 38m² (Ø = 7m) | max 13m² (Ø = 4m) |
| 6m | max 38m² (Ø = 7m) | max 13m² (Ø = 4m) |
Optional Accessory — Ceiling/Surface Mount Box: HA03
Big and small silicon gasket used to make IP54 degree protection when HBIR29 series device mounted into HA03 housing for ceiling mount

Optional Accessory — Blind Insert for Blocking Certain Detection Angles

Additional Information / Documents
1. Regarding precautions for PIR sensor installation and operation, please kindly refer to www.hytronik.com/download ->knowledge ->PIR Sensors – Precautions for Product Installation and Operation
2. Regarding Hytronik standard guarantee policy, please refer to www.hytronik.com/download ->knowledge ->Hytronik Standard Guarantee Polic
HIR27-20230 303-A0
WWW.HYTRONIK.COM



















