HYTRONIK HMW24 Flush Mount Microwave Dali Sensor

Technical Specifications
- Product type: Independent microwave DALI sensor (Daylight harvest)
- Operating voltage: 220~240VAC 50/60Hz
- Switched power: Maximum 20pcs devices Maximum 40mA
- Power consumption: < 0.5W
- Detection angle: 360o
- Detection area (Max.)
- Installation Height: 6m
- Detection Range (Ø):12m
- Detection range: 10% / 50% / 75% / 100%
- Hold time: 2s / 30s / 1min / 5min / 10min / 15min / 20min / 30min
- Stand-by time: 0s / 10s / 1min / 5min / 10min / 30min / 1h / +
- Stand-by dimming level: 10% / 20% / 30% / 50%
- Daylight threshold: 50 ~ 500Lux, Disable
- Warming-up time: 20s
- Operating temperature: -20oC ~ +50oC
Note: We recommend the mounting distance between sensor to sensor should be more than 2m to prevent sensors from false-triggering.
Installation
Warnings
- Installation of the sensor involves connecting it to the mains supply. This work must be carried out by a specialist in accordance with electrotechnical regulations.
- Disconnect supply before installing.

- Sensor inset
- Lens pluggable
- Protection cover (covers the high-voltage terminals, and leaves the DALI terminals exposed).
- Ceiling (drill hole O 70mm).
Rotary Switch Settings
A rotary switch is built inside the sensor for scene selection / fast programming. Total 16 channels are available

| Channel | Detection range | Hold time | Stand-by time | Stand-by dimming level | Daylight threshold |
| 0 | 100% | 5s | 10s | 10% | Disable |
| 1 | 100% | 1min | 5min | 10% | 50Lux |
| 2 | 100% | 5min | 10min | 10% | 50Lux |
| 3 | 100% | 5min | +∞ | 10% | 75Lux |
| 4 | 100% | 5min | +∞ | 10% | 100Lux |
| 5 | 100% | 5min | +∞ | 30% | 200Lux |
| 6 | 100% | 10min | 30min | 10% | 50Lux |
| 7 | 100% | 10min | +∞ | 10% | 75Lux |
| 8 | 100% | 10min | +∞ | 10% | 100Lux |
| 9 | 100% | 10min | +∞ | 30% | 200Lux |
| A | 100% | 20min | 1h | 10% | 100Lux |
| B | 100% | 20min | +∞ | 30% | 200Lux |
| C | 100% | 30min | +∞ | 10% | 100Lux |
| D | 100% | 30min | +∞ | 30% | 200Lux |
| E | 100% | 30min | +∞ | 50% | 400Lux |
| F | 100% | 5s | 10s | 10% | 100Lux |
Note: settings can also be changed by remote control HRC-11. The last action controls.
Functions
Daylight Harvest (Daylight Regulating)

Daylight sensor measures the available surrounding natural light, and calculates how much electrical light is needed to reach the total lux expected. The demand is given to the LED driver by DALI signal, so as to deliver the needed amount of electric light.
Lux Off Function
The built-in daylight sensor can read ambient natural light and switch off the fixture automatically whenever artificial light is not required (natural light lux level exceeds daylight threshold).
Note: if the stand-by time is preset at “
“, the fixture never switches off even when natural light is sufficient.
Semi-auto Function (Absence Detection)
The motion sensor is employed, but only activated on the manual press of the push switch, light keeps on in the presence, and dims down in the absence, and eventually switches off automatically in the long absence.
Manual Override
With the help of push-switch, this sensor maybe over-ridden by the end-users to switch on/off the lights manually, or adjust the light brightness during motion hold-time. This makes the product more user-friendly and offers more options to fit for extra-ordinary demands.
- Short push (<1s): on/off function;
- ON → OFF: the light turns off immediately and cannot be lighten for a certain time (equals to hold time preset) even there is movement is detected. After this period, the sensor goes back to auto sensor mode.
- OFF → ON: the light turns on 100% and goes to auto sensor mode, even when ambient Lux level exceeds the daylight threshold.
- Long push (>1s): adjust the target lux level by turning the light up or down. Both the adjustment on remote control and push switch can overwrite each other, the last adjustment remains in memory.
Note: end-user can choose either function 4.3 or 4.4 for application. Default function is 4.4.
Synchronization Function
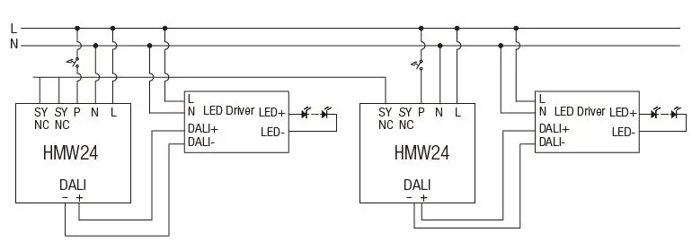
By connecting the “SYNC” terminals in parallel (see wiring diagram), no matter which sensor detects motion, all HMW24 in the group will turn on the lights when surrounding natural light is below the daylight threshold. The sensor module is shared and the detection area could be widely enlarged in this way.
Wiring Diagram

Note: if neither function 4.3 nor 4.4 is desired, simply leave the “push” terminal disconnected.
Detection Pattern


Permanent ON/OFF [button 1]
Press button 1 to select permanent ON or permanent OFF mode.
Press button 2/4 to resume automatic operation.
The mode will change to AUTO Mode after power failure.
RESET [ button 2]
Press button 2, all settings go back to the rotary switch settings.
Shift [ button 3]
Press button 3, the LED on the top left corner is on for indication.
All values/ settings in RED are in valid for 20 seconds.
Auto Mode [ button 4]
Press button 4 inítiate automatic mode. The sensor starts working and all settings remain as before the light was switched ON/OFF.
Semi-auto Mode [ button 3&4]
- Press button 3 Shift (the red LED is on for indication),
- press button 4 initiate semi-auto mode. The fixture is manually on by push-switch and automatically off in semi-auto mode.
Power output [ button 5
Press button 5, the light output shifts between 80% and 100%.
Note: the function of “Sensor off” and “Twilight” are disabled.
Press button 6 to adjust the light brightness between 10%- 100%.
Scene prog. [ zone 7] (One-key-commissioning)
- Press button “Start’ to program.
- Select the buttons in 8 “Detection range”, 9/10 Daylight threshold”, OHold time”, “Stand-by time”, “Stand-by dimming level” to0 Sel all parameters.
- Press button “Memory” to save all the settings programmed in the remote control.
- Press button “Apply” to set the settings to each sensor unitfs).
- For example, to pre-set detection range 100%, daylight threshold Disable, hold time 5min, stand-by time +o, stand-by dimming level 30%, steps should be: Press button Start 7, button 8 100%, 10 Disable, 3 Shift, 11 5min, 3 Shift,+12 , 13 30%,7 Memory. By pointing to the sensor unit(s) and pressing 7 Apply, all settings are passed on the sensor(s).
Detection range [ zone 8 ]
Press buttons 8 in zone to set detection range at 100% / 75% / 50% / 10%.
Daylight threshold [ zone 9 ]
Press buttons in zone 9 to set the daylight sensor at 2Lux / 10Lux 50Lux / 100Lux / 300Lux / 500Lux or Disable.
Note: To set daylight sensor at 100Lux / 300 Lux / 500Lux, press button 3Shift at first.
Ambient daylight threshold [ button 10
- Press button 3 Shift, the red LED is on for indication.
- Press button 10, the ambient lux level is sampled and set as the new daylight threshold.
Hold time [ zone 11 ]
Press buttons in zone 11 to set the hold time at 2s / 30s / 1min / 5min / 10min / 15min / 20min / 30min.
- Note: To set hold-time at 30s / 5min / 15min / 30min, press button 3 Shift at first.
- 2s is for test purpose only, stand-by period and daylight sensor settings are disabled in this mode.
To exit from Test mode, press button 2 or any button in zone 11
Stand-by time [ zone 12 ].
Press buttons in zone 12 to set the stand-by period at 0s / 10s / 1min / 5min / 10min / 30min / 1h / +.
Note: “0s” means on/off control; “+” means bi-level control, 100% on when motion detected, and remains at the stand-by dimming level when no presence after hold-time.
Daylight harvest auto-configuration function [ zone 1 3 ]
- Press button “Shift”, the red LED is on for indication.
- Select a time period and the sensor will do light level measurement and determine/save the lowest light level (commission line) with 100%light on, so as to set the target lux level automatically.
Note
- Make sure the light level measurement covers the night time.
- The fixture will go into sensor mode after the measurement, all sensor settings remain unchanged.
Stand-by dimming level [ zone 14 ]
Press buttons in zone 14 to set the stand-by dimming level at 10% / 20% / 30% / 50%.
Note: the function of 24h /12h /4h /30s are disabled.
Dual tech & RF mode [ zone 15 ]
All buttons in zone 15 are disabled.
Trouble Shooting
| MALFUNCTION CAUSE REMEDY | CAUSE | REMEDY |
|
The fixture does not light up | Incorrect daylight threshold setting | Adjust daylight threshold setting |
| Faulty fixture | Replace fixture | |
| No power supply | Check power to sensor | |
| Detection zone not targeted | Check detection area setting | |
| The fixture is always on | Continued movement in the detection zone | Check detection area setting |
| The fixture is on when it should not | Sudden change in temperature due to weather (wind, rain, snow) or air expelled from fans, open windows | Adjust zone, change installation site |
Hytronik Industrial Ltd.
- www.hytronik.com
- 3rd Floor, block C, complex building, 155#, Bai’gang road south, Bai’gang village, Xiao Jin Kou town, Huicheng district, Huizhou 516023
- Tel: 86-752-2772020
- Fax: 86-752-2777877
HMW24-20181218-A1




















