HYTRONIK HIM35 High Bay Dual Sense Independent Dali Sensor
Technical Specifications
| Product type | High bay independent DALI sensor (tri-level control) |
| Operating voltage | 220-240VAC 50/60Hz |
| Switched power | Maximum 20pcs DALI devices, Maximum 40mA |
| Power consumption | < 1W |
| Detection angle | 360o |
| Detection area (Max.)* | Installation Height : 15m Detection Range (Ø) :18m |
| Detection range | 10% / 50% / 75% / 100% |
| Hold time | 2s / 30s / 1min / 5min / 10min / 15min / 20min / 30min |
| Stand-by time | 0s / 10s / 1min / 5min / 10min / 30min / 1h / + ∞ |
| Stand-by dimming level | 10% / 20% / 30% / 50% |
| Daylight threshold | 2 ~ 500Lux, Disable |
| Warming up time | 30s |
| Operating temperature -35oC ~ +50oC | |
- IP rating: IP65
- Sensor mode: HF, PIR, HF+PIR, HF / PIR
Installation
Warnings
- Installation of the sensor involves connecting it to the mains supply. This work must be carried out by a specialist in accordance with electrotechnical regulations.
- Disconnect power supply before installing.
Ceiling mount

Screw to the Luminaire by conduit

Attach to the shade by clamp

Note: We recommend the mounting distance between sensor to sensor should be more than 2m to prevent sensors from false-triggering.
Rotary Switch Settings
A rotary switch is built inside the sensor for scene selection / fast programming. Total 16 channels available


Note: settings can also be changed by remote control HRC-11. The last action controls.
Functions
Tri-level Control (Corridor Function)
Hytronik builds this function inside the motion sensor to achieve tri-level control, for some areas it requires a light change notice before switch-off. It offers 3 levels of light: 100%–>dimmed light–>off; and 2 periods of selectable waiting time: motion hold-time and stand-by period; Selectable daylight threshold and freedom of detection area.
Lux Off Function
The built-in daylight sensor can read ambient natural light and switch off the fixture automatically whenever artificial light is not required (natural light lux level exceeds daylight threshold).
Note: if the stand-by time is preset at “
“, the fixture never switches off even when natural light is sufficient.
Load Indication
The light will flash ONCE rapidly after receiving the command from the remote controller.
Note: There is no load indication (the light will not flash) when button is ON/OFF, POWER 100% or POWER 80% is pressed.
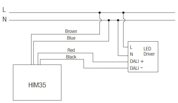
Wiring Diagram

Three Options for PIR Lens and Detection Patterns
(End user can choose the suitable lens in real application for various requirements)
- For single person walking across, the detection range is reduced by 1/3.

- PIR detection: H x D:15 x 18m (max.)
- HF detection: H x D:15 x 14m (max.)

- PIR detection: L x W x H:18 x 5 x 15m (max.)
- HF detection: H x D:15 x 14m (max. )

- PIR detection: L x W x H:5 x 18 x 15m (max.)
- HF detection: H x D:15 x 14m (max. )

Permanent ON/OFF [button 1]
- Press button 1 ,to select permanent ON or permanent OFF mode.
- Press button 2/4 to resume automatic operation.
- The mode will change to AUTO Mode after power failure.
RESET[ button 2]
- Press button 2, and all settings go back to the rotary switch settings.
Shift [ button 3]
- Press button 3, the LED on the top left corner is on for indication.
- All values/settings in RED are valid for 20 seconds.
Auto Mode [ button 4]
- Press button 4 to initiate automatic mode. The sensor starts working and all settings remain as before the light was switched ON/OFF.
Note: the function of Semi-auto is disabled.
- Press button 5, the light output shifts between 80% and 100%.
Note: the function of “Sensor off” and “Twilight” are disabled.
- Press the button 6 to adjust the light brightness between 10%~100%.
Scene prog. [ zone 7] (One-key-commissioning)
- Press button “start” to program.
- Select the buttons in 8 “Detection range”9, /10 “Daylight threshold”, 11 “Hold time”,12 “Stand-by time”, and 13“Stand-by dimming level” to set all parameters.
- Press button “Memory” to save all the settings programmed in the remote control.
- Press button “Apply” to set the settings to each sensor unit(s). For example, to pre-set detection range 100%, daylight threshold Disable, hold time 5min, stand-by time
, stand-by dimming level 30%, the steps should be as follows: Press button 7 Start, button 8 100%, 10 Disable, 3 Shift, 11 5min, 3 Shift,12
, 13 30%, 7 Memory. By pointing to the sensor unit(s) and 7 pressing Apply, all settings are passed on the sensor(s).
Detection range [ zone 8]
- Press buttons in zone 8 to set detection range at 100% / 75% / 50% / 10%.
Daylight threshold [ zone 9 ]
Press buttons in zone 9 to set the daylight sensor at 2Lux / 10Lux 50Lux / 100Lux / 300Lux / 500Lux or Disable.
Note: To set daylight sensor at 100Lux / 300 Lux / 500Lux, press button 3Shift at first.
Ambient daylight threshold [ button 10
- Press button 3 Shift, the red LED is on for indication.
- Press button 10, the ambient lux level is sampled and set as the new daylight threshold.
Hold time [ zone 11 ]
Press buttons in zone 11 to set the hold time at 2s / 30s / 1min / 5min / 10min / 15min / 20min / 30min.
- Note: To set hold-time at 30s / 5min / 15min / 30min, press button 3 Shift at first.
- 2s is for test purpose only, stand-by period and daylight sensor settings are disabled in this mode.
To exit from Test mode, press button 2 or any button in zone 11
Stand-by time [ zone 12 ].
Press buttons in zone 12 to set the stand-by period at 0s / 10s / 1min / 5min / 10min / 30min / 1h / +.
Note: “0s” means on/off control; “+” means bi-level control, 100% on when motion detected, and remains at the stand-by dimming level when no presence after hold-time.
Daylight harvest auto-configuration function [ zone 1 3 ]
- Press button “Shift”, the red LED is on for indication.
- Select a time period and the sensor will do light level measurement and determine/save the lowest light level (commission line) with 100%light on, so as to set the target lux level automatically.
Note
- Make sure the light level measurement covers the night time.
- The fixture will go into sensor mode after the measurement, all sensor settings remain unchanged.
Stand-by dimming level [ zone 13 ]
Press buttons in zone 13 to set the stand-by dimming level at 10% / 20% / 30% / 50%.
Note: the function of 24h /12h /4h /30s are disabled.
Dual tech [ zone 1 4 ]
Press buttons in zone to select sensor technology.
- HF+PIR: Light is on when both HF and PIR sensors are activated.
- HF/PIR: Light is on when HF or PIR sensors are activated.
RF mode [ zone 15 ]
All buttons in zone 15 are disabled.
Troubleshooting
| MALFUNCTION CAUSE REMEDY | CAUSE | REMEDY |
| The fixture does not light up | Incorrect daylight threshold setting | Adjust daylight threshold setting |
| Faulty fixture | Replace fixture | |
| No power supply | Check power to sensor | |
| Detection zone not targeted | Check detection area setting | |
| The fixture is always on | Continous movement in the detection zone | Check the detection area setting |
| The fixture is on when it should not | Sudden change in temperature due to weather (wind, rain, snow) or air expelled from fans, open windows | Adjust zone, change installation site |
Hytronik Industrial Ltd.
- www.hytronik.com
- 3rd Floor, block C, complex building, 155#, Bai’gang road south, Bai’gang village, Xiao Jin Kou town, Huicheng district, Huizhou 516023
- Tel: 86-752-2772020
- Fax: 86-752-2777877




















