HYTRONIK HMW11 Surface Mount High Bay Motion Sensor

Technical Specifications
- Product type High bay microwave motion sensor (Tri-level control)
- Operating voltage 120~277VAC 50/60Hz
- Rated load Resistive:700W@120V; 1600W@220-277V; Capacitive:400VA@120V; 800VA@220-277V;
- Power consumption < 1W
- Detection angle 360o
- Detection area (Max.)*
- Installation Height : 15m
- Detection Range (Ø) :12m
- Detection range 10% / 50% / 75% / 100%
- Hold time 2s / 30s / 1min / 5min / 10min / 15min / 20min / 30min
- Stand-by time 0s / 10s / 1min / 5min / 10min / 30min / 1h / +
- Stand-by dimming level 10% / 20% / 30% / 50%
- Daylight threshold 2 ~ 500Lux, Disable
- Warmming up time 20s
- Operating temperature -20o C ~ +50oC
- IP rating IP42
Installation
Warnings

- Installation must be carried out by a qualified engineer in accordance with local regulations.
- Disconnect supply before installing.
- Install to a solid surface – vibrations may cause is-triggering.
- Ensure environmental conditions are suitable for electronic equipment.
Note: We recommend the mounting distance between sensor to sensor should be more than 2m to prevent sensors from false-triggering.
Direct junction “J” box mounting

- Separate control board (A) from facia (B) & junction box (C).
- Make electrical connections to control board (A). See detailed wiring diagram on next page.
- Secure control board (A) to junction box.
- Set-up sensor modes as per sections 3 & 4 of this manual.
- Clip facial plate (B) to control board (A).
Surface mount assembly

- Separate control board (A) from facia (B) & Surface box (C).
- Securely mount surface box (C) to a flat and solid surface.
- Make electrical connections to control board\ (A). See detailed wiring diagram on next page.
- Set-up sensor modes as per sections 3 & 4 of this manual.
- Secure control board (A) to surface box (C).
- Clip facial plate (B) to control board (A).
Rotary Switch Settings
A rotary switch is built inside the sensor for scene selection / fast programming. Total 16 channels available:


Functions
Tri-level Control (Corridor Function)
Hytronik builds this function inside the motion sensor to achieve tri-level control, for some areas require a light change notice before switch-off. It offers 3 levels of light: 100%–>dimmed light–>off; and 2 periods of selectable waiting time: motion hold-time and stand-by period; Selectable daylight threshold and freedom of detection area.
Lux Off Function
The built-in daylight sensor can measure ambient natural light and switch off the fixture automatically whenever artificial light is not required (natural light lux level exceeds daylight threshold).
Note: if the stand-by time is preset at “
“, the fixture never switches off even when natural light is sufficient.
Manual Override
With the help of push-switch, this sensor maybe over-ridden by the end-users to switch on/off the lights manually, or adjust the light brightness during motion hold-time. This makes the product more user-friendly and offers more options to fit for extra-ordinary demands.
Short push (<1s): on/off function;
ON → OFF: the light turns off immediately and cannot be lightened for a certain time (equals to hold time preset) even there is movement is detected. After this period, the sensor goes back to auto sensor mode.
OFF → ON: the light turns on 100% and goes to auto sensor mode, even when ambient Lux level exceeds the daylight threshold.
Long push (>1s): adjust the maximum brightness (between 10% and 100%) during hold-time. Both the settings on remote control and push switch can overwrite each other, the last adjustment remains in memory.
Semi-auto Function (Absence Detection)
The motion sensor is employed, but only activated on the manual press of the push switch, The light remains on during presence and dims down in absence, eventually switching off automatically after the stand-by time has expired.
Note: in this mode, the push terminal used for the ‘manual on’ switch input. End-user can choose either function 4.3 or 4.4 for application. Default function is 4.3.
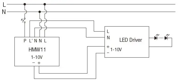
Wiring Diagram

Note: if neither function 4.3 nor 4.4 is desired, simply leave the “push” terminal disconnected.
Detection Pattern


Permanent ON/OFF [button 1]
- Press button 1 ,to select permanent ON or permanent OFF mode.
- Press button/to resume automatic operation.
- The mode will change to AUTO Mode after power failure.
RESET[ button 2]
- Press button 2, all settings go back to the rotary switch settings.
Shift [ button 3]
- Press button 3, the LED on the top left corner is on for indication.
- All values/settings in RED are valid for 20 seconds.
Auto Mode [ button 4]
- Press button to initiate automatic mode. The sensor starts working and all settings remain as before the light was switched ON/OFF.
Note: the function of Semi-auto is disabled.
- Press button 5, the light output shifts between 80% and 100%.
Note: the function of “Sensor off” and “Twilight” are disabled.
- Press the button 6 to adjust the light brightness between 10%~100%.
Scene prog. [ zone 7] (One-key-commissioning)
- Press button 7 “start” to program.
- Select the buttons in 8 “Detection range”9, /10 “Daylight threshold”, 11 “Hold time”,12 “Stand-by time”, and 13“Stand-by dimming level” to set all parameters.
- Press button “Memory” to save all the settings programmed in the remote control.
- Press button “Apply” to set the settings to each sensor unit(s). For example, to pre-set detection range 100%, daylight threshold Disable, hold time 5min, stand-by time
, stand-by dimming level 30%, the steps should be as follows: Press button 7 Start, button 8 100%, 10 Disable, 3 Shift, 11 5min, 3 Shift,12
, 13 30%, 7 Memory. By pointing to the sensor unit(s) and 7 pressing Apply, all settings are passed on the sensor(s).
Detection range [ zone 8]
- Press buttons in zone 8 to set detection range at 100% / 75% / 50% / 10%.
Daylight threshold [ zone 9 ]
Press buttons in zone 9 to set the daylight sensor at 2Lux / 10Lux 50Lux / 100Lux / 300Lux / 500Lux or Disable.
Note: To set daylight sensor at 100Lux / 300 Lux / 500Lux, press button 3Shift at first.
- Press button 3 Shift, the red LED is on for indication.
- Press button 10, the ambient lux level is sampled and set as the new daylight threshold.
Hold time [ zone 11 ]
Press buttons in zone 11 to set the hold time at 2s / 30s / 1min / 5min / 10min / 15min / 20min / 30min.
- Note: To set hold-time at 30s / 5min / 15min / 30min, press button 3 Shift at first.
- 2s is for test purpose only, stand-by period and daylight sensor settings are disabled in this mode.
To exit from Test mode, press button 2 or any button in zone 11
Stand-by time [ zone 12 ].
Press buttons in zone 12 to set the stand-by period at 0s / 10s / 1min / 5min / 10min / 30min / 1h / +.
Note: “0s” means on/off control; “+” means bi-level control, 100% on when motion detected, and remains at the stand-by dimming level when no presence after hold-time.
Daylight harvest auto-configuration function [ zone 1 3 ]
- Press button “Shift”, the red LED is on for indication.
- Select a time period and the sensor will do light level measurement and determine/save the lowest light level (commission line) with 100%light on, so as to set the target lux level automatically.
Note
- Make sure the light level measurement covers the night time.
- The fixture will go into sensor mode after the measurement, all sensor settings remain unchanged.
Stand-by dimming level [ zone 13 ]
Press buttons in zone 13 to set the stand-by dimming level at 10% / 20% / 30% / 50%.
Note: the function of 24h /12h /4h /30s are disabled.
Dual tech [ zone 1 4 ]
Press buttons in zone to select sensor technology.
- HF+PIR: Light is on when both HF and PIR sensors are activated.
- HF/PIR: Light is on when HF or PIR sensors are activated.
Hytronik Industrial Ltd.
- www.hytronik.com
- 3rd Floor, block C, complex building, 155#, Bai’gang road south, Bai’gang village, Xiao Jin Kou town, Huicheng district, Huizhou 516023
- Tel: 86-752-2772020
- Fax: 86-752-2777877
HMW11-20180809-A1


















