resideo V9406 Braukmann Verafix-Cool

APPLICATION
V9406 Verafix-Cool control and measuring valves are preferably installed in the return of heat exchangers, for example fan coil units or chilled ceilings. They regulate the room temperature by controlling the flow in connection with an actuator.
With the V9406 Verafix-Cool the flow can either be preset according to the diagram on page 6 or, in combination with a measuring instrument, by flow measurement.
SPECIAL FEATURES
- Flow measuring and presetting on one valve at the same time
- Six functions in one valve: control, presetting, shut-off, measuring, draining and filling
- Compact design
- Suitable for operating pressures up to 16 bar
- Robust, low-noise and flow-efficient valve housing made of corrosion-resistant red bronze
| Media | |
| Medium: | Water or water-glycol mixture, quality to VDI 2035 |
| pH-value: | 8 – 9.5 |
| Connections/Sizes | |
| Nominal size: | DN15 |
| Pressure values | |
| Max. operating pressure: | max. 16 bar (232 psi) |
| Operating temperatures | |
| Water: | 2 – 130 °C (36 – 266 °F) |
| Water-glycol mixtures: | 2 – 110 °C (36 – 230 °F) |
| Specifications | |
| kvs (cv)-values: | 2.5 (2.91) |
| Max. close-off pressure with 180N actuator: | 1.0 bar (14.5 psi) |
| Leakage rate: | 0.02 % of kvs-value |
| Rangeability: | 50:1 |
| Stroke: | 3 mm |
| Closing dimension: | 11.5 mm |
| Actuator connection: | M30 x 1.5 |
CONSTRUCTION
| Overview | Components | Materials | |
![]() | 1 | Presentable control insert with protection cap | White plastic |
| 2 | Valve housing PN16, DN15 with 3/4″ flat sealing external threads to DIN/ISO 228. Suitable pipe connections see ‘Accessories’ | Red bronze | |
| Not depicted components: | |||
| Measuring insert with cap | Brass with PTFE sealing ring | ||
| Union-nuts and sealings | Brass with EPDM sealing rings | ||
| Valve insert | Brass with EPDM O-rings and soft seals | ||
METHOD OF OPERATION
The V9406 Verafix-Cool is installed in the return of a heat exchanger and controlled by an actuator. The actuator acts onto the spindle of the control insert and in this way regulates the flow through the valve. In a cooling application the actuator closes the valve when the room temperature drops and opens the valve when the room temperature rises. The V9406 Verafix-Cool can also be used for heating applications, in this case operation is the other way round.
Without mounted actuator the valve is normally open. The maximal flow rate can be throttled by presetting the control insert. Presetting is either done according to the flow diagram on page 6 or by flow measurement. A measuring instrument can be connected to the valve by using the V9406 Verafix-MES adapter (accessory). Presetting and flow measurement can be done at the same time. The effect of a changed presetting is immediately displayed by the measuring instrument.
The V9406 Verafix-Cool can optionally be installed in the supply. In that case the draining function isn’t available for the connected heat exchanger as the part of the system before the V9406 Verafix-Cool is drained.
Suitable Actuators
- M6410/M7410 with 180N
Marking
- MNG, DN15 and flow arrow on front
- MNG, PN16 and flow arrow on back
- White manual adjustment cap on top
- Brass nickel-plated protection cap with 19 mm hexagon on bottom
INSTALLATION GUIDELINES
Installation Example
Fig. 1 Regulation of chilled ceilings: a V9406 Verafix-Cool is fitted in the return pipe of chilled ceiling systems.
Fig. 2 Due to the high kvs-value, a single V9406 Verafix-Cool can be used to control several ceiling elements connected in parallel.
Shut-off

Use protection cap for longer-term shut-off
| Presetting: | 5 | 8 | 13 | 16.0 | 20 = open |
| kv-value: | 0.63 | 1.0 | 1.6 | 2.0 | 2.5 |
| cv-value: | 0.73 | 1.16 | 1.86 | 2.33 | 2.91 |
Draining and Filling



Flow of water during draining
Presetting

Factory setting = 20
Turn back to required pre-setting
Measuring and Presetting


TECHNICAL CHARACTERISTICS
kvs-Values
Presetting: | 5 | 8 | 13 | 16 | 20 = open |
| kv-value: | 0.63 | 1.0 | 1.6 | 2.0 | kvs = 2.5 |
cv-value: | 0.73 | 1.16 | 1.86 | 2.33 | 2.91 |
Note: Flow data is only valid for water with a temperature of 5 – 30 °C (41 – 86 °F) When other temperatures or liquids are used the data may vary – see Reference Sheet ’Calculation of Flow Data’ (EN0H-0221GE25)
Flow Data

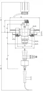
DIMENSIONS
Overview

*1 for installation of actuator
*2 for connection of draining adapter
*3 for connection of measuring adapter
Note: All dimensions in mm unless stated otherwise.
Note: Supplied with manual adjustment cap and union-nuts with sealings. Actuator, draining adapter and measuring adapter have to be ordered separately (see Accessories).
ORDERING INFORMATION
The following tables contain all the information you need to make an order of an item of your choice. When ordering, please always state the type, the ordering or the part number.
Options
Order text: | DN: | Connection size: | kvs (cvs)-value: | OS-No.: |
| V9406 Verafix-Cool control and measuring valve | 15 | G3/4″A | 2.5 (2.91) | V9406DX015 |
Accessories
Description | Dimension | Part No. | ||
![]() | VA3300 | Draining adapter | ||
| VA3300A001 | ||||
![]() | VA8300 | Special Verafix-key | ||
| VA8300A001 | ||||
![]() | VA3301 | Measuring adapter | ||
| VA3301A001 | ||||
![]() | VA5500 | Externally threaded brass tailpiece, flat sealing | ||
| to DIN 2999 | R1/2″ | VA5500A015 | ||
| NPT thread! | NPT1/2 | VA5501A015 | ||
![]() | VM242A | BasicMes-2 handheld measuring computer Note: To connect the VM241 BasicMes to SafeConTM pressue test cocks please order measuring adapter VA3600C001 separately. | ||
| Computer is supplied with case and accessories | for all sizes | VM242A0101 | ||
![]() | VA5930 | Brass soldering tailpiece, flat sealing | ||
| 15 mm | VA5930A015 | |||
| 16 mm | VA5930A016 | |||
![]() | VA5540 | Steel welding tailpiece, flat sealing | ||
| 1/2″ | VA5540A015 | |||
![]() | VA5920 | Internally threaded nickel-plated brass tailpiece, flat sealing | ||
| Rp1/2″ | VA5920A015 | |||
Manufactured for and on behalf of Pittway Sàrl, Z.A., La Pièce 4, 1180 Rolle, Switzerland by its authorised representative Ademco 1 GmbH
© 2020 Resideo Technologies, Inc. All rights reserved.
For more information homecomfort.resideo.com/europe
Ademco 1 GmbH, Hardhofweg 40, 74821 MOSBACH, GERMANY
Phone: +49 6261 810
Fax: +49 6261 81309
Subject to change. EN0H-0198GE25 R0420





























