BRINK Renovent Excellent 300 Heat Recovery Ventilation

Replacing post heater
Important: Only possible for Renovent Excellent Plus!
- Switch off the main power from the Renovent Excellent 300/400/450.
- Position the postheater so that the arrow does not point to the appliance and place it on the duct “To dwelling”.
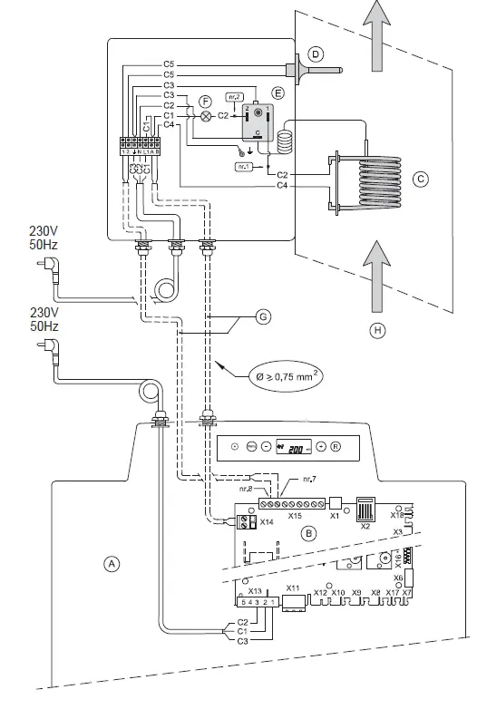
- Connect the wiring of the postheater as shown on the wiring diagram on page 2 is displayed.
- Turn on the power of the Renovent Excellent 300/400/450 as well as the postheater.
- Parameter 13 must be changed to 2 and set parameter 14 to the desired temperature value

- To dwelling
- To atmosphere
- From dwelling
- From atmosphere

| Stapnr. Parameter Parameter Paramètre | Omschrijving Beschreibung Description Description | Fabrieksinstelling Werkseinstellung Factory setting Réglage par défaut | Bereik Bereich Range Portée | ||
|
13 |
NL – Verwarmer DE – Heizregister GB – Heater F – Réchauffeur secondaire |
0 | 0 = uit/ Aus/ off/ arrêt 1 = voorverwarmer Vorheizregister Preheater préchauffeur | ||
| 2 = naverwarmer Nachheizregister postheater post-chauffage | |||||
| 14 | NL – Temp. naverwarmer DE – Temp. Nachheizregister GB – Temp. postheater F – Temp. réchauffeur sec. | 21°C | 15°C – 30°C | ||
Wiring diagram
Renovent Excellent Plus
| Plus version control board |
| Heating coil ( 1000W max.) |
| Temperature sensor |
| Maximum safety with manual reset |
| LED maximum safety; lights up when acti- vated |
| Cables to be connected by installer |
| Flow direction through the heater |
- C1 brown
- C2 blue
- C3 green/yellow
- C4 black
- C5 white
Technical information
- Supply voltage 230V 50Hz
- Weight 2,5 kg
- Duct diameter Ø160 (300) | Ø180 (400/450)
- Heater length 400 mm
- Overall length 400 mm
- Protection degree IP20
- Rated power 1000 W
- Rated current 4,5 A
Service
When ordering parts, in addition to the article code number, please state the type of the heat recovery appliance, the serial number, the year of production and the name of the part.
- Maximum safety.
- Heating coil
- Mains cable with plug 230V
Wethouder Wassebaliestraat 8 7951 SN Staphorst The Netherlands
P. O. Box 11 NL-7950 AA Staphorst The Netherlands
T. +31 (0) 522 46 99 44
F. +31 (0) 522 46 94 00
[email protected]
www.brinkclimatesystems.nl





















