VENTS VUE 150 P3 Energy Recovery Air Handling Unit

This user’s manual is a main operating document intended for technical, maintenance, and operating staff.
The manual contains information about the purpose, technical details, operating principle, design, and installation of the VUE P3 unit (-s) and all of its (their) modifications.
Technical and maintenance staff must have theoretical and practical training in the field of ventilation systems and should be able to work in accordance with workplace safety rules as well as construction norms and standards applicable in the territory of the country.
The information in this user’s manual is correct at the time of the document’s preparation.
The Company reserves the right to modify the technical characteristics, design, or configuration of its products at any time in order to incorporate the latest technological developments.
No part of this publication may be reproduced, stored in a retrieval system, or transmitted, in any form or by any means in any information search system or translated into any language in any form without the prior written permission of the Company.
SAFETY REQUIREMENTS
- Please read the user’s manual carefully prior to installing and operating the unit.
- All user’s manual requirements as well as the provisions of all the applicable local and national construction, electrical, and technical norms and standards must be observed when installing and operating the unit.
- The warnings contained in the user’s manual must be considered most seriously since they contain vital personal safety information.
- Failure to follow the rules and safety precautions noted in this user’s manual may result in an injury or unit damage.
- After a careful reading of the manual, keep it for the entire service life of the unit.
- While transferring the unit control, the user’s manual must be turned over to the receiving operator.
UNIT INSTALLATION AND OPERATION SAFETY PRECAUTIONS
Disconnect the unit from power mains prior to any installation operations.
The unit must be grounded!
Unpack the unit with care.
While installing the unit, follow the safety regulations specific to the use of electric tools.
Do not change the power cable length at your own discretion. Do not bend the power cable. Avoid damaging the power cable. Do not put any foreign objects on the power cable.
Do not use damaged equipment or cables when connecting the unit to power mains.
Do not touch the unit controls with wet hands. Do not carry out the installation and maintenance operations with wet hands.
Do not allow children to operate the unit.
Do not store any explosive or highly flammable substances in close proximity to the unit.
Do not open the unit during operation
Do not block the air duct when the unit is switched on.
Do not sit on the unit and avoid placing foreign objects on it.
Do not lay the power cable of the unit in close proximity to heating equipment.
Do not operate the unit outside the temperature range stated in the user’s manual. Do not operate the unit in aggressive or explosive environments.
Do not wash the unit with water. Protect the electric parts of the unit against ingress of water.
Disconnect the unit from power mains prior to any technical maintenance.
When the unit generates unusual sounds, odour, or emits smoke, disconnect it from power supply and contact the Seller.
Do not direct the air flow produced by the unit towards open flame or ignition sources.
In case of continuous operation of the unit, periodically check the security of mounting.
Use the unit only for its intended purpose.
THE PRODUCT MUST BE DISPOSED SEPARATELY AT THE END OF ITS SERVICE LIFE.
DO NOT DISPOSE THE UNIT AS UNSORTED DOMESTIC WASTE.
PURPOSE
The unit is designed to ensure continuous mechanical air exchange in houses, offices, hotels, cafes, conference halls, and other utility and public spaces as well as to recover the heat energy contained in the air extracted from the premises to warm up the filtered stream of intake air.
The unit is not intended for organizing ventilation in swimming pools, saunas, greenhouses, summer gardens, and other spaces with high humidity.
Due to the ability to save heating energy by means of energy recovery, the unit is an important element of energy-efficient premises.
THE UNIT SHOULD NOT BE OPERATED BY CHILDREN OR PERSONS WITH REDUCED
PHYSICAL, MENTAL, OR SENSORY CAPACITIES, OR THOSE WITHOUT THE APPROPRIATE TRAINING.
THE UNIT MUST BE INSTALLED AND CONNECTED ONLY BY PROPERLY QUALIFIED PERSONNEL AFTER THE APPROPRIATE BRIEFING.
THE CHOICE OF UNIT INSTALLATION LOCATION MUST PREVENT UNAUTHORIZED ACCESS BY UNATTENDED CHILDREN.
The unit is a component part and is not designed for stand-alone operation.
It is rated for continuous operation.
Transported air must not contain any flammable or explosive mixtures, evaporation of chemicals, sticky substances, fibrous materials, coarse dust, soot and oil particles or environments favourable for the formation of hazardous substances (toxic substances, dust, pathogenic germs).
DELIVERY SET
| NAME | NUMBER |
| Air handling unit | 1 pc. |
| User’s manual | 1 pc |
| Controller | 1 pc |
| Packing box | 1 pc |
DESIGNATION KEY

TECHNICAL DATA
The unit is designed for indoor application with the ambient temperature ranging from +1 °C up to +40 °C and relative humidity up to 80 %.
In order to prevent condensation on the internal walls of the units, it is necessary that the surface temperature of the casing is 2-3 °C higher than the dew point temperature of the transported air.
The unit is rated as a Class I electrical appliance.
Hazardous parts access and water ingress protection rating:
- IP22 for the unit connected to the air ducts
- IP44 for the unit motors
The unit design is constantly being improved, thus some models may be slightly different from those described in this manual.
Parameter | VUE 150 P3 | VUE 250 P3 | VUE 350 P3 |
| Unit supply voltage, 50 Hz [V] | 1~ 230 | ||
Maximum unit power [W] | 125 | 250 | 310 |
| Maximum unit current [A] | 0.6 | 1.1 | 1.4 |
Maximum flow rate [m3/h] | 230 | 370 | 400 |
| RPM [min-1] | 2235 | 2400 | 2150 |
Sound pressure level at 3 m distance [dBA] | 49 | 52 | 57 |
Transported air temperature [°С] | -25…+40 | ||
Casing material | Painted steel | ||
| Insulation | Foamed rubber, 5 and 10 mm | ||
Extract filter | G4 | ||
| Supply filters | G4 and F8 (PM2.5 93 %) | G4 and F8 (PM2.5 83 %) | G4 and F8 (PM2.5 87 %) |
Connected air duct diameter [mm] | 100 | 150 | 150 |
| Heat recovery efficiency [%] | 72–87 | 66–76 | 71–87 |
Humidity recovery efficiency [%] | 27–47 | 22–32 | 23–40 |
Heat exchanger type | Cross-flow | ||
| Heat exchanger material | Enthalpy | ||
Weight [kg] | 26 | 29 | 42 |
| SEC class | D | E | E |

Model | Dimensions [mm] | ||||||||||||||
| Ø D | A | A1 | A2 | B | B1 | B2 | H | H1 | L | L1 | L2 | L3 | L4 | L5 | |
| VUE 150 P3 | 99 | 947 | 854 | 676 | 704 | 743 | 793 | 227 | 247 | 480 | 92 | 128 | 25 | 113 | 138 |
VUE 250 P3 | 149 | 947 | 854 | 676 | 704 | 743 | 793 | 227 | 247 | 480 | 92 | 128 | 25 | 113 | 138 |
| VUE 350 P3 | 149 | 1117 | 1024 | 846 | 754 | 793 | 843 | 277 | 297 | 488 | 109 | 153 | 50 | 88 | 138 |
DESIGN AND OPERATING PRINCIPLE
Left-handed modification
The service side of the unit is equipped with a detachable inspection hatch on manual bolts for filter and heat exchanger cleaning and replacement operations. The plate enthalpy cross-flow heat exchanger is made of polymerized cellulose.
The control unit is positioned inside the unit casing . The power cable and grounding cables are connected to the control unit via the
cable gland located at the side of the unit. The unit is equipped with a controller and a power cord with a Euro Plug XP.
Warm stale extract air from the room flows into the unit, where it is filtered by the extract filter, then air flows through the heat
exchanger and is exhausted outside by the extract fan. Cold fresh air from the outside flows into the unit, where it is cleaned by the
supply filter. Then the air flows through the heat exchanger and is directed to the room with the supply fan.
Supply air is heated in the heat exchanger by transferring the heat energy of warm and humid extract air to the cold fresh air.
The air flows are fully separated while flowing through the heat exchanger. Heat recovery minimizes heat losses, which reduces the cost of space heating in the cold season. The enthalpy heat exchanger provides both heat and humidity recovery.
In warm seasons the heat exchanger operates to cool down and dehumidify the supply air. In cold seasons the heat exchanger operates to warm up supply air and humidify it. Water vapour from the humid extract air is condensed and absorbed by the heat exchanger plates. The recovered humidity and heat are transferred to the supply air flow. The air streams are fully separated within the heat exchanger and the microbes and smells are isolated.
LEFT-HANDED AND RIGHT-HANDED MODIFICATIONS
The figure below shows the arrangement of spigots for left- and right-handed modifications. Choosing the right arrangement can improve the ease of installation, shorten the length of the ducts and reduce the number of air duct bends (elbows)
Service side view
The provide heat exchanger freeze protection during the cold season, the unit is equipped with a thermostat that is installed in the exhaust air duct downstream of the heat exchanger. The Defrosting mode is activated when the exhaust air temperature is +3 ˚С. After temperature increase the unit returns to the previous operation mode.
In the Defrosting mode the supply fan is turned off and the heat exchanger is warmed up with warm extract air flow.
To set the thermostat threshold value, turn the control knob to the desired position.
The recommended thermostat operating temperature is +3 °C (factory setting).
MOUNTING AND SET-UP
READ THE USER’S MANUAL BEFORE INSTALLING THE UNIT.
WHILE INSTALLING THE UNIT ENSURE CONVENIENT ACCESS FOR SUBSEQUENT MAINTENANCE AND REPAIR.
The unit is designed for suspended ceiling mounting with anchor threaded rods, nuts and anti-vibration rubber.
Fasteners for fan mounting are not included in the delivery set and should be ordered separately.
While choosing fasteners consider the material of the mounting surface as well as the weigh of the unit, refer to the Technical data
section. Fasteners for unit mounting should be selected by a qualified specialist! Before mounting make sure the casing does not
contain any foreign objects (e.g. foil, paper).
The minimum distance between the unit and the ceiling should be at least 20 mm.
To attain the best performance of the unit and to minimise turbulence-induced air pressure losses, connect the straight air duct section to the spigots on both sides of the unit while mounting.
Minimum straight air duct length:
- equal to 1 air duct diameter on the intake side
- equal to 3 air duct diameters on outlet side
If the air ducts are too short or not connected, protect the unit parts from ingress of foreign objects.
To prevent uncontrollable access to the fan, the spigots may be covered with a protecting grille or other protecting device with mesh width not more than 12.5 mm.
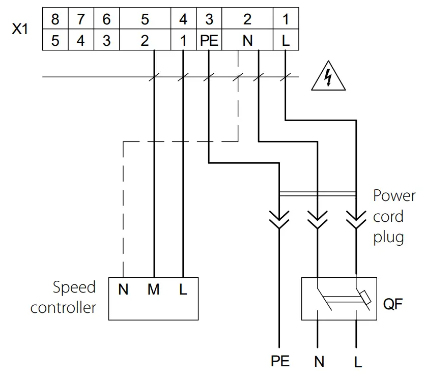
CONNECTION TO POWER MAINS
POWER OFF THE POWER SUPPLY PRIOR TO ANY OPERATIONS WITH THE UNIT.
THE UNIT MUST BE CONNECTED TO POWER SUPPLY BY A QUALIFIED ELECTRICIAN.
THE RATED ELECTRICAL PARAMETERS OF THE UNIT ARE GIVEN ON THE MANUFACTURER’S LABEL.
- The unit is rated for connection to 1~ 230 V/50 Hz power mains.
- The unit must be connected to power mains using insulated electric conductors (cables, wires). The actual wire cross section selection must be based on the maximum load current, maximum conductor temperature depending on the wire type, insulation, length and installation method.
- The external power input must be equipped with an automatic circuit breaker built into the stationary wiring to open the electric circuit in case of overload or short-circuit. The circuit breaker installation place must provide quick access for emergency shutdown of the unit. The trip current of the automatic circuit breaker QF must exceed the maximum current consumption of the unit (refer to the technical data table). The recommended trip current of the circuit breaker is the next current in the standard trip current row following the maximum current of the connected unit. The automatic circuit breaker is not included in the delivery set.
Wiring diagram
(unit with an A1 controller)
Wiring diagram
(unit with an A12 controller)
TECHNICAL MAINTENANCE
DISCONNECT THE UNIT FROM POWER SUPPLY BEFORE ANY MAINTENANCE OPERATIONS!
The unit must undergo technical maintenance 3 to 4 times a year.
They include general cleaning of the unit and the following operations:
- Filter maintenance (3-4 times per year).
Dirty filters increase air resistance in the system and reduce supply air volume.
Replace the filters not less than 3-4 times per year.
To replace the filters, remove the inspection hatch located on the service panel and remove the dirty filters, then install the new filters and the inspection hatch in the reverse order. For new filters, contact the Seller. - Heat exchanger maintenance (once a year).
Some dust may accumulate on the heat exchanger block even in case of regular maintenance of the filters. To maintain high heat exchange efficiency, periodical dry cleaning is recommended. Use a vacuum cleaner with a narrow nozzle.
To replace the heat exchanger, remove the inspection hatch located on the service panel and remove the contaminated heat exchanger
Then install a new heat exchanger and an inspection hatch in the reverse order.
For a new heat exchanger contact the Seller. - Fan maintenance (once a year).
Even in case of regular maintenance of the filters, some dust may accumulate inside the fans and reduce the fan performance and supply air flow.
Clean the fans with a soft brush or cloth. Do not use water, aggressive solvents or sharp objects as they may damage the impeller. - Technical maintenance of air duct system (every 5 years).
Even regular fulfilling of all the prescribed above maintenance operations may not completely prevent dirt accumulation in the air ducts which reduces the unit capacity. Duct maintenance means regular cleaning or replacement. - Control unit maintenance (if necessary).
The control unit is positioned inside the unit casing.
For accessing the control unit remove the fixing screws on the service panel and remove it.
TROUBLESHOOTING
| Problem | Possible reasons | Troubleshooting |
| The fan(s) do(es) not get started. | No power supply. | Make sure the power supply line is connected correctly, otherwise troubleshoot a connection error. |
| Low air flow. | Filters, fans or the heat exchanger are soiled. | Clean or replace the filters. Clean the fans and the heat exchanger. |
| The ventilation system is soiled or damaged. | Clean the ventilation system components. Replace the damaged components. | |
| Noise, vibration. | The fan impeller is soiled. | Clean the impellers. |
| The fan or casing screw connection is loose. | Tighten the screw connection of the fan or the casing against stop. |
STORAGE AND TRANSPORTATION REGULATIONS
- Store the unit in the manufacturer’s original packaging box in a dry closed ventilated premise with temperature range from +5 °C to + 40 °C and relative humidity up to 70 %.
- Storage environment must not contain aggressive vapors and chemical mixtures provoking corrosion, insulation, and sealing deformation.
- Use suitable hoist machinery for handling and storage operations to prevent possible damage to the unit.
- Follow the handling requirements applicable for the particular type of cargo.
- The unit can be carried in the original packaging by any mode of transport provided proper protection against precipitation and mechanical damage. The unit must be transported only in the working position.
- Avoid sharp blows, scratches, or rough handling during loading and unloading.
- Prior to the initial power-up after transportation at low temperatures, allow the unit to warm up at operating temperature for at least 3-4 hours.
MANUFACTURER’S WARRANTY
The product is in compliance with EU norms and standards on low voltage guidelines and electromagnetic compatibility. We hereby declare that the product complies with the provisions of Electromagnetic Council Directive 2014/30/EU, Low Voltage Directive 2014/35/ EU and CE-marking Directive 93/68/EEC. This certificate is issued following test carried out on samples of the product referred to above.
The manufacturer hereby warrants normal operation of the unit for 24 months after the retail sale date provided the user’s observance of the transportation, storage, installation, and operation regulations. Should any malfunctions occur in the course of the unit operation through the Manufacturer’s fault during the guaranteed period of operation, the user is entitled to get all the faults eliminated by the manufacturer by means of warranty repair at the factory free of charge. The warranty repair includes work specific to elimination of faults in the unit operation to ensure its intended use by the user within the guaranteed period of operation. The faults are eliminated by means of replacement or repair of the unit components or a specific part of such unit component.
The warranty repair does not include:
- routine technical maintenance
- unit installation/dismantling
- unit setup
To benefit from warranty repair, the user must provide the unit, the user’s manual with the purchase date stamp, and the payment paperwork certifying the purchase. The unit model must comply with the one stated in the user’s manual. Contact the Seller for warranty service.
The manufacturer’s warranty does not apply to the following cases:
- User’s failure to submit the unit with the entire delivery package as stated in the user’s manual including submission with missing component parts previously dismounted by the user.
- Mismatch of the unit model and the brand name with the information stated on the unit packaging and in the user’s manual.
- User’s failure to ensure timely technical maintenance of the unit.
- External damage to the unit casing (excluding external modifications as required for installation) and internal components caused by the user.
- Redesign or engineering changes to the unit.
- Replacement and use of any assemblies, parts and components not approved by the manufacturer.
- Unit misuse.
- Violation of the unit installation regulations by the user.
- Violation of the unit control regulations by the user.
- Unit connection to power mains with a voltage different from the one stated in the user’s manual.
- Unit breakdown due to voltage surges in power mains.
- Discretionary repair of the unit by the user.
- Unit repair by any persons without the manufacturer’s authorization.
- Expiration of the unit warranty period.
- Violation of the unit transportation regulations by the user.
- Violation of the unit storage regulations by the user.
- Wrongful actions against the unit committed by third parties.
- Unit breakdown due to circumstances of insuperable force (fire, flood, earthquake, war, hostilities of any kind, blockades).
- Missing seals if provided by the user’s manual.
- Failure to submit the user’s manual with the unit purchase date stamp.
- Missing payment paperwork certifying the unit purchase.
FOLLOWING THE REGULATIONS STIPULATED HEREIN WILL ENSURE A LONG AND TROUBLE-FREE OPERATION OF THE UNIT.
USER’S WARRANTY CLAIMS SHALL BE SUBJECT TO REVIEW ONLY UPON PRESENTATION OF THE UNIT, THE PAYMENT DOCUMENT AND THE USER’S MANUAL WITH THE PURCHASE DATE STAMP.

Disconnect the unit from power mains prior to any installation operations.
The unit must be grounded!
Unpack the unit with care.
While installing the unit, follow the safety regulations specific to the use of electric tools.
Do not change the power cable length at your own discretion. Do not bend the power cable. Avoid damaging the power cable. Do not put any foreign objects on the power cable.
Do not use damaged equipment or cables when connecting the unit to power mains.
Do not touch the unit controls with wet hands. Do not carry out the installation and maintenance operations with wet hands.
Do not allow children to operate the unit.
Do not store any explosive or highly flammable substances in close proximity to the unit.
Do not open the unit during operation
Do not block the air duct when the unit is switched on.
Do not sit on the unit and avoid placing foreign objects on it.
Do not lay the power cable of the unit in close proximity to heating equipment.
Do not operate the unit outside the temperature range stated in the user’s manual. Do not operate the unit in aggressive or explosive environments.
Do not wash the unit with water. Protect the electric parts of the unit against ingress of water.
Disconnect the unit from power mains prior to any technical maintenance.
When the unit generates unusual sounds, odour, or emits smoke, disconnect it from power supply and contact the Seller.
Do not direct the air flow produced by the unit towards open flame or ignition sources.
In case of continuous operation of the unit, periodically check the security of mounting.
Use the unit only for its intended purpose.




















