Altronix ALTV1224DC Series CCTV Power Supplies

Overview
Altronix ALTV1224DC Series DC CCTV power supplies are designed to power CCTV Cameras and accessories. Units provide 12VDC or 24VDC distributed via eight (8) or sixteen (16) fused or PTC protected outputs with a total of 4A or 6A continuous supply current.
Eight (8) or Sixteen (16) Output ALTV1224DC Reference Chart
|
Altronix Model Number | 115VAC 50/60Hz Input Current | Total Output Current (Power) |
Number of Outputs |
PTC Protected Auto-Resettable Outputs |
Fuse Protected Outputs | Output Current (max per output) |
| ALTV1224DC |
1.45A |
4A | 8 | – | ✓ | 3.5A |
| ALTV1224DCCB | ✓ | – | 2.5A | |||
| ALTV1224DC1 |
16 | – | ✓ | 3.5A | ||
| ALTV1224DC1CB | ✓ | – | 2.5A | |||
| ALTV1224DC2 | 2.5A | 6A | – | ✓ | 3.5A | |
| ALTV1224DC2CB | ✓ | – | 2.5A |
Specifications
Input:
- Input 115VAC, 50/60Hz.
Output:
- Eight (8) or sixteen (16) fuse or
- PTC protected outputs.
- 12VDC or 24VDC.
- Outputs are rated @ 3.5A (fused) or 2.5A (PTC).
- Filtered and electronically regulated outputs.
Features
- AC input and DC output LED indicators.
- Power ON/OFF switch.
- Unit maintains camera synchronization.
- Ease of installation saves time and eliminates costly labor.
Enclosure Dimensions (H x W x D approx.):
- 13.5” x 13” x 3.25”
- (342.9mm x 330.2mm x 82.6mm).
Installation Instructions
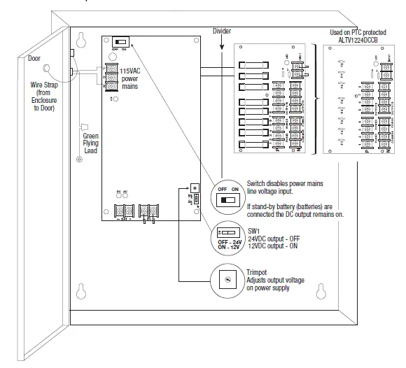
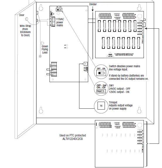
- Mount unit in the desired location. Mark and predrill holes in the wall to line up with the top two keyholes in the enclosure. Install two upper fasteners and screws in the wall with the screw heads protruding. Place the enclosure’s upper keyholes over the two upper screws, level and secure. Mark the position of the lower two holes. Remove the enclosure. Drill the lower holes and install the two fasteners. Place the enclosure’s upper keyholes over the two upper screws. Install the two lower screws and make sure to tighten all screws (Enclosure Dimensions, pg. 8). Secure enclosure to earth ground.
- Slide switch to the OFF position (Fig. 1, pg. 3, Fig. 2, pg. 4 or Fig. 3, pg. 5).
- Set the unit to desired DC output voltage range by setting switch (SW1) on the power supply board to the appropriate position. Use trimpot to adjust voltage if necessary (Fig. 1, pg. 3, Fig. 2, pg. 4 or Fig. 3, pg. 5).
- Connect the AC (115VAC, 50/60 Hz) to the terminals marked [L] and [N].
Connect earth ground (Fig. 1, pg. 3, Fig. 2, pg. 4 or Fig. 3, pg. 5). - Measure output voltage before connecting devices. This helps avoiding potential damage.
- Connect each DC device to the output terminals 1 through 8 (Fig. 1, pg. 3) or terminals 1 through 16 (Fig. 2, pg. 4 or Fig. 3, pg. 5).
Note: Be careful to observe camera polarity. - When batteries are being used the DC output voltage must be adjusted by turning the trim pot VR1
(Fig. 1, pg. 3, Fig. 2, pg. 4 or Fig. 3, pg. 5) clockwise to increase the output voltage to 13.7VDC for 12VDC operation and 27.1VDC for 24VDC operation. Connect battery to the terminals marked [– BAT +] (battery leads included) (Fig. 1, pg. 3, Fig. 2, pg. 4 or Fig. 3, pg. 5).
Use two (2) 12VDC batteries connected in series for 24VDC operation. - Slide switch to the ON position (Fig. 1, pg. 3, Fig. 2, pg. 4 or Fig. 3, pg. 5).
- Green LED on the PD8/PD8CB or PD16W/PD16WCB board will illuminate when power is present.
- Upon completion of the wiring secure enclosure door with screws (supplied).
ALTV1224DC/CB Terminal Identification
OLS127 – Power Supply
| Terminal Legend | Function/Description |
| L, N | 115VAC power mains connection. |
| – DC + | 12VDC or 24VDC @ 4A total continuous output. |
| – BAT + | Stand-by battery connections. Maximum charge rate 0.5A. |
PD8/PD8CB – Power Distribution Module
| Terminal Legend | Function/Description |
| 1P – 8P | Positive DC power outputs. |
| 1N – 8N | Negative DC power outputs. |
Fig. 1 – ALTV1224DC/CB
CAUTION: De-energize unit prior to servicing.
For continued protection against fire hazard replace fuse with the same type and rating. Do not expose unit to rain or moisture.

ALTV1224DC1/CB Terminal Identification
OLS127 – Power Supply
| Terminal Legend | Function/Description |
| L, N | 115VAC power mains connection. |
| – DC + | 12VDC or 24VDC @ 4A total continuous output. |
| – BAT + | Stand-by battery connections. Maximum charge rate 0.5A. |
PD16W/PD16WCB – Power Distribution Module
| Terminal Legend | Function/Description |
| 1P – 16P | Positive DC power outputs. |
| 1N – 16N | Negative DC power outputs. |
Fig. 2 – ALTV1224DC1/CB
CAUTION: De-energize unit prior to servicing.
For continued protection against fire hazard replace fuse with the same type and rating. Do not expose unit to rain or moisture.

ALTV1224DC2/CB Terminal Identification
OLS187 – Power Supply
| Terminal Legend | Function/Description |
| L, N | 115VAC power mains connection. |
| – DC + | 12VDC or 24VDC @ 6A total continuous output. |
| – BAT + | Stand-by battery connections. Maximum charge rate 0.5A. |
PD16W/PD16WCB – Power Distribution Module
| Terminal Legend | Function/Description |
| 1P – 16P | Positive DC power outputs. |
| 1N – 16N | Negative DC power outputs. |
Fig. 3 – ALTV1224DC2/CB
CAUTION: De-energize unit prior to servicing.
For continued protection against fire hazard replace fuse with the same type and rating. Do not expose unit to rain or moisture.
WARNING: To reduce the risk of fire or electric shock, do not expose the unit to rain or moisture. This installation should be made by qualified service personnel and should conform to the National Electrical Code and all local codes.
The lightning flash with arrowhead symbol within an equilateral triangle is intended to alert the user to the presence of an insulated DANGEROUS VOLTAGE within the product’s enclosure that may be of sufficient magnitude to constitute an electric shock.
The exclamation point within an equilateral triangle is intended to alert the user to the presence of impor-tant operating and maintenance (servicing) instructions in the literature accompanying the appliance.
CAUTION: To reduce the risk of electric shock do not open enclosure. There are no user serviceable parts inside.
Refer servicing to qualified service personnel.
Enclosure Dimensions (H x W x D): 13.5” x 13” x 3.25” (342.9mm x 330.2mm x 82.6mm)





















