resideo Braukmann AMX Series DirectConnect

APPLICATION
Any application requiring accurate control of water temperature based on mixing of hot and cold water, such as:
- Domestic water for residents designed to be mounted directly on the water heater.
- Hotels, schools, hospitals, or nursing homes.
- Space heating.
- Radiant floor heating.
- Central distribution systems.
- Combo systems.
- Heat pump systems.
- Industrial applications
Benefits
AMX Series DirectConnect™ Mixing Valve provides energy savings, increased comfort and safety for the user.
FEATURES
- Designed to be installed directly on the water heater hot port.
- Dual purpose mixing or diverting valve.
- Constant water temperature under different operating conditions.
- Proportional valve (control of hot and cold water).
- Flow reduction in seconds if cold water supply is interrupted.
- Temperature adjustable using 3/16 in. Allen® wrench (included).
- Union coupled tailpiece connections included.
- Heat trapping not required.
- Recirculation connection for fast response.
- Integral check valve on cold water port.
- Bronze/stainless construction.
- Teflon® coated wear surfaces to prevent lime deposits.
- Maximum pressure differential between hot and cold ports is 7 psi (48 kPa).
- ASSE 1017 certified. CSA and IAPMO listed.
- Lead-Free.
- Patent Pending.
OPERATION
Automatic operation is provided by thermostatic element. Element will control hot and cold supply based on valve setting. If cold water is shut off, valve reduces mixed flow rate in seconds.
CAUTION
Injury Hazard. Exceeding mix temperature can cause burns. For domestic water applications the AMX Series DirectConnect Mixing Valve temperature should not exceed 120 °F (49 °C).
Service
To remove dirt, flush valve. To remove calcium deposits, soak valve in vinegar for 24 hours and flush, or contact factory.
SPECIFICATIONS

| Product Number | Dimensions (inches) | |||
| A | B | C | D | |
| AMX101-US-1LF | 4-3/16 | 9 | 2-1/2 | 1-1/2 |
| AMX101-UT-1LF | 4-3/16 | 9-11/16 | 3-1/2 | 1-1/2 |
| AMX101-UP-1LF | 4-3/16 | 8-3/4 | 3-1/4 | 1-1/2 |
| AMX102-US-1LF | 4-1/2 | 10 | 3-1/2 | 1-1/2 |
| AMX102-UT-1LF | 4-1/2 | 10-5/16 | 3-13/16 | 1-1/2 |
| AMX102-UP-1LF | 4-1/2 | 10-3/16 | 3-11/16 | 1-1/2 |
- Maximum Temperature: 200 °F (93 °C), except for CPVC mixingvalves (maximum of 180 °F [82 °C] at maximum of 100 psi
- Minimum Temperature Difference between hot and mix:10 °F° (-12 °C).
- Factory Temperature Setting: 120 °F (49 °C).
- Maximum Pressure: 150 psi (1034 kPa).
- Minimum Flow: 0.5 gpm (1.9 lpm).
- Recirculation Port: 1/2 in. NPT.
Lead-free Plumbing Code Compliance: The wettable surface of lead-free models contain less than 0.25% of lead by weighted average
Temperature Selection
The AMX Series DirectConnect is made with a temperature range of 90 to 130 °F (32 to 54 °C). The factory mix output setting is at 120 °F (49 °C), using the following normal conditions: 140 °F (60 °C) hot water input and 60 °F (16 °C) cold water input. Conditions different than the normal setting may require readjustment to achieve the 120 °F (49 °C) mix output temperature. To change the output mix temperature it requires a 3/16 in. Allen wrench, which is included.
- Punch through the center of the temperature range label.
- Adjust temperature mix output by turning the screw clockwise to decrease the mix temperature and counterclockwise to increase the mix output temperature.
- Use a thermometer to verify mix output temperature.
IMPORTANT
Do not operate the valve at temperatures outside of its calibrated range.
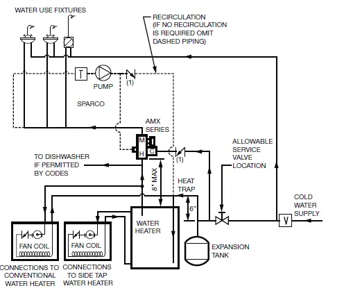
TYPICAL INSTALLATION DIAGRAMS
Domestic Water Mixing
Use when water temperature produced by heater is hotter than desired at point of use. Many codes require that water supplied to the system be limited to 120 °F (49 °C) maximum

Recirculation Loop
The purpose of a recirculation loop is to supply immediate tempered water to all hot water fixtures. This helps conserve water usage. In the recirculating loop, the hot water supply returns from the furthest fixture from the heating source andis connected to the AMX mixing valve recirculation port and the cold supply line of the water heater, storage tank or boiler. The AMX Series DirectConnect mixing valve allows easy recirculation connection through the integral recirculation port. A temperature controlcirculating pump is required to move the tempered water in the recirculation loop. The Resideo L6006C1018 Aquastat® Control is the recommended temperature control device for the circulator. The Resideo Aquastat Controller should be set 5 to 10 °F (-15 to -12 °C) below the set mixed outlet temperature.
CAUTION
Injury Hazard. Can cause severe burns. If the circulator pump is continuously running and not temperature controlled by an Aquastat Controller, the recirculating loop temperature could exceed the set mixed temperature and reach scalding temperatures during no demand periods

Legend:
- Check Valve.
- Alternate pump location.
- V = Any device which turns the domestic water system into aclosed system, such as backflow preventers, check valves or pressure reducing valves.
- T = Recirculation pump thermostat control
NOTE: V is optional, depending on local codes. If a V type valve is used, it is mandatory that a thermal expansion tank be installed as shown. Otherwise, dangerous high pressures could result or water heater safety relief valve will frequently expel water. If no V device is used, no thermal expansion tank is required
Space Heating
Boilers must operate at a water temperature higher than the desired temperature in the heating system in order to perform at maximum efficiency. Example: radiant floor heating.
Mixing Applications
(Constant Supply Temperature)


Diverting Application (Constant Temperature)
Single loop is shown in Fig. 8. For multiple loops, see the Mixing Applications section.

- Allen® is a registered trademark of Industrial Fasteners, Inc.
- Aquastat® is a registered trademark and DirectConnect™ is a trademark of Resideo Technologies, Inc.
- Teflon® is a registered trademark of E.I. du Pont de Nemours and Company.
Resideo Technologies, Inc. 1985 Douglas Drive North, Golden Valley, MN 55422 1-800-468-1502 62-3074—07 M.S. Rev. 11-22 | Printed in United States www.resideo.com
© 2022 Resideo Technologies, Inc. All rights reserved. This product is manufactured by Resideo Technologies, Inc. and its affiliates.




















