resideo AMX102-UP-1LF 1 in Direct Connect Union Pro Press

APPLICATION
Any application requiring accurate control of water temperature based on mixing of hot and cold water, such as:
- Domestic water for residents designed to be mounted directly on the water heater.
- Hotels, schools, hospitals, or nursing homes.
- Space heating.
- Radiant floor heating.
- Central distribution systems.
- Combo systems.
- Heat pump systems.
- Industrial applications.
Benefits
AMX Series DirectConnect™ Mixing Valve provides energy savings, increased comfort and safety for the user.
Operation
Automatic operation is provided by thermostatic element. Element will control hot and cold supply based on valve setting. If cold water is shut off, valve reduces mixed flow rate in seconds.
CAUTION
Injury Hazard. Exceeding mix temperature can cause burns. For domestic water applications the AMX Series DirectConnect Mixing Valve temperature should not exceed 120° F (49° C).
Service
To remove dirt, flush valve. To remove calcium deposits, soak valve in vinegar for 24 hours and flush, or contact factory.Temperature Selection
INSTALLATION INSTRUCTIONS
The AMX Series is made with a temperature range of 90° F to 130° F (32° to 54° C). The factory mix output setting is at 120° F (49° C), using the following normal conditions: 140° F (60° C) hot water input and 60° F (16° C) cold water input. Conditions different than the normal setting may require readjustment to achieve the 120° F (49° C) mix output temperature. To change the output mix temperature requires a 3/16 in. Allen® wrench, which is included.
- Punch through the center of the temperature range label.
- Adjust temperature mix output by turning the screw clockwise to decrease the mix temperature and counterclockwise to increase the mix output temperature.
- Use a thermometer to verify mix output temperature.
IMPORTANT
Do not operate the valve at temperatures outside of its calibrated range.
CAUTION
For the homeowner’s comfort, safety and convenience, it is recommended this mixing valve kit be installed and serviced by a plumbing professional. These instructions provide detailed instructions for installation and maintenance of the mixing valve kit. You must read these instructions carefully and completely to ensure proper installation.
TYPICAL INSTALLATION DIAGRAMS
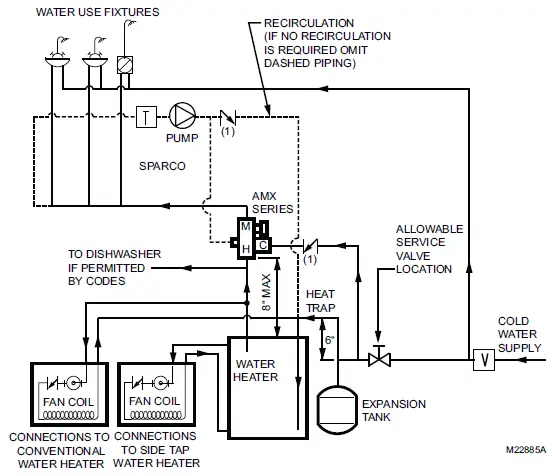
Domestic Water Mixing (Figures 2, 3and 4) Use when water temperature produced by heater is hotter than desired at point of use. Many codes require that water supplied to the system be limited to 120° F (49° C) maximum.
Recirculation Loop
The purpose of a recirculation loop is to supply immediate tempered water to all hot water fixtures. This helps conserve water usage. In the recirculating loop, the hot water supply returns from the furthest fixture from the heating source and is connected to the AMX mixing valve recirculation port and the cold supply line of the water heater, storage tank or boiler. The AMX Series DirectConnect mixing valve allows easy recirculation connection through the integral recirculation port. A temperature control circulating pump is required to move the tempered water in the recirculation loop. The Resideo L6006C1018 Aquastat® Control is the recommended temperature control device for the circulator. The Resideo Aquastat Controller should be set 5° to 10° F (-15° to -12° C) below the set mixed outlet temperature.
CAUTION
Injury Hazard. Exceeding mix temperature can cause burns. For domestic water applications the AMX Series DirectConnect Mixing Valve temperature should not exceed 120° F (49° C).

Legend:
- Check Valve.
- Alternate pump location.
- V = Any device which turns the domestic water system into a closed system, such as backflow preventers, check valves or pressure reducing valves.
- T = Recirculation pump thermostat control.
NOTE:
V is optional, depending on local codes. If a V type valve is used, it is mandatory that a thermal expansion tank be installed as shown. Otherwise, dangerous high pressures could result or water heater safety relief valve will frequently expel water. If no V device is used, no thermal expansion tank is required.
Space Heating
Boilers must operate at a water temperature higher than the desired temperature in the heating system in order to perform at maximum efficiency. Example: radiant floor heating.
Mixing Applications (Constant Supply Temperature)

Multiple Loops (One Loop at Boiler Water Temperature and AMX Series DirectConnect Loop at Lower Temperature).
Diverting Application (Constant Temperature)
Single loop is shown in Fig. 8. For multiple loops, see the Mixing Applications section.

SPECIFICATIONS
Thermostatic Mixing or Diverting Valve Dimensions.

- Maximum Temperature: 200° F (93° C), except for CPVC mixing valves (maximum of 180° F [82° C]).
- Minimum Temperature Difference between hot and mix: 10° F (-12° C).
- Factory Temperature Setting: 120° F (49° C).
- Minimum Flow: 0.5 gpm (1.9 lpm).
- Recirculation Port: 1/2 in. NPT.
- Lead Free Plumbing Code Compliance: The wettable surfaces of lead free models contain less than .25% of lead by weighted average
AMX SERIES DIRECTCONNECT
Allen® is a registered trademark of Industrial Fasteners, Inc. Aquastat® and DirectConnect® are registered trademarks of Resideo Technologies, Inc.
Resideo Technologies, Inc.
1985 Douglas Drive North, Golden Valley, MN 55422 1-800-468-1502 62-3097—06 M.S. Rev. 12-22 | Printed in United States www.resideo.com
© 2022 Resideo Technologies, Inc. All rights reserved. This product is manufactured by Resideo Technologies, Inc. and its affiliates.



















