IMMERGAS DIMV2 Multi Zone Distribution Box for 2 Zones

Dear Client,
Our compliments for having chosen a top-quality Immergas product, able to assure well-being and safety for a long period of time. As an Immergas customer you can also count on a qualified after-sales service, prepared and updated to guarantee constant efficiency of your products. Read the following pages carefully: you will be able to draw useful suggestions regarding the correct use of the device, the respect of which, will confirm your satisfaction for the Immergas product. For any interventions or routine maintenance contact Immergas Authorised Centres: these have original spare parts and boast of specific preparation directly from the manufacturer.
General recommendations
All Immergas products are protected with suitable transport packaging.
The material must be stored in a dry place protected from the weather.
The instruction booklet is an integral and essential part of the product and must be given to the new user in the case of transfer or succession of ownership.
It must be kept well and consulted carefully, as all of the warnings supply important indications for safety in the installation, use and maintenance stages.
This instructions manual provides technical information for installing Immergas products. As for the other issues related to the installation of products (e.g. safety at the workplace, environmental protection, accident prevention), it is necessary to comply with the provisions of the standards in force and the principles of good practice.
In compliance with the legislation in force, the systems must be designed by qualified professionals, within the dimensional limits established by the Law.
Installation and maintenance must be performed in compliance with the regulations in force, according to the manufacturer’s instructions and by professionally qualified staff, meaning staff with specific technical skills in the plant sector, as provided for by Law.
Improper installation or assembly of the Immergas device and/or components, accessories, kits and devices can cause unexpected problems for people, animals and objects. Read the instructions provided with the product carefully to ensure proper installation.
Maintenance must be carried out by skilled technical staff. The Immergas Authorised After-sales Service represents a guarantee of qualifications and professionalism.
The appliance must only be used for that, expressly foreseen. Any other use must be considered improper and therefore dangerous.
If errors occur during installation, running and maintenance, due to the non-compliance of technical laws in force, standards or instructions contained in this book (or however supplied by the manufacturer), the manufacturer is excluded from any contractual and extra-contractual liability for any damage and the appliance warranty is invalidated.
The manufacturer declines all liability due to printing or transcription errors, reserving the right to make any modifications to its technical and commercial documents without forewarning
INSTALLING THE DEVICE
DESCRIPTION OF THE DEVICE
This kit proposes for the management of zones heating systems with large water capacities. In particular, it is a kit that can be combined exclusively with Magis Hercules Pro Mini 6-9 and Magis Hercules Pro Mini EH 6-9, designed to manage 1 mixed and 1 direct zone or 2 direct zones.
The kit is characterised by the possibility to be recessed into the wall, therefore having no clearance. Each zone served by the kit is managed by an appropriate temperature control connected to the heat generator.
INSTALLATION RECOMMENDATIONS
The place of installation of the appliance and relative Immergas accessories must have suitable features (technical and structural), such as to allow for (always in safe, efficient and comfortable conditions):
- installation (according to the provisions of technical legislation and technical regulations);
- maintenance operations (including scheduled, periodic, routine and special maintenance);
- removal (to outdoors in the place for loading and transporting the appliances and components) as well as the eventual replacement of those with appliances and/or equivalent components.
Only a professionally enabled company is authorised to install Immergas kits. Installation must be carried out according to regulation standards, current legislation and in compliance with local technical regulations and the required technical procedures. Before installing the device, ensure that it is delivered in perfect condition; if in doubt, contact the supplier immediately. Packing materials (staples, nails, plastic bags, polystyrene foam, etc.) constitute a hazard and must be kept out of the reach of children. In the event of malfunctions, faults or incorrect operation, turn the device off immediately and contact a qualified technician (e.g. the Immergas Technical Assistance centre, which has specifically trained staff and original spare parts) Do not attempt to modify or repair the appliance alone. Failure to comply with the above implies personal responsibility and invalidates the warranty.
Recess installation
Prepare the masonry creating an opening in the wall suitable to contain the kit (see dimensions on the next page).
Insert the kit (1) into its seat, remembering to open the four support fins (2) before insertion (see Fig. 1). Protect the side edges and the front cover during recess preparation for the device.
N.B.: because the hydraulic and electric connections between system and kit must be inside the clearance of the device itself, first position the kit and then the system input and output pipes and the electric cable ducts.
Attention: the recessed kit is not a supporting structure and cannot replace the piece of wall removed. It is therefore necessary to check the correct positioning inside the wall.
For safety reasons, it is necessary to carefully seal the housing compartment of the kit in the wall, in compliance with Standards in force.
N.B.: leave the drain holes located under the front door open. Otherwise, if water should enter, it could not go out.
Wall-hanging installation
Fasten the kit to the wall using four expansion plugs, suitable for the type of wall and weight of the device (not supplied) and using the four drilled holes (see Fig. 2 pos. X). Use the fairlead and the sheath-holder (3) supplied to limit the infiltration of water inside the frame.
MAIN DIMENSIONS

| Height (mm) | Width (mm) | Depth (mm) |
| 700 | 450 | 190 |

Key:
RG – Generator return (G 3/4”)
MG- Generator flow (G 3/4”)
V – Electrical connection
X – Holes for DIM wall-mounted fastening
DIM 2 direct zones
A – Direct zone 1 return system (G 3/4”)
C – Direct zone 2 return system (G 3/4”)
D – Direct zone 2 flow system (G 3/4”)
F – Direct zone 1 flow system (G 3/4”)
DIM 1 direct zone and 1 mixed zone
A – Direct zone 1 return system (G 3/4”)
B – Mixed zone 2 return system (G 1”)
E – Mixed zone 2 flow system (G 1”)
F – Direct zone 1 flow system (G 3/4”)
HYDRAULIC CONNECTION
Attention: before making the appliance connections, clean the heating system thoroughly (pipes, radiators, etc.) with special pickling or de-scaling products to remove any deposits that could compromise the correct operation of the device.
Provide a chemical treatment of the thermal system water, in compliance with the local norms, in order to protect the system and the appliance from deposits (e.g., lime scale), slurry or other hazardous deposits.
The hydraulic connections must be made in a rational manner using the values as per Fig. 2.
IMPORTANT: remove all the protection caps from the system flow and return pipes before making the hydraulic connections. The connections can be made directly using the female couplings on the distribution manifold or by inserting system cut-off cocks(optional). These cocks are particularly useful for maintenance as they allow you to drain the distribution manifold separately without having to empty the entire system.
N.B.: the manufacturer does not supply the G1” cocks to be installed in the low-temperature zone.
Check that the expansion vessel in the heat generator allows for the increase in volume of the water resulting from its central heating without opening the safety valve. If this is not the case, an expansion vessel with appropriately dimensioned capacity must be installed on the system.
The kit is set up for the insertion of the automatic “jolly” vent valve to be mounted on the manifold. This is recommended for better air venting inside the system.
If two kits are installed in parallel, two manual valves must be provided in order to allow correct balancing of the hydraulic circuit.
ELECTRICAL CONNECTION
The kit has a protection rating of IPX4D. Electrical safety of the device is reached only when it is correctly connected to an efficient earthing system as specified by current safety standards.
Attention: the manufacturer declines any responsibility for damage or physical injury caused by failure to connect the device to an efficient earth system or failure to comply with the reference IEC standards. Also ensure that the electrical installation corresponds to maximum power absorbed by the device, as shown on the data-plate inside the recess.
Important: it is mandatory to prepare two electrical connection lines in order to separate the power supply in high and low voltage, according to the standards in force regarding electrical systems. These lines must arrive inside the kit via relevant sheaths or ducts passing through the fairlead and the sheath-holder supplied, situated on the upper side of the device.
INSTALLATION DIAGRAMS
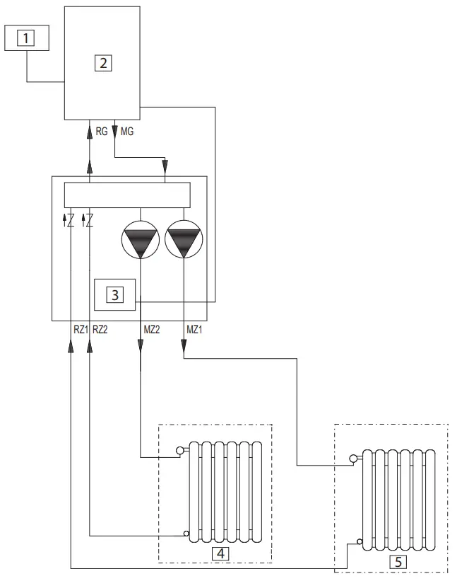
2 direct zones

Key:
MG – Flow
RG – Return
RZ1 – Direct zone 1 return
RZ2 – Direct zone 2 return
MZ2 – Direct zone 2 flow
MZ1 – Direct zone 1 flow
(See Fig. 10 for the electrical connection)
1 direct zone and 1 mixed zone

Key:
MG – Flow
RG – Return
RZ1 – Direct zone 1 return
RZ2 – Mixed zone 2 return
MZ2 – Mixed zone 2 flow
MZ1 – Direct zone 1 flow
(See Fig. 11 for the electrical connection)
COMMISSIONING THE DEVICE
System filling. When the device has been connected, fill the system.
Filling is performed at low speed to ensure release of air bubbles in the water via the heating system vents.
Close radiator vent valves when only water escapes from them.
Close the filling cock when the heat generator pressure gauge indicates approx. 1.2 bar.
N.B.: during these operations activate the system vent function of the hydronic unit (see relative instruction booklet).
(1 direct zone and 1 mixed zone only). Manually operate the three-way mixing valve using the appropriate lever on the electric actuator, keeping it open to deaerate the system and, if necessary, check the correct operating pressure. At the end of these operations, make sure that the lever on the electric actuator is released from the manual lock position.
SIZING THE SYSTEMS
The flow temperatures to the various zones of the system may decrease with respect to that of the generator outlet, depending on the mixing of the flow and return fluids inside the manifold of the kit. If the kit is used to supply Low Temperature zones, check that the design parameters make it possible to obtain a maximum surface temperature of the radiant floor that complies with the standards in force.
KITS AVAILABLE ON REQUEST
- System cut-off cock kit (on request). The kit is designed for the installation of system interception cocks, to be placed on the flow and return pipes of the connection assembly. This kit is particularly useful for maintenance as it allows the kit to be drained separately without having to empty the entire system.
The above-mentioned kits are supplied complete with instructions for assembly and use. Check the complete list of kits available and which can be combined with the product, consult the Immergas website, the Immergas Price List or the technical-commercial documentation (catalogues and data sheets).
CIRCULATION PUMP
The pump is ideal for the requirements of each central heating system in a domestic and residential environment. In fact, the pump is equipped with electronic control that allows to set advanced functions.
Adjustments.. Turn the selector and set it on the desired curve to adjust the circulator pump.
| Program | Led |
| P 1 lower (ΔP-V) P 2 upper (ΔP-V | green |
| C 3 lower (ΔP-C) – H=3 m C 4 upper (ΔP-C) – H=4 m | orange |
| Min – Max | blue |
- Program P (1 lower 2 upper) (ΔP-V) – Proportional curve (green LED). This allows the pressure level (head) to be proportionally reduced as the system heat demand decreases (flow rate reduction). Thanks to this function, the electric power consumption of the circulator pump is reduced further: the energy (power) used by the pump decreases according to the pressure level and flow rate. With this setting, the pump guarantees optimal performance in most heating systems, thereby being particularly suitable in single-pipe and two-pipe installations. Any noise of the water flow in the pipes, valves and radiators is eliminated by reducing the head. Optimal conditions for thermal comfort and acoustic well-being.
- Programs C (3 lower 4 upper) (ΔP-C) – Constant curve (orange LED). The circulator pump maintains the pressure level (head) constant as the system heat demand decreases (flow rate reduction). With these settings, the circulator pump is suitable for all floor systems where all the circuits must be balanced for the same drop in head.
- MIN-MAX Program (Blue LED). The pump is distinguished by adjustable operating curves by positioning the selector in any point between the Min and Max positions, thereby satisfying any installation requirement (from a simple single-pipe to more modern and sophisticated systems) and always guarantee optimum performance. The precise working point can be selected in the entire field of use by gradually adjusting the speed.
Real time diagnostics: lit LED (in various colours) provides information regarding the pump operating status, see fig. 5.
Possible pump release. The pump block is indicated by a fixed red LED switching on. Turn the selector up to the MAX position, disconnect and reconnect the power to restart the automatic release process. The pump will then activate the procedure that will last a maximum of 15 minutes and the LED will flash upon each restart. It then turns blue for a few seconds and goes back to red if the attempt to restart is not successful.
Once the process is complete, set the selector back to the desired curve and if the problem has not bee resolved, perform the manual release procedure as described below. - Disconnect the power to the generator (the LED switches off).
- Close the system flow and return and let the pump cool down.
- Empty the system circuit via the relative cock.
- Remove the motor and clean the impeller.
- Once unblocked, remount the motor.
- Fill the primary circuit; restore generator power and set the desired curve.
Attention: there is a burns hazard due to high fluid temperature and pressure. Burns hazard from coming in contact.
| Circulating pump LED | Description | Diagnostics | Remedy |
| LED steady on | Pump noisy | Insufficient system pressure. circulating pump in cavitation | Restore correct thermal circuit pressure |
| Presence of foreign matter in the impeller | Remove the motor and clean the impeller | ||
| Flashing white LED | Noises during cir- culation of the heat transfer fluid | Presence of air in the system | Vent the system |
| LED steady on | Flow rate too high | Reduce rotation speed | |
| LED off | The circulator does not work | Power outage | Ensure the generator is correctly powered. ensure the circulator is correctly powered |
| Faulty circulating pump | Replace the circulating pump | ||
| Red LED | Rotor seized | Remove the motor and clean the impeller | |
| Insufficient power supply voltage | Check generator power supply voltage |
Total head available to the system – Constant speed program

Total head available to the system – Proportional or constant speed program

Key:
C = Head available to the system with circulator pump selector in position C4 (standard setting)
D = Head available to the system with circulator pump selector in position C3
E = Head available to the system with circulator pump selector in position P2
F = Head available to the system with circulator pump selector in position P1
G = Circulator pump power with selector in position C4 (standard setting)
H = Circulator pump power with selector in position C3
I = Circulator pump power with selector in position P2
L = Circulator pump power with selector in position P1
MAIN COMPONENTS
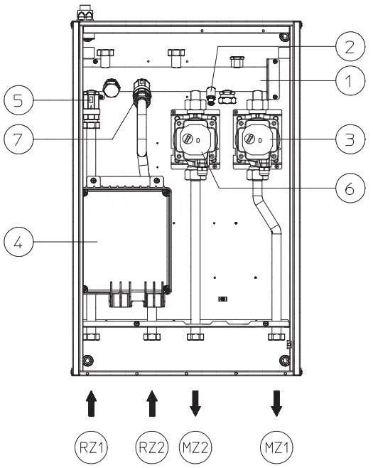
2 direct zones

Key:
- – Hydraulic manifold
- – Drain fitting
- – Zone 1 pump
- – Connection box
- – Zone 1 “Europe” one-way valve
- – Zone 2 circulator
- – Zone 2 “Europe” one-way valve
RZ1 – Direct zone 1 return
RZ2 – Direct zone 2 return
MZ2 – Direct zone 2 flow
MZ1 – Direct zone 1 flow
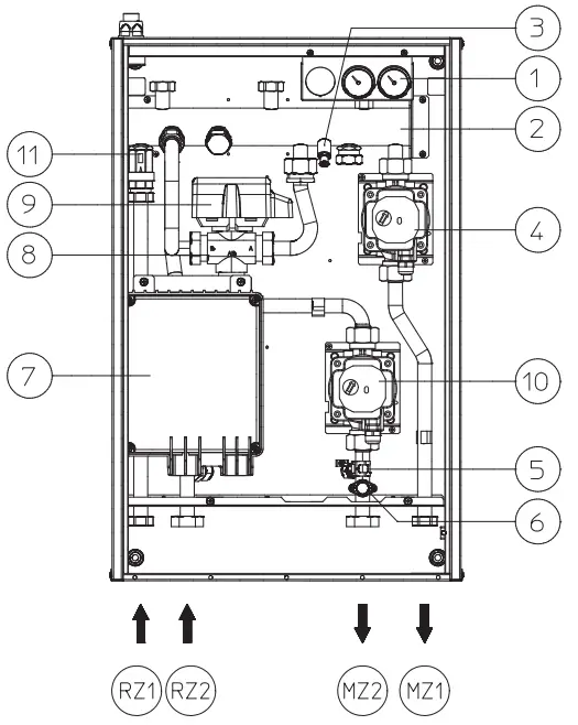
1 direct zone and 1 mixed zone

Key:
- – Flow temperature thermometers
- – Hydraulic manifold
- – Drain fitting
- – Direct zone 1 pump
- – Mixed zone 2 flow probe
- – Mixed zone 2 safety thermostat
- – Connection box
- – Mixed zone 2 3-way mixing valve
- – Mixed zone 2 mixing valve motor
- – Mixed zone 2 pump
- – Zone 1 “Europe” one-way valve
RZ1 – Direct zone 1 return
RZ2 – Mixed zone 2 return
MZ2 – Mixed zone 2 flow
MZ1 – Direct zone 1 flow
USE AND MAINTENANCE INSTRUCTIONS
GENERAL WARNINGS
f the device must be deactivated temporarily, act directly on the main switch to power off the system and work safely
- Attention: using any components that use electrical power requires the observation of some fundamental rules:
- do not touch the device with wet or moist parts of the body; do not touch when barefoot.
- if the device is wall-mounted: do not pull the electric cables, do not leave the device exposed to the elements (rain, sun, etc.);
- the power supply cable of the device must not be replaced by the user;
- in the event of damage to the cable, switch off the device and contact exclusively qualified staff for replacement;
- if the device is not going to be used for a certain period, disconnect the main power switch.
WARNINGS FOR THE USER
This device does not require any regulation or control by the user; the opening of the device front lid is therefore prohibited.
The only operation that the user must perform is to periodically check the water pressure of the system in the heat generator. The heat generator pressure gauge should read a value of between 1 and 1.2 bar.
If the pressure is below 1 bar (with the circuit cool), restore normal pressure.
N.B.: if pressure values reach around 3 bar the heat generator safety valve may be activated.
In this case contact a professional technician for assistance.
In the event of frequent pressure drops, contact qualified staff for assistance to eliminate the possible system leakage.
At the end of its service life, the appliance must not be disposed of like normal household waste nor abandoned in the environment, but must be removed by a professionally authorised company. Contact the manufacturer for disposal instructions.
CLEANING THE CASE
Use damp cloths and neutral detergent to clean the kit casing. Never use abrasive or powder detergents.
CHECKS AND MAINTENANCE
- make sure the heating/cooling system is filled with water and that the manometer indicates a pressure of 1÷1.2 bar;
- make sure that the air valve cap (if present) is open and that the system is appropriately de-aerated;
- check the sealing efficiency of water circuits;
- check the correlation between the electric and hydraulic connections;
- (1 direct zone and 1 mixed zone only) with a heat demand in the mixed zones, check the correct opening and closing of the mixing valve; by manually opening the latter, check the intervention of the system safety thermostat (the generator flow temperature must be set above 60 °C).
If even only a single safety check offers a negative result, do not commission the system.
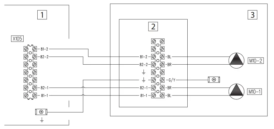
WIRING DIAGRAM
2 direct zones

Key:
M10-1-Zone 1 pump
M10-2-Zone 2 pump
1 – Supervisor panel
2 – Connection box
3 – Two zones kit
BR – Brown
BL – Blue
G/Y – Green/Yellow
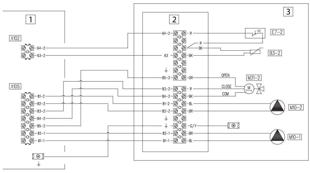
1 direct zone and 1 mixed zone

Key:
B3-2 – Zone 2 flow probe
E7-2 – Zone 2 safety thermostat (low temperature)
M10-1-Zone 1 pump
M10-2-Zone 2 pump
M31-2- Mixing valve zone 2
1 – Supervisor panel
2 – Connection box
3 – Two zones kit
BK – Black
BL – Blue
BR – Brown
Y/G – Green/Yellow
OR – Orange
R – Red
W – White
Connection example of hydraulic diagram (2 direct zones).

Key:
1- 230 Vac – 50Hz Power supply
2- Generator
3- Connection box
4- Direct zone 2
5- Direct zone 1
Connection example of hydraulic diagram (1 direct zone and 1 mixed zone).

Key:
1- 230 Vac – 50Hz Power supply
2- Generator
3- Connection box
4- Mixed zone 2
5- Direct zone 1
TECHNICAL DATA
TECHNICAL DATA TABLE
| 2 direct zones | 1 direct zone and 1 mixed zone | ||
| Maximum nominal pressure | bar | 3 | 3 |
| Maximum operating pressure | °C | 90 | 90 |
| Minimum set-point low temperature circuit control temperature | °C | — | 25 o 35 |
| Maximum set-point low temperature circuit control temperature | °C | — | 50 o 75 |
| Low temperature safety thermostat intervention | °C | — | 55 |
| Water content in device | l | 1.3 | 1.5 |
| Total head available in direct zone with 1000 l/h flow rate (max) | kPa (m H2O) | 31.40 (3.20) | 31.40 (3.20) |
| Total head available in mixed zone (mixing valve open) with 1000 l/h flow rate (max) | kPa (m H2O) | — | 30.30 (3.10) |
| Empty device weight | kg | 17.3 | 19.7 |
| Full device weight | kg | 18.6 | 21.2 |
| Electrical connection | V/Hz | 230/50 | 230/50 |
| Maximum input | A | 0.62 | 0.62 |
| Installed electric power | W | 100 | 100 |
| Stand-by power | W | 1.2 | 1.2 |
| EEI value | – | ≤ 0.21 – Part. 2 | ≤ 0.21 – Part. 2 |
| Electric plant protection | – | IPX4D | IPX4D |
| Maximum distance between kit – heat generator | m | 15 | 15 |
During the useful life of the products, performance is affected by external factors, e.g. the hardness of the DHW, atmospheric agents, deposits in the system and so on. The data declared refer to new products that are correctly installed and used with respect to the Standards in force.
N.B.: correct periodic maintenance is highly recommended.
This instruction booklet is made of ecological paper.
Immergas S.p.A.
42041 Brescello (RE) – Italy
Tel. 0522.689011
Fax 0522.680617


The above-mentioned kits are supplied complete with instructions for assembly and use. Check the complete list of kits available and which can be combined with the product, consult the Immergas website, the Immergas Price List or the technical-commercial documentation (catalogues and data sheets).



















