IMMERGAS 3.011668 Zone System Connection Kit

GENERAL WARNINGS
All Immergas products are protected with suitable transport packaging. The material must be stored in a dry place protected from the weather. This instruction manual provides technical information for installing the Immergas kit. As for the other issues related to kit installation (e.g. safety at the workplace, environmental protection, accident prevention), it is necessary to comply with the provisions specified in the regulations in force and with the principles of good practice.
Improper installation or assembly of the Immergas appliance and components, accessories, kits, and devices can cause unexpected problems for people, animals, and objects. Read the instructions provided with the product carefully to ensure proper installation. Installation and maintenance must comply with the regulations in force, according to the manufacturer’s instructions and by professionally qualified staff, meaning staff with specific technical skills in the plant sector, as envisioned by the law.
DESCRIPTION OF THE PRODUCT
This Kit has been designed to be combined with systems with zone valves or external circulator pumps and can manage up to a maximum of 3 zones. The Comando Amico Remoto (Remote control) V2 (CARV2) controls zone 1. The “Zone system connection kit” must be installed outside the boiler in compliance with the instructions below. Room thermostats or chrono-thermostats combined with the “Zone Con-nection Kit” must be equipped with a potential-free contact.
PROVISIONS FOR INSTALLATION
- The connecting cables of the room thermostats must never be coupled to 230 V line cables.
- The maximum distance of connections between zone kits and room thermostats must not exceed 50 m.
- The maximum distance of connections between zone kits and the boiler must not exceed 15 m.
- The minimum conductor cross-section for 24 V connections is 0.5 sq. mm
- In order to guarantee the perfect water tightness of the box, it must be installed in such a way that the cable clamps are in a horizontal position and that the cables are passed through them correctly. If any unused cable clamps are left, the holes must be closed to maintain IP 44 protection.
DHW PHASE:
If a DHW withdrawal is in progress, or if summer operation is set, the control unit disables all zone relay outputs.
INSTRUCTIONS FOR INSTALLATION
The following operations must be carried out by technically qualified personnel. Before performing any operation, remove the power supply to the boiler by acting on the switch placed upstream from the appliance. The kit’s electrical connection cables must pass through the appropriate cable clamps. It is recommended to tighten the cable clamps after making the electrical connections.
For electrical connections to the boiler, refer to the relevant instruction booklet.
- Connection of the zone valves/zone circulator pumps:
The zone valves must be connected on terminal boards “X2” and “X4” and for earthing to terminal board “X3” of the zone kit, in compliance with the numerical order dedicated to the various zones. - Connection of room thermostats:
The contacts of the room thermostats must be connected to the terminal board “X9” of the zone kit. - Connection of the zones control unit to the boiler:
To enable dialogue between the boiler and the zone kit, and vice versa, you must connect the “X5” and “X15” terminal boards of the zone control unit to the boiler connection terminal board. Remove any jumper present at terminal boards 40 and 41 of the boiler. If terminal 21 is not available on the boiler, it is recommended, during the summer phase, to check that the room thermostats do not make any requests, in order to avoid the operation of the circulator pumps and consequent energy waste. - Zones control unit power supply connection:
The power supply of the zone kit must be connected to the 230 V AC mains by inserting an omnipolar switch and relative fuse correctly sized according to the loads connected to the zone kit. It is also possible to connect the 230 V AC power supply of the zone kit directly to terminals A and B on the boiler after checking the absorption (fuse 3.15 A). - CARV2 connection:
The CARV2 must be set up for On-Off operation (see CARV2 instruction booklet). The CARV2 can be used to control zone 1 as an alternative to the room thermostat. For CARV2 connection to the boiler, refer to the relevant instructions booklet. Under these conditions, any request for heating mode from CARV2 causes the relay of zone 1 (main zone) to close.
NOTES FOR COMBINATION WITH SYSTEMS WITH EXTERNAL CIRCULATOR PUMPS (MAX. 3):
The “Zone system connection kit” can also manage systems designed for operation with external circulator pumps (max. 3). For these applications, in addition to inserting any one-way valves and regulating valves, check the flow rate/head graph in the boiler instruction booklet to assess the maximum flow rate circulating in the boiler. For further information, please contact the Immergas Consultancy Service.
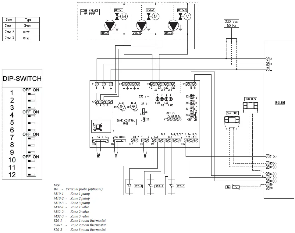
WIRING DIAGRAM OF ZONE KIT WITH REMOTE CONTROL

Key:
- B4 – External probe (optional) M10-1 – Zone 1 pump
- M10-2 – Zone 2 pump
- M10-3 – Zone 3 pump
- M32-1 – Zone 1 valve
- M32-2 – Zone 2 valve
- M32-3 – Zone 3 valve
- S20-1 – Zone 1 room thermostat
- S20-2 – Zone 2 room thermostat
- S20-3 – Zone 3 room thermostat



















