Imolaza 51600179 Smart Sprinkler Controller

[email protected]
http://support.imolaza.com
If you encounter any problems during use, please contact our after-sales support. Our technical support will solve the problem for you!
What’s in the box

Notice: The Imolaza Sprinkler Controller is only designed for indoor installation. You will need to purchase an Imolaza Weatherproof Enclosure for outdoor installation.
What you need

Transformer ratings:
| Input | 120V AC 60Hz 28W |
| Output | 24V AC, 1000 mA |
Controller ratings:
Input/Output 24V AC 1000 mA 60Hz
Remove your old controller
- Test your old controller to ensure that the irrigation system works properly.
- Take a picture of the current wiring as a reference for installing a new controller.
- Disconnect your old controller and remove sprinkler wires. Adhere a numeric labeling sticker to tag each associated wire for easy identification.
- Remove your old controller from the wall.

Notice: Before removing the previous system controller, make sure to turn off the power to avoid injury or fire damage.
Install the New Controller
- Use perforated label paper to mark where you want to install the smart controller.
- Drill holes for the anchors at the marked places using the corresponding bit to drill through the drywall.
- Use a hammer to tap lightly until each anchor point is in place.
- Connect sprinkler wires according to the corresponding labels.
- Install the product according to the fixed position.
Pro tip: If you’re replacing an old controller with our Wi-Fi controller, be sure to mount the new controller within range of the Wi-Fi network.

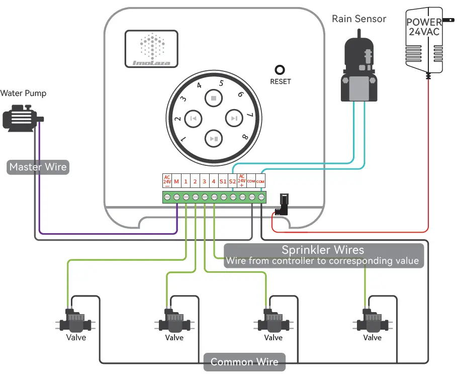
Connect Wires
Referencing the photo of your previous wiring, attach one wire from each valve to a “Common” (COM) terminal and the other wires to a numbered terminal (only one wire per terminal).

- COM Wire:
Common wire – Imolaza contains 2 “COM” terminals and you can connect it to any one of the “C” terminals. - 1-8 Zone Wires:
Corresponds to your irrigation zone. Connect sprinkler wires according to the corresponding labels. - Master Valve:
Master valve wires are often labeled “M,” “MV,” or “Pump.” Not all systems have a master valve. If you have a master valve, wire it into the “M” terminal, ignore if not. - Sensor Wires:
You can connect up to two sensors to your controller using the “S1,” “S2,” and 24VAC sensor power terminals.
Notice: The controller can only open one solenoid valve at a time, which is based on the consideration of water pressure. If multiple solenoid valves are opened at the same time, the water pressure will be insufficient and the water will not be able to flow normally.
Your Irrigation System

Download Imolaza App
- Search Imolaza App on the Apple App Store or Google Play to download. You can also scan QR code below to download the App.
- Create an account according to the app prompts.
- Sign into the Imolaza App with your account.

Add New Device
Follow the step-by-step process to add and set up your device. The Imolaza app will guide you to connect to the device. First, add an address, then confirm your location, and finally scan QR code or enter the device Mac address. The QR code is inside the cover; please remove the outer panel before scanning the QR code.

IOS Wi-Fi Connection
- Make sure your controller is powered on.
- Open the Wi-Fi settings on your phone and find a Wi-Fi network named “Imolaza_XXXX” to connect.
- Go back to the Imolaza App to get a list of available networks, tap your Wi-Fi router SSID and enter a password.
- If your Imolaza App shows “online” and the indicator light flashes blue, it means that your controller has been activated successfully.

Android Wi-Fi Connection
- Make sure your controller is powered on.
- Tap the Wi-Fi network named “Imolaza_XXXX” and connect to it.
- Then get a list of available networks, tap your Wi-Fi router SSID and enter a password to complete the configuration.

Notice: When Wi-Fi connection is lost, your saved schedules will continue to run as programmed, but the controller must be reconnected to access full functionality.
Wi-Fi Network Indicator

Solving Network Issues

Here are a few common solutions to Wi-Fi network issues:
1. Check the Wi-Fi password is correct.
2. Unplug your device for a few seconds and plug it back in.
3. Power cycle your router.
4. Press the reset button for 5 seconds.
If the above solutions still cannot solve your problem, please take a photo and email our technical support team.
Manual Watering
Water a Specific Zone
Press the and buttons to select the desired zone, then press the to begin watering.
Start/Pause Watering
Press the button to Start/Pause watering anytime.
Stop Watering
Press the button to exit the current watering state.
Reset to Factory Default
Press and hold for around 5 seconds to reset your controller. When your controller is offline and unplugging it to restart still can’t resolve the issue, you can press the “RESET” button.
Please be aware that the “RESET” button will delete all of your saved schedules data.

FAQ
- What if I have more than 8 zones?
A: Our app can support multi-device management, so you can buy 2 or more Imolaza smart sprinkler controllers. - What happens if the Wi-Fi connection is lost, for example if the router or network service is down?
A: Your saved schedules will continue to run as programmed as it’s stored on the memory of the controller, but the controller must be reconnected to access smart features. - Can I use this smart controller when I am away from my home Wi-Fi, such as when I am on vacation or at work?
A: Of course! As long as your smart device can connect to the network, you can remotely operate the irrigation controller.
Note: Please keep your home network normal during vacation. - Why is the device connected normally but cannot be watered quickly?
A: Quick watering is not available during the update, so please check whether the home interface of the app shows that the firmware is being updated. - Does Imolaza work with 5G Wi-Fi router?
A: No. Imolaza Sprinkler Controller only supports 2.4GHz Wi-Fi, not 5GHz. - Why doesn’t the home Wi-Fi network appear when I am searching for a Wi-Fi network?
A: First, the device only supports a 2.4Ghz network, and then please check that your device receives a good Wi-Fi signal of at least two bars. You can check this using a smartphone. If you still can’t solve the problem, please reset your router or controller. - Imolaza is unable to connect to my home Wi-Fi even if the correct password is entered.
- It’s possible that your router is an old one and runs on Wireless-B (11Mbps). Imolaza only supports the standards named Wireless-N, Wireless-G, and Wireless-AC.
- In the App, if your router uses WEP encryption, please select WEP mode under the password field.
- You should enter your home Wi-Fi password instead of your app login password.
- Make sure that your router has access to the network.
- Sometimes, rebooting your router can resolve some connection issues.
- Can the device automatically re-connect to Wi-Fi after power outages?
A: Yes, when the controller powers back on, it will automatically reconnect to your Wi-Fi network. The controller will remember all your data, including watering schedules, reports, and system settings, so don’t worry about losing! - Can I run more than one zone at a time?
A: Running multiple zones at once is usually not possible due to water pressure and flow limitations at residential properties. You can only run a single zone at a time based on the power output available. - I have not received the activation email, what should I do?
- Check your inbox including your junk and spam mail folders.
- Make sure your mailbox isn’t full or close to its limit. If the activation email was resent and you still haven’t received the activation, it is possible that your email service provider has blocked the outgoing activation email, please change the registered email or contact Imolaza after sales support team for further help.Imolaza After Sales Support Team for further help.
Instructional Video
The Imolaza App and firmware are regularly updated, therefore the actual operation may differ slightly from those described in the instructions. Please follow the instructions in the Imolaza App.
If you are unsure how to install and set up Imolaza App, please scan the code to watch our instructional video.

FCC Statement
This device complies with part 15 of the FCC Rules. Operation is subject to the following two conditions: (1) This device may not cause harmful interference, and (2) this device must accept any interference received, including interference that may cause undesired operation.
FCC Warning:
Changes or modifications not expressly approved by the party responsible for compliance could void the user’s authority to operate the equipment.
Note:
This equipment has been tested and found to comply with the limits for a Class B digital device, pursuant to part 15 of the FCC Rules. These limits are designed to provide reasonable protection against harmful interference in a residential installation. This equipment generates, uses and can radiate radio frequency energy and, if not installed and used in accordance with the instructions, may cause harmful interference to radio communications. However, there is no guarantee that interference will not occur in a particular installation. If this equipment does cause harmful interference to radio or television reception, which can be determined by turning the equipment off and on, the user is encouraged to try to correct the interference by one or more of the following measures:
- Reorient or relocate the receiving antenna.
- Increase the separation between the equipment and receiver.
- Connect the equipment into an outlet on a circuit different from that to which the receiver is connected.
- Consult the dealer or an experienced radio/TV technician for help.
The FCC RF Exposure Information
This Transmitter must not be co-located or operating in conjunction with any other antenna or transmitter. This equipment complies with FCC RF radiation exposure limits set forth for an uncontrolled environment. This equipment should be installed and operated with a minimum distance of 20 centimeters between the radiator and your body.


















