HO-SC-8W Smart Sprinkler Controller

Product Information
The Smart Sprinkler Controller HO-SC-8W comes with a magnetic faceplate, smart sprinkler controller, 3 screws with anchors, power adapter (output 24VAC 1W), label sticker, threaded wiring connectors (5PCS), flat-head screwdriver. The product has electrical specifications such as adapter input of USA-AC120V 60Hz AU-AC230~240V 50Hz EU-AC230V 50Hz UK-AC240V 50Hz, adapter output of AC24V 1000mA, controller input of AC24V 1000mA, zone output of AC24V, and is compatible with AC24V control valve. It also has a master/pump valve of AC24V. The product dimensions are 7.9*5.7*1.8 and the product weight is 458g. The product is compatible with iOS or Android compatible device (iOS 12/Android 17 and above) and requires a 2.4GHz wireless network signal available at the installation location. It supports connectivity & security of 802.11 B/G/N20 Channels 1 to 14 at 2.4GHz (CH1-11 for US/CA, CH1-13for EU/CN), WEP/WPA/WPA2/WPA2 PSK(AES)security modes and Bluetooth 4.2 Low Energy (For connection pairing only). The product warranty is for 2 years.
Product Usage Instructions
- Step 1: Remove your old controller by testing it to make sure it can work properly. Use the included label stickers to mark all the lines you have connected and then remove the old controller.
- Step 2: Mark screw locations by keeping a distance of 6 feet and 1/8 inch.
- Step 3: Install your new controller by hanging it on the nut and securing it with two screws at the bottom.
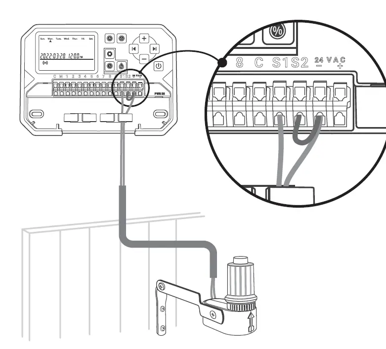
- Step 4: Wire connection by attaching the labels for the marked wires to your new device. Common wires can be inserted into any wire hole marked with C. Zone wires should be inserted into the labeled number corresponding to the area to be watered. The master valve, if required, should be connected to the M port. You can connect up to 2 rain sensors to the ports marked with S1, S2, and 24VAC-. Insert the power connector upwards into the power socket on the lower right of the cable duct. Then plug the power adapter into a power outlet.
- Step 5: Download the INKBIRD app by searching the keyword INKBIRD in App Store or Google Play or scan the QR code to download and install the app. Create your account once the app is installed.
- Step 6: Connect to Wi-Fi by opening the INKBIRD app and clicking + on the top right corner to add a device.
Follow the app instructions to complete the Wi-Fi connection. Note that this controller only supports 2.4GHz Wi-Fi networks. After the connection is successful, the icon on the controller will always be on.
Congratulations! You are now ready to use the new Smart Sprinkler Controller HO-SC-8W for a new irrigation journey!
WHAT YOU WILL GET


TOOLS YOU WILL NEED

Electrical Specifications
| Adapter Input | USA-AC120V 60Hz AU-AC230~240V 50Hz EU-AC230V 50Hz UK-AC240V 50Hz |
| Adapter Output | AC24V 1000mA |
| Controller Input | AC24V 1000mA |
| Zone Output(AC24V) | Comptible with AC24V control valve |
| Master/Pump Valve | AC24V |
App Installation Requirements
- IOS or Android compatible device (iOS 12/Android 17 and above)
- 2.4GHz wireless network signal available at the installation location
- 802.11 B/G/N20
- Channels 1 to 14 at 2.4GHz(CH1-11 for US/CA,CH1-13 for EU/CN)
- Support WEP/WPA/WPA2/WPA2 PSK(AES)security modes
- Support Bluetooth 4.2 Low Energy (For connection pairing only)
- Product Warranty:2 Years
Product Dimensions
- Controller Size:7.9“*5.7”*1.8“
- Product Weight:458g
CONNECTION TERMINAL

Still have trouble with setup, please scan the QR code to view the setup video.If this manual doesn’t have what you’re looking for or need help, please prepare the order Id and contact us before returning the product to the store.
E-mail: [email protected]
INSTALLATION STEPS
First, test your old controller to make sure it can work properly. Then use the included label stickers to mark all the lines you have connected. Finally, remove the old controller.

- Please make sure the distance between the device and the power socket is under 6 feet (1.8 meters).

- Use the mounting template to mark the location for installation. Then use the electric drill to drill holes in the marked mounting locations. Finally, use the hammer to install the screw anchors to the wall.
- Secure the top screw. Pay attention to leave a proper distance between the nut and the wall for hanging the controller.

Step3:Install Your New Controller
Hang your new controller on the nut. Then secure the controller with two screws at the bottom.

Step 4:Wire Connection
Attach the labels for the marked wires to your new device.
Common Wires
Common port is usually marked with C. A common wire can be inserted into any wire hole marked with C. 
Zone Wires
Zone wires correspond to the area to be watered, which should be inserted into the labeled number 
Mater Valve
The master valve is usually marked with M. If the master valve is required, it should be connected to the M port. 
Sensor Wire (optional)
You can connect up to 2 rain sensors to the ports marked with S1, S2, and 24VAC-. 
PWR-IN
Insert the power connector upwards into the power socket on the lower right of the cable duct. Then plug the power adapter into a power outlet. 
Step 5:Download the APP
Search the keyword “INKBIRD” in App Store or Google Play, or scan the QR code to download and install the APP. Create your account once the App is installed. 
Step 6:Connect to Wi-Fi
Open the INKBIRD app and Click “+” on the top right corner to add a device. Then, follow the app instructions to complete the Wi-Fi connection. Note that this controller only supports 2.4GHz Wi-Fi networks. After the connection is successful, the
icon on the controller will always be on.
Congratulations! You are now ready to use the new controller! Let’s start a new irrigation journey!
TROUBLESHOOTING GUIDE
What can you do if the Wi-Fi connection or irrigation facilities are not working? Here are some possible reasons and relative solutions for reference. We hope they are helpful. For any further questions, please feel free to contact us at [email protected].
Wi-Fi Connection Issue
(What if the Wi-Fi connection fails?)
- Ensure your home router is switched to a 2.4GHz Wi-Fi channel. This product only supports 2.4GHz Wi-Fi routers.
- Ensure the distance between the router and the controller is within the connection range. And obstacles such as walls will affect the wireless connection.
- Ensure your smartphone has Bluetooth enabled. With Bluetooth assistance, the controller can connect to your smartphone faster.
- Ensure the Wi-Fi function on the controller stays in the connection state, and the Wi-Fi icon
is flashing fast/slowly. Otherwise, press and hold
the button for 2 seconds to reset the Wi-Fi connection status.
Device Issue
(What if the controller does not work properly?)
- After plugging in the power supply, if the screen/indicator light does not light up, check that the power adapter is fully inserted into the power port, and make sure the main power switch is turned on.
- After enabling the automatic watering mode, if the controller does not execute watering, check that all wires are correctly connected and make sure the water valve is compatible with 24 VAC control voltage.
Setting Issue
(How to reset Wi-Fi or the device?)
Press and hold the button
for 2 seconds to reset Wi-Fi.
Screen Issue
(What if the screen/indicator light doesn’t light up?)
- Make sure the power adapter is working properly.
- Make sure the power supply is properly connected to the POWER IN port.
FUNCTION DESCRIPTION
| Function | Button Press | |
| Manual Watering | Press | |
| Skip | During watering, press | |
| Obey/ignore the rain sensor | In AUTO mode, press and hold is displayed. | |
| OFF | Short press | to power off. Only character “OFF” is |
| displayed. | ||
| Factory Settings | Press and hold | |
INKBIRD TECH.C.L.
[email protected]
Factory address: 6th Floor, Building 713, Pengji Liantang Industrial Area, NO.2 Pengxing Road, Luohu District, Shenzhen, China
Office address: Room 1803, Guowei Building, NO.68 Guowei Road, Xianhu Community, Liantang, Luohu District, Shenzhen, China![]()



is displayed.
















