IMMERGAS COD. 3.030908 Concentrator Kit with Wireless Room Probe Instructions
Hereby Immergas S.p.A., declares that the radio equipment type “Concentrator kit with wireless room probe” is in compliance with Directive 2014/53/EU. The full text of the EU declaration of conformity is available at the following Internet address: www.immergas.com.
PRELIMINARY REMARKS.
The “Concentrator Kit with wireless room probe” is composed of two devices capable of communicating with each other in radio frequency. The radio association between the two devices is not pre-configured at the factory. At the time of installation it is necessary to perform the operations listed below in order to activate the radio recognition and assign the room control to the correct zone.
The wireless room probe will be placed in the room where you want to have temperature control. The wireless room probe runs on two 1.5V AA batteries and does not require wired electrical connection.
The concentrator must be connected to the boiler by cables (supplied with the kit) and must be placed near the boiler. If necessary, it can be placed in rooms far from the boiler; in this case establish an adequate electrical connection (not supplied with the kit).
Both the probe and the concentrator are suitable for operation in dwelling; they cannot be used outdoors and / or subject to the weather.
GENERAL WARNINGS
All Immergas products are protected with suitable transport packaging. The material must be stored in a dry place protected from the weather. This instruction manual provides technical information for installing the Immergas kit. As for the other issues related to kit installation (e.g. safety in the workplace, environmental protection, accident prevention), it is necessary to comply with the provisions specified in the regulations in force and with the principles of good practice.
Improper installation or assembly of the Immergas appliance and/or components, accessories, kits and devices can cause unexpected problems for people, animals and objects. Read the instructions provided with the product carefully to ensure proper installation.
Installation and maintenance must be performed in compliance with the regulations in force, according to the manufacturer’s instructions and by professionally qualified staff, meaning staff with specific technical skills in the plant sector, as envisioned by the law.
This instruction leaflet has been prepared for: the Installer.
- Carefully read the instruction in this document giving indications on the technical characteristics, installation, assembly and association instructions.
- The system must be compliant with applicable standards.
- The instruction leaflet is to be considered part of the kit and must be “kept for future reference”.
- After removing the packaging, make sure all the components of the kit are intact and present. If in doubt, do not use them and contact the Dealer or Manufacturer.
- The kit is intended only for the use for which it was specially designed. Any other use must be considered improper and therefore dangerous.
- Our products are manufactured in compliance with the Safety Standards in force. It is, therefore, recommended to use all devices and attention in such a way that injury/damage is not caused to persons or objects.
- Do not disassemble parts of the kit when it is operating.
- Do not use the kit exposed to heat sources or under the scorching sun.
- Periodically check the battery charge of the wireless room probe.
- Immergas reserves the right to make improvements and changes to details and accessories, excepting the essential features of the model described and illustrated herein.
- The manufacturer will not be held responsible in the following cases:
- Incorrect installation.
- Malfunctions of the boiler to which the kit is applied.
- Unauthorised changes or tampering.
- Total or partial failure to comply with instructions.
- Exceptional events etc.
INSTALLATION
INSTALLATION RECOMMENDATIONS.
The installation of the kit, including the special cables and connections to the boiler, must be performed by specialized personnel. The Authorised Technical Service Centre does not provide for the free check of the kit if it is requested after the start of the boiler warranty.
Attention: cable-laying is excluded from the free boiler check. It is the responsibility of the installation company.
N.B.: follow the installation sequence below by installing first the support and then the wireless room probe and/or the concentrator
PACKAGE CONTENTS

Ref | Description | Qty |
| 1 | Wireless room probe | 1 |
2 | Concentrator for wireless room probe | 1 |
| 3 | 4-Pole cable for concentrator-boiler connection | 1 |
4 | Screw anchors | 4 |
| 5 | Fixing screws for plastic | 8 |
6 | Instruction sheet for the installer | 1 |
| 7 | 2 AA 1.5V batteries | 2 |
MAIN DIMENSIONS OF CONCENTRATOR

MAIN DIMENSIONS OF WIRELESS ROOM PROBE

INSTALLATION OPERATIONS OF WIRELESS ROOM PROBE AND CONCENTRATOR.
N.B.: the support for wall installation is the same both for fixing the wireless room probe and the concentrator.
Concentrator fastening:
- Separate the fixing support from the cover of the Concentrator by prying with a screwdriver in the appropriate recess. Manually pull the cover outwards to separate it from the support (Fig. 4).

- Install the concentrator support (2) fixing it to the wall using the expansion anchors (1) and the supplied screws (3) (Fig. 5). The support can also be fixed inside the boiler by proceeding as (Fig. 6) follows:
- remove the grid (2), unscrewing the screws (2) and fix the support (3) with the two screws (4) supplied as indicated in figure 6.
N.B.: before fixing the support, it is advisable to provide for the passage of the electrical connection cable (5) inside the slots.
N.B.: the use in electromagnetically non-critical places and in structures made of non-metallic or shielding materials is recommended. During installation, take the necessary precautions as indicated in fig. 7.
- remove the grid (2), unscrewing the screws (2) and fix the support (3) with the two screws (4) supplied as indicated in figure 6.
- Do not operate with the boiler powered on to perform electrical connections of the concentrator. The connection must be made as indicated on the wiring diagram shown on this instruction leaflet. Connection to the boiler can be made with the supplied 80 cm 4-pole cable.
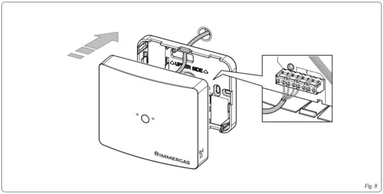
- Fix the lid of the concentrator to the support by engaging it by pressure (fig.8).

N.B.:: when closing the cover, make sure it is correctly aligned with the fixing support.
N.B.: In order to secure it correctly, the electrical connection terminal board must be positioned in the lower part of the support.
Wireless room probe fixing:
- Separate the fixing support from the cover of the wireless room probe by prying with a screwdriver in the appropriate recess. Manually pull the cover outwards to separate it from the support (Fig. 9).
N.B.: the probe can be fixed to its support after the “association” operations. This makes the association procedure easier, with no need to move around the house.
- Install the wireless room probe away from heat sources and in suitable positions to correctly detect the room temperature (Fig. 10).

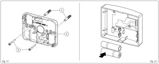
- Install the wireless room probe support (2) fixing it to the wall or onto a recessed box using the expansion anchors (1) and the supplied screws (3) (Fig. 11).
- Insert the 2 AA 1.5V batteries (supplied) (Fig. 12).

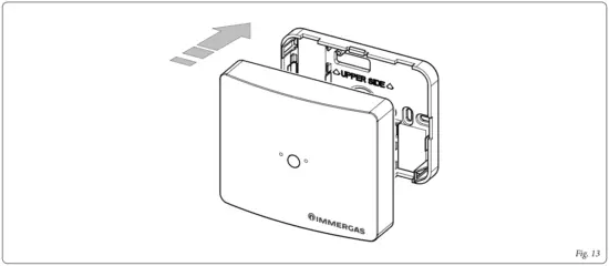
- Secure the cover of the wireless room probe to the support by engaging it by pressure (Fig. 13).
N.B.: when closing the cover, make sure it is correctly aligned with the fixing support.
N.B.: in order to secure the probe to the support correctly, the batteries must be positioned in the lower part of the support.
N.B.: the use in electromagnetically non-critical places and in structures made of non-metallic or shielding materials is recommended. During installation, take the necessary precautions as indicated in fig. 14.
N.B.: make sure that the installation area ofthe Wireless room probe adequately receives the “RF” signal of the concentrator.
COMBINATION OF BOILER WITH WIRELESS ROOM PROBES
After the electrical connection of the concentrator to the boiler, it is recommended to follow the steps below.
ZONE ASSIGNMENT TO WIRELESS ROOM PROBE
Verification of any association previously activated on the wireless probe:
- Insert the batteries on the probe and press for 5 sec. the button on the probe.
- If the probe has already been previously Associated, the left and right LEDs will flash alternately => it is necessary to proceed with the rf disassociation (see RF Disassociation operations).
- If it is NOT Associated, the LH LED will start flashing (Right LED off) => move on to the next step of this procedure for zone assignment to wireless room probe.
Zone assignment to wireless room probe:
- Make sure you have correctly made the electrical connections between the concentrator and the boiler and have inserted the batteries on the wireless probe.
- Power the boiler and access the Menu. For more details on menu navigation and access commands, see the boiler instruction manual.
- Implement recognition as “Service” (On the Menu\General Settings\Access level page, enter code 1122 and select access as Service).
- Access the Zone menu.
- Select the zone to which the room probe shall refer.
- Enter the Configuration \ Room Probe menu.
- Select Type = RF.
- Set the M3 address of the concentrator to which you want to associate the wireless probe: the M3 address is defined by the position of the switches on the card inside the concentrator (default 0).
- Press OK => a confirmation window will appear with the text “Do You want to confirm the operation?”.
- Accept the confirmation request by pressing OK; after this action the display shows “Status …” (association in progress) and on the concentrator the left LED flashes (waiting for association)
- Within 30 seconds, move to the probe to be associated and press the central button for 5 seconds. When the LH LED flashes, briefly press the button again (1 second).
- On the probe, once the operation has been completed correctly, the 2 left and right LEDs will be flashing alternately for 10 sec.. Then the number of the associated zone will be indicated on the left LED through flashes, but with the right LED steady. If the operation is not completed correctly, the two LEDs will be flashing at the same time for 5 seconds and the text “NoLink Status” shall appear on the display (it is therefore necessary to repeat the operation)
- On the Display, once the operation has been completed correctly, the room probe status appears as “ok”.
Attention: with a short press, if it lasts more than 1 second, the operation is
unsuccessful.
The following items appear in the Room probe association window
- Status= Err: configuration error; on the concentrator the association sequence was not successful. Repeat the association sequence.
- Status = No link: error on RF association between probe and concentrator; it may also appear with low battery. Check wireless probe operation and repeat the association sequence.
- Status = – – : indicates the waiting for configuration; if it is maintained for a long time during the association sequence, check the connection between concentrator and boiler.
- Status = … : indicates “association in progress” mode
- Status = ok: indicates the correct association between wireless probe and the zone to be checked.
ASSIGNMENT OF FURTHER ZONES TO AS MANY WIRELESS ROOM PROBES THROUGH A SINGLE CONCENTRATOR.
Only after activating the communication (and possible setting) of zone actuator boards such as relay interface board or zone board (present on DIM ERP), the display board offers the possibility to activate room control on zone 2 and zone 3 on the menu zone via wireless room probes.
If the relay interface card is used as an actuator, relay 2 must be set as zone control 2; after this setting the display makes the settings and adjustments for zone 2 available on the zone menu.
If the zone card (DIM ERP) is used when the zone card is recognized through BUS communication, the display automatically makes the settings and adjustments for zone 2 and zone 3 available on the zone menu.
Up to 3 wireless probes can be connected to the same wireless concentrator, associating them to the various system management zones.
To associate the probes to the various zones, carry out the steps described as ZONE ASSIGNMENT for each probe, paying attention to assign a different zone for each probe (point 5 of the procedure) and keeping for all the associations the same M3 address that distinguishes the concentrator (default = 0). Attention, it is not forbidden to assign (in case of error) more probes to the same zone.
RF DISASSOCIATION ON WIRELESS ROOM PROBE
If it is necessary to “destroy” a previous assignment made on the room probe, proceed by carrying out the following operation on the room probe:
- Press and hold the button on the RF Probe for at least 5 seconds, if it is associated the LH-LED and RH-LED will start flashing alternately.
- At this point, press the button again for another 5 seconds and release it when only the LH-LED flashes while the RH-LED remains off.
- Wait for the LH-LED to stop flashing before proceeding with a new association.
FINAL CHECK OF CORRECT RF COMMUNICATION
At the end of the various assignments, place the probes in the various rooms in which you want to control the temperature.
Once the probes have been positioned, briefly press the central button for each probe and move to the boiler panel to check that the room temperature of the various probes is correctly displayed.
If no RF communication is detected between the probe and the concentrator (or faults are detected), the display will show an error code under the corresponding zone within 10 minutes (if the probe is correctly associated).
If it is necessary to deal with poor RF reception, it is possible to move the concentrator in the accommodation unit, so as to improve the RF transmission to each room probe.
ERRORS OR FAULTS SHOWN ON THE DISPLAY
The boiler display, under each zone identification “house”, indicates the temperature read by the wireless probe assigned to the zone. In the event of a fault, the display signals an error code under each zone identification “house” as illustrated in the table below:
Error code | Description of the fault | Possible remedy |
| E121 | Zone 1 device off- line alarm: The radio commu- nication between the concentra- tor and the room probe is not active | Check the position of the zone 1 room probe by eliminating any screens on the RF trans- mission between the probe and concentrator. Check battery charge on zone 1 room probe and replace them if necessary |
| E122 | Zone 2 device off- line alarm: The radio commu- nication between the concentra- tor and the room probe is not active | Check the position of the zone 2 room probe by eliminating any screens on the RF trans- mission between the probe and concentrator. Check battery charge on zone 2 room probe and replace them if necessary |
| E123 | Zone 3 device off- line alarm: The radio commu- nication between the concentra- tor and the room probe is not active | Check the position of the zone 3 room probe by eliminating any screens on the RF trans- mission between the probe and concentrator. Check battery charge on zone 3 room probe and replace them if necessary |
| E125 | Fault in zone 1 room temperature probe: The room sensor is faulty | Replace zone 1 wireless room probe |
| E126 | Fault in zone 2 room temperature probe: The room sensor is faulty | Replace zone 2 wireless room probe |
| E127 | Fault in zone 3 room temperature probe: The room sensor is faulty | Replace zone 3 wireless room probe |
| E300 | ‘0’ Address RF Concentrator off- line alarm: The BUS commu- nication (via wire) between the con- centrator address “0” and the boiler is not active | Check electrical connections between con- centrator and boiler. Check if there is any association with probes (on concentrator LEDs) and re-associate if necessary. Check correspondence between the address set on the concentrator DipSwitch and the address indicated on the association menu. If necessary replace the concentrator or the display board |
| E301 | ‘1’ Address RF Concentrator off- line alarm: The BUS commu- nication (via wire) between the con- centrator address “1” and the boiler is not active | Check electrical connections between con- centrator and boiler. Check if there is any association with probes (on concentrator LEDs) and re-associate if necessary. Check correspondence between the address set on the concentrator DipSwitch and the address indicated on the association menu. If necessary replace the concentrator or the display board |
| E302 | ‘2’ Address RF Concentrator off- line alarm: The BUS commu- nication (via wire) between the con- centrator address “2” and the boiler is not active | Check electrical connections between con- centrator and boiler. Check if there is any association with probes (on concentrator LEDs) and re-associate if necessary. Check correspondence between the address set on the concentrator DipSwitch and the address indicated on the association menu. If necessary replace the concentrator or the display board |
It can take up to 10 minutes to reset the error signal (after resolution). It is advisable to “force” the communication between the probe and concentrator by briefly pressing the button on the probe; in this way the RF communication between the two devices will be accelerated and the error signal will be cancelled in a short time.
N.B.: the button on the concentrator is not used under normal conditions. It is considered necessary to indicate to the user not to press it at any time.
If the button on the concentrator is pressed for 10 consecutive seconds, the concentrator will be “reset to factory data”, and the previous RF associations to probes and BUS to the boiler will be deleted. In these conditions the boiler display signals “E300” and it is necessary to re-perform the probe association operations (through Service access).
MAIN SIGNALS THROUGH CONCENTRATOR LEDS
On the concentrator there are two LEDs (1-3) next to the button (2) (Fig. 15). The possible signals on these LEDs are the following.
Status | Condition | LH LED | RH LED |
| Normal operation | Normal operation | 1 periodic flash | |
| No communication on M3 BUS | 2 periodic flashes | ||
| No wireless probe as- sociated | 3 periodic flashes | ||
| RF transmission in progress | 1 flash | ||
| RF association | Waiting for association to wireless probe | Blink (2Hz) |
N.B.: the absence of any type of flashing is a symptom of anomaly or power failure.
Fig. 15
MAIN SIGNALS THROUGH WIRELESS PROBE LEDS
On the wireless probe there are two LEDs (1-3) next to the button (2) (Fig.16). The possible signals on these LEDs are the following.
Status | Condition | LH LED | RH LED |
| Normal operation | Normal operation | 1 flash each 60 seconds | |
| No association | 1 flash each 4 seconds | ||
| RF transmission in pro- gress | 1 flash |
N.B.: the absence of any type of flashing is a symptom of anomaly or low batteries.
Fig. 16
GENERAL REMARKS ON BOILER OPERATION WITH WIRELESS ROOM PROBES
The wireless room probe (with concentrator) allows the measurement of the
room temperature and the sending of this value to the boiler control panel, where
it is possible to set a weekly program for room temperature control through the
display board. There is no manual command or adjustment (available to the
user) of the room control on the probe.
The button on the probe and on the concentrator has no function for the final
user, who is recommended not to perform any action on this button.
Timetable
The setting of the day – current time, together with the temperature control
programs (calendars) and the desired room temperatures can be activated on the
Boiler menu. The same operating mode of the programs or the heating function
can be accessed on the boiler menus. See boiler instructions.
Room anti-freeze function
The room anti-freeze protection is activated when the zone operation mode is
set as Off and the boiler is in Winter mode.
It is possible to disable the antifreeze function on the menu through Service
access. See boiler instructions
The room anti-freeze function intervention temperature can be set (from +0.5
to + 10°C) through the menu with Service access; factory setting is +5°C. See
boiler instructions
With zone operation = Off, if the room sensor fails, the boiler will NEVER receive any room heating request (not even in the case of antifreeze). Only boiler
antifreeze function will remain active.
If you want to ensure that the room is protected from freezing (even in the presence of any faults on the sensors), it is possible to select the Manual operation
mode on the zone and set the minimum ambient set; in these conditions, the
probe failure produces a request for operation (permanent 24 hours a day) in
heating with minimum flow set point.
Boiler flow temperature with modulating room probe
If the “Module with room probe” function is activated (See boiler instructions), the boiler will automatically manage the flow temperature, making it correlated to the actual room requirements. The boiler flow temperature will vary between the maximum and minimum values set on the zone parameters (See boiler instructions), and will gradually be lowered when the room reaches the desired temperature.
By deactivating the “Modul. with room probe” function, the boiler delivery temperature will remain fixed at the maximum value set on the zone parameters for the entire heating request time.
If there are several zones with more probes, the boiler will offer the highest flow temperature among the various requests by the various zones. A different maximum delivery temperature and minimum delivery temperature can be defined for each individual zone.
Operation with external probe
If the “Modul. with external probe” function is activated (See boiler instructions), the boiler will automatically manage the flow temperature making it correlated to the detected external temperature. The boiler flow temperature will vary between the maximum and minimum values (related to Min. ext. T and Max. ext. T) set on the zone parameters (See boiler instructions).
By deactivating the “Modul. with external probe” function, the boiler delivery temperature will remain fixed at the maximum value set on the zone parameters for the entire heating request time.
If there are several zones with more probes, the boiler will offer the highest flow temperature among the various requests by the various zones. For each single zone it is possible to define a different value of maximum flow temperature and minimum flow temperature correlated to the minimum and maximum external temperatures.
Combined operation of wireless room probe with external probe
If the “Modul. with external probe” and “Modul, with room probe” functions are kept active, the combined operation of the wireless room probe and the external probe allows the boiler flow temperature calculation actions to be added together.
The flow temperature calculation function depending on the external temperature will determine the maximum flow temperature for the zone (correlated to the external temperature of that moment). The room probe may further decrease its value depending on the rising in room temperature.
SPECIAL FUNCTIONS
The settings available on room control via wireless probes are accessible in the Zone menu with Service access (See boiler instructions).
Enable room probe (default = YES): as a factory setting, after assigning the wireless probe to the zone, room control settings are possible (with Comfort set, reduced set and manual set). By varying this setting to “No”, the system abandons control over the room probe even if it remains assigned and sends the room temperature value visible on the display; the room control in these conditions will remain linked only to time slots (on-off) and any room thermostats. This setting can be used for temporary abandonment of the room temperature
control, still it can be reactivated in any way.
“Modul. with room probe” (default = YES): the factory setting allows the probe to determine the suitable boiler flow temperature in order to maintain the required room temperature. By varying this setting to “No”, the boiler delivery temperature will not undergo any variation due to the room temperature. “Modul. with ext. probe” (default = YES): the factory setting allows the external probe to determine the boiler delivery temperature suitable for the external climatic conditions. By varying this setting to “No”, the boiler delivery temperature will not undergo any variation due to the external temperature.
Reduced (default = NO): The ‘Reduced’ function is NOT visible on the display if the room probe is configured. Even in the case of Enable Room probe = No, the ‘Reduced’ function is NOT displayed.
Temp. Off in hysteresis (default = 0.2 ° C): this setting is used when the “Modul. with room probe” operation is deselected. Without modulating control, the room probe will determine a heating request when the room temperature drops with respect to the desired value of this parameter (default 0.2°C) and will turn off the heating when it rises with respect to the desired value by the same value. It is emphasized that this parameter has no effect when the modulating control with room probe is active; in this case the hysteresis will be dynamically linked to the speed of changes in the room, over a range from + 0.5°A to – 1.5°C. System inertia (default = 10): With the “Modul with room probe” functioning active, it establishes the reaction speed of the system according to the type of system present. The reference values are the following:
Value | Type of System |
5 | System with little thermal inertia (for example convector fans) |
| 10 | System with average thermal inertia (for example radiators) |
20 | System with high thermal inertia (for example underfloor systems) |
Anti-freeze enabling (default = YES): the factory condition allows room antifreeze control when the zone operating mode is set as Off. By selecting No, no room anti-freeze protection will be activated.
Antifreeze temperature (default = 5.0 ° C): On this parameter it is possible to customize (from + 0.5°C to + 10.0°C) the room antifreeze control temperature.
AVAILABLE ADJUSTMENTS ON DISPLAY WITH WIRELESS ROOM PROBES
After the correct association, the zone menu is available for managing heating operation with a wireless room probe; if only one zone is associated, the zone 1 menu will be available, while if the appropriate zone actuator cards are connected and set, zone 2 and zone 3 will also be available.
With only 1 zone, the heating control knob on the boiler control panel will offer the adjustment of the maximum heating temperature (or off-set if there is also an external probe). Room temperature settings and adjustments are available by accessing the zone menu.
With more zones connected, the action on the heating control knob of the boiler control panel will determine direct access to the zones menu where you can choose the zone of interest and select the value to vary (both flow temperature and room temperature).
For a detailed description of the various parameters available and the required path within the zone menu, refer to the boiler instruction manual.
OPERATION IN FAULT CONDITIONS
Radio communication failure between room probe and concentrator:
Failure in receiving data from the wireless probe causes the relative error to appear on the display; typically the error is signalled after 4 minutes, keeping the last reading on the room probe active with consequent heating function as previously running.
After 10 minutes of no communication, the boiler acknowledges the “out of order” probe; two dashes appear on the display instead of Room Temp. and the error signal is activated under the zone identification “house”.
Operation with the “out of order” room probe causes a boiler heating request with minimum zone flow set in any selected program condition (24 hours a day). The only heating off condition is the selection of the OFF status on the zone menu. Fault on room sensor NTC:
At the first communication of an out-of-range ambient value (after max. 4 minutes) the condition of “probe out of order” is acknowledged; then proceed with the operation described above (permanent heating request at minimum set point in any operating condition other than the OFF state). Fault on concentrator (M3 bus communication failure):
When the concentrator off-line error is connected, the “probe out of order” logic is immediately implemented.
WIRELESS ROOM PROBE BATTERIES REPLACEMENT
The concentrator displays the “E121” error code or “E122” or “E123” (depending on which probe is faulty), when the connection with the wireless room probe fails or when the batteries of the wireless room probe run out.
When the error “E121” or “E122” or “E123” appears on the boiler display (depending on which probe is faulty), it is necessary to check the battery charge of the wireless room probe and replace them if necessary. To carry out this replacement, proceed as follows:
- separate the fixing support from the cover of the Room probe by prying with a screwdriver in the appropriate recess (Fig. 17);
- manually pull the cover outwards to separate it from the support;
- replace the batteries (Fig. 18) and reassemble the cover.

CLEANING THE COVER.
To clean the kit cover use a dry cloth. Do not use abrasive or powder detergents.
TECHNICAL SPECIFICATIONS
Concentrator:
- Dimensions (LxAxP): 105 x 86 x 23 (mm)
- Basic power supply: 24 V DC via Communication BUS M3
- Maximum absorption: 20 mA – 500 mW.
- RF communication: carrier 868.4 MHz, GFSK modulation, coverage 30-100 m (depending on the environment)
- Power and duty cycle: Tx power <10 dBm, duty cycle <0.1% per hour (in normal operation)
- Room operating temperature: 0 – +50°C (recommended < 40°C)
- Connection method: 4 polarized wires
- Maximum connection cable length: 50 m (0.5÷mm2 min – 1.5 mm2 max)
Wireless probe
- Dimensions (LxAxP): 105 x 86 x 23 (mm)
- Power supply: 2 x 1.5 V AA batteries
- Battery life: 1 year (with normal use) (*)
- Room operating temperature: 0 – +50°C
- Storage temperature: –10 – +50°C
- Protection class according to EN 60730: II
- Protection class according to EN 60529: IP 20
- Ambient temperature indication accuracy: +/- 0.5°C to 25°C (**)
- Room temperature resolution: 0.1 ° C
- NTC room temp. sensor: 50 k to 25°C
- (*) Battery life calculated with normal use, with room temperature between 16°C to 27°C.
- (**) The indication of the room temperature can be influenced by the installation point of the wireless room probe (e.g. warm wall, cold wall, ground clearance, etc.).
PRODUCT SPECIFICATIONS
In accordance with Regulation 811/2013 the temperature control device class is:
| Class | Contribution to the environmental heating seasonal energy efficiency | Description |
| I | +1% | Using up to 2 Wireless room probes with modulating function excluded |
| V | +3% | Using up to 2 Wireless room probes with modulating function activated |
| VI | +4% | Using up to 2 Wireless room probes with modulating function active on room and outside temperature (+ external probe connected to boiler) |
| VIII | +5% | Using 3 Wireless room probes with modulating function activated |
FACTORY SETTINGS
See the parameters illustrated in the boiler manual.
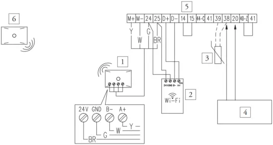
WIRING DIAGRAM

Fig. 19
Key:
- Wireless Concentrator
- Dominus (optional)
- External probe (optional)
- System delivery probe (optional)
- Low voltage connection terminal block
- Wireless room probe
Colour code key:
- BK – Black
- BL – Blue
- BR – Brown
- G – Green
- GY – Grey
- OR – Orange
- P – Purple
- PK – Pink
- R – Red
- W – White
- Y – Yellow
Respect the polarity of the connections as requested on the connection diagram.
For the electrical connection of the concentrator, a special wiring is available in the kit, with which it is possible to secure the concentrator on the lower grid of the boiler or in the immediate proximity.
If it is necessary to move the concentrator away from the boiler, we recommend the use of telephone-type 4-poles plugs (shielded if necessary), with a 4 x 0.25 mm diameter. In these conditions, the cables must keep a separate path from the 230V connections of the boiler electrical system.
For the “dislocated” connection of the concentrator it is possible to use, as an alternative to the connections on the boiler to terminals 24 and 25, an external power supply (24Vdc) suitable for the electrical absorption characteristics.
N.B. For concentrator electrical connection:
The RS-485 network is a “daisy-chain” type network (also called in-out), i.e. where all the devices that insist on the network itself are connected in serial order. In particular, the following points are highlighted:
- DO NOT use different types of cable to create the same grid, but always use the same type of cable only;
- The network cable must not be connected in ducts intended for cables with dangerous voltage (for example 230Vac) or carrying high currents, especially if in alternating current. Also avoid parallel paths to these power cables;
- Connect the cable as stretched as possible, avoiding folds with small radii of curvature and even less wrapping it in useless skeins;
- Keep away from sources of electromagnetic field in particular from big motors, switching cabinets, ballasts for neon, antennas of all types;
- Do not reverse the polarity “A+” and “B–“ on the connection terminals.
During the useful life of the products, performance is affected by external factors, e.g. the hardness of the DHW, atmospheric agents, deposits in the system and so on. The data declared refer to new products that are correctly installed and used with respect to the Standards in force.
N.B.: correct periodic maintenance is highly recommended.
This instruction booklet is made of ecological paper
Immergas TOOLBOX
The App designed by Immergas for professionals![]()



To request further specific details, sector Professionals can also
use the following e-mail address: [email protected]
Immergas S.p.A.
42041 Brescello (RE) – Italy
Tel. 0522.689011
Fax 0522.680617





























