IMMERGAS SMARTECH PLUS Smart Chrono-Thermostat

Code 1.044741 – Rev. ST.005019/004 – 10/2022
The manufacturer Immergas S.p.A., hereby declares that the “Smartech Plus” radio appliance complies with directive 2014/53/EU.
For further details on the product CE marking, request a copy of the Declaration of Conformity from the manufac-turer, specifying the appliance model and the language of the country.
FOREWORD.
Smartech Plus is a Smart chrono-thermostat designed to guarantee ideal room temperature conditions at any time of the day and night for each individual day of the week. If connected to the Internet via home WiFi, this device is able to remotely control the air-conditioning system in a simple and efficient way directly from one’s smartphone. Smartech Plus consists of Smartech Plus Chrono-ther-mostat (hereinafter Chrono-thermostat) and Smartech Plus Gateway (hereinafter Gateway).
It can be installed in a few minutes: the Gateway is pow-ered at 230 Volt AC by the mains and must be connected to the generator via communication bus or operation request contact.
While the Chrono-thermostat, with independent battery power supply, does not require any electrical connection and is equipped with an e-ink technology display for displaying the main information such as room tempera-ture, operation mode, etc. The Chrono-thermostat can be positioned on its table base (supplied in the package), or it can be wall-mounted. Communication between Gateway and Chrono-thermo-stat is performed via Bluetooth connection, while between Gateway and Immergas Cloud via WiFi.
The system is completed by the “Smartech” application which can be downloaded from the iOS and/or Android Store and installed on the mobile device (smartphone). On completion of installation, the chrono-thermostat is already operational thanks to the pre-set program inside. Use of the dedicated app makes it extremely easy to program the Smartech Plus system and to completely control all the set values.
GENERAL WARNINGS.
This manual has been drafted for the installer and also includes basic instructions for the end user.
- Carefully read the warnings contained in this document as they provide indications on the technical features as well as the installation, assembly, programming, adjustment and use instructions.
- The device must be installed in compliance with elec-trical installation standards in force.
- This instruction manual and the “Smartech” application manual must be “kept for future reference”.
- After having removed the packaging, check the inte-grity of the Gateway, of the Chrono-thermostat and of the power cable supplied. If in doubt, do not use them and contact the Dealer or Manufacturer.
- The Gateway and the Chrono-thermostat are only intended for the use which they have been specifically designed for. Any other use must be considered impro-per and therefore dangerous.
- Our products are manufactured in compliance with current safety standards. During installation and use, it is recommended to observe all the precautions to avoid harming persons or damaging objects.
- Do not disassemble parts of the Gateway or the Chrono-thermostat when they are in operation.
- Do not use the Gateway and the Chrono-thermostat exposed to heat sources or direct sunlight.
- The manufacturer will not be held responsible in the following cases:
- a) Incorrect installation.
- b) Boiler functioning defects to which the Chrono-thermostat and the Gateway module are connected.
- c) Changes or interventions not authorised by the manufacturer.
- d) Total or partial failure to comply with instructions.
- e) Exceptional events etc.
- N. B.: the Gateway and the Chrono-thermostat must be installed at least 2 m above the ground;
- N.B.: the Gateway and the Chrono-thermostat cannot be installed outdoors;
- N.B.: the Gateway and the Chrono-thermostat cannot be installed less than 20 cm from the human body.
CLEANING THE CASE.
Use a dry cloth to clean the cover of the Gateway and of the Chrono-thermostat. Never use abrasive or powder detergents.
WARNING: Immergas reserves the right to make improvements and changes to details and accessories of the product, excepting the essential features of the model described and illustrated herein.\
INSTALLATION
Installation recommendations
The Gateway, including the relative cables and connec-tions to the generator, must be installed by specialised staff specifically trained for this purpose. On the free initial check of the Immergas generator, when the Gate-way is inserted into the system, the Immergas authorised After-sales Centre checks the electrical connection and regular operation. The free check just of the Gateway is not envisioned by the Immergas authorised After-sales Centre if this is requested after the generator warranty has started, or if the Gateway is not connected to an Immergas generator.
Attention: laying the Gateway cables is excluded from the free Immergas generator checks; it is the responsibility of the installer company.
Package contents
| Ref | Description |
| 1 | 1 Instruction sheet |
| 2 | 1 chrono-thermostat installed on the table base |
| 3 | 1 Gateway module |
| 4 | 1 cable with integrated 230 Vac – 5 Vdc power supply for the Smartech Plus Gateway power supply connection, including wire sleeves and 120 Ohm resistor for Modbus connection |
| 5 | 2 wall-mounted installation supports equipped with spirit level, screws and plugs |
| 6 | 2 LR03 (AAA) 1.5V batteries |
Main Chrono-thermostat dimensions

Main Gateway dimensions
Gateway electrical connection.
N.B.: before performing any electrical connection, make sure that all the involved appliances are disconnected from the mains.
N.B.: the Gateway must only be powered by the power cable supplied as per standard with the product. Should the power cable be damaged, do not use the device and contact an authorised Immergas After-sales Centre.
N.B.: for correct installation prepare a dedicated power line for the connection of the Gateway according to the Standards in force regarding electrical systems. If this is not possible interference due to other electric cables could cause malfunctioning of the module itself.
The electrical connections of the Gateway must be car-ried out following the diagrams illustrated in chapter 4, or the instructions supplied in the Immergas generator installation manual.
If used coupled to a generator not manufactured by Immergas, the Gateway power cable must be connected to a 230Vac / 50Hz mains in compliance with standards in force regarding electrical installation, which anyhow must include a class III overvoltage category omnipolar disconnection device.
Wall-mounting of appliances.
- N.B.: make sure that the area of installation of the data reception/transmission module (Gateway) receives the signal of the home Wi-Fi network properly and the Chrono-thermostat Bluetooth.
- N.B.: the wall-mounted support installation is the same both for fixing the Gateway and the Chrono-thermostat.
Gateway wall-mounting (Fig. 3): install the mount (2) fixing it to the wall with expansion plugs (1) and the supplied screws (3). - N.B.: pay attention to correctly position the spirit level (10) downwards.
After having wired the Gateway (4) as indicated in the connection diagrams illustrated in chapter 4, position the cable gland (7) in the specific slot (8). If additional cables were used to connect the IMGBus and/or ModBUS com-munication ports, break the pre-cuts (9) to allow these cables to come out of the Gateway enclosure.
Apply the Gateway (4) to the mount (2) already fixed to the wall and secure it by tightening the two fixing screws all the way (5).
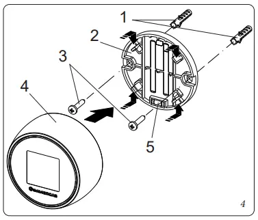
Chrono-thermostat wall-mounting (Fig. 4):
install the mount (2) fixing it to the wall with expansion plugs (1) and the supplied screws (3).
- N.B.: pay attention to correctly position the spirit level (5) downwards.
Release the body of the Chrono-thermostat (4) from the table base, then insert the 2 LR03 (AAA) batteries supplied in the specific compartment (Fig. 5), then press-couple the Chrono-thermostat on the mount (2). To replace the batteries, release the Chrono-thermostat (4) from the wall mount (2) and repeat the above operations. At the end of the installation, remove the protective film from the display of the chrono-thermostat.

Gateway – Chrono-thermostat coupling.
After having powered the generator, the Gateway and the Chrono-thermostat, wait 30 seconds before performing any setting on the system so that communication between the Gateway, generator and Chrono-thermostat is properly established.
- N.B.: all “Smartech Plus” chrono-thermostats are already configured to work correctly with your Gateway, so they do not need any additional configuration to make them work.
In case of a malfunction, the Gateway and Thermostat can be re-coupled by proceeding as follows:
- make sure you have turned on the Gateway for at least 5 minutes;
- keep the “Reset” button on the Gateway pressed until the indication on the “BLE” LED switches from 5 quick blinks a second to one blink a second;
- with Chrono-thermostat set on the main window, press and hold the same key for 3 seconds until the “Mode” or “Program” menu appears, then rotate the Chronothermostat to display the “Settings” menu. At this point again press and hold the key to select the “Diagnostic” menu and press to confirm and to enter the menu;
- press the Chrono-thermostat again, the message “Pairing” will appear on the display. When “Disconnect” appears, the Chrono-thermostat is paired to the Gateway;
- press and hold the Chrono-thermostat to go back to the main menu;
- switch off (removing power) and switch the Gateway back o
Application download and installation on mobile devices (smartphone)
Using the mobile device on which to install the application, connect to the App store of reference: App Store (Apple) or Play Store (Android) and type in “Immergas Smartech” in the search field. The app works with IOS 12 operating system or higher (Apple) and Android 10 or higher. Select the free “Smartech” application and wait for its download and installation on the mobile device used.
Open the “Smartech” app and download the instruction manual by pressing the “Instructions and warnings”button. Follow its instructions to register and pair it with the installed Smartech Plus system.
The manual can be downloaded from the website www. immergas.com.
N.B: the name of the Wi-Fi network and password to which Smartech Plus will be connected must not contain the “&” symbol and the encryption methodology must be WPA2 PSK; otherwise, malfunctions could occur.
Type of system configuration without Wi-Fi connection.
The Smartech Plus system is paired to the type of generator connected by completing the user registration procedure on the “Smartech” app (paragraph 1.8). If there is no WiFi connection available when first starting the system (and therefore the above-mentioned procedure cannot be performed), the type of generator connected can be selected temporarily as follows:
- make the electrical connections on the Gateway as described in paragraph 1.5, then power the device;
- insert the batteries in the Chrono-thermostat;
- once the Immergas logo is displayed, keep the Chrono-thermostat pressed until the list of the type of generators appears;
- rotate the Chrono-thermostat to the desired type of generator;
- press the Chrono-thermostat to confirm.
N.B: the selection described above is temporary and will be lost when the batteries of the Chrono-thermostat are removed. In this case, the default setting value (‘IMG BUS’ generator) is restored.
SAFETY MODE SMARTECH PLUS
The Smartech Plus system activates the ‘Safety mode’ if Bluetooth communication fails between Gateway and Chrono-thermostat. Basically this could occur if the two devices are further away than the maximum allowed distance for the specific installation (in this case the message ‘ Disconnected’ appears on the Chrono-thermostat display), or if the Chrono-thermostat batteries are dead. In ‘Safety mode’ the Gateway controls activation of the generator in heating with a water temperature of 20°C, so as to protect the heating system and the involved environments against freezing.
N.B.: this function is only activated with the system OFF or in ‘Winter’ mode, and is not active if the generator is controlled by the Gateway only via the operation request contact (in this case, if communication with the Chrono-thermostat fails, the Gateway removes the operation request and any system antifreeze protections are fully controlled by the generator).
TECHNICAL CHARACTERISTICS
CHRONO-THERMOSTAT:
- Dimensions:…… diameter 71,5mm, thickness 35,5mm
- Wireless technology: ……………………Bluetooth 4.1 BLE
- Thermostat / Gateway communication distance :……………………………………………Max. 10mt (**)
- Reading range:.………………………………from 0°C to 40°C
- Reading accuracy:………………………………………. +/- 0.1K
- Setting range:.……………………………..from 4,5°C to 35°C
- Temperature increase range:.……………………………..0,5K
- Power Supply:………2 LR03 (AAA) 1.5V batteries (not rechargeable) battery life about 2 years(*).
GATEWAY MODULE:
- Dimensions:………… diameter 70mm, thickness 27mm
- Power Supply:.…………………………. ..230 Vac +10%-15%
- Frequency:………………………………………………….50/60 Hz
- Functioning room temperature:………………… 0 – +40°C
- Warehouse temperature:.………………………..-10 – +50°C
- Protection class:………………………………………………..IP 20
- Transmission power:……………………………………100 mW
- Transmission technology:……..Wi-Fi 802.11 b/g/n 2.4 GHz
- Bluetooth transmission technology.…………….. 4.1 BLE
- Length of Gateway power cable.…………………….. 80 cm
- Absorption:.……………………………………………………….2 W
- Max generator operation request relay current: .…………………………………… 0.5 A (230Vac)
Battery life calculated with normal use, with a room temperature between 16°C and 27°C.
The maximum effective distance could be shorter if there are walls, ceilings or obstacles between the two devices.
Product fiche.
In compliance with Regulation EU 811/2013, the class of the temperature control device is:
| Class | Contribution to room central heating seasonal energy efficiency | Description |
|
V |
+3% | Smartech Plus w it h o ut d o – or temperature compensation disabled or una- vailable |
| VI | +4% | Smartech Plus |
Description of Gateway LEDs
| LED | Description |
| Power LED | Indicates that the Gateway is powered properly. This LED must always be on steady and green. |
|
BLE LED | It signals the Bluetooth connection of the Gateway with the Smartech Plus chrono-thermostat: • 1 blink every 4 seconds: it means that communication between the Gateway and the Chrono-thermostat is established correctly; • 5 blinks per second: it means that the Gateway is trying to connect to the chrono- thermostat, if this warning is frequent, try to bring the Gateway closer to the chrono- thermostat or vice versa.. |
| Bus LED | It is a service Led managed separately from the Gateway, its operation is independent from any Gateway status. |
|
Cloud LED | Signals the connection to the home Wi-Fi network and the Cloud of the chrono-ther- mostat: • Off: it means that the Gateway is not con- nected to any Wi-Fi network or no Account has been connected to this Gateway, the chrono-thermostat works regularly even without a Wi-Fi connection, through the BLE connection; • 1 blink per second: it means that the Gate- way is connecting to the Wi-Fi network or associated Account, if this warning persists check that the Wi-Fi network is active and verify that you have entered the correct password in the Gateway; • Steady on: it means that the Gateway is connected to the Wi-Fi network and Cloud and is working properly.. |
WIRING DIAGRAMS
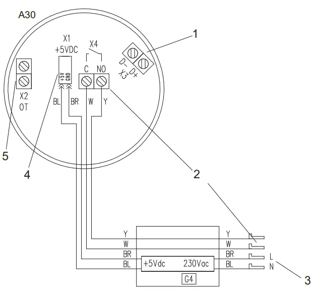
GATEWAY CONNECTION WIRING DIAGRAM
Legenda:
- A30 – Smartech Plus Gateway
- G4 – Alimentatore Gateway
- 1 – Modbus RS485
- 2 – Contatto pulito Max. 0,5 A – 230 Vac (richiesta funzionamento generatore)
- 3 – Alimentazione 230 Vac / 50 Hz
- 4 – Alimentazione +5 Vdc
- 5 – IMG BUS
- BR – Marrone
- BL – Blu
- W – Bianco
- Y – Giallo
N.B.: IMG BUS è un protocollo di comunicazione utilizzato solo da alcuni apparecchi Immergas, (vedere libretto istruzioni dell’apparecchio).
N.B.: Modbus RS485 è un protocollo di comunicazione utilizzato solo da alcuni apparecchi Immergas, (vedere libretto istruzioni dell’apparecchio).
N.B.: i connettori X2 (IMG BUS) e X3 (Modbus RS485) devono essere connessi a dispositivi SELV.
N.B.: i cavi da utilizzare per le connessioni X2 e X3 devono avere sezione adeguata ed isolamento minimo di 300V.
N.B.: utilizzare le due guaine fornite insieme all’alimentatore, infilandole sui cavi Bianco (W) e Giallo (Y) dal lato della morsettiera (X4), per isolarli ulteriormente dall’interno del Gateway.
N.B.: in caso di connessione tramite Modbus RS485 applicare la resistenza 120 Ohm fornita sui relativi morsetti dell’apparecchio in parallelo al collegamento Modbus, (vedere libretto istruzioni dell’apparecchio
Key
- A30 – Smartech Plus Gateway
- G4 – Gateway power supply unit
- 1 – Modbus RS485
- 2 – Potential-free contact Max. 0.5 A – 230 Vac (generator operation request)
- 3 – 230 Vac / 50 Hz power supply
- 4 – +5 Vdc power supply
- 5 – IMG BUS
- BR – Brown
- BL – Blue
- W – White
- Y – Yellow
N.B.: IMG BUS is a communication protocol only used by certain Immergas appliances, (see the instruction booklet of the appliance).
N.B.: Modbus RS485 is a communication protocol only used by certain Immergas appliances, (see the instruction booklet of the appliance).
N.B.: the X2 (IMG BUS) and X3 (Modbus RS485) connectors must be connected to SELV devices.
N.B.:the cables to be used for X2 and X3 connections must have an adequate cross-section and minimum isolation of 300V.
N.B.: use the two wire sleeves supplied with the power supply unit, inserting them on the White (W) and Yellow (Y) wires on the side of the terminal block (X4), to further isolate them from the Gateway inside.
N.B.: in case of connection via Modbus RS485, apply the 120 Ohm resistor supplied on the relevant terminals of the appliance in parallel with the Modbus connection, (see the instruction booklet of the appliance).
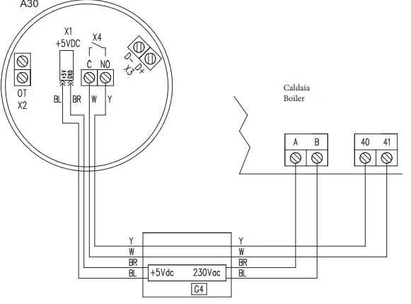
BOILER CONNECTION ON TA
Legenda
- A30 – Smartech Plus Gateway
- G4 – Alimentatore Gateway
- BR – Marrone
- BL – Blu
- W – Bianco
- Y – Giallo
Key
- A30 – Smartech Plus Gateway
- G4 – Gateway power supply unit
- BR – Brown
- BL – Blue
- W – White
- Y – Yellow
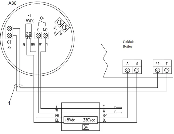
BOILER CONNECTION WITH IMG BUS
Legenda
- A30 – Smartech Plus Gateway
- G4 – Alimentatore Gateway
- 1 – Cavo non fornito da Immergas
- BR – Marrone
- BL – Blu
- W – Bianco
- Y – Giallo
N.B.: Collegare il Gateway ai morsetti di caldaia previsti alla comunicazione del CAR V2 indicati come 40 (o 44) e 41 (vedere libretto istruzioni dell’apparecchio)
N.B.: IMG BUS è un protocollo di comunicazione utilizzato solo da alcuni apparecchi Immergas (vedere libretto istruzioni dell’apparecchio
N.B.: i connettori X2 (IMG BUS) e X3 (Modbus RS485) devono essere connessi a dispositivi SELV.
N.B.: i cavi da utilizzare per le connessioni X2 e X3 devono avere sezione adeguata ed isolamento minimo di 300V.
Key
- A30 – Smartech Plus Gateway
- G4 – Gateway power supply unit
- 1 – Cable not supplied by Immergas
- BR – Brown
- BL – Blue
- W – White
- Y – Yellow
N.B.: Connect the Gateway to the boiler terminals intended for communication of the CAR V2 marked 40 (or 44) and 41 (see the instruction booklet of the appliance)
N.B.: IMG BUS is a communication protocol only used by certain Immergas appliances (see the instruction booklet of the appliance)
N.B.: the X2 (IMG BUS) and X3 (Modbus RS485) connectors must be connected to SELV devices.
N.B.: the cables to be used for X2 and X3 connections must have an adequate cross-section and minimum isolation of 300V.
- immergas.com
- ADDRESS: Immergas S.p.A. 42041 Brescello (RE) – Italy
- Tel. 0522.689011
- Fax 0522.68




















