b Smart Temperature Controller
Instruction Manual
Thermostat terneo b is designed for constant temperature maintenance 5…40 °С. Temperature is regulated in the place of temperature gauge location.
The sensor must be positioned in such a way as to allow for its replacement in the future.
This temperature regulator is perfectly suitable for temperature regulating in the system warm water floor by means of electro-thermal servo actuator with operating voltage of 230 V. Servo actuator can be both normally closed, and normally open. At the connection of normally open servo actuator to the temperature regulator use in the functional menu of the temperature regulator function «Inverse load control».
IN THE BOX
| Thermostat | 1 piece |
| Temperature sensor with connecting wire | 1 piece |
| Technical data sheet and installation and operation manual and warranty card | 1 piece |
| The packing box | 1 piece |
TECHNICAL DATA
| Adjustment range | 5…40 °C |
| Maximum load current (for category AC-1) | 32 A (max 40 A in 10 minutes) |
| Rated load capacity (for category AC-1) | 7 000 VA |
| Input voltage | 230 V ±10 % |
| Power consumption | not more than 1,5 kWt*h / month |
| Weight in the complete set | 0,285 kg ±10 |
| Basic mounting dimensions | 70 x 85 x 53 mm |
| Temperature sensor | NTC thermo-resistor 10K OM at 25 °C (R10) |
| The length of the sensor connected cable | 4 m |
| Number combinations under heat, at least | 100 000 cycles |
| Number of combinations without heating, no less than | 1 000 000 cycles |
| Temperature hysteresis | 1 °C |
| Measured temperature range | —30…+85 °C |
| Degree of protection GOST14254 | IP20 |
IMPORTANT. Before the installation and operation of the device, please read by the end of this document. This will help to avoid possible danger, mistakes and misunderstandings.
WIRING
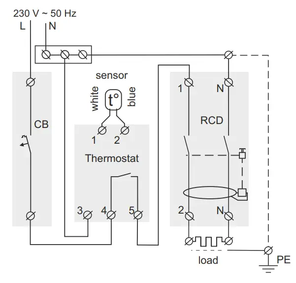
Analog sensor is connected to terminals 1 and 2. Wires colors are of no importance.
Digital sensor is connected to terminal 1 using white wire and to terminal 2 using blue wire. If the thermo changes stat to the Emergency Timer mode page 7 ( ), try connecting to terminal 2 using blue wire and to terminal 1 using white wire. If, at both attempts, the thermo does not see stat the sensor, contact the Service Center.
Power voltage (230 V ± 10 %, 50 Hz) is supplied to terminals and , at that phase (L) is determined 34 by indicator and is connected to terminal , and neutral (N) 4 — to terminal .3
The connecting wires are connected to the load terminal 5 and the zero terminal block (not included to the set). DO NOT PERFORM the load connection to the network zero at terminal 3!
Wiring 1. Circuit breaker and RCD wiring
Wiring 2. Magnetic actuator
INSTALLATION
The thermostat is designed for indoor installation. The ingress risk of moisture or liquid into the place of installation must be minimized. The ambient temperature during installation must be between –5 … + 45 °C. The installation height of the thermostat should be in the range 0,4…1,7 m above the floor level. The temperature controller hould be mounted in a special cabinet, which allows accessible installation and operation. The cabinet must be equipped with a standard 35 mm mounting rail (DIN-rail). The temperature controller has width of three standard 18 mm modules. The thermostat is mounted and connected after the installation and load testing.
In order to protect from short circuits and excess power events appearance in the load circuit, it is necessary to install an automatic circuit breaker (CB), which should be installed in the live wire break, as shown on Wiring . 1 In order to protect a person from electric shock, a residual current device (RCD) should be installed. The load should be grounded (connected to the protective conductor) for proper operation of the RCD or, if the power supply is twowire, a protective grounding (i.e. load to neutral to the RCD) should be made. To install the temperature controller you should:
- fix the temperature controller on the mounting rail (DIN);
- supply power, load and sensor wires;
- make a connection according to this manual.
The terminals of the temperature controller are designed for a wire with a cross section not exceeding 16 mm .
It is desirable to use a soft copper wire to reduce the mechanical loads on the terminals. The use of aluminum is not desirable. Strip the ends of wires 10 ± 0,5 mm. If the stripped end is longer, it may cause a short circuit and, if shorter, can cause an unreliable connection. Use cable lugs. Loosen the terminal screws and insert the stripped end of the wire into the terminal.
Tighten the power terminal with moment of 2,4 N·m and sensor terminal — 0,5 N·m. Poor tightening can lead to poor contact and overheating of terminals and wires, and excessive tightening — to damage of terminals and wires. The wires are tightened in the power terminals with a screwdriver with a bit width of not more than 6 mm, and in the terminals for the sensor — of not more than 3 mm.
A screwdriver with a bit width of more than 6 mm for power terminals (more than 3 mm for sensor terminals) can cause mechanical damage to the terminals. This may cause to the loss of the warranty.
If necessary the sensor connecting wires may be shortened and extended (for not more than 20 m). It is necessary for the temperature controller to switch the current to no more than 2/3 of the maximum current specified in the specification. If the current exceeds this value, the load must be connected through a contactor (magnetic actuator, power relay), which is optimized for this current (Wiring ).2
WARRANTY TERMS
The warranty for terneo devices is valid for 36 months from the date of sale, provided that the instructions are followed. The warranty period for products without a warranty certificate is counted from the date of production.
If your device is not working properly, we recommend that you first read the section «Possible problems». If you cannot find an answer, contact Service Center. In most cases, these actions resolve all issues. If you continue to have issues with the device, please send it to a Service Center or to the store where you purchased the device. If your device is defective due to our fault, we will repair or replace it under warranty within 14 business days.
Please see the full text of the warranty and the data you need to send to your Service Center on the website https://www.ds-electronics.com.ua/en/. If you have a warranty case, please, contact the General distributor in your area.
EXPLOITATION
Switching on thermostat
To turn on the thermostat, apply voltage to terminals 3 and 4. The display will show «888» for 3 seconds.
Then the sensor temperature will be displayed.
Preset temperature
(factory setting 52 °С )
To view, click on the «+» or «–». The next press on «+» will increase the preset temperature, on «–» it will decrease.
If the preset temperature is lower than the sensor temperature, the heater will turn on and the red indicator will light up.
Function menu
Use the «≡» button to select the desired menu item (see Table 1).
Use «+» or «–» to change parameters. After the first press, the parameter starts blinking. At the next press, the parameter is changed.
5 seconds after the last pressing, the thermostat will automatically return to the air temperature display.
View firmware version
Hold down the «–» button for 6 seconds. After releasing the button, the thermostat will return to normal mode.
The internal overheating protection
If the temperature inside the frame exceeds 80 °С, the emergency power cutoff will take place.![]()
The screen will show the «oht» (overheat) sign once per second. When the temperature inside the housing drops below 0 °C, the thermostat will resume operation. After the protection is activated more than 5 times in a raw, the thermostat will be blocked till the temperature inside the frame falls below 60 °С and a button will be activated.
In the case of internal overheating sensor breakout or short-circuiting the device will continue functioning in the normal mode, but each 5 sec the «Ert» sign (a problem with sensor) will be displayed. In this case, the internal overheating control will not be controlled, but the thermoregulator will continue to maintain the preset temperature.
Reset to the factory settings
To reset the factory settings, hold the three buttons at the same time for more than 12 sec until «dEF» message appears on the screen. After release it will reset to the factory settings and reboot.
Table 1. FUNCTION MENU
| Menu section | Press« » | Screen | Notes |
| Start / reset timer (factory setting «toF») | 1 time | The load will shut off. The screen will display: 1.XXh, where XX is the remaining time in hours, if the time is > 10 h. 2.X.YY, where X is hours, YY is minutes, with alternating ton inscription every 10 seconds, if time is <10 hours | |
| Timer (factory setting «9.0h», range 0,5-99 h, step — 0,5 h) | 2 times | The step of 10 hours is set with the step of half an hour, and for bigger values the step is 1 hour. | |
| Correction of screen reading (factory setting «0.0», range ±5 °C, step 0,1 °C) | 3 times |
| If necessary you can use the adjustment in the floor temperature display on the thermostat screen. |
| Inverse load control (normally close, factory setting «oFF», range «on») | 4 times | Select «on» in the settings menu to switch to normally closed contact mode. | |
| Load work time counter (view) | 5 times | Time output (hours.minutes) is carried out with using creeping line. Press «49> or «-D to view. During reviewing: «—» — is counter reset. | |
| Switching on I off the load (factory setting «on») | 4 sec. | To turn off the load, hold 4 with the «s» button (the screen shows 3 draws) until «oFF» appears on the screen. To turn on, also hold the 4 button until «on» appears on the screen. |
POSSIBLE PROBLEMS, CAUSES AND WAYS TO OVERCOME THEM
Load is off, screen and indicator are off Possible cause: No power supply.
It is necessary: make sure that the supply voltage is available. If power supply is available, contact the Service Center.
The thermostat switched to the Emergency Timer mode Possible cause:
- sensor disconnection
- an open circuit in the sensor circuit or the temperature has gone beyond the measured temperatures;
- a source of an electromagnetic field near the sensor wire, which prevents data transmission.
It is necessary: check the conformity of the sensor connection - check the connection point of the sensor to the thermostat, as well as the absence of mechanical damage along the entire length of the sensor connecting wire;
- absence of a source of electromagnetic field near the sensor wire.
Emergency operation as per timer Mode (factory settings 15 minutes)
The «t» symbol will flash on the screen and the remaining time until the next load on / off is displayed. In this case, every 5 seconds the cause of the sensor maloperation «OC» (open circuit) or «SC» (short circuit) will be displayed. Select the load operation time in a 30-minute cyclic interval, the rest of the time the load will be turned off. The load operation time can be set in the range oFF, 1…29 min, on. For the load to work continuously, select «on»; to turn it off completely, select «oFF».
ADDITIONAL INFORMATION
Do not fire and do not throw away the device with the household waste.
After the end of its service life, the product must be disposed of in accordance with applicable law. Transportation of goods carried in the package, ensuring the safety of the product.
The device is transported by any kind of transport (rail, sea, motor, air transportation).
Date of manufacture is on the back side of device. Application time is unlimited.
The device does not contain harmful substances.
If you have any questions or you something will not clear,
call the Service centre the telephone number listed below.
SAFETY INSTRUCTIONS
Carefully read and become aware of yourself these instructions.
Connection of the device must be done by a qualified electrician.
Do not connect 230 V mains voltage instead of the sensor (it leads to failure of the thermostat). Before the installation (dismantling) and connection (disconnection) of the device, turn off voltage supply and also act according to the «Rules of an arrangement of electric installations».
Do not immerse the sensor with a connecting wire in the liquid medium.
Do not switch the non assembled device to the network. Turning on and off or and configure the device should be with dry hands.
Do not connect the device to the network disassembled. Avoid hitting of water or moisture to the device. Do not expose the device to extreme temperatures higher than 40 ºС or below –5°C) and high humidity.
Never clean the device with the use of chemicals such as benzene, solvents.
Do not store the device and do not use it in areas with the dust.
Do not attempt to disassemble and repair the device.
Do not exceed the landmarks value adaptor and power.
To protect against overvoltage caused by lightning discharges, use a lightning protector.
Protect the children from games with the working device, it is dangerous.
WARRANTY CARD
serial №:……
date of sale:……..
a seller, a seal:…….. place of a seal
an owner contact for a service center:………….
SERVICE CENTER CONTACT
+38 (091) 481-91-81
Viber WhatsApp Telegram
[email protected]
v30_220504
b5134
Low Voltage Directive 2014/35/EU
EMC Directive 2014/30/EU
Manufacturer and vendor: DS ELECTRONICS, LTD
04136, Ukraine, Kyiv region, Kyiv, 1–3 Pivnichno-Syretska str.
+38 (091) 481-91-81, Service Center: +38 (091) 481-91-81
[email protected]
www.ds-electronics.com.ua/en/ ![]()



















