terneo k2 Digital Smart Temperature Controller

Product Information: Terneo Smart Control of Heating K2
Technical Data
- Limits of regulation: Not specified
- Temperature hysteresis: Not specified
- Measured temperature range: Not specified
- Maximum load current (for category AC-1): Not specified
- Rated load capacity (for category AC-1): Not specified
- Input voltage: 230V
- Weight in complete set: Not specified
- Temperature sensor: Analog sensor (R10, default) or digital sensor (D18)
- Length of sensor connected cable: 4 meters
- Number combinations under heat, at least: 50,000 cycles
- Number of combinations without heating, no less than: 20,000,000 cycles
- Degree of protection GOST14254: IP20
Product Description
Terneo Smart Control of Heating K2 is a thermostat designed for indoor installation. It is used to control the temperature of water heated floors with the help of an electrothermal servo drive. The thermostat supports both analog and digital sensors and comes with a temperature sensor with connected cable. The temperature is controlled at the location of the temperature sensor, and if both terneo k2 temperature sensors are located in the same place (one for heating control and the other for cooling control), then a comfortable temperature in the room can be maintained all year round.
Features
- Reliable power relay that protects against frequent switching in the thermostat
- Non-volatile thermostat storage that saves all settings in the event of a power outage
- Designed for indoor installation
- Supports both analog and digital sensors
- Comes with a temperature sensor with connected cable
Product Usage Instructions
Before installing and operating the Terneo Smart Control of Heating K2, it is important to read the entire instruction manual to avoid possible danger, mistakes, and misunderstandings.
Wiring
The thermostat supports two types of sensors: analog sensor (R10, default) or digital sensor (D18). When wiring, it is important to note the following:
- The thermostat terminals are designed for a wire with a section not more than 2.5mm2.
- To reduce the mechanical loads on the terminals, it is desirable to use a soft wire. The ends of the wires must be cleaned and crimped with ferrules with insulation.
- The wires are tightened in the terminals using a screwdriver with a blade width no more than 3mm. Using a screwdriver with a blade width more than 3mm can cause mechanical damage to the terminals and may result in the loss of right for warranty.
Installation
The thermostat should be mounted in a special cabinet that allows accessible installation and operation. The cabinet must be equipped with a standard 35mm mounting rail (DIN-rail). The temperature controller has a width of three standard 18mm modules.
The installation height of the thermostat should be in the range of 0.5 to 1.7 meters above the floor level.
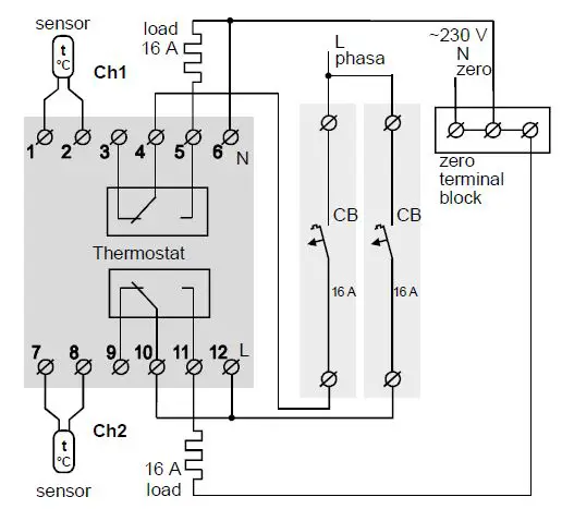
The thermostat is mounted and connected after the installation and load testing. To protect from short circuits and excess power events in the load circuit, it is necessary to install an automatic circuit breaker (CB), which should be installed in the live wire break, as shown in Wiring 1.
It is important to minimize the risk of moisture or liquid ingress into the place of installation. When installed in a bathroom, toilet, kitchen, or swimming pool, the thermostat should be installed at a place out of reach of casual spraying.
Technical data sheet and installation and operation manual
Terneo k2 thermostat comprises two independent thermostats in one housing. Each of them is designed to maintain a constant temperature from –20 … +100 °С using heating or cooling equipment.
The temperature is controlled at the location of the temperature sensor. If both terneo k2 temperature sensors are located in the same place, one for heating control and the other one for cooling control, then a comfortable temperature in the room can be maintained all year round.
The control of a water-heated floor is carried out using an electrothermal servo drive 230 V. The servo drive can be normally closed or open. Use wiring 2 to connect a normally open servo.
IN THE BOX
- Thermostat 1 piece
- Temperature sensor with connected sensor 2 piece
- Technical data sheet and installation and operation manual and warranty card 1 piece
- The packing box 1 piece
Product TECHNICAL DATA
| The limits of regulation | –20…+100 °С |
| Temperature hysteresis | 0,1…10 °С, step 0,1 |
| Measured temperature range | –30…+130 °С |
| Maximum load current (for category AC-1) | 2 × 16 А |
| Rated load capacity (for category AC-1) | 2 × 3 000 VА |
| Input voltage | 230 V ±10 % |
| Weight in the complete set | 0,37 kg ±10 % |
| Overall dimensions (w × h × d) | 52 × 90 × 67 mm |
| Temperature sensor | NTC thermo-resistor 10 kOhm 25 °C (R10) |
| The length of the sensor connected cable | 4 m |
| Number combinations under heat, at least | 50 000 cycles |
| Number of combinations without heating, no less than | 20 000 000 cycles |
| Degree of protection GOST14254 | IP20 |
IMPORTANT. Before the installation and operation of the device, please read by the end of this document. This will help to avoid possible danger, mistakes and misunderstandings.
RELIABILITY OF THE POWER RELAY provides protection against frequent switching in the thermostat. If there was less than 1 minute between relay switching, the relay activation will be delayed, marking the countdown with a flashing dot.
NON-VOLATILE THERMOSTAT STORAGE
saves all settings in the event of a power outage.
Product WIRING
Thermostat supports two types of sensors: analog sensor (R10,default) or digital sensor (D18).
The analog sensor of channel 1 «Ch1» is connected to terminals 1 and 2, and the analog sensor of channel 2 «Ch2» is connected to terminals 7 and 8. The colors of the wires do not matter when connecting.
Digital sensor of channel 1 «Ch1» is connected with white wire to terminal 1 and yellow/red wire is connected to terminal 2. White wire of channel 2 «Ch2» is connected to terminal 7, and yellow/red wire is connected to terminal 8. In the thermostat function menu, select the type of sensor: d18 (see Table 1 menu item «Sensor type»).
The supply voltage (230 V ±10 %, 50 Hz) is supplied to terminals 6 (zero, N) and 12 (phase, L).
Terminals 3, 4, 5 are used to control channel №1 «Ch1 and terminals 9, 10, 11 are used to control channel №2 «Ch2».
Product INSTALLATION
The thermostat is designed for indoor installation. The ingress risk of moisture or liquid into the place of installation must be minimized. When installed in a bathroom, toilet, kitchen, swimming pool the thermostat should be installed at a place out of reach of casual spraying.
The ambient temperature during installation must be between –5 … + 45 °C.
The temperature controller should be mounted in a special cabinet, which allows accessible installation and operation. The cabinet must be equipped with a standard 35 mm mounting rail (DIN-rail). The temperature controller has width of three standard 18 mm modules. The installation height of the thermostat should be in the range 0,5…1,7 m above the floor level.
The thermostat is mounted and connected after the installation and load testing.
In order to protect from short circuits and excess power events appearance in the load circuit, it is necessary to install an automatic circuit breaker (CB), which should be installed in the live wire break, as shown on Wiring 1.
The thermostat terminals are designed for a wire with section not more than 2,5 mm2. To reduce the mechanical loads on the terminals it is desirable to use a soft wire. The ends of the wires must be cleaned and crimped with ferrules with insulation. The wires are tightened in the terminals using a screwdriver with a blade width no more than 3 mm. The screwdriver with a blade width more than 3 mm can cause mechanical damage to the terminals. This may result in the loss of right for warranty.
If necessary the sensor connecting wires may be shortened and extended (for not more than 20 m).
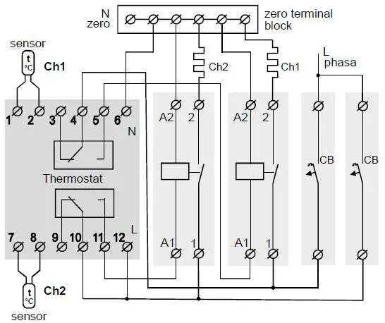
It is necessary for the temperature controller to switch the current to no more than 2/3 of the maximum current specified in the specification. If the current exceeds this value, the load must be connected through a contactor (magnetic actuator, power relay), which is optimized for this current (Wiring 3).
The cross-section of copper wiring to which the temperature controller is connected should be at least 2 × 1,0 mm2.

Wiring 1. Connecting each channel to a separate load

Wiring 2. Connecting a normally open servo drive on the example of channel 1
CONNECT APPROPRIATE PHASES TO THE CONTROL RELAY k2 for switching, since the relay contacts do not have a galvanic connection with the power supply circuits, that is, the relays used in the thermostat have a «dry normally open contact» (see wiring1).
IT IS FORBIDDEN TO POWER THE DEVICE FROM SOURCES WITH A MODIFIED SINUSOID, as well as uninterruptible power supplies, the output voltage of which is not a sinusoid. Long-term operation, more than 5 minutes, from such voltage sources may damage the device and lead to out-of-warranty repairs.

Wiring 3. Using a contactor to increase the switching power of the channel
MOUNTING OF THE SENSOR MUST BE PERFORMED SO THAT IT WAS POSSIBLE TO EASILY REPLACE IT.
EXPLOITATION
Select the channel to be adjusted («Ch1» / «Ch2»): short press «≡» and use the «+» and «–» buttons to select.
Use the middle button «≡» to navigate through the menu (Table 1). Use the«+» and «–» buttons to change the parameters. After pressing the button for the first time the parameter will flash, after pressing it for the second time the parameter will change.
5 seconds after the last pressing, the thermostat will automatically return to the air temperature display.
Preset temperature (factory setting 30 °С)
Use the «+» button to select the upper channel, and the «–» button for the lower channel. Changing the channel temperature using the «+» and «–» buttons.
If the preset temperature is higher than the sensor temperature, the load will turn on and the red indicator of the corresponding channel will turn on.
View firmware version
Hold down the «≡» button for 6 seconds. The manu-facturer reserves the right to modify the firmware to enhance the device technical characteristics.
Button blocking
(child and public protection)
In order to enable (disable) button blocking press the «+» and «–» buttons at the same time for 6 seconds till the «Loc» («oFF») sign appears on the screen.
Reset to the factory settings
To reset the factory settings, hold the three buttons at the same time for more than 6 sec until «dEF» message appears on the screen. After release it will reset to the factory settings and reboot.
POSSIBLE PROBLEMS, CAUSES AND WAYS TO OVERCOME THEM
Load is off, screen and indicator are off
Possible cause: No power supply.
It is necessary: make sure that the supply voltage is available. If power supply is available, contact the Service Center.
Table 1. FUNCTION MENU of the selected channel

While the load is running, the symbol «t» flashes on the screen
The temperature controller has switched to the Emergency Timer Mode. The symbol «t» and the remaining time until the next load on/off flash on the screen.
open circut — sensor circuit break
short circut — short circuit of the sensor circuit
Possible cause: damage to the sensor and its circuit, incorrectly selected sensor type in the thermostat settings, the temperature measured by the analogue sensor exceeds range of –30…+130 °С.
It is necessary: to check the integrity of the sensor and the absence of mechanical damage to its circuit, the absence of power wires that are laid close. Check if the colours are correct when connecting the digital sensor. Make sure that the appropriate type is selected in the sensor settings.
Timer-based emergency operation mode (factory setting 15 min.) This mode ensures the operation of the thermostat in case of damage to the sensor: in a 30-minute cyclic interval it turns on the load for the set time, the rest of the time the load is turned off. The load operating time is adjustable from 1 to 29 minutes using the «+» or «–» buttons. To ensure continuous operation of the load, select «on» and to turn the load completely off, select «oFF». Heating temperature control is not available.
The load of both channels does not work, the screen flashes «oht»
The temperature inside the housing exceeded 80 °C, the protection against internal overheating worked.
Possible cause: internal overheating of the thermostat, which can be caused by: poor contact in the terminals of the thermostat, high ambient temperature, exceeding the power of the switching load, or the cross section of the wires for connection is incorrectly selected.
It is necessary: to check the tightening of power wires in the terminals of the thermostat, make sure that the switching load power does not exceed the permissible one, the cross section of the wires for connection are selected correctly.
Features of the protection against internal overheating: when the temperature inside the housing drops below 60 °C, the thermostat will resume operation. Whenthe protection is triggered more than 5 times in a row,the thermostat will be blocked until the temperature inside the housing drops below 60 °C and one of the buttons is pressed.
Every 5 seconds the screen displays «Ert»
Possible cause: is a break or short circuit of the internal overheating sensor. Internal overheating is not monitored.
It is necessary: to send the thermostat to the service center. Otherwise, overheating control will not be carried out.
ADDITIONAL INFORMATION
Do not fire and do not throw away the device with the household waste.
After the end of its service life, the product must be disposed of in accordance with applicable law.
Transportation of goods carried in the package, ensuring the safety of the product. sea, motor, air transportation).
Date of manufacture is on the back side of device. Application time is unlimited.
The device does not contain harmful substances.
If you have any questions or you something will not clear, call the Service centre the telephone number listed below.
SAFETY INSTRUCTIONS
- Carefully read and become aware of yourself these instructions.
- Connection of the device must be done by a qualified electrician.
- Do not connect 230 V mains voltage instead of the sensor (it leads to failure of the thermostat).
- Before the installation (dismantling) and connection (disconnection) of the device, turn off voltage supply and also act according to the «Rules of an arrangement of electric installations».
- Do not immerse the sensor with a connecting wire in the liquid medium.
- Do not switch the non-assembled device to the network.
- Turning on and off or and configure the device should be with dry hands.
- Do not connect the device to the network disassembled.
- Avoid hitting of water or moisture to the device.
- Do not expose the device to extreme temperatures (higher than 40 ºС or below –5 °C) and high humidity.
- Never clean the device with the use of chemicals such as benzene, solvents.
- Do not store the device and do not use it in areas with the dust.
- Do not attempt to disassemble and repair the device.
- Do not exceed the landmarks value adaptor and power.
- To protect against overvoltage caused by lightning discharges, use a lightning protector.
- Protect the children from games with the working device, it is dangerous.
WARRANTY TERMS
The warranty for terneo devices is valid for 36 months from the date of sale, provided that the instructions are followed. The warranty period for products without a warranty certificate is counted from the date of production.
If your device is not working properly, we recommend that you first read the section «Possible problems». If you cannot find an answer, contact Service Center. In most cases, these actions resolve all issues.
If you continue to have issues with the device, please send it to a Service Center or to the store where you purchased the device. If your device is defective due to our fault, we will repair or replace it under warranty within 14 business days.
Please see the full text of the warranty and the data you need to send to your Service Center on the website https://www.ds-electronics.com.ua/en/. If you have a warranty case, please, contact the General distributor in your area.
SERVICE CENTER CONTACT:
+38 (091) 481-91-81
WhatsApp Viber Telegram [email protected]
WARRANTY CARD
serial №: …….date of sale:
a seller, a seal:……….place of a seal
an owner contact for a service center:
Low Voltage Directive 2014/35/EU EMC Directive 2014/30/EU
Manufacturer and vendor: DS ELECTRONICS, LTD
04136, Ukraine, Kyiv region, Kyiv, 1–3 Pivnichno-Syretska str.+38 (091) 481-91-81, Service Center: +38 (091) 481-91-81 [email protected] www.ds-electronics.com.ua/en/

















