
Digital temperature controller
HY series
INSTRUCTION MANUAL
thank you for purchasing HANYOUNG product. please check whether the product is the exactly same as you ordered. before using the product, please read this instruction manual carefully. please keep this manual where you can view at any time.
Safety information
Before using the product, please read the safety information throughly and use it properly.
Alerts declared in the manual are classified to danger, warning and caution by their criticality
| Danger indicates an imminently hazardous situation which, if not avoided, will result in death or serious injury | |
| Warning indicates a potentially hazardous situation which, if not avoided, could result in death or serious injury | |
| Caution indicates a potentially hazardous situation which, if not avoided, may result in minor or moderate injury |
DANGER
- There is a danger of occurring electric shock in the input/output terminals so please never let you body or conductive substance is touched
WARNING WARNING
- If there is a concern about a serious accident caused by a malfunction or abnormality of this product, please install an external protection circuit and device a scheme for preventing an accident.
- This product does not contain an electric switch or fuse, so the user needs to install a separate electric switch or fuse externally.(Fuse rating : 250 V 0.5 A)
- To prevent defection or malfunction of this product, apply a proper power voltage in accordance with the rating.
- To prevent electric shock or malfunction of the product, do not supply the power until the wiring is completed.
- Since this product is not designed with an explosion protective structure, do not use it any place with flammable or explosive gas
- Do not decompose, modify, revise or repair this product. this may be a cause of the malfunction, electric shock or fire.
- Reassemble this product while the power is OFF, otherwise, it may be a cause of malfunction or electric shock.
- If you use the product with methods other than specified by the manufacturer, there may be bodily injuries or property damages.
- There is a possibility of occurring electric shock so please use this product after installing it on to a panel while it is operating.
CAUTION
- The contents of this manual may be changed without prior notification.
- Before using the product you purchased, make sure that it is exactly what you ordered.
- Make sure that there is no damage or abnormality of the product during the delivery.
- Make sure that there is no damage or abnormality of the product during the delivery.
- Use this product within the range of the operating ambient temperature, 0 ~ 50 °C (When it is closely installed max 40°C) and ambient humidity, 35 ~ 85 %R.H (No condensation).
- Do not use this product at any place with occuring corrosive (especially noxious gas or ammonia)or flammable gas.
- Do not use this product at any place with direct vibration or impact.
- Do not use this product at any place with liquid, oil, medical substances, dust, salt or iron contents.(use at pollution level 1 or 2)
- Do not polish this product with substances such as alcohol or benzene.(use neutral detergent.)
- Do not use this product at any place with a large inductive difficulty or occurring static electricity or magnetic noise.
- Do not use this product at any place with possible thermal accumulation due to direct sunlight or heat radiation.
- Install this product at a place under 2,000 m in altitude.
- When the product gets wet, the inspection is essential because there is a danger of an electric leakage or fire
- In case of inputting thermocouples, use a compensating cable. (if using a normal wire, there is a possibility of occurring temperature error.)
- For R.T.D input, use a cable that is a lead wire has small resistances and the resistances of their wires shall be the same. (if the there wires have different resistances then there will be a temperature error.)
- To avoid the effect of inductive noise to input signal cables, use the product after separating the input signal cables from power, output, and load cables.
- Separate an input signal cable from an output signal cable. if separating is not possible, please use the input signal cable after shielding it.
- Use non-each sensor with a thermocouple. (in the case of using an earth sensor, there is a possibility of occurring malfunction caused by a short circuit.)
- If there is excessive noise from the power supply, using an insulating transformer and noise filter is recommended.
- The noise filter must be attached to a panel that is already connected to the ground and the wire between the filter output side and the power supply terminal must be short as possible.
- If twisting the power cables closely together then it is effective against noise.
- If the alarm functions are not properly set then it will not be output when the product is malfunctioning. therefore, make sure its movements are properly working before the operation.
- Turn the power OFF when replacing a sensor.
- Use an auxiliary relay in case of high-frequency operation such as proportional operation or etc. ist life span will be shorter if connecting a load without permissible rating of the output relay. in this case. using SSR output type is recommended. ◦Using electromagnetic switch: proportional cycle: set it above 20 sec ◦Life span of contact point output: mechanical life span: avobe 10 million times (with no load) electrical life span: 100 thousand times (250 V a.c.3 A: with the rated load)
- Do not connect anything to the unused terminals.
- After checking the polarity of the terminal, connect wires at the correct position.
- When this product is connected to a panel, use a circuit breaker or switch approved with IEC60947-1 or IEC60947-3.
- Install a circuit breaker or switch a near place for convenient use.
- Write down on a label that if the circuit breaker or switch is operating then the power will be disconnected since the circuit breaker or switch is installed.
- For the continuous and safe use of this product, periodical maintenance is recommened.
- Some parts of this product have a limited life span, and others are changed by their usage.
- The warranty period for this product including parts is one year if this product is properly used.
- When the power is on, the preparation period of contact output is required. in case of using signals of external interlock circuit or etc., use it with a delay relay.
- In case of replacing this unit with a spare unit, make sure it’s compatible because its operation can be different by different parameter settings even though the model name is the same.
- Before using a temperature controller, there could be a the temperature difference between PV of the temperature controller and the actual temperature so please operate the
temperature controller after compensating the temperature difference appropriately.
Suffix code
Model | Code | Description | ||||||
| HY- | ⃞- | ⃞ | ⃞ | ⃞ | ⃞ | ⃞ | ⃞ | Digital temperature controller |
| Description | 48 | 48(W) X 48(H) mm | ||||||
| 72 | 72(W) X 72(H) mm | |||||||
| 8000 | 96(W) X 96(H) mm | |||||||
| 8200 | 96(W) X 96(H) mm | |||||||
| Input | K | K thermocouple | ||||||
| P | RTD, Pt 100 Ω (IEC) | |||||||
| Control output | M | Relay contact output | ||||||
| Alarm output | N | None | ||||||
| O | High alarm (Only for HY-8200 model) | |||||||
| Control directio | R | Reverse action (Heating control) | ||||||
| Power supply voltage | A | 100 – 240 V a.c. 50 – 60 Hz | ||||||
| Range code | ⃞ | Refer to the range and input code | ||||||
※ Alarm output is available only for the HY-8200 model
※ Default set by Proportional control.
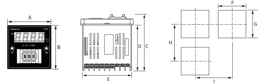
Dimension and panel cutput

| Model | A | B | C | D | E | F | G | H | I |
| HY-48 | 48 | 48 | 110. | 100 | 45. | 45 u’5 | 45 p.5 | Above 60 | Above 60 |
| HY-72 | 72 | 72 | 77. | 63. | 67 | 67.5 0.5 | 67.5 -0.5 | Above 100 | Above 83 |
| HY-8000 | 96 | 96 | 77. | 63. | 92. | 9215 | 92 t 5 | Above 117 | Above 117 |
| HY-8200 | 96 | 96 | 75. | 63. | 92. | 9215 | 922. | Above 117 | Above 117 |
Specification
| Model | HY-48 | HY-72 | HY-8000 | HY-8200 | |
| Input | Thermocouple input Ref rence jun tion | TC-K | |||
| compensation accuracy | ±1.5 ℃ (within -10 ~ 50 ℃) | ||||
| RTD input | Pt100 Ω | ||||
| Allowable wiring resistance | 10 Ω or less, but the resistance between 3 wires should be the same) | ||||
| Input sampling cycle | 500 ms | ||||
| Coountptruotl | Output type | Relay : 1C, 250 V a.c. 5A | |||
| Control type | ON/OFF control, Proportional control (Selective by Internal DIP switch) | ||||
| Proportional band | 1 ~ 10 ℃ | ||||
| Manual reset (MR) | 0 ~ 100 % | ||||
| Control cycle | 20 sec | ||||
| Hysteresis | 2 ℃ | ||||
| Output acting | Reverse acting(heating) | ||||
| Aulatprmut | Alarm type | Model HY-8200 only. High limit alarm | |||
| Output type | Relay : 1C, 250 V a.c. 5A | ||||
| Hysteresis | 2 ℃ | ||||
| Puopwpelyr | Power supply voltage | 100 – 240V a.c. 50 – 60Hz | |||
| Voltage fluctuation rate | ± 10% of power supply voltage | ||||
| Insulation Resistance | Min. 20 MΩ, 500 V d.c. | ||||
| Dielectric strength | 3,000 V a.c., 50/60 Hz for 1 minute (between 1st and 2nd terminal) | ||||
| Power consumption | 2.1VA | 2.5VA | 2.6VA | 3.6VA | |
| Display accuracy | ±1% of FS ±1 Digit | ||||
| Ambient temperature/humidity | 0 ~ 50 ℃, 35 ~ 85 % RH (without condensation) | ||||
| Storage temperature | -25 ~ 65 ℃ | ||||
| Weight (g) | 156 | 164 | 222 | 232 | |
Range and input code
| Classification | Code | Input | Range (℃) | |||
| HY-48 | HY-72 0 ~ | 399 HY-8000 | HY-8200 | |||
| Thermocouple | 04 | TC-K | 0 ~ 1199 | |||
| 02 | 0 ~ 199 | |||||
| RTD | Pt100 Ω | |||||
| 04 | 0 ~ 399 | |||||
Connection diagram

Terminology & function explanation
Heating control (ON/OFF)
- If the current temperature is lower than SV (Set Value), the main output relay is ‘ON’, and if it is high, it is ‘OFF’
- The HYS value of heating control is fixed at 2 ℃
High limit alarm output
- If the current temperature is higher than the ALM set temperature, the alarm output relay turns ‘ON’, and if it is low, it turns ‘OFF’.
- HYS value of high limit alarm output is fixed at 2 ℃.

Proportional band(PB)
- For proportional control : if the proportional band (PB) is narrow, then the output’s variable width will become smaller so that the time at which the controlling temperature (PT) is approaching to SV* is fast. also, OFF-set (deviation) becomes small. however, if PB* is too narrow, then there is overshoot or hunting, PB* can be set within the max range of 1 ~ 10 ℃. if turn the PB volume in clockwise then PB* gets larger. if turn the PB volume in counterclockwise then PB gets smaller.
Proportional control
- Proportional control is that an output capacity regarding a setting value (SV) is proportionally operated by a deviation. the width in which the output is varied within 0~100% is called the proportional band(PB). therefore, for reverse action, if PT = present (process) temperature, PB = proportional band
- PT<PB→Output capacity 100 %, PT> PB→Output capacity 0 %, PT=PB→Output capacity 50 %
※ PT : Present(process) temperature, PC : Proportional cycle, SV : Setting value(temperature), PB : Proportional band
Control output selection
- Control output can be selected by the switch on the left side of the product.
- The switch operates is P: proportional control, F: ON OFF control. ※ Even if you change the control output selection switch after turning on the product, The output operation is not changed. Output ON OFF

Manual Reset (MR)
- For proportional control, when the controlling temperature (PT) and SV* are the same, it generates 50 % of output so that there is a constant error(normal deviation) by heat capacity or etc. of a controlling target. To eliminate this matter, change the output
- Display value < setting value: turn the volume in clockwise.
- Display value > setting value: turn the volume in counterclockwise.
HANYOUNGNUX CO., LTD
28, Gilpa-ro 71 beon-gil, Nam-gu, Incheon, Korea : (82-32)876-4697 Fax :(82-32)876-4696
http://www.hanyoungnux.com


















