Digital Temperature Controller
DF4
INSTRUCTION MANUAL
Thank you for purchasing Hanyoung Nux products. Please read the instruction manual carefully before using this product, and use the product correctly.
Also, please keep this instruction manual where you can view it at any time.
Safety information
Please read the safety information carefully before use, and use the product correctly.
The alerts declared in the manual are classified into Danger, Warning, and Caution according to their importance
| Indicates an imminently hazardous situation that, if not avoided, will result in death or serious injury | |
| Indicates a potentially hazardous situation that, if not avoided, could result in death or serious injury | |
| Indicates a potentially hazardous situation that, if not avoided, may result in minor injury or property damage |
DANGER
- The input/output terminals are subject to electric shock risk. Never let the input/output terminals come in contact with your body or conductive substances.
WARNING
- If there is a concern about a serious accident caused by a malfunction or abnormality of this product, please install an external protection circuit and devise a scheme for preventing an accident.
- This product does not contain an electric switch or fuse, so the user needs to install a separate electric switch or fuse externally. (Fuse rating: 250 V 0.5 A)
- To prevent defection or malfunction of this product, apply a proper power voltage in accordance with the rating.
- To prevent electric shock or malfunction of the product, do not supply the power until the wiring is completed.
- Since this product is not designed with an explosion-protective structure, do not use it in any place with flammable or explosive gas.
- Do not decompose, modify, revise or repair this product. This may be a cause of malfunction, electric shock, or fire.
- Reassemble this product while the power is OFF. Otherwise, it may be a cause of malfunction or electric shock.
CAUTION
- The contents of this manual may be changed without prior notification.
- Before using the product you purchased, make sure that it is exactly what you ordered.
- Make sure that there is no damage or abnormality of the product during the delivery.
- Do not use this product in any place with occurring corrosive (especially noxious gas or ammonia) or flammable gas.
- Do not use this product at any place with direct vibration or impact.
- Do not use this product at any place with liquid, oil, medical substances, dust, salt, or iron contents.
(Use at Pollution level 1 or 2) - Do not polish this product with substances such as alcohol or benzene. (Use neutral detergent.)
- Do not use this product at any place with a large inductive difficulty or occurring static electricity or magnetic noise.
- Do not use this product at any place with possible thermal accumulation due to direct sunlight or heat radiation.
- Install this product at a place under 2,000m in altitude.
- When the product gets wet, the inspection is essential because there is a danger of an electric leakage or fire.
- In case of inputting thermocouples, use a compensating cable. (If using a normal wire, there is a possibility of occurring temperature error.)
- For R.T.D input, use a cable that is a lead wire that has a small resistance, and the resistances of the three wires shall be the same.
(If the three wires have different resistances then there will be a temperature error.) - To avoid an effect of inductive noise on input signal cables, use the product after separating the input signal cables from power, output, and load cables.
- Separate an input signal cable from an output signal cable.
If separating is not possible, please use the input signal cable after shielding it. - Use a non-earth sensor with a thermocouple.
(In the case of using an earth sensor, there is a possibility of occurring malfunction caused by a short circuit.) - If there is excessive noise from the power supply, using an insulating transformer and noise filter is recommended. The noise filter must be attached to a panel that is already connected to the ground and the wire between the filter output side and the power supply terminal must be short as possible.
- If twisting the power cables closely together then it is effective against noise.
- Turn the power OFF when replacing a sensor.
- Use an auxiliary relay in case of high-frequency operation such as proportional operation or etc. its life span will be shorter if connecting a load without permissible rating of the output relay. In this case, using the SSR output type is recommended.
*Using Electromagnetic Switch: Proportional Cycle set it above 20 sec.
*Using SSR: Proportional Cycle set it above 1 sec.
*Life Span of Contact Point Output: Mechanical Life Span: above 10 million times (with no load)
Electrical Life Span: 100 thousand times (250 VAC 3 A: with the rated load) - Do not connect anything to the unused terminals.
- After checking the polarity of the terminal, connect wires at the correct position.
- When this product is connected to a panel, use a circuit breaker or switch approved with IEC60947-1 or IEC60947-3.
- Install a circuit breaker or switch to a near place for convenient use.
- Please specify on the panel that, since switches or circuit breakers are installed, if the switches or circuit breakers are activated, the power will be cut off.
- For the continuous and safe use of this product, periodical maintenance is recommended.
- Some parts of this product have a limited life span, and others are changed by their usage.
- The warranty period of this product, is 1 year, including its accessories, under normal conditions of use.
- The preparation period of the contact output
- The preparation period of the contact output is required during the power supply. If used as a signal to external interlock circuit, etc. please use a delay relay together.
Suffix code

Range and input code chart
| Classification | Code | Input | Range (℃) |
| Thermocouple | 6 | K | 0 ~ 399 |
| RTD | 6 | Pt100 Ω | 0 ~ 399 |
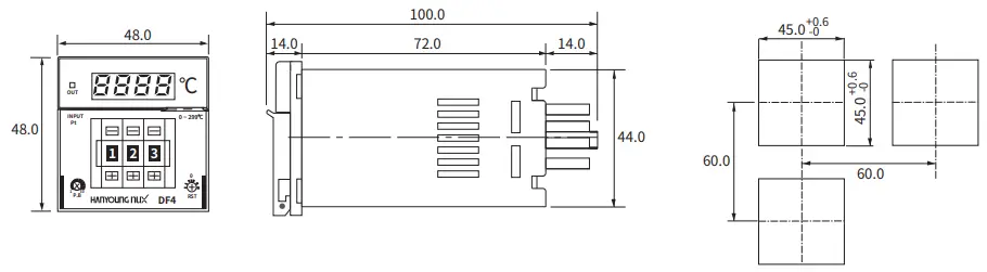
Dimensions and panel cutout

Specifications
| Input | Thermocouple input | K |
| RTD input | Pt100 0 | |
| Input sampling cycle | 500 ms | |
| Input display resolution | 1 °C | |
| Allowable signal source resistance | Thermocouple max. 100 0 | |
| Lead wire allowable resistance | RTD (max. 10 0. but the resistance among 3 lines should be the same) | |
| Performance | Display accuracy | ±1 % of FS ±1 Digit |
| Control functions and output | Control type | Proportional control |
| Control operation | Reverse action or direct action (by suffix code) | |
| Setting range | Same as range and input code | |
| Proportional band | 1 — 10 % of FS | |
| Manual reset (MR) | -50 — +50 % (Output amount) | |
| Proportional period | Approx. 20 sec (relay output) | |
| Input disconnection detection | The output is OFF when the range is over 10 °C | |
| Control output | Contact capacity: 1 C, 250 V a.c. 3 A (resistive load) | |
| Power voltage | X 110 V a.c., 220 V a.c. 50/60 Hz | |
| Voltage fluctuation rate | ±10 % of power voltage | |
| Power consumption | Max. 3 VA | |
| Ambient temperature & humidity | 0 — 50 °C, 35 – 85 % RH (without condensation) | |
| Storage temperature | -25 — 65 °C | |
| Weight (g) | 200 | |
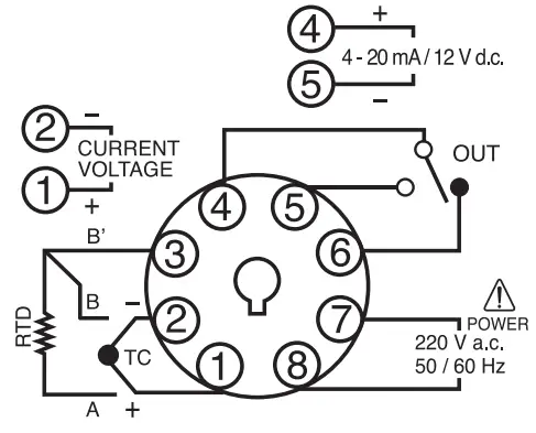
Connection diagrams
- 110 V a.c.

- 220 V a.c.

Switch between ON/OFF control and Proportional Control
Users can select a control method by dip switch located in the internal body.
Proportional control is mainly used for heaters, ON/OFF control is mainly used for freezers, pump and valve controls, etc.

Term & Function
Proportional Control
Proportional control means that the manipulated value to the set value operates in proportion to the deviation. The width of the manipulated variable value from 0~100% is called the proportional band. In the case of reversal control, if the PV (Process Value) is lower than the proportional band, the manipulated value becomes 100%, and then it is higher, it becomes 0%. If SV (Set value) matches PV, the manipulated value becomes 50%.
Volume switch in front
Proportional Band (PB) Only for
When the PB range decreased, the time for approaching the SV will be shortened and the offset will be decreased. But the excessive narrow PB may lead to over-shooting and hunting. DF4 can set PB from 1 to 10% using the volume switch of the front panel of the device.
Turning the volume clockwise increases the proportional band, conversely, the proportional band becomes narrow.
Reset Volume (RST) adjustment
In proportional control, the device is designed to give 50% output when the PV approaches the SV, and this makes offset.
To reduce offset, the output change is adjusted by the RST volume switch.
- PV<SV: Turn the volume switch clockwise.
- PV>SV: Turn the volume switch counterclockwise


















