MYPIN TA Series of Temperature Controller

Thank you for selecting our controller! Before operating this instrument, please carefully read this manual and fully understand its contents. If any problem, please contact our sales or distributors whom you buy from. This manual is subject to change without prior notice.
Warning
Please do not connect your controller to main power until all of your wiring is complete and checked. Otherwise electrical shock, fire or malfunction may result.
Do not wire when the power is on. Do not turn on the power supply when cleaning this instrument. Do not disassemble, repair or modify the instrument. This may cause electrical shock, fire or malfunction. Use this instrument in the scope of its specifications. Otherwise fire or malfunction may result. The internal relay’s service life is greatly dependent on the current and voltage switched by its contacts. Over-stressing the contacts with too much current or switching voltage above the contact rating will greatly shorten the life of the relay.
Caution
This instrument is not rated for out door use and should be used in a climate controlled environment.
Installing in an environment heavy laden with dust or containing corrosive gasses will cause your controller to fail.
Do not install near water spray, oil spray, or in an environment where water can condense inside the unit.
Avoid running power leads in parallel with high voltage or heavy current carrying conductors that may induce high voltages into the unit. If you must run incoming power near high voltage or heavy current carrying conductors, we suggest that you run the power inside metal conduit that is grounded on one end only.
If installing in an electrically noisy environment, we suggest that you protect the unit with a current suppressor or noise filter.
Applications
TA series of temperature controller is available for many TC or RTD input, adopt some advanced technology such multi digital filter circuit, autotuned PID, fuzzy PID that make it is very precise, stable, strong anti-interference and simple operation. The instrument is widely applied to automation systems of mechanism, chemical industrial, chinaware, light industrial, metallurgy and petroleum chemical industrial. It is also applied to the production line of foodstuff, packing, printing, dry machine, metal heat process equipment to control the temperature.
Panel
①. PV / parameter symbols
②. SV / parameters set value
③. Indication lamps
OUT1: Heating/Main control output lamp
On: Output Off: No output
OUT2: Alam2 output lamp
On: Output Off: No output
AT: On: Autotune Off: Non-autotune
AL: Alarm 1 lamp On: Alarm Off: No Alarm
④.Set key Parameter Setting/Changing
⑤.Shift/Autotune key Press this key to shift digit of parameter value setting.
Or hold this key for more than 3s can enter/quit autotune estate. When enter autotune estate, AT lamp on. When quit autotune estate, AT lamp off.
Models

Specifications
| Power supply | 90-260V AC/DC 50/60Hz | |||
| Consumption | ≤ 5VA | |||
| Display range | -199∼1800°C | |||
| Accuracy | 0. 3%F. S + 2digit | |||
| Sampling cycle | ≤ 300ms | |||
| Main output | RELAY: normal open AC 250V/5A DC 30V/5A COS ⊄ =1 SSR/L0G IC: 24V DC + 2V/ 20mA | |||
| Alarm | RELAY: normal open AC 250V/5A DC 30V/5A COS⊄ = l SSR/ L0G IC: 24V DC + 2V/ 30mA | |||
| Input | T/ C | K | 0~ 1200 °C (negative temp customized) | |
| J | 0 ~ 1 200°C (negative te1np customized) | |||
| T | -150 ~400°C (customized only) | |||
| S | 0~1600°C | |||
| E | 0~ l000°C | |||
| Rt | Pt100 | -199~600°C | ||
| Cu50 | -50~150°C | |||
| Others Please mention when ordering | ||||
| Withstand voltage strength | 1500V Rms (Between power terminal and the housing) | |||
| Insulation resistance | Min 50M Ω (500VDC) (Between power terminal and the housing) | |||
| Environment temperature | 0~50°C | |||
| Storage temperature | – 10~60°C | |||
| Environment humidity | 35~85%RH | |||
| Weight | ≤ 350g | |||
Mounting and Sizes

Sizes | A | B | C | D | E | F | G | H |
TA4 | 44.5+0.5 | 45+0.5 | 65 | 65 | 48 | 48 | 8 | 80 |
TA6 | 43.5+0.5 | 91+0.5 | 65 | 115 | 48 | 96 | 12 | 80 |
TA7 | 67.5+0.5 | 67.5+0.5 | 115 | 115 | 72 | 72 | 12 | 80 |
TA8 | 91+0.5 | 43.5+0.5 | 65 | 115 | 96 | 48 | 12 | 80 |
TA9 | 91+0.5 | 91+0.5 | 95 | 95 | 96 | 96 | 12 | 80 |
Parameter Setting
Setting steps
A: Select the parameter you want to modify
B: Press the <</AT key to select the digit you want to modify
C: Press
key and
key to modify the numerals
D: Press SET key to confirm

In Non-autotune estate, press and hold
/
key for more than 5 seconds can enter/quit the under menu: (Normally the program will refresh the value of the parameters by itself, the user no need make modifications. )

——————————————





Note:
Please operate according to the process in this instruction manual. Press <</AT key2s to enter auto-tune mode, AT lamp ON, it goes off when auto-tuned. In most cases you should start-out by placing your controller in auto-tune mode. Once auto-tuned, your controllers should not require additional auto-tune cycle if the environment its working in changes little. If your controllers is being used to heat or cool a load with a large thermal mass, then the auto-tuned values need to be reduced by 5% -10%.
The CtL setting. In most cases our control cycle should be set to 10-20 seconds. For heating or cool in a load with a large thermal mass, the value should be set to 30-40 seconds. If you are using a controller with a relay, setting longer values will help to extend the life of your relay contacts. Unless your process dictates longer cycle times, the value should be set to 1-3 seconds to non-relay(SSR) controls. The value should be set to 000 if 4-20mA cur rent controls.
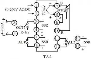
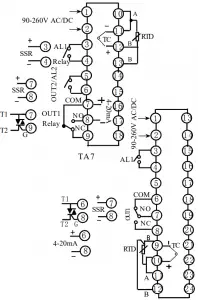
Terminal configurations
(If any changed, please refer to the product showing.)


TA6/TA8/TA9 are subject to the drawing on the product.

Note:
All the factory setting value of deiation alarm is 1.0.
Application examples
1.Relay output control (for TA7)

Malfunction estimate
- No Display : Check all the connection and wiring if it is all correct. Specially pay attention to the power supply terminals and signal input terminals.
- Incorrect Display: Check if the input signal is conformity with the selected symbol.
For TC input, please use the relative compensation cable. For RTD input, please use low impedance cable. The 3 wires should at the same length. If all above mentioned is collect , please use parameter PVF to modify. - Incorrect Control: If the instrument has been used for a long time, the user find the temperature is hard to rise up to the set value, meanwhile the outside system running well, there must be something wrong with the parameters of the instrument. The user need to re-auto tuning the instrument. If the instrument lost control, please check if the connection of the control is correct. If external load is shorted, broken, wrong connection or components is damaged, it will cause lost control as well.
- Display malfunction: “UUUU”: The input signal exceed the measured range, or check “USP” value.














