HANYOUNG NUX HY-1000 Analog Temperature Controller

Analog Temperature Controller HY-1000/2000
Thank you for purchasing Hanyoung Nux Analog Temperature Controller. Please read the instruction manual carefully before using this product, and use the product correctly. Also, please keep this instruction manual where you can view it any time.
Product Specifications
| Power supply voltage | 110 V a.c. / 220 V a.c. 60 | |
|---|---|---|
| Voltage variation rate | ||
| Power consumption | Approx. 3 VA max | |
| Input | Thermocouple, Resistive | |
| Control method | Proportional control | |
| Setting method | Analog Setting | |
| Display method | Non-Display | |
| Control output | Relay : 1 C, 277 V a.c. 6 A | |
| Setting accuracy | Proportional band 3% of Max. Range (fixed) | |
| Proportional cycle | ||
| External input resistance | ||
| Dielectric strength | 2000 V a.c. 60 for 1 min | |
| Relay life expectancy | Relay Output: Approx. 20 sec, Contact Point Output: Mechanical Life Span: above 10 million times (with no load), Electrical Life Span: 100 thousand times | |
| Weight (g) | HY-1000: 72.0, HY-2000: 96.0 |
Safety Information
Please read the safety information carefully before the use and use the product correctly. The alerts declared in the manual are classified into Danger, Warning, and Caution according to their importance.
| Danger | Indicates an imminently hazardous situation which, if not avoided, will result in death or serious injury. |
|---|---|
| Warning | Indicates a potentially hazardous situation which, if not avoided, could result in death or serious injury. |
| Caution | Indicates a potentially hazardous situation which, if not avoided, may result in minor injury or property damage. |
Product Usage Instructions
The control method of this product operates in proportional control. Proportional Control is that an output capacity regarding a setting value (SV) is proportionally operated by a deviation. The width which the output is varied within 0 ~ 100 % is called Proportional Band (PB). Therefore, for Reverse Action, if PT =
Present (Process) Temperature:
- PT < PB – Output capacity 100%
- PT > PB – Output capacity 0%
- PT = PB – Output capacity 50%
Connection diagram
See the manual for connection diagram instructions.
Analog Temperature Controller
HY-1000/2000
Thank you for purchasing Hanyoung Nux products. Please read the instruction manual carefully before using this product, and use the product correctly. Also, please keep this instruction manual where you can view it any time.
HANYOUNGNUX CO.,LTD
28, Gilpa-ro 71beon-gil, Michuhol-gu,Incheon, Korea TEL : +82-32-876-4697
http://www.hanyoungnux.com
Safety information
Please read the safety information carefully before the use, and use the product correctly.
The alerts declared in the manual are classified into Danger, Warning and Caution according to their importance.
| DANGER WARNING | Indicates an imminently hazardous situation which, if not avoided, will result in death or serious injury Indicates a potentially hazardous situation which, if not avoided, could result in death or serious injury |
| CAUTION | Indicates a potentially hazardous situation which, if not avoided, may result in minor injury or property damage |
DANGER
- The input/output terminals are subject to electric shock risk. Never let the input/output terminals come in contact with your body or conductive substances.
WARNING
- If there is a concern about a serious accident caused by a malfunction or abnormality of this product, please install an external protection circuit and devise a scheme for preventing an accident.
- This product does not contain an electric switch or fuse, so the user needs to install a separate electric switch or fuse externally. ( Fuse rating : 250 V a.c. 0.5 V a.c.)
- To prevent defection or malfunction of this product, apply a proper power voltage in accordance with the rating.
- To prevent electric shock or malfunction of product, do not supply the power until the wiring is completed.
- Since this product is not designed with explosion-protective structure, do not use it any place with flammable or explosive gas.
- Do not decompose, modify, revise or repair this product. This may be a cause of malfunction, electric shock or fire.
- Reassemble this product while the power is OFF. Otherwise, it may be a cause of malfunction or electric shock.
CAUTION
- The contents of this manual may be changed without prior notification.
- Before using the product you purchased, make sure that it is exactly what you ordered.
- Make sure that there is no damage or abnormality of the product during the delivery.
- Use this product within the range of the operating ambient temperature, 0 ~ 50 ℃ ( When it is closely installed Max 40 ℃ ) and ambient humidity, 35 ~ 85 % R.H ( No condensation ). Do not use this product at any place with occurring corrosive ( especially noxious gas or ammonia ) or flammable gas.
- Do not use this product at any place with direct vibration or impact.
- Do not use this product at any place with liquid, oil, medical substances, dust, salt or iron contents. ( Use at Pollution level 1 or 2 )
- Do not polish this product with substances such as alcohol or benzene. ( Use neutral detergent. )
- Do not use this product at any place with a large inductive difficulty or occurring static electricity or magnetic noise.
- Do not use this product at any place with possible thermal accumulation due to direct sunlight or heat radiation.
- Install this product at place under 2,000 m in altitude.
- When the product gets wet, the inspection is essential because there is danger of an electric leakage or fire.
- In case of inputting thermocouple, use a compensating cable. ( If using a normal wire, there is a possibility of occurring temperature error. )
- For R.T.D input, use a cable which is a lead wire has small resistance and resistances of three wires shall be the same. ( If the three wires have different resistances then there will be a temperature error. )
- To avoid an effect of inductive noise to input signal cables, use the product after separating the input signal cables from power, output and load cables.
- Separate an input signal cable from an output signal cable. If separating is not possible, please use the input signal cable after shielding it.
- Use non-earth sensor with thermocouple. (In case of using earth sensor, there is a possibility of occurring malfunction caused by a short circuit.)
- lf there is excessive noise from the power supply, using insulating transformer and noise filter is recommended. The noise filter must be attached to a panel which is already connected to a ground and the wire between the filter output side and power supply terminal must be short as possible.
- lf twisting the power cables closely together then it is effective against noise.
- If the alarm functions are not properly set then it will not be output when the product is malfunctioning. Therefore, make sure its movements are properly working before the operation.
- Turn the power OFF when replacing a sensor.
- Use an auxiliary relay in case of high frequent operation such as proportional operation or etc. its life span will be shorter if nnecting a load without permissible rating of output relay. In this case, using SSR output type is recommended.
- Using Electromagnetic Switch: Proportional Cycle set it above 20 sec.
- Life Span of Contact Point Output: Mechanical Life Span: above 10 million times (with no load)
- Electrical Life Span: 100 thousand times (250 Va.c.3A:with the rated load )
- Do not connect anything to the unused terminals.
- After checking the polarity of terminal, connect wires at the correct position.
- When this product is connected onto a panel, use a circuit breaker or switch approved with IEC60947-1 or IEC60947-3.
- Install a circuit breaker or switch at near place for convenient use.
- Write down on a label that if the circuit breaker or swite operating then the power will be disconnected since the circuit breaker or switch is installed. is
- For the continuous and safe use of this product, the periodical maintenance is recommended.
- Some parts of this product have limited life span, and others are changed by their usage.
Suffix code
The control method of this product operates in proportional control.
Range code
| Division | Code | Range ( ℃ ) |
| Thermocouple | 04 | 0 ~ 400 |
| 12 | 0 ~ 1200 | |
| RTD | 02 | 0 ~ 200 |
| 04 | 0 ~ 400 |
Function descriptions
Proportional control
- Proportional Control is that an output capacity regarding a setting value ( SV ) is proportionally operated by a deviation.
- The width which the output is varied within 0 ~ 100 % is called Proportional Band ( PB ).
- Therefore, for Reverse Action, if PT = Present ( Process ) Temperature.
- PT < PB → Output capacity 100 %
- PT > PB → Output capacity 0 %
- PT = PB → Output capacity 50 %
Specifications
| ▍Specifications Power supply voltage | 110 V a.c. / 220 V a.c. 60 ㎐ |
| Voltage variation rate | Rated Voltage ± 10 % |
| Power consumption | Approx. 3 VA max |
| Input | Thermocouple, Resistive |
| Control method | Proportional control |
| Setting method | Analog Setting |
| Display method | Non-Display |
| Control output | Relay : 1 C, 277 V a.c. 6 A |
| Setting accuracy | Within ± 2.0 % of Max. Range |
| Proportional band | 3 % of Max. Range ( fixed ) |
| Proportional cycle | RTelay Output : Approx. 20 sec hseirmvoecouplle w: Below 1010 WΩ |
| External input resistance | • Re sti : Be o 5 Ω Per ire ( The resistance of each wire should be the same. ) |
| Dielectric strength | 2000 V a.c. 60 ㎐ for 1 min Mechracnaical : iM.in.01 tmoillioanns tsimies. |
| Relay life expectancy Ambient temperature · humidity | • Elect i l : M n 1 0 h us d t mes. ( 277 V a.c. 6 A Resistive load ) 0 ~ 50 ℃, 35 ~ 85% R.H ( Without condensation ) |
| Weight ( g ) | • HY-1000 : 210 • HY-2000 : 270 ※ Including brackets |
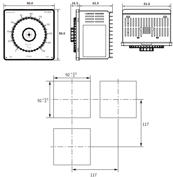
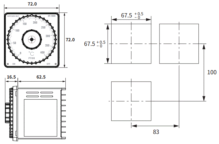
Dimension and Panel cutout
HY-1000
HY-2000



















