HANYOUNG NUX DF2 Digital Temperature Controller

Safety information
Please read the safety information carefully before the use, and use the product correctly. The alerts declared in the manual are classified into Danger, Warning and Caution according to their importance
- DANGER: Indicates an imminently hazardous situation which, if not avoided, will result in death or serious injury
- WARNING: Indicates a potentially hazardous situation which, if not avoided, could result in death or serious injury
- CAUTION: Indicates a potentially hazardous situation which, if not avoided, may result in minor injury or property damage
- DANGER: The input/output terminals are subject to electric shock risk. Never let the input/output terminals come in contact with your body or conductive substances.
WARNING
- If there is a concern about a serious accident caused by a malfunction or abnormality of this product, please install an external protection circuit and devise a scheme for preventing an accident.
- This product does not contain an electric switch or fuse, so the user needs to install a separate electric switch or fuse externally. (Fuse rating: 250 V 0.5 A)
- To prevent defection or malfunction of this product, apply a proper power voltage in accordance with the rating.
- To prevent electric shock or malfunction of product, do not supply the power until the wiring is completed.
- Since this product is not designed with explosion-protective structure, do not use it any place with flammable or explosive gas.
- Do not decompose, modify, revise or repair this product. Thismay be a cause of malfunction, electric shock or fire.
- Reassemble this product while the power is OFF. Otherwise, it may be a cause of malfunction or electric shock.
CAUTION
- The contents of this manual may be changed without prior notification.
- Before using the product you purchased, make sure that it is exactly what you ordered.
- Make sure that there is no damage or abnormality of the product during the delivery.
- Use this product within the range of the operating ambient temperature, 0 ~ 50 ℃ ( When it is closely installed Max 40 ℃ )
- Do not use this product at any place with occurring corrosive (especially noxious gas or ammonia) or flammable gas.
- Do not use this product at any place with direct vibration or impact.
- Do not use this product at any place with liquid, oil, medical substances, dust, salt or iron contents.
- Do not polish this product with substances such as alcohol or benzene. (Use neutral detergent.)
- Do not use this product at any place with a large inductive difficulty or occurring static electricity or magnetic noise.
- Do not use this product at any place with possible thermal accumulation due to direct sunlight or heat radiation.
- Install this product at place under 2,000m in altitude.
- When the product gets wet, the inspection is essential because there is danger of an electric leakage or fire.
- In case of inputting thermocouple, use a compensating cable. (If using a normal wire, there is a possibility of occurring temperature error.)
- For R.T.D input, use a cable which is a lead wire has small resistance and resistances of three wires shall be the same.
- To avoid an effect of inductive noise to input signal cables, use the product after separating the input signal cables from power, output and load cables.
- Separate an input signal cable from an output signal cable. If separating is not possible, please use the input signal cable after shielding it. Use non-earth sensor with thermocouple. (In case of using earth sensor, there is a possibility of occurring malfunction caused by a short circuit.)
- If there is excessive noise from the power supply, using insulating transformer and noise filter is recommended. The noise filter must be attached to a panel which is already connected to a ground and the wire between the filter output side and power supply terminal must be short as possible.
- If twisting the power cables closely together then it is effective against noise.
- Turn the power OFF when replacing a sensor.
- Use an auxiliary relay in case of high frequent operation such as proportional operation or etc. its life span will be shorter if connecting a load without permissible rating of output relay.
In this case, using SSR output type is recommended.- Using Electromagnetic Switch: Proportional Cycle set it above 20 sec.
- Life Span of Contact Point Output :
- Do not connect anything to the unused terminals.
- After checking the polarity of terminal, connect wires at the correct position.
- When this product is connected onto a panel, use a circuit breaker or switch approved with IEC60947-1 or IEC60947-3.
- Install a circuit breaker or switch at near place for convenient use.
- Please specify on the panel that, since switches or circuit breakers are installed, if the switches or circuit breakers are activated, the power will be cut off.
- For the continuous and safe use of this product, the periodical maintenance is recommended.
- Some parts of this product have limited life span, and others are changed by their usage.
- The preparation period of the contact output
- The preparation period of the contact output is required during power supply. If used as a signal to external interlock circuit, etc. please use a delay relay together.
Suffix code
| ▍Suffix Model | code Code | Description | ||||||
| DF | ⃞- | ⃞ | ⃞ | ⃞ | ⃞ | ⃞ | ⃞ | Economical Digital Temperature Controller |
| Appearance | 2 | 48(W) X 96(H) X 62.5(D) ㎜ | ||||||
| Input | K | K thermocouple | ||||||
| P | RTD Pt100 Ω (IEC) | |||||||
| Control output | M | Relay output | ||||||
| Alarm output | N | None | ||||||
| Control operation | R | Reverse action (heating control) | ||||||
| Power supply voltage | A | 100 – 240 V a.c. 50-60 Hz | ||||||
| Range code | ⃞ | Refer to “Range and input code chart” | ||||||
Range and input code chart
| Range and inp Classification | ut co Code | de chart Input | Range (℃) |
| Thermocouple | 04 | TC-K | 0 ~ 399 |
| 12 | 0 ~ 1199 | ||
| RTD | 02 | Pt100 Ω | 0 ~ 199 |
| 04 | 0 ~ 399 |
Dimensions and panel cutout

Specifications
| ▍Spe Input | cifications Thermocouple input mRef nrencie jun ction | TC-K |
| co pe sat on ac uracy | ±1.5℃ (within -10 ~ 50 ℃) | |
| RTD input | Pt100 Ω | |
| Allowable wiring resistance | 10 Ω or less, but the resistance between 3 wires should be the same) | |
| Input sampling cycle | 500 ms | |
| Coountptruotl | Output type | Relay : 1C, 250 V a.c. 5A |
| Control type | ON/OFF control, Proportional control (Selective by Internal DIP switch) | |
| Proportional band | 1 ~ 10 ℃ | |
| Manual reset (MR) | 0 ~ 100 % | |
| Control cycle | 20 sec | |
| Hysteresis | 2 ℃ | |
| Output acting | Reverse acting(heating) | |
| sPuopwpelyr | Power supply voltage | 100 – 240 V a.c. 50 – 60 Hz |
| Voltage fluctuation rate | ± 10% of power supply voltage | |
| Insulation Resistance | Min. 20 MΩ, 500 V d.c. | |
| Dielectric strength | 3,000 V a.c., 50/60 Hz for 1 minute (between 1st and 2nd terminal) | |
| Power consumption | 2.4 VA | |
| Display accuracy | ±1% of FS ±1 Digit | |
| Ambient temperature/humidity | 0 ~ 50 ℃, 35 ~ 85% RH (without condensation) | |
| Storage temperature | -25 ~ 65 ℃ | |
| Weight (g) | 156g | |
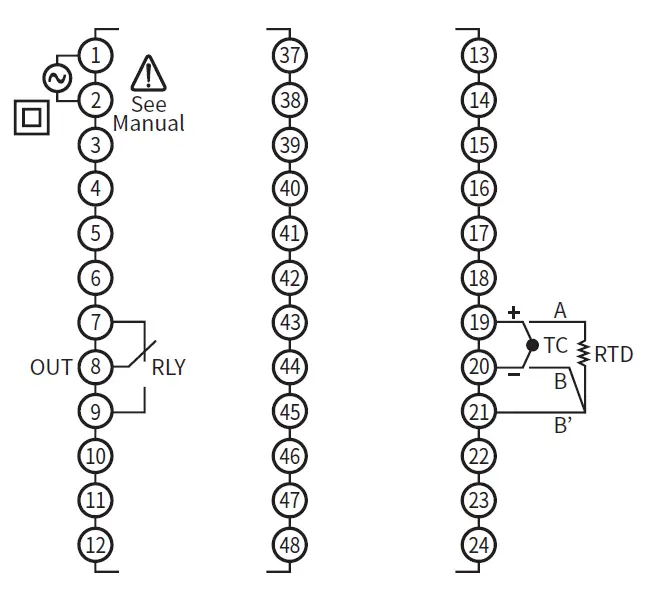
Connection diagrams

Terminology & function explanation
Heating control (ON/OFF)
- If the current temperature is lower than SV (Set Value), the main output relay is ‘ON’, and if it is high, it is ‘OFF’
- The HYS value of heating control is fixed at 2 ℃

High limit alarm output
- If the current temperature is higher than the ALM set temperature, the alarm output relay turns ‘ON’, and if it is low, it turns ‘OFF’.
- HYS value of high limit alarm output is fixed at 2 ℃.

Proportional band(PB)
For proportional control : if the proportional band (PB) is narrow, then the output’s variable width will become smaller so that the time which the controlling temperature (PT) is approaching to SV* is fast. also, OFF-set (deviation) becomes small. however, if PB* is too narrow, then there is over shoot or hunting, PB* can be set within the max range of 1 ~ 10 ℃. if turn the PB volume in clockwise then PB* gets larger. if turn the PB volume in counterclockwise then PB gets smaller.
Proportional control

- Proportional control is that an outout capacity regarding a setting value (SV) is proportionally operated by a deviation. the width which the output is varied within 0~100% is called proportional band(PB). therefore, for reverse action, if PT = present (process) temperature, PB = proportional band
- PT<PB→Output capacity 100 %, PT>PB→Output capacity 0 %, PT=PB→Output capacity 50 % ※ PT : Present(process) temperature, PC : Proportional cycle, SV : Setting value(temperature), PB : Proportional band
Control output selection
- Control output can be selected by the switch on the left side of the product
- The switch operates is P: proportional control, F: ON OFF control.
- Even if you change the control output selection switch after turning on the product, The output operation is not changed.

Manual Reset (MR)
- For proportional control, when the controlling temperature (PT) and SV* are the same, it generates 50 % of output so that there is constant error(normal deviation) by heat capacity or etc. of a controlling target. To eliminate this matter, change the ouput
- Display value < setting value : turn the volume in clockwise
- Display value > setting value : turn the volume in counterclockwise.


















