HANYOUNG NUX AX Series Digital Temperature

Product Information
The Universal Input Digital Temperature Controller AX series is a product by HanyoungNux that is designed to control temperature.
It comes with safety information that must be read carefully before usage. The alerts in the manual are classified into Danger, Warning, and Caution according to their importance. The product comes with different suffix codes that indicate the model, size, output selection, and power voltage.
Safety Information
- Danger: Indicates an imminently hazardous situation which, if not avoided, will result in death or serious injury.
- Warning: Indicates a potentially hazardous situation which, if not avoided, could result in death or serious injury.
- Caution: Indicates a potentially hazardous situation which, if not avoided, may result in minor injury or properties damage.
DANGER
The input/output terminals are subject to electric shock risk. Never let the input/output terminals come in contact with your body or conductive substances.
WARNING
- When used in equipment with a high risk of personal injury or properties damage (examples: medical devices, nuclear control, ships, aircrafts, vehicles, railways, combustion devices, safety devices, crime/disaster prevention equipment etc.) install double safety devices and prevent Failure to do so may result in fire, personnel accident or properties damage.
- Since this product is not equipped with a power switch and fuse, install them separately on the outside (fuse rating: 250 V c., 0.5 A).
- Please supply the rated power voltage, in order to prevent product breakdowns or
- To prevent electric shocks and malfunctions, do not supply power until the wiring is completed.
- The product does not have an explosion-proof structure, so avoid using it in places with flammable or explosive gases.
- Never disassemble, modify, process, improve or repair this product, as it may cause abnormal operations, electric shocks or
- Please disassemble the product after turning OFF the Failure to do so may result in electric shocks, product abnormal operations or malfunctions.
- Any use of the product other than those specified by the manufacturer may result in personal injury or properties
- Please use this product after installing it to a panel, because there is a risk of electric shock.
CAUTION
- The contents of this manual may be changed without prior
- Please make sure that the product specifications are the same as you
- Please make sure that there are no damages or product abnormalities occurred during
- Use the product in a temperature range from -5 to 50 ° C (max. 40 ° C for close installation) / 35 to 85% RH (without condensation)
- Please use the product in places where corrosive gases (especially harmful gases, ammonia, ) and flammable gases are not generated.
- Use the product in places where vibrations and impacts are not applied directly to product body.
- Please use the product in places without liquids, oils, chemicals, steam, dust, salt, iron, (pollution degree 1 or 2).
- Please do not wipe the product with organic solvents such as alcohol, benzene, etc. (wipe it with neutral detergents).
- Please avoid places where large inductive interference, static electricity, magnetic noise are
- The display characters may not be visible in external sunlight or heavily illuminated indoor
- Please avoid places with heat accumulation caused by direct sunlight, radiant heat, etc.
- When water enters, short circuit or fire may occur, so please inspect the product carefully.
- For thermocouple input, use the predetermined compensating cable (temperature errors occur when using ordinary cable).
- For RTD input, use a cable with small lead wire resistance and without resistance difference among 3 wires (temperature errors occur if the resistance value among 3 wires is different).
- Use the input signal line away from power line and load line to avoid the influence of inductive
- Input signal line and output signal line should be separated from each If separation is not possible, use shield wires for input signal line.
- Use a non-grounded sensor for thermocouple (using a grounded sensor may cause malfunctions to the device due to short circuits).
- When there is a lot of noise from the power, we recommend to use insulation transformer and noise Please install the noise filter to a grounded panel or structure, etc. and make the wiring of noise filter output and product power supply terminal as short as possible.
- Tightly twisting the power cables is effective against
- If the alarm function is not set correctly, it will not be output in case of abnormal operation, so please check it before
- When replacing the sensor, be sure to turn off the
- Use an extra relay when the frequency of operation (such as proportional operation, ) is high, because connecting the load to the output relay rating without any room shortens the service life. In this case, SSR drive output type is recommended.
- When using electromagnetic switch: set the proportional cycle to at least 20 sec.
- When using SSR: set the proportional cycle to at least 1
- When you install this product to a panel, please use switches or circuit breakers compliant with IEC60947-1 or IEC60947-3.
- Please install switches or circuit breakers at close distance for user
- Please specify on the panel that, since switches or circuit breakers are installed, if the switches or circuit breakers are activated, the power will be cut off.
- We recommend regular maintenance for the continuous safe use of this
- Some components of this product may have a lifespan or deteriorate over
- The warranty period of this product, is 1 year, including its accessories, under normal conditions of use.
- The preparation period of the contact output is required during power supply. If used as a signal to external interlock circuit, please use a delay relay together.
- If the user changes the product in case of malfunctions, the operation may be different due to set parameters differences even if the model name is the So, please check the compatibility.
Product Usage Instructions
- Read the safety information carefully before use and use the product correctly.
- Inspect the product carefully and never let the input/output terminals come in contact with your body or conductive substances.
- Use a dedicated temperature sensor cable to avoid temperature errors.
- Ensure the resistance value among 3 wires is the same to prevent malfunctions.
- If using the product for medical devices, nuclear control, ships, aircrafts, vehicles, railways, combustion devices, safety devices, crime/disaster prevention equipment, etc., install double safety devices and prevent accidents.
- Avoid the influence of inductive noise and use shield wires for input signal line if separation is not possible.
- Use insulation transformer and noise filter to prevent breakdowns or malfunctions.
- When using electromagnetic switch, set the proportional cycle to at least 20 sec. When using SSR, set the proportional cycle to at least 1 sec.
- Do not use the product in places with flammable or explosive gases.
- Check for abnormal operation before use.
- When using relay or SSR output, select the output using the internal parameter.
- When using current output, ensure the load is connected within the output relay rating to avoid shortening the service life. In this case, SSR drive output type is recommended.
- For models AX2, 3, 7, and 9, use SSR + Relay 1 (Form c) + Relay 2 or SSR + Relay 1 (Form c) + Relay 2 + Relay 3 for output selection. For models 4-20, use 4-20 + Relay 2 or 4-20 + Relay 2 + Relay 3 for output selection.
- Ensure the power voltage matches the product specifications.
Suffix code
| Model | Code | Content | |||
| AX | ⃞- | □ | □ | Universal Input Digital Temperature Controller | |
| Size | 2 | 48(W) × 96(H) × 63(D) ㎜ | |||
| 3 | 96(W) × 48(H) × 63(D) ㎜ | ||||
| 4 | 48(W) × 48(H) × 63(D) ㎜ | ||||
| 7 | 72(W) × 72(H) × 63(D) ㎜ | ||||
| 9 | 96(W) × 96(H) × 63(D) ㎜ | ||||
| Output selection | 1 | SSR + Relay 1 + Relay 2 | When using relay or SSR output (selection by internal parameter) | ||
| 2 | SSR + Relay 1 + Relay 2 + Relay 3 | ||||
| 1B | SSR + Relay 1 (Form c) + Relay 2 | Only for AX2, 3, 7, 9 | |||
| 2B | SSR + Relay 1 (Form c) + Relay 2 + Relay 3 | ||||
| 3 | 4 – 20 ㎃ + Relay 2 | When using current output | |||
| 4 | 4 – 20 ㎃ + Relay 2 + Relay 3 | ||||
| Power voltage | A | 100 – 240 V a.c. 50/60 Hz | |||
Specifications
| Classification | АХ2 | АХ3 | АХ4 | АХ7 | АХ9 | ||
| Input | Thermocouple | K, J, R, T (selection by internal parameter) | |||||
| RTD | Pt100 Ω (selection by internal parameter) | ||||||
| Allowable line resistance | Max. 10 Ω/1 wire (RTD). Resistances among 3 wires should be same | ||||||
| Sampling cycle | 0.1 sec | ||||||
| Impedance | Max. 1 ㏁ | ||||||
| Input voltage | Max. 10 V d.c. | ||||||
| Display accuracy | ±0.3 % of F.S ±1 digit (in case of R type, ±1.0 % of ±1 digit in the 0 ~ 600 ℃ range) | ||||||
| Control output | Relay output |
| |||||
| SSR output | Time share cycle control (CYC) | 12 – 15 V d.c. pulse voltage (resistive load min. 600 Ω) | |||||
| Phase control (PHA) | |||||||
| Current output (SCR) | 4 – 20 ㎃ d.c. (resistive load max. 600 Ω) | ||||||
| Control | Control type | PID control (by auto-tuning), P control, ON/OFF control | |||||
| Auto-tuning | PID operation by auto-tuning | ||||||
| ON/OFF control | When PV>SV, 0% output. When PV<SV, 100% output (only when control hysteresis is 0) | ||||||
| Manual reset | User set within 0.0% to 100.0% range | ||||||
| Control output operation | Direct/reverse actions ※ selection by parameter setting | ||||||
| Control output | Relay/voltage pulse (SSR) outputs ※ selection by parameter setting | ||||||
| Power | Power voltage | 100 – 240 V a.c., 50/60 Hz | |||||
| Voltage fluctuation rate | ±10 % of power voltage | ||||||
| Insulation resistance | Min. 20 ㏁, 500 V d.c. for 1 min (primary terminal – secondary terminal) | ||||||
| Dielectric strength | 2,300 V a.c. 50/60Hz, for 1 min (primary terminal – secondary terminal) | ||||||
| Power consumption | Max. 5.5 VA | ||||||
| Ambient temperature & humidity | -5 ~ 50 ℃, 35 ~ 85 % RH (without condensation) | ||||||
| Vibration resistance | 10 – 55 Hz, single amplitude 0.75 mm,. 2 hours in each of 3 axis directions | ||||||
| Shock resistance | 300 m/s² to 3 directions each 3 times | ||||||
| Approval | CE | ||||||
| Weight (g) | 320 | 320 | 180 | 300 | 400 | ||
Ranges and input types

Part names and functions

Dimensions and panel cutout
- Dimensions

- Panel cutout

Classification Type AX2 AX3 AX4 AX7 AX9 Product dimensions
W 48.0 96.0 48.0 72.0 96.0 H 96.0 48.0 48.0 72.0 96.0 D 63.0 63.0 63.0 63.0 63.0 D1 5.5 5.5 5.5 5.5 5.5 Panel cutout
W1 * 45.0 92.0 45.0 68.0 92.0 H1 * 92.0 45.0 45.0 68.0 92.0 A 70.0 122.0 60.0 83.0 117.0 B 122.0 70.0 60.0 100.0 117.0 - Bracket assembling
- AX2, AX3, AX4, AX7, AX9

- AX2, AX3, AX4, AX7, AX9
- Case disassembling
- AX4, AX7, AX9

- AX2

- AX4, AX7, AX9
Main function description
Auto-tuning (AT)
The auto-tuning function automatically measures, computes the control system characteristics, and automatically sets the optimum proportional
band (P), integral time (1),and derivative time(D) constants. Press and hold
and
simultaneously for more than 2 sec. to start the auto tuning. When auto-tuning is terminated, the control starts automatically.
Alarm
- Alarm usage
AX series supports 2 independent alarms (AL1 and AL2). These alarms can assign AL1 or AL2 signal to RLY1~RLY3 outputs and be used.
If alarm signal is not assigned to RLY1-RLY3 then the menu related to the alarm will not be displayed. - Alarm hold operation
If the low alarm is turned ON while the power is supplied and the temperature increases, set
(alarm n standby mode) to ON, in order to prevent the low alarm from turning ON while the temperature increases, and you will be able to prevent the low alarm operation from power on until the alarm set value is exited. - Alarm output LOCK
If the
value is set to ON, alarm output is not cancelled even during alarm cancel condition, after the alarm is output.
Press and hold
for approx. 2 sec. to cancel alarm output.
Loop break alarm (LBA)
When the control output value by PID operation is “0”% or “100%” in the control system, it detects heater breaks and sensor break actuator
breakdowns by comparing the change amount of measured value at each set time. You can also set the LBA deadband so that it is not affected by
normal control loops.
- When control output value by PID operation is 100%, if the temperature does not increase more than L bAw value within the LBA set time, LBA output will turn ON.
- When control output value by PID operation is 0%, if the temperature does not decrease more than L b Ru value within the LBA set time, LBA output will turn ON.
Time share cycle control and phase control of voltage pulse output ※ for SSR output only
When selecting control output type as SSR, you can select the voltage pulse output type. The time share cycle control turns ON/OFF the output by proportioning time to the output amount at regular time cycles. Set in the period parameter of control output. Within half cycle of power wave, the phase control controls the output amount by computing the output ON phase, depending on output amount.
More continuous output than cycle control can be obtained. However, when using the phase control, users must use RANDOM ON/OFF type SSR.
| Control type | Load current with 50 % of output |
| Phase control | ![]() |
| Time share cycle control | ![]() |
Operation mode
Supplying the power after wiring will display the current temperature. Every time you press
the set temperature and output amount will be displayed alternatively on the set value (SV) displaying unit.
User setup mode
User setup mode is the mode that sets the set values changed by users frequently such as alarm and loop break alarm (LBA) set values.
The parameters of the operator setup mode are also displayed in the user setup mode, so that they can be easily set.
Operator setup mode
Operator setup mode is the setting mode that sets the specifications of the temperature controller when the engineer installs it for the first time.
Pressing
and simultaneously for more than 2 sec. in the operation mode or user setup mode will enter to the operator setup mode.
Pressing
and again for more than 2 sec. will return to the operation mode.


SV change
- In operator setup mode, when SuE parameter value is on, you can change value on operation mode with left, Down, Right and set with

- In operator setup mode, when SuE parameter value is off , you can change value on user setup mode parameter with left, Down, Right and set with
.
Input error display
When input break (sensor break) occurs or when the maximum temperature range is exceeded, will be displayed
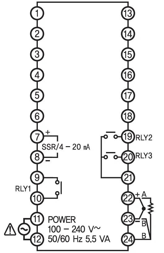
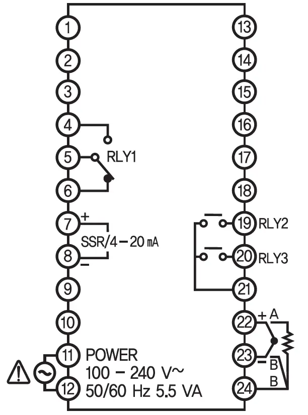
Connection diagrams
- AX4

- AX2, AX3, AX9

- AX2-B, AX3-B, AX9-B

- AX7

- AX7-B

Parameter configuration

For further information, please visit our homepage (www.hanyoungnux.com) and refer to the user’s manual in the archive.






























