terneo vS20 Smart Control of Heating
Introduction
The thermoregulator is designed to maintain a constant temperature of 5…40 °C in underfloor heating systems based on: terneo st
- Electric heating cable or heating film. .
- Water floor system with a normally closed electrothermal actuator, operating voltage 230 V.
According to the data from the temperature sensor placed in the floor, the thermostat controls the heating: it turns off the heating, when the desired temperature is reached and turns it on, when it drops by 1 °C.
SUPPLY PACKAGE
- Thermostat, frame 1 piece
- Temperature sensor with connected sensor
- Warranty certificate and card and technical passport, installation instructions
1 piece - The packing box 1 piece
TECHNICAL DATA
| Adjustment range | 5…40 °С |
| Maximum load current | 16 А |
| Rated load capacity | 3 000 VА |
| Input voltage | 230 V ±10 % |
| Current consumption at 230 V: active state at maximum brightness sleep mode (disconnect via button) | no more 6,5 mA no more 1,9 mA |
| Weight in the complete set | 0,18 kg ±10 % |
| Basic mounting dimensions | 75 × 75 × 39 mm |
| Temperature sensor | NTC thermo-resistor 10K OM at 25 °C (R10) |
| The length of the sensor connected cable | 3 m |
| Number combinations under heat, at least | 50 000 cycles |
| Number of combinations without heating, no less than | 20 000 000 cycles |
| Temperature hysteresis | 1 °С |
| Measured temperature range | –28…+75 °С |
| Degree of protection GOST14254 | IP20 |
IMPORTANT. Before the installation and operation of the device, please read by the end of this document.
This will help to avoid possible danger, mistakes and misunderstandings.
RELIABILITY OF THE POWER RELAY provides protection against frequent switching in the thermostat. If there was less than 1 minute between relay switching, the relay activation will be delayed, marking the countdown with a flashing dot.
NON-VOLATILE THERMOSTAT STORAGE saves all settings in the event of a power outage.
WIRING
Thermoregulatory supports two types of sensors: analog sensor R10 or digital sensor ( D18).
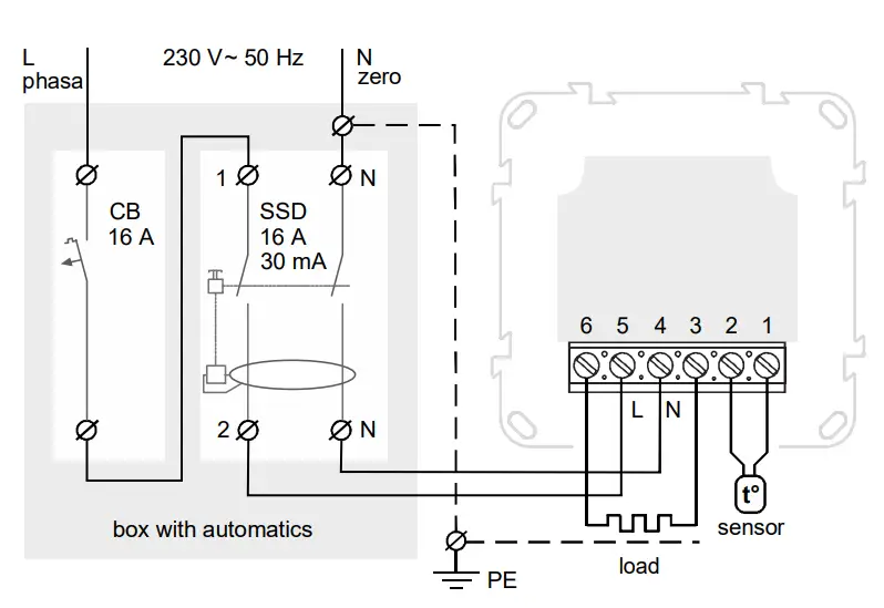
Analog sensor is connected to terminals 1 and 2. Wires colors are of no importance. Digital sensor is connected to terminal 1 using white wire and to terminal 2 using blue wire. If the thermoregulatory changes to Percentage load control mode try connecting to terminal 2 using blue wire and to terminal 1 using white wire. If, at both attempts, the thermoregulatory does not see the sensor, contact the Service Center.
Power voltage (230 V ± 10 %, 50 Hz) is supplied to terminals 4 and 5, at that phase (L) is determined by indicator and is connected to terminal 5, and neutral (N) — to terminal 4.
Load (connecting wires from heating element) is connected to terminals 3 and 6.
THE STAT IS MOUNTED AND CONNECTED after the installation and load testing
IN THE CASE OF INCORRECT WIRING, is possible failure of the thermostat. make sure that external sensor and mains voltage are connected correctly.
Wiring . Connection of the circuit breaker and SSD 1
INSTALLATION
The is designed for indoor installation. The ingress risk of moisture or liquid into the place of installation must be minimized. When installed in a bathroom, toilet, kitchen, swimming pool the should be installed at the place out of reach of casual spraying.
The ambient temperature during installation must be between –5 … + 45 °C. The installation height of the thermoregulator … should be in the range 0,4 1,7 m above the floor level.
To protect against short-circuit in the load circuit the circuit breaker (CB) has to be installed before installing the thermoregulator. The circuit breaker is installed in the gap of phase conductor, as shown in the Wiring . It should be designed for not more than 16 A.
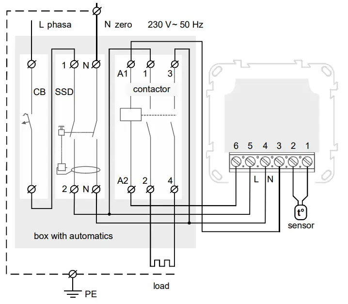
To protect a people against electric shock leakage is installed the SSD (safety shutdown device). This event is obligatory when installing floor heating in wet areas. For working of SSF the heating cable screen must be grounded (connected to the protective conductor PE) or, if there is two-wire network, it is necessary to make protective neutral earthing. That is to connect the screen to a zero before SSF. In Wiring 2 protective neutral earthing is shown with dotted line.
The thermoregulator is mounted in the standard mounting box 60 mm in diameter, with mounting screws.
For installation you must:
- make a hole in the wall for box mounting and wall chase for power wires and the sensor;
- take the power wires of the heating system and the sensor to the mounting box;
- perform the compounds according to the passport data;
- fix the thermoregulator in the mounting box. To this a front frame must be removed. Put the thermoregulator in the mounting box and tighten the mounting screws.
The thermoregulator terminals are designed for a wire with section not more than 2,5 mm . To reduce the mechanical loads on the terminals it is desirable to use a soft wire. The ends of the wires must be cleaned and crimped with ferrules with insulation. The wires are tightened in the terminals using a screwdriver with a blade width no more than 3 mm. The screwdriver with a blade width more than 3 mm can cause mechanical damage to the terminals. This may result in the loss of right for warranty. The terminals should be tighten with torque 0,5 N·m.
The sensor mounting should provide its easy replacement in a future. The mounting tube (reinforced plastic tube Ø 16 mm) is brought from the mounting box with the thermoregulator to the area heated for about 0,5 m. The tube bends and length should provide unobstructed movement of the sensor. The end of the tube brought to the heated area should be thoroughly insulated by for instance an insulating tape to protect against grout.
The sensor is put in the tube after the covering setting.
If necessary the sensor connecting wires may be shortened and extended (for not more than 20 m). It is prohibited to use two strands of multistrand cable, which is used for the heater power supply, for length extension. The best solution is to use a separate cable brought to the sensor mounted in a separate tube. There should be no power cables near sensor connecting wire, as they may interfere.
Figure . Mounting the stat and warm floor system
WARRANTY TERMS
The warranty for devices is valid for 36 Months from the date of sale, provided that the instructions are followed. The warranty period for products without a warranty certificate is counted from the date of production.
If your device is not working properly, we recommend that you first read the section «Possible problems». If you cannot find an answer, contact Service Center. In most cases, these actions resolve all issues.
If you continue to have issues with the device, please send it to a Service Center or to the store where you purchased the device. If your device is defective due to our fault, we will repair or replace it under warranty within 14 business days.
Please see the full text of the warranty and the data you need to send to your Service Center. The website address can be found in the instructions in the Contacts section.
Wiring 2 Wiring and simplified internal circuit
THE RESISTANCE OF THE SENSOR at different temperatures
5 °С 25339 — Ω 10 °С 19872 — Ω 20 °С 12488 — Ω
30 °С 8059 — Ω 40 °С 5330 — Ω
OPERATION
Switching on/ switching off
Press + button and hold for 4 seconds, 3 dashes will appear on the screen one by one. After appearing on the screen ON / OFF release the button.
After switching on the thermoregulator starts to display the temperature of the sensor. On-load voltage is supplied when the temperature is below the setpoint temperature. Whereby the indicator light turns red. At the first start-up, the setpoint temperature is 25 °C.
In the waiting mode (when the buttons aren`t currently being used) the brightness of the indicator and the screen will be reduced to 30 %.
After switch-off thermoregulator switches to the sleep mode. To switch off thermoregulator completely you should switch off the circuit breaker.
Preset temperature
( 25 °С) factory setting
When button – or + is pressed thermoregulator switches to the mode of display and change of preset temperature. While flashing, if button «+» is pressed tpreset will be increased, if button «–» is pressed tpreset will be decreased. In 3 sec after the last press thermoregu lator switches to sensor temperature display and if it is below the preset temperature the voltage is supplied to load.
Hold down – button for a certain number of seconds to view desired menu item. Then change the parameter with the + and – buttons.
3 seconds after the last pressing, the thermoregulator will automatically return to the sensor temperature display.
(child and public protection)
In order to enable (disable) button blocking press the + and – buttons at the same time for 6 seconds till the «+» «–» «Loc» «oFF» ( ) sign appears on the screen.
The internal overheating protection
If the temperature inside the frame exceeds 85 °С, the emergency power cutoff will take place. The screen will show the (overheating) sign once per second. When the temperature inside the frame falls below 80 °С, the thermoregulator will turn on the load and restart its work.
After the protection is activated more than 5 times in a raw, the thermoregulator will be blocked till the temperature inside the frame falls below 80 °С and a button will be activated.
In the case of internal overheating sensor breakout or short circuiting the device will continue functioning in the normal mode, but each 5 sec the sign (a problem with sensor) will be displayed. In this case, the internal overheating control will not be controlled, but the thermoregulator will continue to maintain the preset temperature.
POSSIBLE PROBLEMS, CAUSES AND WAYS TO OVERCOME THEM
Letters are displayed on screen «ЗНЕ» .
Possible cause: short circuit in sensor circuit.
It is necessary: . eliminate short circuit in sensor circuit
Thermoregulator has switched to percentage control with the sensor being connected.
Possible cause: wrong connection of digital sensor.
Table 1. FUNCTION MENU
| Menu section | Press button « – » | Screen | Notes |
| Correction of screen reading (factory setting a range of change ±5,0 °С, 0,1 °С) | 6 sec | ![]() | If necessary you can use the adjustment in the floor temperature display on the thermostat screen. |
| Firmware version | 9 sec | ![]() | The manufacturer reserves the right to modify the firmware to enhance the device technical characteristics. |
| Resetting to factory settings | 30 sec | ![]() | After releasing the button, the thermoregulator will reset all settings to the factory settings and will reboot. |
It is necessary: check correctness of sensor connection.
Possible cause: sensor (analog or digital) circuit discontinuity.
It is necessary: check sensor circuit using ohmmeter, place of sensor connection with thermoregulator, absence of mechanical damages along the whole length of sensor connecting wire, absence of power cables mounted nearby.
Percent control (factory setting 50%)
In the percent control mode, the screen will show the percentage of time when the thermoregulator is on in the 30-minute cyclic interval. The time percentage can be changed with the and buttons in the range of «+» «–» 10…90 %.
At the first switching on, this value is 50 % «50 » П , while the load in the 30 minute time interval will be turned off for 15 minutes.
Heating temperature control is not available in this mode.
Neither indicator nor the screen light up upon thermoregulator switch-on.
Possible cause: no power supply voltage.
It is necessary: check availability of power supply voltage using a voltmeter. If power supply voltage is available then contact the Service center please.
ADDITIONAL INFORMATION
Do not fire and do not throw away the device with the household waste.
After the end of its service life, the product must be disposed of in accordance with applicable law.
Transportation of goods carried in the package, ensuring the safety of the product.
The device is transported by any kind of transport (rail, sea, motor, air transportation).
Date of manufacture is on the back side of device. Application time is unlimited.
The device does not contain harmful substances.
If you have any questions or you something will not clear, call the Service centre the telephone number listed below.
SAFETY INSTRUCTIONS
Carefully read and become aware of yourself these instructions.
Connection of the device must be done by a qualified electrician.
Do not connect 230 V mains voltage instead of the sensor (it leads to failure of the thermostat).
Before the installation (dismantling) and connection (disconnection) of the device, turn off voltage supply and also act according to the «Rules of an arrangement of electric installations».
Do not immerse the sensor with a connecting wire in the liquid medium.
Do not switch the non assembled device to the network.
Turning on and off or and configure the device should be with dry hands.
Do not connect the device to the network disassembled.
Avoid hitting of water or moisture to the device.
Do not expose the device to extreme temperatures (higher than 40 ºСor below -5°C) and high humidity.
Never clean the device with the use of chemicals such as benzene, solvents.
Do not store the device and do not use it in areas with the dust.
Do not attempt to disassemble and repair the device.
Do not exceed the landmarks value adaptor and power.
To protect against overvoltage caused by lightning discharges, use a lightning protector.
Protect the children from games with the working device, it is dangerous.
Customer Support
Manufacturer and vendor: DS ELECTRONICS, LTD
04136 Ukraine, Kyiv region, Kyiv, 1–3 Pivnichno-Syretska str.
+38 (091) 1-91-8 , Service Cente : +38 (091) 1-91-8
[email protected] www.ds-electronics.com.ua/en/























