![]()
3.017744 2L Additional Domestic Hot Water Vessel Kit
Instructions
3.017744 2L Additional Domestic Hot Water Vessel Kit
2L ADDITIONAL DOMESTIC HOT WATER VESSEL KIT – AVIO-ZEUS KW CODE 3.017744
GENERAL WARNINGS.
All products are protected with suitable transport packaging.
The material must be stored in dry environments and protected against weathering.
This instruction manual provides technical information for installing the kit. As for the other issues related to kit installation (e.g. safety in the work site, environment protection, injury prevention), it is necessary to comply with the provisions specified in the regulations in force and principles of good practice.
Improper installation or assembly of the appliance and/or components, accessories, kit and devices can cause unexpected problems to people, animals and objects. Read the instructions provided with the product carefully to ensure a proper installation.
Installation and maintenance must be performed in compliance with the regulations in force, according to the manufacturer’s instructionsand by authorised professionally qualified staff, intending staff with specific technical skills in the plant sector, asenvisioned by the Law.
INSTALLATION
Remove the voltage from the appliance, close the cold water inlet cock, disassemble the casing as indicated in the instruction book and discharge the pressure in the domestic hot water circuit.
Eliminate the pipe that connects the cold water inlet cock to the hydraulic unit of the storage tank.
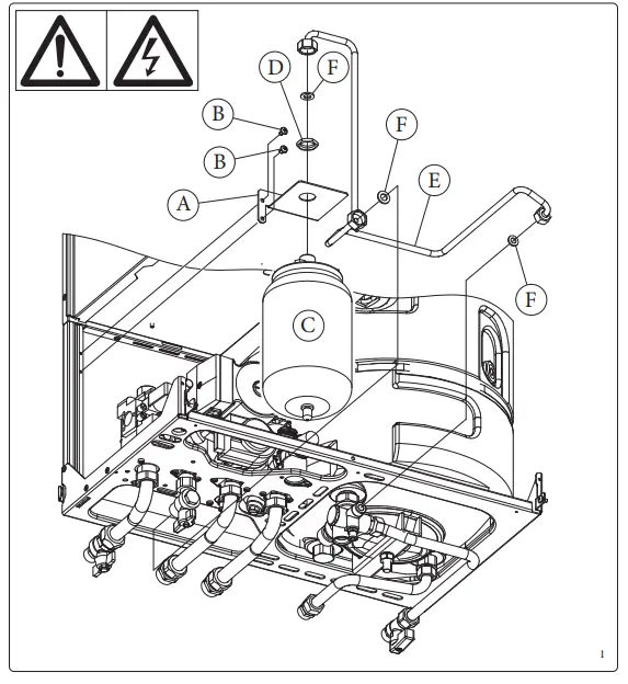
Mount the kit as represented in the figure 1:
- Take the bracket (A) and fix it with the two screws (B).
- Take the vessel (C) and lock it in the position shown in the figure with the lock nut (D).
- Take the tube (E) and mount it as shown in the figure, taking care to interpose the relative flat gaskets (F) at the ends of the tube.




















