IMMERGAS Super Trio Container
THIS SHEET MUST BE LEFT WITH THE USER ALONG WITH THE INSTRUCTIONS MANUAL FOR THE FINISHED PRODUCT
GENERAL WARNINGS
All Immergas products are protected with suitable transport packaging.
The material must be stored in a dry place protected from the weather.
This instruction manual provides technical information for installing the Immergas kit. As for the other issues related to kit installation (e.g. safety at the workplace, environmental protection, accident prevention), it is necessary to comply with the provisions specified in the regulations in force and with the principles of good practice.
Improper installation or assembly of the Immergas appliance and/or components, accessories, kits and devices can cause unexpected problems for people, animals and objects. Read the instructions provided with the product carefully to ensure proper installation. Installation and maintenance must be performed in compliance with the regulations in force, according to the manufacturer’s in-structions and by professionally qualified staff, meaning staff with specific technical skills in the plant sector, as envisioned by the law.
GENERALITIES
The Super Trio Container has been designed to keep the instal-lation space in external and internal walls to a minimum for Magis Combo and Magis Pro.
The lower part of the frame is equipped with the holes necessary for the hydraulic, gas, electrical connections, condensate drain and for the connection of the thermoregulation. In its right side part it is equipped with the holes necessary for connections to the heat pumps.
The upper part has the holes for the outlet to the flue (“B type” and “C type” installations) and to the intake duct (only for “C type” installation) using the Immergas flue.
ATTENTION: it is not possible to exit on the left side with the flue / flue gas kits and with the solar connection pipes.
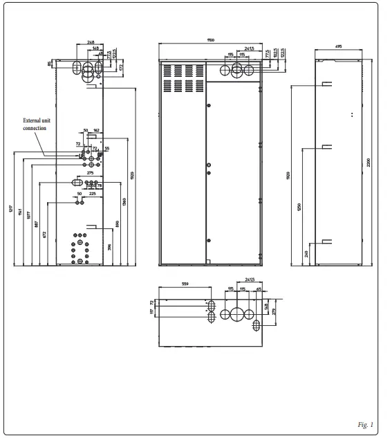
MAIN DIMENSIONS
MINIMUM INSTALLATION DISTANCE
ATTENTION Place the left side of the Container at least 100 mm away from the wall to allow normal maintenance operations. 
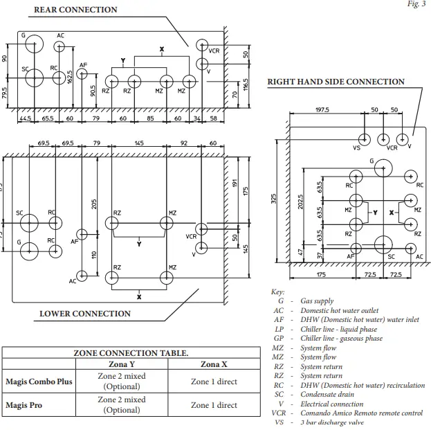
CONNECTION TEMPLATE


INSTALLATION
Set-up the masonry jobs creating an opening in the wall where the frame will be installed (1), paying attention to envision the space for the six slots for inserting the respective support fins (2) and a space under the frame sufficient to carry out the kit connections (Fig. 4).
N.B.: it is very important to provide a support screed (A) in the area under the Super Trio Container at the support point of the storage tank.
It is also possible to fix the frame to the wall with plugs (not supplied) using the special four holes Ø 8 mm (6).
The Super Trio Container is closed by the side cover (5), where the air intake grid is present, by the upper cover (3) where it is possible to let the flue out and by the door (4) which can be opened using the handle and only after having unlocked the vertical locks in order to access the internal components. Internally there are appendices (7) prepared for the attachment of the various components.
Attention: The installation of the Super Trio Container inside the wall, must guarantee a stable and effective support to the appliance it contains. This kit only ensures adequate support if it is inserted properly (according to good practice rules) and positioned in square with respect to the wall following the instructions given below, thus guaranteeing the correct functionality of the front doors. The Super Trio Container is not a supporting structure and cannot replace the piece of wall removed. It is therefore necessary to check its correct positioning inside the wall.
For safety reasons, it is necessary to carefully seal the housing compartment of the Super Trio Container in the wall, in com-pliance with Standards in force.
Make sure that the knockouts for the hydraulic connections have been removed at the intended pipe path. Be sure to remove the relevant sections based on the flue (“B type” and “C type” installations) and the intake ducts (only for “C type” installation). Make sure that the pre-cuts for the various connections have been removed from the intended route.
Insert the frame inside its own seat, remembering to open the six support fins (2) before inserting it. After installing the frame, it is possible to insert the thermal kits by hooking them to the provided hooks.
Now make the connections according to your needs. Some holes are pre-cut smaller with respect to the useful size in order to allow them to be enlarged according to your needs. Once the frame has been installed, it is necessary to prepare all the connections for the hydraulic connection to the specific product selected in the lower and lateral part.
N.B.: The connection unit is not supplied, but is sold separately (optional). To ease installation, choose whether to make the connection at the rear, bottom or side (bottom right) of the Container Super Trio (see Fig. 3).
For electrical connections, separate the connection to the electricity grid and the connection to the temperature control by passing the cables through the various openings provided. Make the gas connection (where required). The gas pipe can exit downwards, through the rear outlet, lower outlet, right side outlet or from the front using the appropriate pre-cut already provided on the door (see figures below).
Once out from the front, it is possible to turn the gas pipe in the preferred direction.
N.B.: to install the gas supply pipe, under or out of route, comply with the installation standards UNI 7129 / 7131-99.
Install the refrigerant gas circuit connection pipes using the pre-drilled holes. The pipes must protrude inside the Solar Container kit as much as necessary to allow connection to the chosen product
N.B.: For the installation of the refrigerant gas circuit and connection to the heat pump, comply with the UNI EN 378 Standards.
Attention: For assembly / installation and commissioning of the various components inside the Super Trio Container, please refer to the specific instruction booklet of each individual product. Once the connections have been made, assemble the flue ac-cording to the instructions in the boiler instructions manual.
Lastly, close the frame using the front door. At this point, the installation is complete and the frame cover can be painted according to requirements and taste.
During the useful life of the products, performance is affected by external factors, e.g. the hardness of the DHW, atmospheric agents, deposits in the system and so on. The data declared refer to new products that are correctly installed and used with respect to the Standards in force.
N.B.: correct periodic maintenance is highly recommended. The instruction manual is printed on environmentally-friendly paper.
Contact Service
immergas.com
To request further specific details, sector Professionals can also use the following e-mail address: [email protected]
Immergas S.p.A.
42041 Brescello (RE) – Italy
Tel. 0522.689011
Fax 0522.680617
Azienda certificata ISO 9001
ISO 9001 certified company






















