
FNV-4Z / FNV-2ZA
ZONE SPLITTER
FNV-2ZA Zone Splitter Module
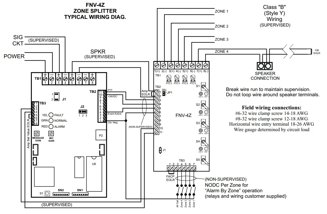
The FNV-4Z / FNV-2ZA are modules intended for use with the EVAX 25/50/100. Their purpose is to enable the output of the EVAX 25/50/100 to be split into multiple zones for paging and alarm selection. The modules accept input from the EVAX 25/50/100 speaker output and utilizing selectable output relays distribute the output to the individual zones. The modules may be cascaded to increase the number of zones. The modules provide supervision of the individual zones for either open or short conditions. Indicator LEDs display active or fault condition for the individual zones. Fault condition is reported to the FACP through the same supervisory path as the EVAX 25/50/100. Zones may be selected manually by switches or through pull-down inputs. In the event of an alarm condition, module defaults to an All-Call. All-Call feature may only be overridden if accompanying panel has zone control features.
OPERATION
In normal standby the FNV-4Z / FNV-2ZA will supervise each speaker zone wire loop. The FNV-4Z / FNV-2ZA will provide Style Y and Style Z supervision respectively. Upon an open or short condition the Yellow LED for that zone will light. A N.C. relay contact will open to present a corresponding fault to the FACP providing supervision to the EVAX 25/50/100. To manually select a zone, the corresponding switch is set in the Active position (UP). It#s Red LED will light, and it#s output relay activation will be enabled. On activation of the PTT signal from the EVAX 25/50/100, the output relay will connect the zone to the EVAX 25/50/100 speaker output. While the zone is selected, supervision is suspended. DO NOT leave zones in this condition unattended.
In alarm condition the FNV-4Z / FNV-2ZA defaults to an All-Call. On activation of the EVAX 25/50/100 V+ Alarm output, all zones are automatically selected, enabling evac tone and message to play. Modules will have field selectable option for alarm zone activation only if the FACP has the ability to provide separate pull-down inputs.
Each zone is limited to no more than 25W and total speaker load is not to exceed output rating of the EVAX 25/50/100. Upon a short condition, a PTC on the zone will open excluding that zone from output and enable the other zones to continue operating. Once short is removed, speaker line must be disconnected for 30 seconds to reset the PTC. Speaker output may be 25 or 70 VRMS, selected by a jumper position. Speaker circuits must be terminated with a 10K EOLR device. The end of line value is not
adjustable or programmable.
TB1:
Ter. 1 – 8 Speaker Output 25/70 VRMS
25W Max speaker load per zone.
TB2:-
Ter. 1 & 2 Speaker Input (25 or 70VRMS)
Ter. 3- PTT (Push To Talk signal)
+24VDC when main system microphone active
Ter. 4- V+ (24V DC 0.10A)
Ter. 5- Alarm Active
+24VDC when programmed event active at main amplifier (Bell, secondary message, etc.)
Ter. 6- Circuit Negative
Ter. 7 / 8 / 9
– Aux. Trouble Relay
7 – N.O. / 8 – C / 9 – N.C.
Contact Ratings: 1A @30VDC
Connect to Resistive Load, Class II Power or Power Limited Sources Only. Interconnected Equipment Must be in Same Room and Mounted Within 20′.
Ter. 10 & 11
– Supv. Circuit Input
TB3:
Ter. 1& 2- FACP EOLR / Supv Out
Ter. 3 – 7 – Aux. Zone Activate (Pull Down)
Connect point to ckt neg for external zone selection 3 – ALL CALL /4 – Zone 4 5- Zone 3 /6 – Zone 2 7-Zone 1

Field wiring connections:
#6-32 wire clamp screw 14-18 AWG
#8-32 wire clamp screw 12-18 AWG
Horizontal wire entry terminal 18-26 AWG Wire gauge determined by circuit load
SWITCHES:
S1 – S4 – Zone select switch
S1: Zone 1, S2: Zone 2
S3: Zone 3, S4: Zone 4
S5 – ALL CALL select
LEDs:
LED 1 (yel) – Zone 1 Fault
LED 2 (red) – Zone 1 Selected
LED 3 (yel) – Zone 2 Fault
LED 4 (red) – Zone 2 Selected
LED 5 (yel) – Zone 3 Fault
LED 6 (red) – Zone 3 Selected
LED 7 (yel) – Zone 4 Fault
LED 8 (red) – Zone 4 Selected
PTCs:
PTC2- Zone 1
PTC4- Zone 2
PTC6 -Zone 3
PTC8 – Zone 4
JUMPERS:
JP1 1&2 shorting block remains in place
J1 – ALL CALL on Alarm Active for Remove J1Alarm by Zone Activation (Pull Down inputs to TB3)
SPECIFICATIONS:
Power: 24 VDC
0.045A Standby
0.130A ALL CALL Active


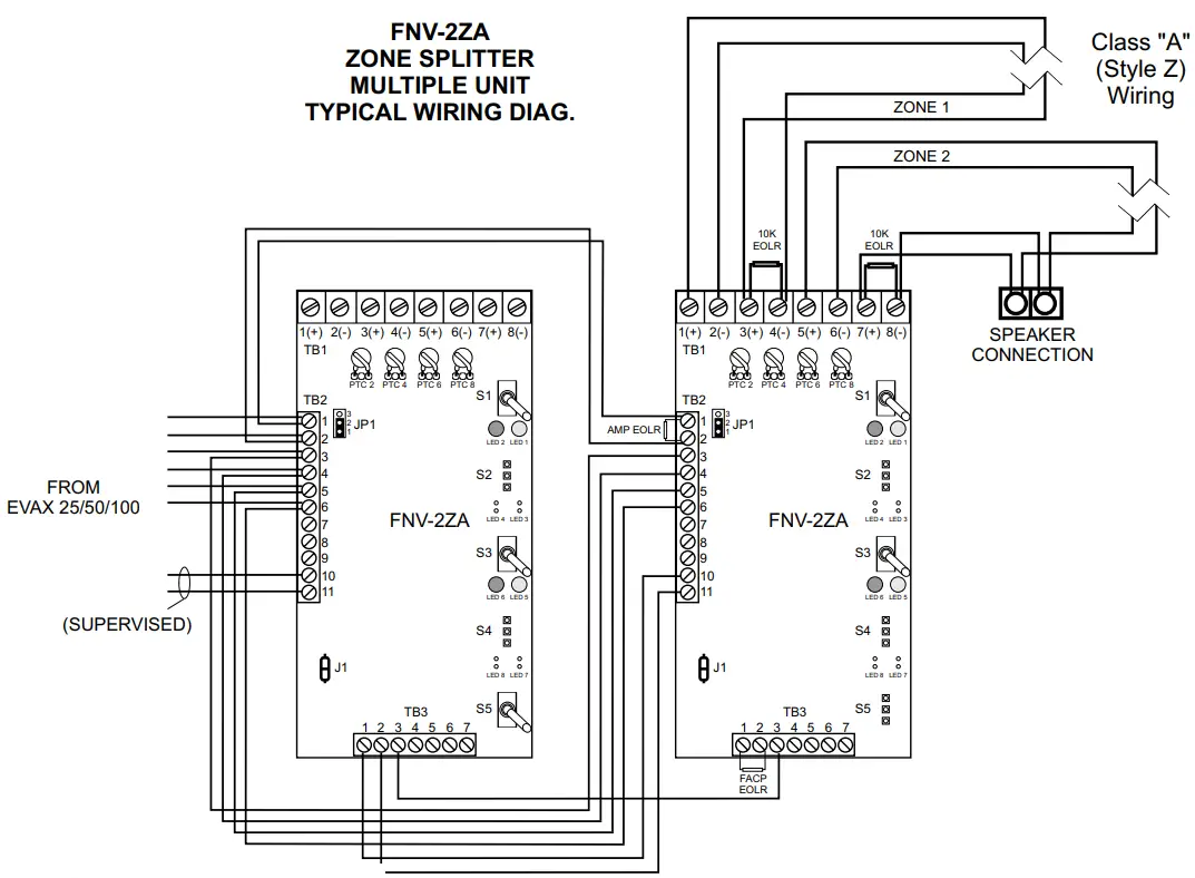
Additional units may be daisy chained in the same fashion. Insure that EOLRs are installed at last Zone Splitter to maintain supervision.
All wiring shown is Power Limited. Installer must insure that wiring and devices installed in the system meet the current National
Electric Code, NFPA 70 and all applicable state and local building code requirements. For all field wiring, use FPL, FPLR, or FPLP as required per NFPA 70, Article 760
FNV-4Z / FNV-2ZA ZONE SPLITTER
INSTALLATION NOTES

PTCs
PTC 2, 4, 6 & 8 provide output protection for Speaker Zones 1 – 4 respectively.
The FNV-4Z / FNV-2ZA is shipped with PTCs for 25V operation. Each PTC is installed in a two pin socket for easy replacement. If you need 70V speaker lines, be sure to change all four PTCs to the optional ones provided. For 25V operation,Leave the current PTCs installed. Jumper JP1 should be left in it#s default position.
EOLRs
Speaker circuits must be terminated with 10K EOLR devices. Changing the set value resistor on the FNV amplifier (TB3 5-6) will not change the EOLR value for the zone splitters.
FACP EOLR is mounted at the last zone splitter, TB3 1-2. The installation manuals for the FNV-25, FNV-50, and FNV-100 show FACP EOLR placement on the amplifier. When Zone Splitters are used, the EOLR is relocated to the Zone Splitter.

7051 Village Drive, Suite 100
Buena Park, CA 90621-2268
800.845.6692 Technical Support
firealarmresources.com

















