Altronix AL125UL Access Control Power Supply Chargers

Models Include
AL125UL
- Includes power supply, transformer, cam lock, and enclosure.
- 8.5” x 7.5” x 3.5” (215.9mm x 190.5mm x 88.9mm).
- Accommodates one (1) 12VDC/4AH battery
AL125ULX
- Includes power supply, transformer, cam lock, and enclosure.
- 13.5” x 13” x 3.25” (342.9mm x 330.2mm x 82.6mm).
- Accommodates up to two (2) 12VDC/7AH batteries.
AL125ULE
- Includes power supply, cam lock, and enclosure.
- 8.5” x 7.5” x 3.5” (215.9mm x 190.5mm x 88.9mm).
- Accommodates up to two (2) 12VDC/4AH batteries.
AL125ULP
- Includes power supply, 24VAC/40VA plug-in transformer, cam lock, and enclosure.
- 8.5” x 7.5” x 3.5” (215.9mm x 190.5mm x 88.9mm).
- Accommodates one (1) 12VDC/7AH battery or two (2) 12VDC/4AH batteries.
AL125ULPX
- Includes power supply, 24VAC/40VA plug-in transformer, cam lock, and enclosure.
- 13.5” x 13” x 3.25” (342.9mm x 330.2mm x 82.6mm).
- Accommodates up to two (2) 12VDC/7AH batteries.
Installation Guide
Overview
Altronix AL125UL Series power-limited Power Supply/Chargers convert 115VAC 50/60Hz input into two individually PTC protected auto-resettable 12VDC or 24VDC outputs (see specifications). They are intended for use in applications requiring UL Listing for Access Control (UL294) and applications requiring an interface with Fire Alarm Control Panels.
Specifications
- UL Listed for Access Control Systems (UL294*).
CUL Listed – CSA Standard C22.2 No.205-M1983, Signal Equipment. - MEA – NYC Department of Buildings Approved.
- NFPA 101 (Life Safety).
Input
- AL125UL, AL125ULX: 115VAC, 50/60Hz, 0.6A.
- AL125ULE, AL125ULP, AL125ULPX: 24VAC @ 40VA.
Output
- Two (2) 12VDC or 24VDC Class 2 Rated Power-Limited Outputs.
- 1A total supply current @ 12VDC or 24VDC (AL125UL & AL125ULX).
- 1A total supply current @ 12VDC, 0.5A total supply current @ 24VDC (AL125ULP, AL125ULPX & AL125ULE).
- Filtered and electronically regulated output**.
Battery Backup
- Built-in charger for sealed lead acid or gel type batteries.
- Maximum charge current: 400mA.
- Automatic switch over to stand-by battery when AC fails.
Special Features
- AC power and unit status indicator on the front panel.
- Normally Open [NO] trigger input.
- Supervised Fire Alarm Disconnect (Latching w/reset or Non-Latching)
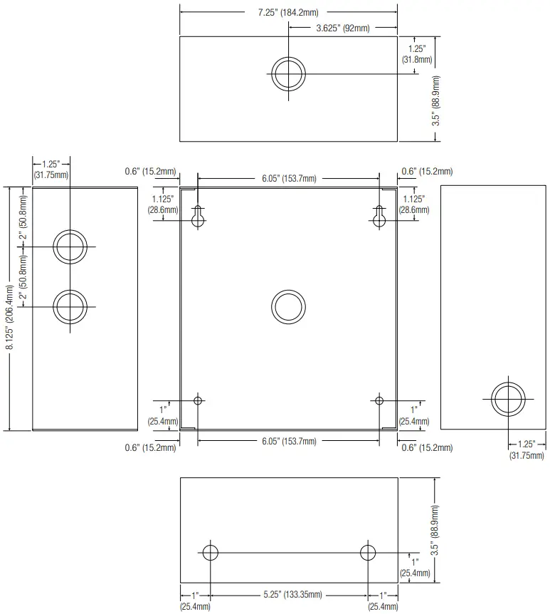
Enclosure Dimensions (H x W x D)
AL125UL, AL125ULE, AL125ULP:
8.5” x 7.5” x 3.5” (215.9mm x 190.5mm x 88.9mm).
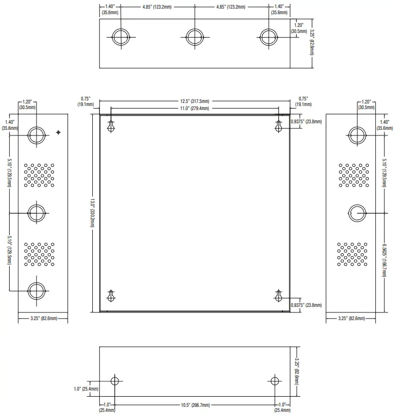
AL125ULX, AL125ULPX:
13.5” x 13” x 3.25” (342.9mm x 330.2mm x 82.6mm).
* ANSI/UL 294 7th Ed. Access Control Performance Levels:
Destructive Attack – I; Endurance – IV; Line Security – I; Stand-by Power – IV.
Note: When unit is powered by battery back up (AC Fail condition), the voltage range is 9.3V-13.2V and 19.55V-26.4V for 12 and 24 volt operation respectively.
Power Supply Output Specifications (AL125UL, AL125ULX):
| Output VDC | Switch Position | Max. Stand-by Load DC | Max. Alarm Load DC | Battery (optional) |
| 12VDC | SW2 OFF | 1A | 1A | 12VDC |
| 24VDC | SW2 ON | 1A | 1A | 24VDC |
Power Supply Output Specifications (AL125ULE, AL125ULP, AL125ULPX):
| Output VDC | Switch Position | Max. Stand-by Load DC | Max. Alarm Load DC | Battery (optional) |
| 12VDC | SW2 OFF | 1A | 1A | 12VDC |
| 24VDC | SW2 ON | 0.5A | 0.5A | 24VDC |
Stand-by Specifications:
| Output | 4hr. of Stand-by & 5 min. of Alarm |
| 12VDC / 4AH Battery | 0.5A / 1A |
| 24VDC / 4AH Battery | 0.5A / 1A |
| 12VDC / 7AH Battery | 1A / 1A |
| 24VDC / 7AH Battery | 1A / 1A |
Installation Instructions:
The units should be installed in accordance with article 760 of The National Electrical Code and NFPA 72 as well as all applicable Local Codes.
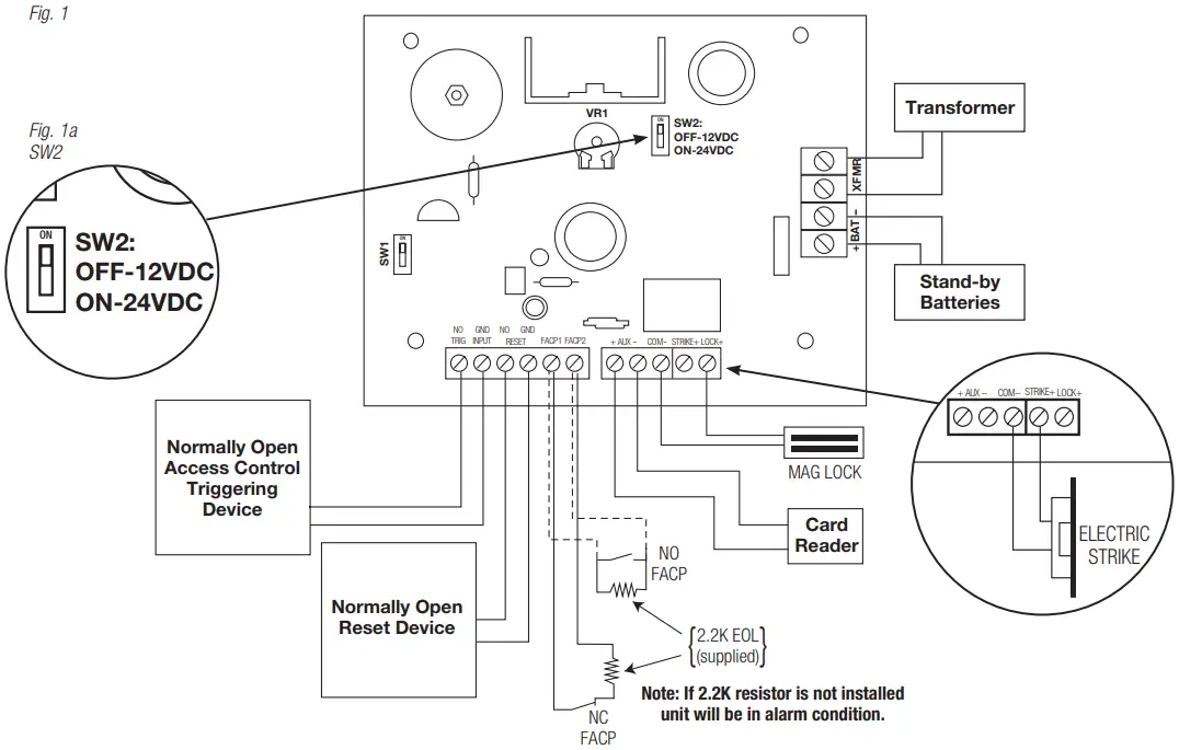
See Terminal Identification Chart on page 4 for a description of each terminal function.
- Mount unit in the desired location. Mark and predrill holes in the wall to line up with the top two keyholes in the enclosure. Install two upper fasteners and screws in the wall with the screw heads protruding. Place the enclosure’s upper keyholes over the two upper screws; level and secure. Mark the position of the lower two holes. Remove the enclosure. Drill the lower holes and install two fasteners. Place the enclosure’s upper keyholes over the two upper screws. Install two lower screws and make sure to tighten all screws
(Enclosure Dimensions, pgs. 7-8). Secure green wire lead to the earth ground. - Power connections:
a. AL125UL, AL125ULX: Connect 115VAC 50/60Hz to the black and white flying leads of the transformer. Use 18 AWG or larger for all power connections (Battery, AC input, DC outputs). Use 22 AWG to 18 AWG for power-limited circuits (Trigger inputs, Dry outputs, DC outputs).
b. AL125ULE, AL125ULP, AL125ULPX: Connect 24VAC from UL Listed 40VA plug-in transformer (included with AL125ULP and AL125ULPX) to terminals marked [XFMR]. See LED Diagnostics, pg. 4 for details.
Keep power-limited wiring separate from non power-limited wiring (115VAC, 50/60Hz Input, Battery Wires). Minimum 0.25” spacing must be provided.
CAUTION: Do not touch exposed metal parts. Shut branch circuit power before installing or servicing equipment. There are no user serviceable parts inside. Refer installation and servicing to qualified service personnel. - Measure output voltage before connecting any devices to ensure proper operation.
Improper or high voltage will damage these devices. - Set the desired DC output voltage by setting switch SW2 (Fig. 1a – Application Diagram, pg. 5) to the appropriate position (Power Supply Output Specifications Table, pg. 2).
- Connect Fail-Safe locking devices to the terminals marked [COM –] and [LOCK+]. Connect Fail-Secure locking devices to the terminals marked [COM –] and [STRIKE +] (Fig. 1 – Application Diagram, pg. 5).
- Connect normally open access control device (i.e. card reader, request to exit device, access control system) to the terminals marked TRG INPUT [NO, GND] (Fig. 1 – Application Diagram, pg. 3).
- Connect FACP interface to the terminals marked [FACP1 and FACP2]. Wire the 2.2K resistor (supplied) in series for a normally closed input or in parallel for a normally open input (Fig. 1 – Application Diagram, pg. 5).
If required, set the latching FACP interface mode by turning SW1 ON (Fig. 1a – Application Diagram, pg. 5) and connect a normally open reset device to the terminals marked RESET [NO, GND].
Note: If 2.2K resistor is not installed unit will be in alarm condition. - Connect battery to terminals marked [+ BAT –] (battery leads included). Use two (2) 12VDC batteries connected in series for 24VDC operation.
Note: For Access Control applications batteries are optional.
When batteries are not used, a loss of AC will result in the loss of output voltage.
When the use of stand-by batteries is desired, they must be lead acid or gel type. - Please ensure that the cover is secured with the provided cam lock.
Maintenance:
Unit should be tested at least once a year for the proper operation as follows:
Output Voltage Test: Under normal load conditions, the DC output voltage should be checked for proper voltage level (Power Supply Output Specifications Table, pg. 2).
Battery Test: Under normal load conditions check that the battery is fully charged, check specified voltage both at battery terminal and at the board terminals marked [+ BAT –] to ensure that there is no break in the battery connection wires.
Note: Maximum charging current under discharge is 400mA.
Note: Expected battery life is 5 years; however, it is recommended changing batteries in 4 years or less if needed.
Terminal Identification:
| Terminal Legend | Function/Description |
| XFMR | Low voltage transformer connections. |
| + AUX – | Aux. power output terminals. These terminals supply 12VDC or 24VDC not affected by trig- ger, reset or fire alarm interface. |
| LOCK + STRIKE + COM – | Switched power output. Fail-Safe [LOCK +] supplies positive power when unit is not trig- gered and FACP interface is inactive. Fail-Secure [STRIKE +] supplies positive power when unit is triggered and/or fire alarm interface is activated. [COM –] supplies negative power. |
| FACP1 FACP2 | Supervised by 2.2K end of line resistor FACP interface. Short or open will cause power to be dropped to terminal marked [LOCK +] and supply power to terminal marked [STRIKE +]. Condition can be maintained even after restoration of the circuit (latching mode). |
| TRG INPUT NO, GND | Short between these two terminals will cause power to be dropped to the terminal marked [LOCK+] and supplied to the terminal marked [STRIKE +]. |
| RESET NO, GND | Momentary short between these terminals would end latching FACP interface condition. Feature active only if latching FACP is selected (SW1 ON). |
| + BAT – | Stand-by battery connections. |
LED Diagnostics:
| Red | Power Supply Status |
| ON | Normal function. |
| OFF | No DC output. |
| Slow Blink | Loss of AC. |
| Rapid Blink | Unit is triggered, awaiting reset. Fire alarm interface activated. |
The lightning flash with arrowhead symbol within an equilateral triangle is intended to alert the user to the presence of an insulated DANGEROUS VOLTAGE within the product’s enclosure that may be of sufficient magnitude to constitute an electric shock.
The exclamation point within an equilateral triangle is intended to alert the user to the presence of important operating and maintenance (servicing) instructions in the literature accompanying the appliance.

CAUTION: To reduce the risk of electric shock do not open enclosure. There are no user serviceable parts inside. Refer servicing to qualified service personnel.
Application Diagram:

Enclosure Dimensions (H x W x D):
AL125UL, AL125ULE, AL125ULP
8.5” x 7.5” x 3.5” (215.9mm x 190.5mm x 88.9mm)

Enclosure Dimensions (H x W x D):
AL125ULX, AL125ULPX
13.5” x 13” x 3.25” (342.9mm x 330.2mm x 82.6mm)
Altronix is not responsible for any typographical errors.
140 58th Street, Brooklyn, New York 11220 USA | phone: 718-567-8181 | fax: 718-567-9056
website: www.altronix.com
e-mail: [email protected]
Lifetime Warranty IIAL125ULseries




















