Altronix AL175ULX2 Access Control Power Supply Charge

Overview
Altronix AL175ULX2 power-limited power supply/charger converts 115VAC / 60Hz input into two individual PTC-protected auto-resettable 12VDC or 24VDC outputs (see specifications). It must be installed in accordance with National and Local Electrical Codes and Regulations.
Specifications
Agency Listings:
- UL Listed for Access Control Systems (UL294*). cUL Listed – CSA Standard C22.2 No.205-M1983, Signal Equipment.
- MEA – NYC Dept. of Buildings Approved.
- CSFM – California State Fire Marshal Approved.
- Conforms to NFPA 101 life safety codes.
Input:
- Input 115VAC, 60Hz, 0.6A.
Output:
- Field selectable 12VDC (Range 10VDC – 13VDC) or 24VDC (Range 24VDC – 27VDC) power-limited outputs. Class 2 Rated power-limited outputs.
- 1.75A continuous supply current @ 12VDC or 24VDC.
- Aux relay output (form “C” contacts).
- Filtered and electronically regulated output.
- Short circuit and thermal overload protection.
Battery Backup:
- Maximum charge current: 400mA.
- Automatic switch over to stand-by battery when AC fails.
Supervision:
- AC fail supervision (form “C” contacts).
- Dry trigger output (form “C” contacts).
Fire Alarm Interface:
- Dry trigger input.
Visual Indicators:
- AC input and DC output LED indicators.
Added Features:
- Includes power supply, transformer, and enclosure.
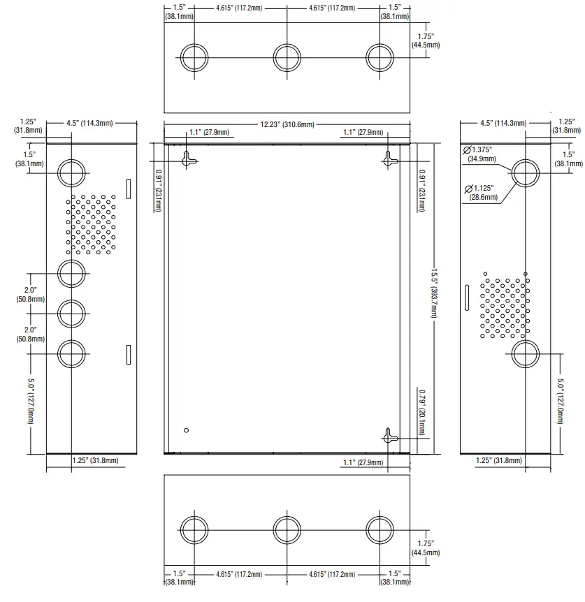
Enclosure Dimensions:
- 15.5” x 12” x 4.5”
- (393.7mm x 304.8mm x 114.3mm)
ANSI/UL 294 7th Ed. Access Control Performance Levels:
Destructive Attack – I; Endurance – N/A; Line Security – I; Stand-by Power – I, IV
Power Supply Output Specifications:
| Output VDC | Switch Position | Max. Stand-by Load DC | Max. Alarm Load DC | Battery (optional) |
| 12VDC (Range 10VDC – 13VDC) | SW1 OFF | 1.75A | 1.75A | 12VDC |
| 24VDC (Range 24VDC – 27VDC) | SW1 ON | 1.75A | 1.75A | 24VDC |
Stand-by Specifications:
| Output | 4 hr. of Stand-by and 5 Minutes of Alarm |
| 12VDC / 7 AH Battery | Stand-by = 1.25A Alarm = 1.25A |
| 24VDC / 7 AH Battery |
Installation Instructions
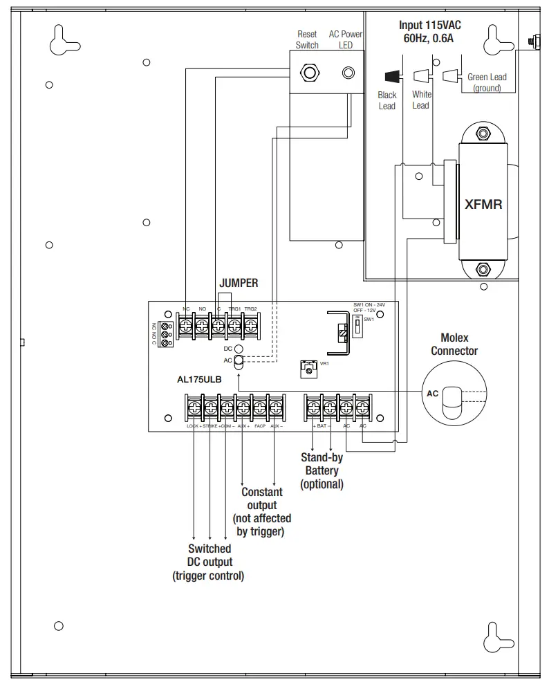
AL175ULX2 should be installed in accordance with article 760 of The National Electrical Code or NFPA 72 as well as all applicable Local Codes. See Terminal Identification Chart on Pg. 3 for a description of each terminal function.
- Mount AL175ULX2 in the desired location. Mark and predrill holes in the wall to line up with the top two keyholes in the enclosure. Install two upper fasteners and screws in the wall with the screw heads protruding. Place the enclosure’s upper keyholes over the two upper screws, level and secure. Mark the position of the lower two holes. Remove the enclosure. Drill the lower holes and install the two fasteners. Place the enclosure’s upper keyholes over the two upper screws. Install the two lower screws and make sure to tighten all screws (Enclosure Dimensions, pg. 8).
- Connect AC power (115VAC / 60Hz) to the black and white flying leads of the transformer. Secure gree wire lead to earth ground. Green “AC” LED on power supply board will turn on. This light can be seen through the LED lens on the door of the enclosure. Use 18 AWG or larger for all power connections (Battery, DC output). Use 22 AWG to 18 AWG for power-limited circuits (trigger inputs, dry outputs). Keep power-limited wiring separate from non-power-limited wiring (115VAC / 60Hz Input, Battery Wires). Minimum 0.25” spacing must be provided.
CAUTION: Do not touch exposed metal parts. Shut branch circuit power before installing or servicing equipment. There are no user-serviceable parts inside. Refer installation and servicing to qualified service personnel. - Set the AL175ULX2 to the desired DC output voltage by setting switch SW1 to the appropriate position (see Power Supply Output Specifications Table, Pg. 2).
- Measure output voltage before connecting devices. This helps avoiding potential damage.
- Connect battery to terminals marked [+ BAT –] (battery leads included). Use two (2) 12VDC batteries connected in series for 24VDC operation.
Note: For Access Control applications batteries are optional. When batteries are not used, a loss of AC will result in the loss of output voltage. When the use of stand-by batteries is desired, they must be lead acid or gel type. - Connect appropriate signaling notification devices to AC Fail supervisory relay outputs marked [N.C., N.O., C].
Note: To meet UL requirements, AC Supervisory outputs must be connected to the zone of Alarm Control Panel or to visual AC trouble indicator.
7. For Access Control Device and Fire Alarm Interface connections see Application Diagrams, pg. 5 – 6 and Terminal Identification Chart, pg. 3.
8. Secure enclosure door with the screws supplied to assure proper ground.
Maintenance
Unit should be tested at least once a year for the proper operation as follows:
- Output Voltage Test: Under normal load conditions the DC output voltage should be checked for proper voltage level (see Power Supply Output Specifications Chart).
- Battery Test: Under normal load conditions check that the battery is fully charged, check specified voltage both at the battery terminal and at the board terminals marked [+ BAT –] to ensure that there is no break in the battery connection wires.
- Note: Maximum charging current under discharges is 400mA.
- Note: Expected battery life is 5 years; however, it is recommended changing batteries in 4 years or less if needed.
Terminal Identification
| Terminal Legend | Function/Description |
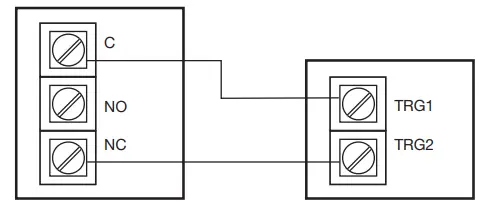
| TRG1 & TRG2 | These input terminals are designed to connect to the normally closed outputs of an access control or fire alarm relay. These terminals control [LOCK+], and [STRIKE+], as well as AL175ULX2 output relay contacts [N.C., N.O., C]. |
| LOCK + | This terminal provides DC output voltage when [TRG1] and [TRG2] are shorted together and are typically used to power Mag Locks. |
| STRIKE + | This terminal provides DC output voltage when [TRG1] and [TRG2] are unshorted and are typically used to power Electric Strikes. |
| N.C., N.O., C | Isolated dry Form “C” contacts. Shorting [TRG1] and [TRG2] together causes these contacts to switch. They are typically used for controlling multiple AL175ULX2s with fire alarm tie-in (Fig. 4, pg. 4). |
| AUX+ | Continuous positive (+) DC power output voltage. It is not affected by TRG1, TRG2 operation. |
| COM – | Common negative (–) output (ground). |
| FACP | Spare wiring terminal used for fire alarm tie-in application (Fig. 3, pg. 4). |
| + BAT – | Stand-by battery connections. |
| SW2 | Momentary reset button (on front door) is used as a manual power supply reset after fire alarm system is restored. |
| AUX – | AUX neg (–) output (ground). |
LED Diagnostics
| Red (DC) | Green (AC) (on front door) | Power Supply Status |
| ON | ON | Normal function. |
| ON | OFF | Battery backup is powering output. |
| OFF | ON | No DC output. |
| OFF | OFF | Loss of AC. Discharged or missing stand-by battery. No DC output. |
AL175ULX2

Typical Application Diagrams
Typical single mag lock or door strike installation with fire alarm tie-in using trigger-controlled output:

Typical dual mag lock installation with fire alarm tie-in using trigger-controlled outputs:

Typical mag lock with fire alarm tie-in using aux output installation:

Latching fire alarm tie-in with manual reset:
Multiple AL175ULX2 power supply connections:
Enclosure Dimensions (H x W x D approximate):
15.5” x 12” x 4.5” (393.7mm x 304.8mm x 114.3mm)

Altronix is not responsible for any typographical errors.
140 58th Street, Brooklyn, New York 11220 USA | phone: 718-567-8181 | fax: 718-567-9056
website: www.altronix.com | e-mail: [email protected] | Lifetime Warranty




















