Slayton 36 Direct Vent Fireplace
Please leave these reference guides at the installation location until the installation is finished. See owners manual for full installation and finishing instructions before making final decisions as information is subject to change.
Specifications (all measurements are in inches)
| Model | BTU | Height | Front Width | Back Width | Depth | Glass Viewing Area | ||||
| Actual | Framing | Actual | Framing | Actual | Framing | Actual | Framing | |||
| SLA‐36 | 33,000 | 28‐13/16 | 36‐5/8 | 43‐5/8 | 48‐3/4 | 43‐5/8 | 48‐3/4 | 15‐13/16 | 19 | 14 x 36 |
- GAS LINE OPENING: LEFT/RIGHT SIDES
- ELECTRICAL ACCESS: RIGHT SIDE
Framing Opening
| Dimension | SLA‐36 |
| A | 62‐1/4 |
| B | 36‐5/8 |
| C | 48‐3/4 |
| D | 19 |

| E | F | G | H | I | J | K | L | M |
| 19 | 48‐3/4 | 19 | 48‐3/4 | 87‐3/4 | 48‐3/4 | 24‐1/4 | 43‐7/8 | 62 |
Finishing Clearances

| Dimension | SLA‐36 |
| N | 50‐1/4 |
| O | 38‐1/8 |
Mantel Clearances

| Dimension | |||||
| P | Q | R | S | T | U |
| 40 | 14‐1/4 | 19‐1/4 | 25‐1/4 | 33‐3/8 | 62‐1/4 |
Finish Trim Kit
Important!
If you are finishing around the fireplace with tile or stone make sure that you install the Finishing Trim Kit at the framing stage.
The trim kit allows for your finishing board and your tile/stone to finish up against, creating a shadowbox for the face to sit inside.
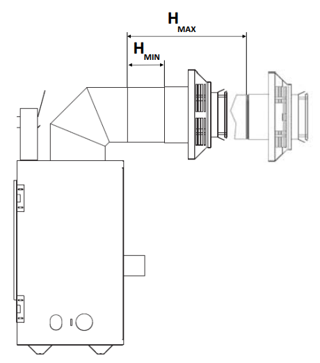
Horizontal Termination Framing

A horizontal Wall Thimble allowing a 1” clearance is required
| Dimension | SLA‐36 |
| V | 19 |
| W | 35‐5/8 |
| X | 47‐5/8 |
| Y | 43 |
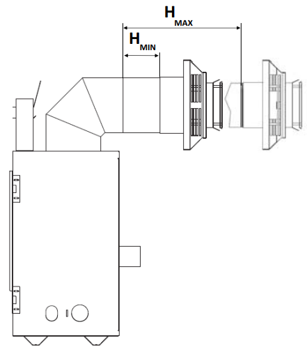
Horizontal 5” X 8” Venting Minimum Requirements
Note specific gas type minimums

| Requirement | SLA‐36 |
| (NG) Vertical Min | 90o Elbow |
| (NG) Horizontal Min | 9 |
| (NG) Horizontal Max | 4 ft. |

| Requirement | SLA‐36 |
| (LP) Vertical Min | 90o Elbow |
| (LP) Horizontal Min | 9 |
| (LP) Horizontal Max | 9 |

| Requirement | SLA‐36 |
| (LP) Vertical Min | 6 AND 9 |
| (LP) Horizontal Min | 9 |
| (LP) Horizontal Max | 4 ft. |
Consult venting chart in the manual for all options above minimum requirements
H = Horizontal
V = Vertical
4” x 6‐5/8”
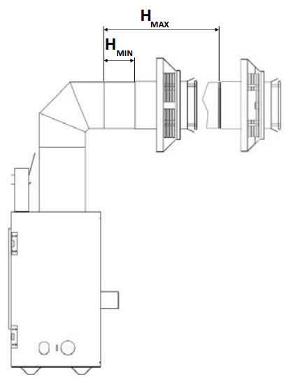
Decreaser Minimum Requirements

| Requirement | SLA‐36 |
| (NG) Vertical Min | 12 |
| (NG) Horizontal Min | 9 |
| (NG) Horizontal Max | 3 ft. |



















