SGA3650 OLP Series S Spring Driven Hose Reels
User Manual

Operating Instructions
Series S Spring Driven Hose Reels
Low Pressure Model Numbers:
SGA3650 OLP SWA3850 OLP SCA3850 OLP
SGA3665 OLP SHA3850 OLP
SGA3850 OLP SCA3650 OLP
Dimensions

| A | 19 1/4” |
| B | 22 3/4” |
| C | 9 1/2” |
| D | 19” |
| E | 9 1/2” |
IMPORTANT
Read this manual carefully before installing, operating or servicing this equipment.
SAFETY
Personal injury and/or equipment damage may result if proper safety precautions are not observed.
- Ensure that reel is properly installed before connecting input and output hoses.
- Bleed fluid/gas pressure from system before servicing reel.
- Before connecting reel to supply line, ensure that pressure does not exceed maximum working pressure rating of reel.
- Remember, even low pressure is very dangerous and can cause personal injury or death.
- Be aware of machinery and personnel in work area.
- If a leak occurs in the hose or reel, remove system pressure immediately.
- A high tension spring assembly is contained within the reel. Exercise extreme caution.
- Pull hose from reel by grasping the hose itself, not the control valve.
- Ensure that reel, hose, and equipment being serviced are properly grounded. Use an ohmmeter to check ground continuity.
- If reel ceases to unwind or rewind, remove system pressure immediately. Do not pull or jerk on hose!
- Treat and respect the hose reel as any other piece of machinery, observing all common safety practices.
INSTALLATION INSTRUCTIONS
INSTALLING THE INPUT HOSE(S)
A flexible connection between the reel and the source of supply is required to prevent possible misalignment and binding.
Non-flexible connections will void the warranty. The pressure rating of the inlet hose must be equal to or greater than the rating of the reel.
Using the appropriate approved hose and fittings connect the supply line to the inlet connection of the reel.
Ensure you use thread sealants where applicable and permitted.
Never over-tighten or under-tighten fittings.
Once connection has been made to the inlet of the reel ensure you make or fit a connection to the outlet of the reel (the main hose) then turn the supply valve on slowly and check for leaks.
Note: Please refer to your local authority for rules and regulations on the safe use of compressed liquids, gases and fuel gases.
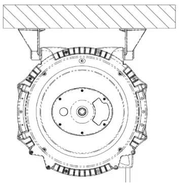
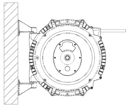
HOW TO MOUNT THE REEL
The hose reels are fitted with an all position locking system, which allows the reel to operate in all positions. The reel is supplied as standard with a mounting system and brackets that allow ceiling mounting or wall mounting – an optional floor or under bench mount can be purchased for other mounting positions.
The optimum height for wall mounting is such that it allows the hose or cable to be pulled at an upward or a downward angle of no more than approximately 15° angles exceeding this can create undue drag in operation and potentially cause premature wear to the mouth opening of the reel.
For wall mounting where heights above 9 feet are required we suggest the use of the swivel mounting optional floor bracket.
Bolt the bracket to the wall and fix the reel in position as you would for ceiling mounting.
| Typical mounting | Fixed floor mount |
![]() | ![]() |
Ceiling mount

NOTE: The orientation of the wall brackets is important. Please follow drawings.
HOW TO USE THE REEL
Once you have mounted your reel and made the inlet connection you are ready for operation. In order to familiarize yourself with the function of the reel stand as close as possible to the reel, pulling the hose slowly out you will note a clicking noise. This is the locking pawl running over the locking teeth or ratchet teeth.
As soon as you hear this noise stop pulling and allow the hose to retract a little and it will lock in position. If it won’t lock allow the hose to retract back further then pull it again slowly until you hear the first one or two clicks stop pulling and allow the hose to retract a small amount and it will lock.
Now pull it out some more until you here the next set of clicks and repeat the locking process. The hose will lock about every 3 feet or 1 meter increments but only after you have been pulling it with an outward movement. The locking system is designed so that the hose will never lock when rewinding the hose.
Once you are familiar with the system you won’t need to listen for the locking clicks, as you will automatically know when and where it will lock.
Never let the hose fly back uncontrolled this can cause damage to property or person.
Always keep a firm hold of the hose as it is retracting back into the reel.
To rewind the hose pull it out about 1ft or 300mm and then allow it to retract back while holding the hose. If you want to stop the rewinding and lock it in position again, pull some hose out until you hear the clicking and allow it to retract a little locking the hose in position.
MAINTENANCE & REPAIR
INSERTING THE LOCKING PIN SERVICE TOOL
In the interest of safety we have designed and constructed a special service tool, a locking pin that when inserted through the outer cases it locks the drum from being able to rotate when carrying out service work.
We recommend that this tool be used to prevent damage to the reel or the service person.
By simply rotating the drum, pulling the hose slowly and looking into the service pinhole shown below you will see the line up holes; insert the pin right through the reel so that it protrudes out the opposite side.
CHECKING FOR LEAKS
Like all moving and rotating components there is a need to make regular maintenance checks. Some of these checks are very simplistic and only require a visual inspection others require service work to be carried out on items such as seals and O-rings.
For O-ring and seal servicing refer to “Service or replace O-rings and seals” further in the manual.
A soapy water test is the most simplistic. Soapy water brushed around each joint will soon indicate a leak when bubbles appear.
SERVICE OR REPLACE O-RINGS AND SEALS
As with normal and scheduled maintenance checks, O-rings and seals will need to be serviced or replaced from time to time. The task of replacing the O-rings and seals is quite simple and should only take a few minutes following the procedure below.
Pull the hose all the way out of the reel and using the service locking tool described in “Inserting the locking pin service tool” fix the service tool in position. This locks the reel and makes it safe to carry out repairs.
Note: Never open the tension side plate or adjust tension with the hose fully or partially extended. All the hose must be fully wound onto the reel.
Disconnect the inlet supply from the inlet fitting on the reel. Remove the six selftapping screws in the inlet side plate. Remove the side plate and the swivel. At the axle end of the swivel, remove the circlip (snap ring) and slide the swivel sleeve off the swivel shaft.
This will expose the O-rings and seals – remove these with an appropriate tool.
![]() | ![]() |
Note: Do not score or scratch the O-ring, seal or sealing surfaces.
Replace the O-rings and seals and apply an appropriate lubricant.
Note: Use only Reel craft original seals and O-rings, failure to do so will void warranty.
Re-assemble the swivel and refit into position, replace the self-tapping screws, holding the hose. Remove the service tool and rewind the hose. Reconnect the inlet supply and check for leaks. Refer to “Checking for leaks” earlier in the manual.
HOW TO ADD OR REMOVE TENSION
Note: Never add or remove tension when the hose is extended from the reel. The hose must always be fully wound on the hose reel.
Add tension – turn clockwise
Remove tension – turn counter-clock
With the hose fully recoiled in the reel remove the two most inner self-tapping screws locked on the tension ring. With a “C” spanner, or the tensioning service tool, rotate the cap clockwise one full turn. The tensioning cap is a ratchet system so you will note the clicking as you rotate the cap. Always have the screws vertical when finished, this way you will always know you have a full turn.
Whenever adding tension only add one full turn at a time.
Before replacing the screws pull the hose out – check to ensure that all the hose comes out. If you cannot pull the hose all the way out and there are remaining coils left on the reel this indicates that you have over-tensioned the spring or that the spring has run out of power and we suggest that you contact your service center.
REMOVE TENSION
Removing tension is done for one of two reasons, one that you over tensioned your hose reel and cannot pull all the hose out and the second is that you are replacing the spring drum. There should be no other reason to remove tension from the reel. If all is okay replace the two self-tapping screws to lock the cap in position.
REPLACE THE MOUTH GUARD
The reel has been designed with a replaceable mouth guard to prevent wear to the case of the reel. The amount of wear on the mouth guard is dependent on the amount of use. To replace this, pull some hose from the reel and lock it in position, remove the four fasteners as shown below, stretch the case open slightly to pop the mouth guard out. Remove the bumper stop and slide the mouth guard off and fit the new one in reverse order.
REPLACE SWIVELS, SLIP-RINGS AND O-RING SEALS
Pull the hose all the way out of the reel and using the service locking tool described in “Inserting the locking pin service tool” fix the service tool in position. This locks the eel and makes it safe to carry out repairs.
Note: Never open the tension side plate or adjust tension with the hose fully or partially extended. The hose must be fully retracted onto the reel (i.e. fully wound on the drum of the reel).
Disconnect the inlet supply from the inlet fitting on the reel. Remove the six selftapping screws in the inlet side plate. Remove the side plate and the swivel. You will note that he hose is connected to the inner drum with a cable tie. Cut the cable tie but be careful not to cut the hose.
Once this is done it will allow you to pull the hose through the side plate cavity.
Pull the hose out far enough to get free access. Remove the crimp clip or simply cut the hose off as close as possible to the hose barb.
Re-connect the hose to the barb of the swivel using a suitable clamp. Replace the swivel and refit the cable tie to hold the hose to the drum and refit the swivel and side plate. Re-connect the inlet supply and check for leaks. Remove the service tool while holding the main hose and allow the hose to retract.
REPLACE THE TENSION LOCKING SYSTEM
Note: Never open the tension side plate or adjust tension with the hose fully or partially extended. All of the hose must be fully retracted onto the reel (i.e. fully wound on the drum of the reel). The first step is to remove tension from the reel. Using a “C” spanner or the service tool hold the center locking cap and remove the four outer screws. Note: There is tension on this cap and it will want to spin anti-clockwise so hold tightly.
Once the screws are removed allow the cap to unwind in a controlled manner, once the tension is released the cap will sit stationary. This has now released all the tension. Remove the six self-tapping screws holding the tensions side plate.
Once you have removed the side plate check to see if there is any damage to the locking system/ratchet teeth located on the inner drum.
If the locking teeth/ratchet teeth are damaged or broken you will need to replace the inner drum spring canister.
If these are all okay without damage refit the new side plate assembly and follow the procedure for re-tensioning the reel in the previous section.
To add tension follow the steps from “How to add or remove tension”. If you have removed all the tension and are tensioning add five full turns to start with and then one more at a time if necessary. Repeat the steps as described in “How to add or remove tension.”
PARTS BREAK DOWN – MAIN ASSEMBLY

Note: Not all items are sold as individual parts – complex assemblies are sold in sub-assembly kit form. Use only Reel craft original components failure to do so will void warranty.
Reel craft Industries, Inc.
2842 E Business Hwy 30, Columbia City, IN 46725
Ph: 800-444-3134 / 260-248-8188
Fax: 800-444-4587 / 260-248-2605
Customer Service: 855-634-9109
[email protected]
www.reelcraft.com
www.reelcraft.com























