DP7000 Series Spring Driven Hose Reels
User Manual
Operating Instructions
Series DP7000 Spring Driven Hose Reels
High Pressure Model Numbers:
DP7400 OHP, DP7600 OHP
DP7450 OHP, DP7650 OHP
DP7000 Series Spring Driven Hose Reels
IMPORTANT
Read this manual carefully before installing, operating or servicing this equipment.
Dimensions 
SAFETY
Personal injury and/or equipment damage may result if proper safety precautions are not observed.
- Ensure that reel is properly installed before connecting input and output hoses.
- Bleed fluid/gas pressure from system before servicing reel.
- Before connecting reel to supply line, ensure that pressure does not exceed maximum working pressure rating of reel.
- Remember, even low pressure is very dangerous and can cause personal injury or death.
- Be aware of machinery and personnel in work area.
- If a leak occurs in the hose or reel, remove system pressure immediately.
- A high tension spring assembly is contained within the reel. Exercise extreme caution.
- Pull hose from reel by grasping the hose itself, not the control valve.
- If reel ceases to unwind or rewind, remove system pressure immediately. Do not pull or jerk on hose!
- Treat and respect the hose reel as any other piece of machinery, observing all common safety practices.
Series DP7000 Spring Driven Hose Reels
Installation Instructions
WARNING: Ensure that reel, hose, and equipment are properly grounded. Use an ohmmeter to check ground continuity.
Mounting
CAUTION: Unless reel was specified differently when ordering, maximum installation height is 16 feet. Do not exceed this distance.
Maximum Operating Temperature:
High pressure (4000 p.s.i.) = 210 °F (99 °C)
- Unpack and inspect reel for damage. Turn spool by hand to check for smooth operation. Check for completeness.
- Configure reel for top, side or bottom hose dispensing by removing bolts from one side of the guide roller bracket and loosening the four guide arm bolts on each side of the hose reel. Remove each guide arm then reinstall in the desired configuration.
- Position reel on floor, wall, or ceiling. Secure into place using four (customer supplied) bolts.
Installing the Input Hose
WARNING: Ensure that supply line pressure does not exceed maximum working pressure rating of reel. Apply pipe thread sealant to all threads on standard reels. Do not overtighten connection. Recommended torque not to exceed 70 ft. lb.
CAUTION: Use flexible hose connection at input. Do not use rigid plumbing. The use of rigid plumbing may void warranty.
- Apply thread sealant as shown in Figure B and connect input hose to main shaft input Figure C.
- Tighten securely, ensuring a sealed connection has been made.

Installing the Output Hose
WARNING: Use extreme caution; reel under tension. Avoid releasing latch mechanism.
CAUTION: Apply pipe thread sealant to all threads on standard reels. Do not overtighten connection. Recommended torque not to exceed 70 ft. lb.
- Manually turn sheave until spring is tight, back off 2 turns, then latch.
- Route output hose through roller bracket, U-bolts, then through cut out in spool as indicated in above illustrations.
- Connect output hose to swivel output as indicated in Figure E.
- Place U-bolt over hose and through the slotted holes below the hose opening. Add washers and lock nuts, tighten securely. (Figure F)
- Charge hose. Momentarily open control valve to purge hose of gases. When fluid appears at control valve, close valve. With hose fully charged, release latch and wind output hose onto reel.
- Install bumper stop assembly.
Adjustments
WARNING: Use extreme caution; reel under tension. Avoid releasing latch mechanism. If necessary, adjust spring tension on reel by manually adding or removing wraps of hose from spool, one wrap at a time, until desired tension is obtained. Manually add wraps to increase tension. Remove wraps to decrease tension.
CAUTION: When adding wraps of hose, add just enough wraps to achieve the desired tension without exceeding the winding mechanism’s spring capacity. Properly tensioned reels allow all hose to be freely removed from the spool until the point of U-bolt contact. Damage to the winding mechanism will result if spring is over-tensioned.
Service Instructions
User servicing of the reel is limited to replacing input/output hoses only. Refer all other repairs to an authorized service person or directly to Reelcraft. Failure to do so may result in personal injury and/or equipment damage and may void the warranty.
WARNING: Rewind hose on reel, then bleed pressure from system before performing the following procedures.
CAUTION: Remove all spring tension before disassembling the hose reel. Do not attempt to open the riveted spring case assembly.
- Replace hoses in accordance with procedures given in “Installation Instructions” section of this manual.
- All mating moving parts have been factory lubricated as required.

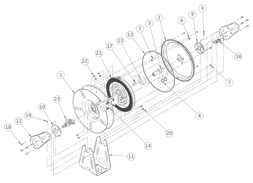
| ITEMNO. | PART NO. | NO.REQ’D. | DESCRIPTION | ITEMNO. | PARTNO. | NO.REQ’D | DESCRIPTION |
| 2 | S602149 | 1 | Spring Case and Ratchet Assembly | 13 | S262138 | 1 | Spring Case 0-Ring Seal |
| 4 | 300121 | 1 | Set Screw, 3/8″-16 x 3/8″ Long | 15 | 261274 | 1 | Spring Arbor |
| 5 | S260031 | 1 | Snap Case Stud | 16 | S602144 | 1 | Latch Pawl Assembly |
| 6 | S76-106 | 1 | Hex Jam Nut, 3/8″-24 | 17 | 261275 | 1 | Arbor Key |
| 7 | 5300011 | 6 | Hex Lock Nut, 10-32 | 18 | S2-52 | 8 | Hex Cap Screw, 5/16-18 x 5/8″ Long |
| 8 | 300007 | 2 | Snap Ring (External) | 19 | S300122 | 1 | Snap Ring (External) |
| 9 | S262115 | 1 | Hub A | 20 | S2-51 | 4 | Hex Cap Screw, 5/16-18 x 1/2″ Long |
| 10 | 602158 | 1 | Hub C and Bushing Assembly | 22 | 300107 | 4 | Hex Lock Nut, 5/16-18 |
| 12 | S262110 | 2 | Guide Arm |
| ITEMNO. | DESCRIPTION | NO.REQ’D | DP7400 OHP | DP7450 OHP | DP7600 OHP | DP7650 OHP |
| 1 | Spool Assembly | 1 | S602147 | S602147 | S602147 | S602147 |
| 3 | Main Shaft | 1 | S262120 | S262120 | S262120 | S262120 |
| 11 | Base Assembly | 1 | 602141 | 602141 | 602140 | 602140 |
| 14 | Guide Roller Bracket Assembly | 1 | S602143 | S602143 | S602143 | S602143 |
| 21 | Drive Spring Assembly | 1 | 262166-70 | 262156-70 | 262146-70 | 262146-70 |
| 23 | Swivel Assembly | 1 | S602387 | S602387 | S602387 | S602387 |
| Hose Assembly | 1 | None | S9-260044 | None | S5-260044 | |
| Bumper Stop Assembly | 1 | None | 1-H R1004-3A | None | S602452 |
Form# 1198-207 Rev: 1/2022
www.reelcraft.com
Reelcraft Industries, Inc.
2842 E Business Hwy 30, Columbia City, IN 46725
Ph: 800-444-3134 / 260-248-8188
Fax: 800-444-4587 / 260-248-2605
Customer Service: 855-634-9109
[email protected]
www.reelcraft.com




















