DUALCON-6
24V AC or DC POWERED
ISOLATING SIGNAL CONVERTER
USER MANUAL
INTRODUCTION
1.1 Hardware Features
The DUALCON-6 is a universal input Isolating Signal Converter. It can accept virtually every type of analog input signal from millivolts to 40Vdc, mA, thermocouples, RTDs, etc. It also produces 3 types of analog output; voltage, mA source, or mA sink on either of 2 analog outputs.
The unit can be powered by any DC voltage between 16 and 36Vdc or 18 and 32Vac. For mains AC voltage the DUALCON-3 is available which can be powered from any supply from 90Vac to 264 Vac at 50 or 60Hz.
The instrument is packaged in a very compact 17.5mm wide enclosure which can be mounted on a standard TS35 DIN rail.
UNPACKING
The instrument should be carefully inspected for signs of damage that may have occurred in transit. In the unlikely case that damage has been sustained, DO NOT use the instrument, but please retain all packaging for our inspection and contact your supplier immediately.
The instrument comes with the following items as standard:
1 DUALCON-6 Isolating Signal Converter
1 DUALCON-6 User Guide
If the instrument has been factory configured the input and output details will be listed on the Serial number label on the side of the unit. If this label is blank then the unit will be set to its default configuration which is 4-20mA input and 2, 420mA source outputs. Please check that the details on the side label are correct, especially the power supply voltage.
If re-configuration is required please refer to Section 4 of this manual.
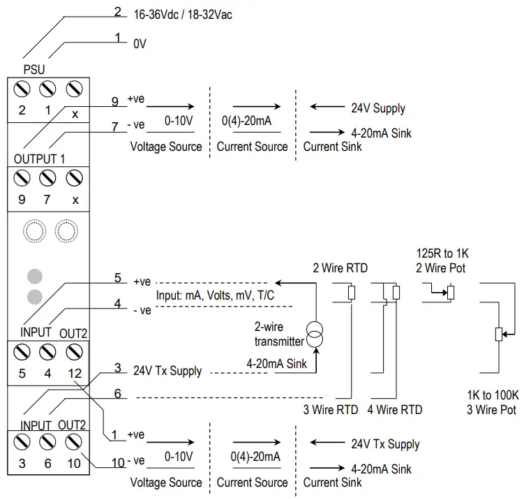
CONNECTIONS
The DUALCON is housed in a compact DIN rail mounting enclosure, with 12 terminals, arranged in 4 rows of 3 terminals. Two rows are at the top of the front panel and 2 rows are at the bottom. All the sensor input terminals are on the bottom rows together with the second analog output, and the power supply and first analog output are on the top terminals.
The diagram below shows how to connect all the different input, output, and power supply types.

CONFIGURING THE DUALCON
!WARNING!
DO NOT OPEN THE UNIT OR ADJUST SWITCHES WITH THE POWER SUPPLY, INPUT, OR OUTPUT CONNECTED
The DUALCON is an extremely versatile device that can support many different types of input. The unit is configured by turning the power off, selecting the internal switch settings required, and turning the power back on.
To open the DUALCON, 2 catches just below the outer terminal blocks must be pushed in gently, one at a time. The front of the case can then be pulled and the unit will come out of the box.

There are 4 switch banks, S1, S2, S3, and S4, located inside the DUALCON as shown below:

Switch S1 and S2 configure the input type and range and switch S3 and S4 configure the output types, ranges, and a few additional functions. The switch settings are explained in the next few pages. The diagrams refer to switch positions 0 and 1, with 0 being OFF and 1 being ON. This is illustrated in the picture above.
4.1.1 Voltage Input:
Select the range from the table below and set Switch S1 to the required values.

Then select the required setting from the table below for switch S2

Please note that PC Software is available to provide information on switch settings for your input and output requirements.
4.1.2 Current Input
Select the range from the table below and set Switch S1 to the required values.

Then select the required setting from the table below for switch S2
| mA Range | Switch S2 | |||||||||||
| Using Internal 24V Tx Supply for 4 to 20mA | 1 | 2 | 3 | 4 | 5 | 6 | 7 | 8 | 9 | 10 | 11 | 12 |
| 1 | 1 | 0 | 1 | 0 | 0 | 1 | 1 | 0 | 0 | 1 | 0 | |
| Unipolar Ranges (e.g. 0-20mA, 4-20mA) | ||||||||||||
| 1 | 1 | 0 | 0 | 0 | 0 | 1 | 1 | 0 | 0 | 0 | 0 | |
| Bipolar Ranges(e.g. -10 to +10mA) | ||||||||||||
| 1 | 1 | 0 | 0 | 1 | 0 | 1 | 0 | 0 | 0 | 0 | 0 | |
!WARNING!
DO NOT OPEN THE UNIT OR ADJUST SWITCHES WITH THE POWER SUPPLY, INPUT, OR OUTPUT CONNECTED
Please note that PC Software is available to provide information on switch settings for your input and output requirements.
4.1.3 Millivolt (mV) Input
Select the range from the table below and set Switch S1 to the required values.

And then select the required setting from the table below for switch S2
| mV Range | Switch S2 | |||||||||||
| All Unipolar Ranges (e.g. 0-500mV) | 1 | 2 | 3 | 4 | 5 | 6 | 7 | 8 | 9 | 10 | 11 | 12 |
| 0 | 1 | 0 | 0 | 0 | 0 | 1 | 1 | 0 | 0 | 0 | 0 | |
| Bipolar Ranges (e.g. -125 to +125mV) | ||||||||||||
| 0 | 1 | 0 | 0 | 1 | 0 | 1 | 0 | 0 | 0 | 0 | 0 | |
!WARNING!
DO NOT OPEN THE UNIT OR ADJUST SWITCHES WITH THE POWER SUPPLY, INPUT, OR OUTPUT CONNECTED
Please note that PC Software is available to provide information on switch settings for your input and output requirements.
4.1.4 Potentiometer Input
Select the range from the table below and set Switch S1 to the required values.

Then select the required setting from the table below for switch S2
| Potentiometer Input | Switch S2 | |||||||||||
| 2 Wire Potentiometer | 1 | 2 | 3 | 4 | 5 | 6 | 7 | 8 | 9 | 10 | 11 | 12 |
| 0 | 1 | 0 | 0 | 1 | 0 | 0 | 1 | 0 | 0 | 0 | 1 | |
| 3 Wire Potentiometer | ||||||||||||
| 0 | 0 | 1 | 1 | 0 | 0 | 1 | 1 | 0 | 0 | 1 | 0 | |
!WARNING!
DO NOT OPEN THE UNIT OR ADJUST SWITCHES WITH POWER SUPPLY, INPUT, OR OUTPUT CONNECTED
Please note that PC Software is available to provide information on switch settings for your input and output requirements.
4.1.5 Thermocouple Input
Select the range from the table below and set Switch S1 to the required values.

Then select the required setting from the table below for switch S2
| Thermocouple | Switch S2 | |||||||||||
| All Ranges | 1 | 2 | 3 | 4 | 5 | 6 | 7 | 8 | 9 | 10 | 11 | 12 |
| 0 | 1 | 0 | 0 | 1 | 1 | 1 | 0 | 0 | 0 | 0 | 0 | |
!WARNING!
DO NOT OPEN THE UNIT OR ADJUST SWITCHES WITH POWER SUPPLY, INPUT, OR OUTPUT CONNECTED
Please note that PC Software is available to provide information on switch settings for your input and output requirements.
4.1.6 RTD Input
Select the range from the table below and set Switch S1 to the required values.

And then select the required setting from the table below for switch S2
| RTD | Switch S2 | |||||||||||
| 2 Wire RTD | 1 | 2 | 3 | 4 | 5 | 6 | 7 | 8 | 9 | 10 | 11 | 12 |
| 0 | 1 | 0 | 0 | 1 | 0 | 0 | 1 | 0 | 0 | 0 | 1 | |
| 3 Wire RTD | 0 | 1 | 0 | 0 | 0 | 0 | 0 | 0 | 1 | 0 | 0 | 1 |
| 4 Wire RTD | 0 | 1 | 0 | 0 | 0 | 0 | 0 | 1 | 0 | 1 | 0 | 0 |
!WARNING!
DO NOT OPEN THE UNIT OR ADJUST SWITCHES WITH POWER SUPPLY, INPUT, OR OUTPUT CONNECTED
Please note that PC Software is available to provide information on switch settings for your input and output requirements.
4.1.7 Output Configuration
Select the range for Output 1 from the table below and set Switch S3 to the required values.

Examples:
| Switch S3 Examples | ||||||||||||
| 4-20mA Source | 1 | 2 | 3 | 4 | 5 | 6 | 7 | 8 | 9 | 10 | 11 | 12 |
| 1 | 0 | 1 | 0 | 1 | 0 | 0 | 0 | 0 | 1 | 0 | 0 | |
| 0-20mA Source | 1 | 0 | 1 | 0 | 1 | 0 | 0 | 0 | 0 | 1 | 0 | 1 |
| 0-10V | 1 | 0 | 1 | 0 | 1 | 1 | 0 | 0 | 0 | 1 | 0 | 1 |
| 4-20mA Sink | 1 | 1 | 0 | 1 | 0 | 0 | 0 | 0 | 0 | 1 | 0 | 0 |
Repeat the process for Output 2 using the table below for switch S4:

!WARNING!
DO NOT OPEN THE UNIT OR ADJUST SWITCHES WITH POWER SUPPLY, INPUT, OR OUTPUT CONNECTED
Please note that PC Software is available to provide information on switch settings for your input and output requirements.
CALIBRATING THE DUALCON
When the unit is shipped the DUALCON will be calibrated for the input and output types and ranges noted on the side label. If this label is blank then the unit will be calibrated for 4-20mA input and 2 x 4-20mA source outputs.
If the unit is re-ranged by the user it is necessary to re-calibrate the unit to obtain the maximum accuracy. The calibration is achieved by using both switches on the front panel to select the zero or span to adjust mode and then using the switches as raise/lower buttons to adjust the output to the value required.
The mode the unit is in is indicated by the color of the LEDs for both channels:
Green – Normal Operation
Red- Span Adjust
Yellow – Zero Adjust
The setting of the zero and span points is non-interactive, so each point needs only be set once. A typical calibration sequence would be as follows:
| LED CH1 | LED CH2 | Mode | Action |
| Green | Green | Normal | Apply full-scale input. Press and release both buttons together to enter output 1 span mode |
| RED | Green | Output 1 Span Adjust | Press the raise / lower buttons to adjust the output 1 value. Press and release both buttons together to return to normal mode |
| Green | Green | Normal | Apply zero-scale input Press and release both buttons together to enter output 1 zero mode |
| YELLOW | Green | Output 1 Zero Adjust | Press the raise / lower buttons to adjust the output value. Press and release both buttons together to return to normal mode |
| Green | Green | Normal | Apply full-scale input. Press and release both buttons together to enter output 2 span mode |
| Green | RED | Output 2Span Adjust | Press the raise / lower buttons to adjust the output 2 value. Press and release both buttons together to return to normal mode |
| Green | Green | Normal | Apply zero-scale input Press and release both buttons together to enter output 2 zero mode |
| Green | YELLOW | Output 2 | Press the raise / lower buttons to adjust |
| Zero Adjust | the output 2 value. Press and release both buttons together to return to normal mode | ||
| Green | Green | Normal | Use product |
The unit is now calibrated and ready for use.
Note: The unit will retain the new settings on power down. When the unit is used to convert a thermocouple input it is important when calibrating to ensure that the thermocouple simulator employed is switched to automatic cold junction compensation and is at the same ambient temperature as the DUALCON. Note that this is not always easy to achieve, especially if the DUALCON is mounted in a warm cabinet. An alternative method is to use an ice point reference and an mV source.
INSTALLATION
The DUALCON’s input and output circuits are classed as Separated Extra Low Voltage (SELV). This means that they must not be externally connected to voltages exceeding 0V ac or 60V dc, nor do they generate voltages above these limits internally. Where a higher voltage input is required a specially designed DIVIDER unit can be used to condition the input signal before connection to the process input terminals.
The use of bootlace ferrules is recommended for wiring terminations.
Do not exceed the terminal torque rating of 0.4 Nm – use an appropriate screwdriver. The unit can be removed from the DIN rail by sliding a small screwdriver into the slot at the rear of the enclosure on the lower face and gently levering the metal clip, whilst lifting the unit from the rail.
TROUBLESHOOTING
The DUALCON has some built-in self-diagnostic functions. If the LEDs on the front panel are flashing then the fault mode can be found by counting the number of flashes between gaps and using the table below to locate the problem.
| No of Flashes | Nature of Fault | Corrective Action |
| 0 (Green On) | Unit Working – no suspected fault | Check Wiring and switch settings |
| 2,3,4,5,6,8,9, 10,11,12 green | Hardware Error, extreme noise, poor supply | Switch off the unit, check the switch settings, and wiring, and retry. If still faulty please contact the supplier |
| 7 green | RTD / Thermocouple burnout | Repair RTD, T/C, or wiring |
| 3 or 4 Red | Span point is too close to zero point | Change input span value and retry |
| 3 or 4 Yellow | Zero point is too close to span point | Change input zero value and retry |
| No LED | Power Failure | Check supply lines and voltage |
7.1 Incorrect Reading
- Check that Unit is configured for the correct Sensor
- Check that Input Scaling is as required.
- Check that Linearisation has not been set incorrectly.
- Check that Thermocouples have correct compensation cables and polarity.
- Check that RTD is set for the correct option 2, 3, or 4 Wire.
- Check that RTD leads are connected to appropriate terminal pins.
7.2 Sensor Failure
- Check that the sensor wiring is correct.
- Check Thermocouple polarity.
- Check that all RTD leads are connected to the correct terminals.
- Check that the DUALCON is configured for the correct sensor.
- Check that the applied voltage is not out of range.
- Check that the applied current is not out of range.
- Check that the applied millivoltage is not out of range.
SPECIFICATIONS ( @ 25°C)
| Operating Temperature | 0 to 55 °C |
| Operating Altitude | Sea Level to 2000m |
| Humidity | 0-90% RH |
| Power Requirements | |
| DC Supply | 16 to 36Vdc |
| AC Supply | 18 to 32Vac |
| Current Consumption | 95mA ±5% @ 24Vdc (20mA in & out) |
| Transmitter Power Supply | 21V to 28V @ up to 24mA |
| Calibration accuracy | ±0.05% full scale |
| Linearity | ±0.05% full scale |
| Temperature Stability | 50ppm / °C |
| Input Impedance: | 15 ohms |
| Current Input | 1 Mohm |
| Voltage Input | Greater Than 10 Mohm |
| Millivolt Input | 500nA Nominal |
| Thermocouple Burn Out Current: Cold junction compensation accuracy Maximum Voltage Output | ±0.5°C over the operating range |
| Maximum Current Output | 11.5 V into a minimum of 7Kohm |
| Time Response (90% of a step change) | 23.0 mA into a maximum of 1Kohm |
| The unit has full 3 port IsolatioThe unit can also withstand tray dimensions | |
| Mounting | 114.5 mm x 99mm x 17.5mm (H x D x W) |
| Connections | DIN Rail TS35 |
| Conductor Size | Screw Clamp with pressure plate |
| Insulation Stripping | 0.5 to 4.0 mm |
| Maximum Terminal Torque | 12 mm |
| Weight | 0.4 Nm |
| Maximum Terminal Torque | 0.4 Nm |
| Weight | Approx. 115g |
| EMC Emissions | EN50081-1:1992 |
| EMC Immunity | EN50082-1:1997 |
| LVD Standards | EN61010-1:1993 |
| Installation Category (IEC 664) | II |
| Pollution Degree (EN61010-1:1993Equipment Class (IEC 536) | 2 |




















